Pagrindinis meniu

Automobilio detalės info:

Cilindro įvorė 88332110 KOLBENSCHMIDT

standartinis dydis [STD]:
komponento numeris: 10723
kiekis: 3
papildomas gaminys / papildoma informacija 2: tepama cilindro įvorė
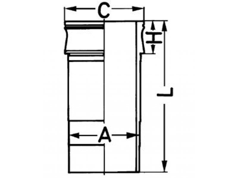
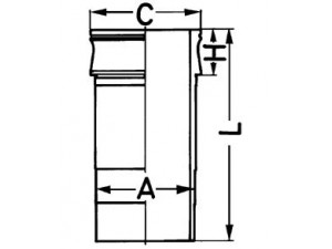
išorinis skersmuo [mm]: 152
vidinis skersmuo [mm]: 140
ilgis [mm]: 330
plotis [mm]: 70
jungės Ø [mm]: 166
Kainų analizė ir palyginimas:
Pigiausia kaina 108
Brangiausia kaina 136
Vidutinė kaina 122
* Į krepšelį įsidėti gali tik registruoti vartotojai. Registruotis
Tiekėjas Gamintojas Kiekis Kaina
KS 0 108.00€
88 332 110
Cilindro gilzė
Išskleisti visus laukus

Prekė priklauso grupei/grupėms:
Dviratė transporto priemonės -> Variklis -> Karteris -> Cilindro įvorė/komplektas
Dviratė transporto priemonės -> Variklis -> Cilindrai/stūmokliai
Variklis -> Karteris -> Cilindro įvorė/komplektas
Variklis -> Cilindrai/stūmokliai
Džiaugiesi radęs? Pasidalink su draugais!
Detalės kodai:
DEUTZ: 1202 2526; KHD: 1202 2526; MWM: 1202 2526, 2601 2012, 3.415.0.132.001.4; DEUTZ-FAHR: 1202 2526;

Sudedamosios dalys:
10701 (1vnt.)
O žiedas, cilindro sraigtinė įvorė
10723 (1vnt.)
O žiedas, cilindro sraigtinė įvorė