Pagrindinis meniu

Automobilio detalės info:

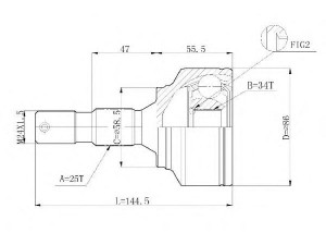
Jungčių komplektas, kardaninis velenas C.123 STATIM

montavimo vieta: rato pusė
jungties tipas: CV sujungimas
išorinis krumplys, rato pusė: 25
vidinis krumplys, rato pusė: 34
sandariklio skersmuo [mm]: 58,5
išorinis skersmuo [mm]: 86
Kainų analizė ir palyginimas:
Pigiausia kaina 47
Brangiausia kaina 59
Vidutinė kaina 53
* Į krepšelį įsidėti gali tik registruoti vartotojai. Registruotis
Tiekėjas Gamintojas Kiekis Kaina
LPR 0 47.00€
LPRKPG608
Varantysis lankstas
Išskleisti visus laukus

Prekė priklauso grupei/grupėms:
Ratų pavara -> Sujungimai/komplektas
Ši detalė taip pat tinka šiems modeliams:
CITROEN
C5 I (DC_), C5 I Break (DE_), C5 II (RC_), C5 II Break (RE_), C5 III (RD_), C5 III Break (TD_)
(2001, 2002, 2003, 2004)

Džiaugiesi radęs? Pasidalink su draugais!
Detalės kodai:
CITROEN: 32724T, 32738G;