Pagrindinis meniu

Automobilio detalės info:

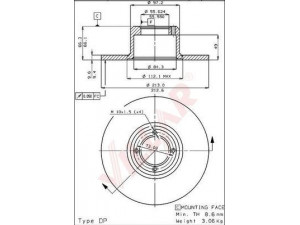
Stabdžių diskas 628.1721 VILLAR

prekės numeriui: 628.1721
skersmuo [mm]: 213
aukštis [mm]: 66,2
stabdžių disko tipas: visiškai
stabdžių disko storis [mm]: 9,5
minimalus storis [mm]: 8,6
angų skaičius: 4
centravimo skersmuo [mm]: 55,5
užveržimo sukimo momentas [Nm]: 6
Šios prekės prekyboje kol kas nėra.
Prekė priklauso grupei/grupėms:
Stabdžių sistema -> Diskinis stabdys -> Stabdžių diskas
Dviratė transporto priemonės -> Stabdžių sistema -> Stabdžių diskai / priedai
Ši detalė taip pat tinka šiems modeliams:
AUSTIN
METRO
(1980, 1981, 1982, 1983, 1984, 1985, 1986, 1987, 1988, 1989, 1990)
MG
METRO
(1982, 1983, 1984, 1985, 1986, 1987, 1988, 1989, 1990)

Džiaugiesi radęs? Pasidalink su draugais!
Detalės kodai:
AUSTIN: FAM8266; MG: FAM8266;