Pereiti į pagrindinį turinį
automobilių detalių žinynas
Pasiūlymus siųskite:
info@iauto.lt
Viso detalių : 0
Vardas arba el-pašto adresas
*
Slaptažodis
*
Registracija
Pamiršau slaptažodį
Paieška pagal kodą
Mano miestas
-Visi-
Akmenė
Alytus
Anykščiai
Birštonas
Biržai
Druskininkai
Elektrėnai
Gargždai
Ignalina
Jonava
Joniškis
Jurbarkas
Kaišiadorys
Kalvarija
Kaunas
Kazlų Rūda
Kelmė
Kernavė
Kėdainiai
Klaipėda
Kretinga
Kupiškis
Lazdijai
Lentvaris
Marijampolė
Mažeikiai
Molėtai
Naujoji Akmenė
Neringa
Pabradė
Pagėgiai
Pakruojis
Palanga
Panevėžys
Pasvalys
Plungė
Prienai
Radviliškis
Raseiniai
Rietavas
Rokiškis
Skuodas
Šakiai
Šalčininkai
Šiauliai
Šilalė
Šilutė
Širvintos
Švenčionėliai
Švenčionys
Tauragė
Telšiai
Trakai
Ukmergė
Utena
Varėna
Vilkaviškis
Vilnius
Visaginas
Zarasai
Gamintojas
AC
ACURA
AEON MOTORCYCLES
AIXAM
ALFA ROMEO
ALPINA
ALPINE
AMC
APRILIA MOTORCYCLES
ARO
ARTEGA
ASHOK LEYLAND
ASIA MOTORS
ASKAM (FARGO/DESOTO)
ASTON MARTIN
AUDI
AUSTIN
AUSTIN-HEALEY
AUTO UNION
AUTOBIANCHI
AVIA
BARKAS
BEDFORD
BEELINE MOTORCYCLES
BENELLI MOTORCYCLES
BENTLEY
BERTONE
BETA MOTORCYCLES
BIMOTA MOTORCYCLES
BITTER
BMW
BMW MOTORCYCLES
BOND
BORGWARD
BRISTOL
BUELL MOTORCYCLES
BUGATTI
BUICK
CADILLAC
CAGIVA MOTORCYCLES
CALLAWAY
CARBODIES
CATERHAM
CHECKER
CHEVROLET
CHRYSLER
CITROEN
DACIA
DAELIM MOTORCYCLES
DAEWOO
DAF
DAIHATSU
DAIMLER
DALLAS
DE LOREAN
DE TOMASO
DERBI MOTORCYCLES
DODGE
DUCATI MOTORCYCLES
EBRO
ECM MOTORCYCLES
FANTIC MOTORCYCLES
FERRARI
FIAT
FISKER
FORD
FOTON
FSO
GASGAS MOTORCYCLES
GAZ
GEELY
GEO
GILERA MOTORCYCLES
GINETTA
GLAS
GMC
HARLEY-DAVIDSON MC
HERCULES MOTORCYCLES
HINDUSTAN
HMRacing MOTORCYCLES
HOBBYCAR
HOLDEN
HONDA
HONDA MOTORCYCLES
HUMMER
HUSABERG MOTORCYCLES
HUSQVARNA MOTORCYCLE
HYOSUNG MOTORCYCLES
HYUNDAI
INDIAN MOTORCYCLES
INDIGO
INFINITI
INNOCENTI
IRMSCHER
ISDERA
ISH
ISUZU
ITALJET MOTORCYCLES
IVECO
JAGUAR
JAWA MOTORCYCLES
JEEP
JENSEN
KAWASAKI MOTORCYCLES
KIA
KING LONG
KREIDLER MOTORCYCLES
KTM
KTM MOTORCYCLES
KYMCO MOTORCYCLES
LADA
LAMBORGHINI
LANCIA
LAND ROVER
LANDWIND (JMC)
LAVERDA MOTORCYCLES
LDV
LEXUS
LIGIER
LINCOLN
LML MOTORCYCLES
LOTUS
LTI
MAHINDRA
MAICO MOTORCYCLES
MALAGUTI MOTORCYCLES
MARCOS
MARUTI
MASERATI
MAYBACH
MAZDA
MBK MOTORCYCLES
MCLAREN
MEGA
MERCEDES-BENZ
METROCAB
MG
MIDDLEBRIDGE
MINELLI
MINI
MITSUBISHI
MITSUOKA
MORGAN
MORRIS
MOSKVICH
MOTO GUZZI MC
MOTO-MORINI MC
MOTOBI MOTORCYCLES
MV AGUSTA MOTORCYCLE
MZ MOTORCYCLES
NISSAN
NSU
OLDSMOBILE
OLTCIT
OPEL
OSCA
PANOZ
PANTHER
PAYKAN
PEUGEOT
PEUGEOT MOTORCYCLES
PGO MOTORCYCLES
PIAGGIO
PIAGGIO MOTORCYCLES
PININFARINA
PLYMOUTH
PONTIAC
PORSCHE
PREMIER
PROTON
PUCH
PUCH MOTORCYCLES
QUADRO MOTORCYCLES
RANGER
RAYTON FISSORE
RELIANT
RENAULT
REX MOTORCYCLES
RILEY
ROLLS-ROYCE
ROVER
RUF
SAAB
SACHS MOTORCYCLES
SANGLAS MOTORCYCLES
SANTANA
SEAT
SHELBY
SIMSON MOTORCYCLES
SIPANI
SKODA
SMART
SOLO MOTORCYCLES
SOMMER MOTORCYCLES
SPECTRE
SPYKER
SSANGYONG
STANDARD
STEYR
STREETSCOOTER
SUBARU
SUZUKI
SUZUKI MOTORCYCLES
SWM MOTORCYCLES
SYM MOTORCYCLES
TALBOT
TATA
TAZZARI
TESLA
TGB MOTORCYCLES
THINK
TORNAX MOTORCYCLES
TOYOTA
TRABANT
TRIUMPH
TRIUMPH MOTORCYCLES
TVR
UAZ
UMM
VAUXHALL
VECTOR
VESPA MOTORCYCLES
VICTORY MOTORCYCLES
VOLVO
VW
WARTBURG
WESTFIELD
WIESMANN
WOLSELEY
YAMAHA MOTORCYCLES
YULON
ZASTAVA
ZAZ
ZERO MOTORCYCLES
Modelis
Pasirinkite modelį
Mano auto
CITRO?N
JUMPER plokščiadugnis / v
3.0 HDi 160 (116kW)
HOLDEN
COMMODORE sedanas (VP)
3.8 i V6 (127kW)
PEUGEOT
J5 plokščiadugnis / važiu
2.0 (62kW)
BEDFORD
RASCAL komercinis
1.0 (34kW)
TRIUMPH MOTORCYCLES
SPEEDMASTER
Speedmaster (908ML) (25kW)
Rodyti visus
VAG automobilių detalių brėžiniai, katalogas - žinynas (manualai) su orginaliais autodalių kodais
Mercedes brėžiniai
Pagrindinis meniu
Pradžia
Paieška
Pardavėjai
Gamintojai
Transporto priemonė: 814; VIN numerio dalis: 674014
Rinktis kitą modelį
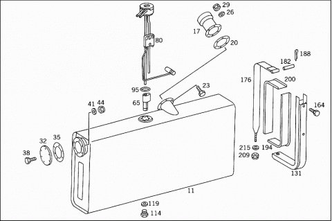
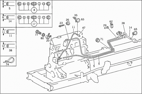
Grupė: 47 FUEL SYSTEM
Rinktis kitą grupę
Pasirinkite norimą pogrupį:
060
FUEL LINES AND BREATHING
180
FUEL TANK