| 005 |
A 6855000203 |
RADIATOR |
| 008 |
Q 25228R1 |
PART NAME MISSING |
|
Repalced by: A 6859900401
|
| 008 |
A 6859900401 |
SCREW |
|
|
RADIATOR TO SUPPORT |
|
|
5/16-18X3/4 FG8 |
| 011 |
Q 25708R1 |
PART NAME MISSING |
|
Repalced by: A 6859900240
|
| 011 |
A 6859900240 |
WASHER |
|
|
RADIATOR TO SUPPORT |
|
|
5/16-.688-.089 Z |
| 014 |
Q 27304R1 |
PART NAME MISSING |
|
Repalced by: A 6859900147
|
| 014 |
A 6859900147 |
LOCK WASHER |
|
|
RADIATOR TO SUPPORT |
|
|
5/16-.318 INOX |
| 017 |
A 6855000025 |
DRAIN COCK |
|
|
RADIATOR |
| 017 |
Q 125407H1 |
PART NAME MISSING |
|
|
DRAIN COCK |
|
T YYYYYYYYYYYY |
PART NAME MISSING |
|
|
RADIATOR |
| 020 |
A 6855050455 |
FAN SHROUD |
| 023 |
Q 502279R1 |
PART NAME MISSING |
|
|
FAN SHROUD |
| 023 |
Q 502683 |
PART NAME MISSING |
|
|
FAN SHROUD |
| 026 |
Q 501581R1 |
PART NAME MISSING |
|
|
GASKET |
| 029 |
Q 25493R1 |
PART NAME MISSING |
|
Repalced by: A 6859900701
|
| 029 |
A 6859900701 |
SCREW |
|
|
FAN SHROUD TO BASE FRAME |
|
|
5/16-18X1 FG8 |
| 032 |
Q 25708R1 |
PART NAME MISSING |
|
Repalced by: A 6859900240
|
| 032 |
A 6859900240 |
WASHER |
|
|
FAN SHROUD TO BASE FRAME |
|
|
5/16-.688-.089 Z |
| 035 |
Q 27304R1 |
PART NAME MISSING |
|
Repalced by: A 6859900147
|
| 035 |
A 6859900147 |
LOCK WASHER |
|
|
FAN SHROUD TO BASE FRAME |
|
|
5/16-.318 INOX |
| 038 |
A 3765013301 |
CHARGING AIR INTERCOOLER |
|
|
"BEHR" |
| 038 |
A 3765016801 |
CHARGING AIR INTERCOOLER |
| 041 |
N 000933008271 |
SCREW |
|
|
CHARGING AIR INTERCOOLER TO BASE FRAME |
|
|
M 8 X 20 |
| 044 |
Q 25654R1 |
PART NAME MISSING |
|
|
SCREW |
|
|
5/16-18 X 1 1/2 FG8 |
|
T YYYYYYYYYYYY |
PART NAME MISSING |
|
|
CHARGING AIR INTERCOOLER TO BASE FRAME |
| 047 |
Q 120214 |
PART NAME MISSING |
|
|
SPRING WASHER |
|
|
5/16-.318 Z |
|
T YYYYYYYYYYYY |
PART NAME MISSING |
|
|
CHARGING AIR INTERCOOLER TO BASE FRAME |
| 050 |
Q 27326 |
PART NAME MISSING |
|
|
WASHER |
|
|
5/16-.688-.089 F |
|
T YYYYYYYYYYYY |
PART NAME MISSING |
|
|
CHARGING AIR INTERCOOLER TO BASE FRAME |
| 053 |
Q 25520R1 |
PART NAME MISSING |
|
Repalced by: A 6859900751
|
| 053 |
A 6859900751 |
NUT |
|
|
CHARGING AIR INTERCOOLER TO BASE FRAME |
|
|
5/16-18 FG8 |
| 056 |
A 6855280582 |
HOSE |
|
|
CHARGING AIR INTERCOOLER TO RADIATOR |
| 059 |
A 6855280782 |
HOSE |
|
|
CHARGING-AIR-INTERCOOLER/TURBOCHARGER CONNECTION |
| 062 |
N 916017080000 |
CLAMP |
|
Repalced by: N 000000000675
|
| 062 |
N 000000000675 |
CLAMP |
|
|
ACCORDION TUBE TO CHARGE AIR ELBOW |
|
|
80-100 |
| 065 |
N 916017090000 |
CLAMP |
|
|
ACCORDION TUBE TO CHARGE AIR ELBOW |
|
|
90-100 |
| 068 |
Q 502226R91 |
PART NAME MISSING |
|
|
PIPE ELBOW |
|
T YYYYYYYYYYYY |
PART NAME MISSING |
|
|
FROM CHARGING AIR INTERCOOLER TO ENGINE |
| 071 |
Q 502494R1 |
PART NAME MISSING |
|
|
ANGLE |
|
T YYYYYYYYYYYY |
PART NAME MISSING |
|
|
PIPE ELBOW |
| 074 |
Q 25801R1 |
PART NAME MISSING |
|
|
SCREW |
|
|
7/16-20 X 2 FG8 |
|
T YYYYYYYYYYYY |
PART NAME MISSING |
|
|
PIPE ELBOW TO ANGLE |
| 077 |
Q 120383 |
PART NAME MISSING |
|
|
SPRING WASHER |
|
|
7/16-.446 Z |
|
T YYYYYYYYYYYY |
PART NAME MISSING |
|
|
PIPE ELBOW TO ANGLE |
| 080 |
Q 25525R1 |
PART NAME MISSING |
|
|
NUT |
|
|
7/16-20 FG8 |
|
T YYYYYYYYYYYY |
PART NAME MISSING |
|
|
PIPE ELBOW TO ANGLE |
| 083 |
Q 502495R91 |
PART NAME MISSING |
|
|
BRACKET |
| 086 |
Q 24840R1 |
PART NAME MISSING |
|
|
SCREW |
|
|
3/8-16 X 1 FG8 |
|
T YYYYYYYYYYYY |
PART NAME MISSING |
|
|
ANGLE TO BRACKET |
| 089 |
Q 120382 |
PART NAME MISSING |
|
Repalced by: A 6859900347
|
| 089 |
A 6859900347 |
LOCK WASHER |
|
|
ANGLE TO BRACKET |
|
|
3/8-.382 Z |
| 092 |
Q 25522R1 |
PART NAME MISSING |
|
Repalced by: A 6859900851
|
| 092 |
A 6859900851 |
NUT |
|
|
ANGLE TO BRACKET |
|
|
3/8-16 FG8 |
| 095 |
Q 498435C1 |
PART NAME MISSING |
|
|
BUFFER |
|
T YYYYYYYYYYYY |
PART NAME MISSING |
|
|
AT FUEL TANK CONSOLE |
| 098 |
Q 502577R1 |
PART NAME MISSING |
|
|
BRACKET |
|
T YYYYYYYYYYYY |
PART NAME MISSING |
|
|
AT FUEL TANK CONSOLE |
| 101 |
Q 120382 |
PART NAME MISSING |
|
Repalced by: A 6859900347
|
| 101 |
A 6859900347 |
LOCK WASHER |
|
|
3/8-.382 Z |
| 104 |
Q 25522R1 |
PART NAME MISSING |
|
Repalced by: A 6859900851
|
| 104 |
A 6859900851 |
NUT |
|
|
3/8-16 FG8 |
| 107 |
Q 122322R91 |
PART NAME MISSING |
|
|
CLAMP |
|
|
3 1/4-2.31 Z |
| 110 |
Q 502228R91 |
PART NAME MISSING |
|
|
PIPE ELBOW |
|
T YYYYYYYYYYYY |
PART NAME MISSING |
|
|
FROM ENGINE TO CHARGE AIR INTERCOOLER |
| 113 |
Q 502592R91 |
PART NAME MISSING |
|
|
BRACKET |
| 116 |
N 000933010016 |
SCREW |
|
|
BRACKET TO ENGINE |
|
|
M10 X 20 |
| 119 |
N 000125010521 |
WASHER |
|
|
BRACKET TO ENGINE |
|
|
A 10.5 |
| 122 |
A 6855000427 |
SUPPORT |
|
|
(BASE FRAME) |
| 125 |
Q 502280R91 |
PART NAME MISSING |
|
|
BRAKE ANCHOR |
|
T YYYYYYYYYYYY |
PART NAME MISSING |
|
|
(BASE FRAME) |
| 128 |
A 6855040030 |
RADIATOR STRUT |
| 131 |
Q 25493R1 |
PART NAME MISSING |
|
Repalced by: A 6859900701
|
| 131 |
A 6859900701 |
SCREW |
|
|
RADIATOR STRUT TO RADIATOR MOUNTING |
|
|
5/16-18X1 FG8 |
| 134 |
A 6859900147 |
LOCK WASHER |
|
|
RADIATOR STRUT TO RADIATOR MOUNTING |
| 134 |
Q 120214 |
PART NAME MISSING |
|
|
LOCK WASHER |
|
|
5/16-.318 Z |
|
T YYYYYYYYYYYY |
PART NAME MISSING |
|
|
RADIATOR STRUT TO RADIATOR MOUNTING |
| 140 |
Q 25708R1 |
PART NAME MISSING |
|
Repalced by: A 6859900240
|
| 140 |
A 6859900240 |
WASHER |
|
|
RADIATOR STRUT TO RADIATOR MOUNTING |
|
|
5/16-.688-.089 Z |
| 146 |
Q 471478C1 |
PART NAME MISSING |
|
Repalced by: A 6855040012
|
| 146 |
A 6855040012 |
RUBBER MOUNTING |
|
|
BASE FRAME ON CROSS MEMBER |
| 149 |
Q 27463R1 |
PART NAME MISSING |
|
Repalced by: A 6859901001
|
| 149 |
A 6859901001 |
SCREW |
|
|
BASE FRAME ON CROSS MEMBER |
|
|
1/2-13X3 3/4 ZG5 |
| 152 |
Q 487704R1 |
PART NAME MISSING |
|
Repalced by: A 6855040353
|
| 152 |
A 6855040353 |
SPACER TUBE |
|
|
BASE FRAME ON CROSS MEMBER |
|
|
3/4X.53X1.19 |
| 155 |
Q 502669R1 |
PART NAME MISSING |
|
|
SPACER TUBE |
|
T YYYYYYYYYYYY |
PART NAME MISSING |
|
|
BASE FRAME ON CROSS MEMBER |
| 158 |
Q 471477C1 |
PART NAME MISSING |
|
Repalced by: A 6855040065
|
| 158 |
A 6855040065 |
RUBBER BUFFER |
|
|
BASE FRAME ON CROSS MEMBER |
| 161 |
Q 471475C1 |
PART NAME MISSING |
|
Repalced by: A 6855040028
|
| 161 |
A 6855040028 |
GUIDE |
|
|
BASE FRAME ON CROSS MEMBER |
| 164 |
Q 22191R1 |
PART NAME MISSING |
|
Repalced by: A 6859900440
|
| 164 |
A 6859900440 |
WASHER |
|
|
BASE FRAME ON CROSS MEMBER |
|
|
.531-1.750-.164 Z |
| 167 |
Q 9412230 |
PART NAME MISSING |
|
Repalced by: A 6859901151
|
| 167 |
A 6859901151 |
NUT |
|
|
BASE FRAME ON CROSS MEMBER |
|
|
1/2-13 FG8 |
| 170 |
Q 275635R1 |
PART NAME MISSING |
|
|
SCREW |
|
|
1/2-13 X 3 FG8 |
|
T YYYYYYYYYYYY |
PART NAME MISSING |
|
|
BASE FRAME ON CROSS MEMBER |
| 170 |
Q 24865R1 |
PART NAME MISSING |
|
|
SCREW |
|
|
1/2-13 X 2 1/4 FG8 |
|
T YYYYYYYYYYYY |
PART NAME MISSING |
|
|
BASE FRAME ON CROSS MEMBER |
| 176 |
Q 502281R91 |
PART NAME MISSING |
|
|
BRAKE ANCHOR |
|
T YYYYYYYYYYYY |
PART NAME MISSING |
|
|
RADIATOR BASE FRAME |
| 179 |
Q 414053C1 |
PART NAME MISSING |
|
|
SCREW |
|
|
1/2-20 X 1 3/4 FG8 |
|
T YYYYYYYYYYYY |
PART NAME MISSING |
|
|
SUPPORT TO SIDE MEMBER |
| 182 |
Q 414052C1 |
PART NAME MISSING |
|
Repalced by: A 6859900101
|
| 182 |
A 6859900101 |
SCREW |
|
|
SUPPORT TO SIDE MEMBER |
|
|
1/2-20 X 1 1/2 FG8 |
| 185 |
Q 414087C1 |
PART NAME MISSING |
|
Repalced by: A 6859900151
|
| 185 |
A 6859900151 |
NUT |
|
|
SUPPORT TO SIDE MEMBER |
|
|
1/2-20 FG8 |
| 188 |
A 6855040101 |
SUPPORT |
|
|
LEFT |
| 188 |
A 6855040201 |
SUPPORT |
|
|
RIGHT |
| 191 |
Q 501805R1 |
PART NAME MISSING |
|
|
BRAKE ANCHOR |
|
T YYYYYYYYYYYY |
PART NAME MISSING |
|
|
LEFT |
| 191 |
Q 501806R1 |
PART NAME MISSING |
|
|
BRAKE ANCHOR |
|
T YYYYYYYYYYYY |
PART NAME MISSING |
|
|
RIGHT |
| 194 |
Q 140483H |
PART NAME MISSING |
|
|
SCREW |
|
|
3/8-16X1 1/4 FG8 |
|
T YYYYYYYYYYYY |
PART NAME MISSING |
|
|
CONSOLE TO BASE FRAME |
| 197 |
Q 25709R1 |
PART NAME MISSING |
|
Repalced by: A 6859900140
|
| 197 |
A 6859900140 |
WASHER |
|
|
CONSOLE TO BASE FRAME |
|
|
3/8-.812-.089 Z |
| 200 |
Q 120382 |
PART NAME MISSING |
|
Repalced by: A 6859900347
|
| 200 |
A 6859900347 |
LOCK WASHER |
|
|
CONSOLE TO BASE FRAME |
|
|
3/8-.382 Z |
| 203 |
Q 28173R1 |
PART NAME MISSING |
|
|
SCREW |
|
|
5/8-18 UNF X 8 FG8 |
|
T YYYYYYYYYYYY |
PART NAME MISSING |
|
|
FROM RADIATOR TO FRAME,LATERAL |
| 206 |
Q 130999 |
PART NAME MISSING |
|
|
WASHER |
|
|
5/8-1.750-.108 Z |
|
T YYYYYYYYYYYY |
PART NAME MISSING |
|
|
FROM RADIATOR TO FRAME,LATERAL |
| 209 |
Q 459591C1 |
PART NAME MISSING |
|
|
RUBBER MOUNTING |
|
T YYYYYYYYYYYY |
PART NAME MISSING |
|
|
FROM RADIATOR TO FRAME,LATERAL |
| 212 |
A 6855040153 |
SPACER TUBE |
|
|
FROM RADIATOR TO FRAME,LATERAL |
| 215 |
A 6855040053 |
SPACER TUBE |
|
|
FROM RADIATOR TO FRAME,LATERAL |
| 218 |
Q 414089C1 |
PART NAME MISSING |
|
|
NUT |
|
|
5/8-18 FG8 |
|
T YYYYYYYYYYYY |
PART NAME MISSING |
|
|
FROM RADIATOR TO FRAME,LATERAL |
| 221 |
Q 502545R1 |
PART NAME MISSING |
|
|
BRACKET |
|
T YYYYYYYYYYYY |
PART NAME MISSING |
|
|
LEFT |
| 221 |
Q 502546R1 |
PART NAME MISSING |
|
|
BRACKET |
|
T YYYYYYYYYYYY |
PART NAME MISSING |
|
|
RIGHT |
| 227 |
Q 502283R1 |
PART NAME MISSING |
|
|
ROD |
|
T YYYYYYYYYYYY |
PART NAME MISSING |
|
|
LEFT |
| 227 |
Q 502547R1 |
PART NAME MISSING |
|
|
ROD |
|
T YYYYYYYYYYYY |
PART NAME MISSING |
|
|
RIGHT |
| 233 |
Q 25493R1 |
PART NAME MISSING |
|
Repalced by: A 6859900701
|
| 233 |
A 6859900701 |
SCREW |
|
|
RADIATOR STRUT TO BRACKET |
|
|
5/16-18 X 1 FG8 |
| 236 |
Q 25708R1 |
PART NAME MISSING |
|
Repalced by: A 6859900240
|
| 236 |
A 6859900240 |
WASHER |
|
|
RADIATOR STRUT TO BRACKET |
|
|
5/16-.688-.089 Z |
| 239 |
A 6859900147 |
LOCK WASHER |
|
|
RADIATOR STRUT TO BRACKET |
| 239 |
Q 120214 |
PART NAME MISSING |
|
|
LOCK WASHER |
|
|
5/16-.318 Z |
|
T YYYYYYYYYYYY |
PART NAME MISSING |
|
|
RADIATOR STRUT TO BRACKET |
| 242 |
Q 25520R1 |
PART NAME MISSING |
|
Repalced by: A 6859900751
|
| 242 |
A 6859900751 |
NUT |
|
|
RADIATOR STRUT TO BRACKET |
|
|
5/16-18 FG8 |
| 245 |
Q 25524R1 |
PART NAME MISSING |
|
|
NUT |
|
|
7/16-14 FG8 |
|
T YYYYYYYYYYYY |
PART NAME MISSING |
|
|
RADIATOR STRUT TO RADIATOR MOUNTING |
| 248 |
Q 120383 |
PART NAME MISSING |
|
|
LOCK WASHER |
|
|
7/16-.446 Z |
|
T YYYYYYYYYYYY |
PART NAME MISSING |
|
|
RADIATOR STRUT TO RADIATOR MOUNTING |
| 251 |
Q 23043R1 |
PART NAME MISSING |
|
|
WASHER |
|
|
.469-2.0-.105 Z |
|
T YYYYYYYYYYYY |
PART NAME MISSING |
|
|
RADIATOR STRUT TO RADIATOR MOUNTING |
| 254 |
Q 459591C1 |
PART NAME MISSING |
|
|
RUBBER MOUNTING |
|
T YYYYYYYYYYYY |
PART NAME MISSING |
|
|
RADIATOR STRUT TO RADIATOR MOUNTING |
| 257 |
A 6855040153 |
SPACER TUBE |
|
|
RADIATOR STRUT TO RADIATOR MOUNTING |
| 260 |
A 6855000172 |
LINE |
| 263 |
A 6855010982 |
HOSE |
| 266 |
N 900271042008 |
HOSE |
|
|
42 X 54 X 90 |
| 269 |
A 6855010882 |
HOSE |
|
Repalced by: A 6855010982
|
| 269 |
A 6855010982 |
HOSE |
|
|
TOP |
| 272 |
N 916017040000 |
CLAMP |
|
Repalced by: N 000000000671
|
| 272 |
N 000000000671 |
CLAMP |
|
|
PIPE TO HOSE |
|
|
40-60 |
| 275 |
A 6855010882 |
HOSE |
|
Repalced by: A 6855010982
|
| 275 |
A 6855010982 |
HOSE |
|
|
WATER PUMP THERMOSTAT |
| 275 |
Q 502520R1 |
PART NAME MISSING |
|
|
HOSE |
|
T YYYYYYYYYYYY |
PART NAME MISSING |
|
|
WATER PUMP THERMOSTAT |
| 278 |
Q 502509R91 |
PART NAME MISSING |
|
|
PIPE LINE |
| 281 |
Q 502523R1 |
PART NAME MISSING |
|
|
HOSE |
| 284 |
Q 502420R91 |
PART NAME MISSING |
|
|
THERMOSTAT |
| 290 |
N 916017040000 |
CLAMP |
|
Repalced by: N 000000000671
|
| 290 |
N 000000000671 |
CLAMP |
|
|
PIPE TO HOSE |
|
|
40-60 MM |
| 293 |
Q 502508R91 |
PART NAME MISSING |
|
|
HOSE |
|
T YYYYYYYYYYYY |
PART NAME MISSING |
|
|
TOP |
| 296 |
Q 502517R1 |
PART NAME MISSING |
|
|
MOLDED HOSE |
| 299 |
Q 502516R1 |
PART NAME MISSING |
|
|
PIPE LINE |
|
|
"L" |
| 302 |
Q 502521R1 |
PART NAME MISSING |
|
|
MOLDED HOSE |
| 305 |
Q 502510R91 |
PART NAME MISSING |
|
|
PIPE LINE |
|
|
"Y" |
| 308 |
A 6855010982 |
HOSE |
|
|
BOTTOM |
| 311 |
Q 502522R1 |
PART NAME MISSING |
|
|
HOSE |
|
T YYYYYYYYYYYY |
PART NAME MISSING |
|
|
TO OIL COOLER |
| 314 |
Q 502419R91 |
PART NAME MISSING |
|
|
OIL COOLER |
| 317 |
Q 502534R1 |
PART NAME MISSING |
|
|
HOSE |
|
T YYYYYYYYYYYY |
PART NAME MISSING |
|
|
FROM OIL COOLER TO WATER PUMP |
| 320 |
Q 502649R1 |
PART NAME MISSING |
|
|
PIPE |
|
T YYYYYYYYYYYY |
PART NAME MISSING |
|
|
FROM OIL COOLER TO WATER PUMP |
| 323 |
Q 502518R1 |
PART NAME MISSING |
|
|
MOLDED HOSE |
|
T YYYYYYYYYYYY |
PART NAME MISSING |
|
|
FROM OIL COOLER TO WATER PUMP |
| 326 |
Q 502271R91 |
PART NAME MISSING |
|
|
PIPE |
|
|
"T" |
|
T YYYYYYYYYYYY |
PART NAME MISSING |
|
|
FROM OIL COOLER TO WATER PUMP |
| 329 |
Q 502496R91 |
PART NAME MISSING |
|
|
BRACKET |
|
T YYYYYYYYYYYY |
PART NAME MISSING |
|
|
OIL COOLER |
| 332 |
A 6859901901 |
SCREW |
|
|
BRACKET TO LEFT SIDE MEMBER |
| 332 |
Q 414051C1 |
PART NAME MISSING |
|
|
SCREW |
|
|
1/2-20 X 1 1/4 FG8 |
|
T YYYYYYYYYYYY |
PART NAME MISSING |
|
|
BRACKET TO LEFT SIDE MEMBER |
| 335 |
Q 414087C1 |
PART NAME MISSING |
|
Repalced by: A 6859900151
|
| 335 |
A 6859900151 |
NUT |
|
|
BRACKET TO LEFT SIDE MEMBER |
|
|
1/2-20 FG8 |
| 338 |
Q 502476R1 |
PART NAME MISSING |
|
|
CONSOLE |
| 341 |
Q 25493R1 |
PART NAME MISSING |
|
Repalced by: A 6859900701
|
| 341 |
A 6859900701 |
SCREW |
|
|
CONSOLE TO BRACKET |
|
|
5/16-18 X 1 FOSFG8 |
| 344 |
A 6859900147 |
LOCK WASHER |
|
|
CONSOLE TO BRACKET |
| 344 |
Q 120214 |
PART NAME MISSING |
|
|
LOCK WASHER |
|
|
5/16-.318 Z |
|
T YYYYYYYYYYYY |
PART NAME MISSING |
|
|
CONSOLE TO BRACKET |
| 350 |
Q 25520R1 |
PART NAME MISSING |
|
Repalced by: A 6859900751
|
| 350 |
A 6859900751 |
NUT |
|
|
CONSOLE TO BRACKET |
|
|
5/16-18 FG8 |
| 353 |
Q 450165C1 |
PART NAME MISSING |
|
Repalced by: A 6854910127
|
| 353 |
A 6854910127 |
CLAMP |
|
|
OIL COOLER TO BRACKET |
|
|
"U" ESP. 7/16-14 X 5.6 |
| 356 |
Q 25846R1 |
PART NAME MISSING |
|
|
WASHER |
|
|
7/16 X .942 |
|
T YYYYYYYYYYYY |
PART NAME MISSING |
|
|
CLAMP TO BRACKET |
| 356 |
Q 25846R1 |
PART NAME MISSING |
|
|
OIL COOLER TO BRACKET |
|
|
7/16 X .942 |
| 359 |
Q 9413981 |
PART NAME MISSING |
|
Repalced by: A 6859901551
|
| 359 |
A 6859901551 |
NUT |
|
|
OIL COOLER TO BRACKET |
|
|
7/16-14 FG8 |
| 362 |
Q 502537R1 |
PART NAME MISSING |
|
|
BRACKET |
| 365 |
Q 502536R1 |
PART NAME MISSING |
|
|
PROTECTIVE TUBE |
| 368 |
Q 279029R91 |
PART NAME MISSING |
|
|
CLAMP |
| 371 |
Q 25222R1 |
PART NAME MISSING |
|
Repalced by: A 6859900501
|
| 371 |
A 6859900501 |
SCREW |
|
|
BRACKET TO SIDE PANEL |
|
|
1/4-20 X 3/4 FG8 |
| 374 |
A 6859900247 |
LOCK WASHER |
| 374 |
Q 120380 |
PART NAME MISSING |
|
|
LOCK WASHER |
|
|
1/4-.255 Z |
|
T YYYYYYYYYYYY |
PART NAME MISSING |
|
|
BRACKET TO SIDE PANEL |
| 374 |
Q 120380 |
PART NAME MISSING |
|
|
CLAMP TO BRACKET |
|
|
1/4-.255 Z |
| 377 |
Q 25519R1 |
PART NAME MISSING |
|
Repalced by: A 6859900651
|
| 377 |
A 6859900651 |
NUT |
|
|
BRACKET TO SIDE PANEL |
|
|
1/4-20 FG8 |
| 377 |
A 6859900651 |
NUT |
|
|
CLAMP TO BRACKET |
|
|
1/4-20 FG8 |
| 380 |
Q 502588R1 |
PART NAME MISSING |
|
|
BRACKET |
| 383 |
Q 28261R1 |
PART NAME MISSING |
|
|
CLAMP |
| 386 |
Q 306132C1 |
PART NAME MISSING |
|
|
LOOM TIE |
|
T YYYYYYYYYYYY |
PART NAME MISSING |
|
|
PIPE LINE TO BRACKET |
| 389 |
A 6855007149 |
TANK |
| 392 |
A 6855007249 |
TANK |
| 395 |
A 6855010015 |
RADIATOR CAP |
| 395 |
A 0005015315 |
RADIATOR CAP |
| 398 |
A 6855017115 |
RADIATOR CAP |
| 401 |
A 6855017031 |
BRACKET |
|
|
EXPANSION TANK |
| 404 |
A 6855017131 |
BRACKET |
|
|
EXPANSION TANK |
| 407 |
Q 502564R91 |
PART NAME MISSING |
|
|
BRACKET |
|
T YYYYYYYYYYYY |
PART NAME MISSING |
|
|
EXPANSION TANK |
| 410 |
Q 502565R1 |
PART NAME MISSING |
|
|
BRACKET |
|
Y YYYYYYYYYYYY |
PART NAME MISSING |
|
|
EXPANSION TANK |
| 413 |
Q 9413979 |
PART NAME MISSING |
|
Repalced by: A 6859900351
|
| 413 |
A 6859900351 |
NUT |
|
|
BRACKET TO EXPANSION TANK |
|
|
3/8-16 FG8 |
| 416 |
Q 25709R1 |
PART NAME MISSING |
|
Repalced by: A 6859900140
|
| 416 |
A 6859900140 |
WASHER |
|
|
BRACKET TO EXPANSION TANK |
|
|
3/8-.812-.089 Z |
| 419 |
Q 25493R1 |
PART NAME MISSING |
|
Repalced by: A 6859900701
|
| 419 |
A 6859900701 |
SCREW |
|
|
BRACKET TO FRAME |
|
|
5/16-18X1 FG8 |
| 422 |
Q 25494R1 |
PART NAME MISSING |
|
|
SCREW |
|
|
5/16-18 X 4.0 FG8 |
|
T YYYYYYYYYYYY |
PART NAME MISSING |
|
|
BRACKET TO FRAME |
| 425 |
Q 25708R1 |
PART NAME MISSING |
|
Repalced by: A 6859900240
|
| 425 |
A 6859900240 |
WASHER |
|
|
BRACKET TO FRAME |
|
|
5/16-.688-.089 Z |
| 428 |
Q 27304R1 |
PART NAME MISSING |
|
Repalced by: A 6859900147
|
| 428 |
A 6859900147 |
LOCK WASHER |
|
|
BRACKET TO FRAME |
|
|
5/16-.318 INOX |
| 431 |
Q 25520R1 |
PART NAME MISSING |
|
Repalced by: A 6859900751
|
| 431 |
A 6859900751 |
NUT |
|
|
BRACKET TO FRAME |
|
|
5/16-18 FOSFG8 |
| 434 |
Q 502571R91 |
PART NAME MISSING |
|
|
FILLER NECK |
| 437 |
Q 425963C1 |
PART NAME MISSING |
|
|
RIVET |
|
|
3/16 |
|
T YYYYYYYYYYYY |
PART NAME MISSING |
|
|
FILLER NECK IN SIDE PANEL |
| 440 |
Q 502667R1 |
PART NAME MISSING |
|
|
HOSE |
| 443 |
N 916017040000 |
CLAMP |
|
Repalced by: N 000000000671
|
| 443 |
N 000000000671 |
CLAMP |
|
|
40-60 |
| 446 |
A 6855017382 |
HOSE |
| 449 |
A 6855010382 |
HOSE |
|
Repalced by: N 900271025009
|
| 449 |
N 900271025009 |
HOSE |
|
|
(MOLDED HOSE) |
| 452 |
N 916017025000 |
CLAMP |
|
Repalced by: N 000000000668
|
| 452 |
N 000000000668 |
CLAMP |
|
|
HOSE TO EXPANSION TANK |
|
|
25-40 |
| 452 |
N 000000000668 |
CLAMP |
|
|
MOLDED HOSE TO PIPE |
|
|
25-40 |
| 455 |
Q 502568R1 |
PART NAME MISSING |
|
|
PIPE |
| 458 |
A 6855017124 |
COOLING WATER PIPE |
| 461 |
Q 502573R1 |
PART NAME MISSING |
|
|
COOLING WATER PIPE |
| 464 |
A 6855010720 |
BRACKET |
| 467 |
Q 299416C1 |
PART NAME MISSING |
|
|
CLAMP |
|
|
15/16X.38 Z |
|
T YYYYYYYYYYYY |
PART NAME MISSING |
|
|
COOLING WATER LINE TO BRACKET |
| 470 |
Q 25228R1 |
PART NAME MISSING |
|
Repalced by: A 6859900401
|
| 470 |
A 6859900401 |
SCREW |
|
|
COOLING WATER LINE TO BRACKET |
|
|
5/16-18X3/4 FG8 |
| 473 |
Q 120214 |
PART NAME MISSING |
|
|
SPRING WASHER |
|
|
5/16 |
|
T YYYYYYYYYYYY |
PART NAME MISSING |
|
|
COOLING WATER LINE TO BRACKET |
| 476 |
Q 25520R1 |
PART NAME MISSING |
|
Repalced by: A 6859900751
|
| 476 |
A 6859900751 |
NUT |
|
|
COOLING WATER LINE TO BRACKET |
|
|
5/16-18 FG8 |
| 479 |
A 6855017008 |
FILLER NECK |
|
|
90 GR. 1/4-18 NPT X 1/4 |
| 479 |
Q 482731C1 |
PART NAME MISSING |
|
|
FITTING |
| 482 |
N 900271008033 |
HOSE |
|
|
DE-AERATION LINE |
|
|
8 X 15 X 500 MM |
| 485 |
Q 502572R1 |
PART NAME MISSING |
|
|
HOSE |
|
|
8 X 15 X 770 MM |
|
T YYYYYYYYYYYY |
PART NAME MISSING |
|
|
DE-AERATION LINE |
| 488 |
N 900271008082 |
HOSE |
| 491 |
Q 427698C1 |
PART NAME MISSING |
|
|
HOSE |
|
|
5/16 |
| 491 |
Q 427698C1 |
PART NAME MISSING |
|
|
DE-AERATION LINE |
|
|
800 MM |
| 491 |
Q 427698C1 |
PART NAME MISSING |
|
|
DE-AERATION LINE |
|
|
1100 MM |
| 494 |
N 916017011000 |
CLAMP |
|
Repalced by: N 000000000665
|
| 494 |
N 000000000665 |
CLAMP |
|
|
DE-AERATION LINE TO SCREW FITTING |
|
|
12-22X12MM |
| 494 |
N 000000000665 |
CLAMP |
|
|
DE-AERATION LINE TO EXPANSION TANK |
|
|
12-22X12MM |
| 497 |
Q 406340C1 |
PART NAME MISSING |
|
|
CLAMP |
|
|
.520 AC |
|
T YYYYYYYYYYYY |
PART NAME MISSING |
|
|
DE-AERATION LINE TO EXPANSION TANK |
| 500 |
Q 289862C1 |
PART NAME MISSING |
|
Repalced by: A 6859970090
|
| 500 |
A 6859970090 |
LOOM TIE |
|
|
HOSE TO COOLING WATER PIPE |
| 500 |
Q 291207C1 |
PART NAME MISSING |
|
|
LOOM TIE |
|
T YYYYYYYYYYYY |
PART NAME MISSING |
|
|
HOSE TO COOLING WATER PIPE |
| 500 |
Q 306132C1 |
PART NAME MISSING |
|
|
LOOM TIE |
|
T YYYYYYYYYYYY |
PART NAME MISSING |
|
|
HOSE TO COOLING WATER PIPE |
| 509 |
A 6859950801 |
CLAMP |
|
|
HOSE TO BASE FRAME BRACKET |
| 509 |
Q 428913R91 |
PART NAME MISSING |
|
|
CLAMP |
|
T YYYYYYYYYYYY |
PART NAME MISSING |
|
|
HOSE TO BASE FRAME BRACKET |
| 512 |
Q 25228R1 |
PART NAME MISSING |
|
Repalced by: A 6859900401
|
| 512 |
A 6859900401 |
SCREW |
|
|
HOSE TO BASE FRAME BRACKET |
|
|
5/16-18 X 3/4 FOSF |
| 515 |
Q 25520R1 |
PART NAME MISSING |
|
Repalced by: A 6859900751
|
| 515 |
A 6859900751 |
NUT |
|
|
HOSE TO BASE FRAME BRACKET |
|
|
5/16-18 FOSF G8 |
| 518 |
Q 502598R1 |
PART NAME MISSING |
|
|
BRACKET |
|
T YYYYYYYYYYYY |
PART NAME MISSING |
|
|
TOP AND BOTTOM |
| 521 |
Q 502599R1 |
PART NAME MISSING |
|
|
LEDGE |
|
T YYYYYYYYYYYY |
PART NAME MISSING |
|
|
TOP AND BOTTOM |
| 524 |
Q 502554R1 |
PART NAME MISSING |
|
|
COVERING |
|
T YYYYYYYYYYYY |
PART NAME MISSING |
|
|
TOP |
| 527 |
Q 502553R1 |
PART NAME MISSING |
|
|
COVERING |
|
T YYYYYYYYYYYY |
PART NAME MISSING |
|
|
BOTTOM |
| 530 |
Q 25493R1 |
PART NAME MISSING |
|
Repalced by: A 6859900701
|
| 530 |
A 6859900701 |
SCREW |
|
|
SCREENING TO RADIATOR BASE FRAME |
|
|
5/16-18 X 1 FG8 |
| 533 |
Q 27304R1 |
PART NAME MISSING |
|
Repalced by: A 6859900147
|
| 533 |
A 6859900147 |
LOCK WASHER |
|
|
SCREENING TO RADIATOR BASE FRAME |
|
|
5/16-.318 INOX |
| 536 |
Q 25520R1 |
PART NAME MISSING |
|
Repalced by: A 6859900751
|
| 536 |
A 6859900751 |
NUT |
|
|
SCREENING TO RADIATOR BASE FRAME |
|
|
5/16-18 FG8 |
| 539 |
Q 502555R1 |
PART NAME MISSING |
|
|
COVERING |
|
T YYYYYYYYYYYY |
PART NAME MISSING |
|
|
RIGHT |
| 542 |
Q 502559R1 |
PART NAME MISSING |
|
|
LEDGE |
|
T YYYYYYYYYYYY |
PART NAME MISSING |
|
|
RIGHT |
| 545 |
Q 502552R1 |
PART NAME MISSING |
|
|
COVERING |
|
T YYYYYYYYYYYY |
PART NAME MISSING |
|
|
REAR |
| 548 |
Q 502560R1 |
PART NAME MISSING |
|
|
LEDGE |
|
T YYYYYYYYYYYY |
PART NAME MISSING |
|
|
REAR |
| 551 |
Q 25483R1 |
PART NAME MISSING |
|
Repalced by: A 6859901601
|
| 551 |
A 6859901601 |
SCREW |
|
|
RIGHT COVERING |
|
|
1/4-20 X 1 FG8 |
|
T YYYYYYYYYYYY |
PART NAME MISSING |
|
|
RIGHT COVERING |
| 551 |
A 6859901601 |
SCREW |
|
|
REAR COVERING TO REAR FIXTURE |
|
|
1/4-20 X 1 FG8 |
| 554 |
Q 27303R1 |
PART NAME MISSING |
|
Repalced by: A 6859900247
|
| 554 |
A 6859900247 |
LOCK WASHER |
|
|
1/4-.255 |
|
T YYYYYYYYYYYY |
PART NAME MISSING |
|
|
RIGHT COVERING |
| 554 |
A 6859900247 |
LOCK WASHER |
|
|
REAR COVERING TO REAR FIXTURE |
|
|
1/4-.255 |
| 557 |
Q 25519R1 |
PART NAME MISSING |
|
Repalced by: A 6859900651
|
| 557 |
A 6859900651 |
NUT |
|
|
1/4-20 FG8 |
|
T YYYYYYYYYYYY |
PART NAME MISSING |
|
|
RIGHT COVERING |
| 557 |
A 6859900651 |
NUT |
|
|
REAR COVERING TO REAR FIXTURE |
|
|
1/4-20 FG8 |
| 560 |
Q 502556R1 |
PART NAME MISSING |
|
|
COVERING |
|
T YYYYYYYYYYYY |
PART NAME MISSING |
|
|
LEFT |
| 563 |
Q 502561R1 |
PART NAME MISSING |
|
|
LEDGE |
|
T YYYYYYYYYYYY |
PART NAME MISSING |
|
|
LEFT |
| 566 |
Q 27384R1 |
PART NAME MISSING |
|
|
SCREW |
|
|
CF BSD 10 X 3/4 GAD |
|
T YYYYYYYYYYYY |
PART NAME MISSING |
|
|
LEFT COVERING |
| 569 |
Q 502615R91 |
PART NAME MISSING |
|
|
BEARING BRACKET |
|
T YYYYYYYYYYYY |
PART NAME MISSING |
|
|
FAN DRIVE |
| 572 |
Q 414077C1 |
PART NAME MISSING |
|
|
SCREW |
|
|
BRID. 5/8-18 X 1 3/4 |
|
T YYYYYYYYYYYY |
PART NAME MISSING |
|
|
BEARING BRACKET TO SIDE MEMBER |
| 575 |
Q 414089C1 |
PART NAME MISSING |
|
|
NUT |
|
|
5/8-18 BRID.SEG. |
|
T YYYYYYYYYYYY |
PART NAME MISSING |
|
|
BEARING BRACKET TO SIDE MEMBER |
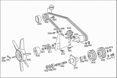
| 578 |
A 3212050405 |
BEARING BODY |
|
|
FAN DRIVE |
| 581 |
N 000933008273 |
SCREW |
|
|
PULLEY TO FAN SHAFT |
|
|
M 8 X 30 |
| 584 |
N 000125008417 |
WASHER |
|
|
PULLEY TO FAN SHAFT |
|
|
A 8.4 |
| 587 |
N 913004008001 |
NUT |
|
|
PULLEY TO FAN SHAFT |
|
|
M 8 |
| 590 |
A 3212050302 |
FAN SHAFT |
| 593 |
A 3459817125 |
BALL BEARING |
|
|
FAN SHAFT |
| 593 |
N 000628003304 |
ANG. CONTACT BALL BEARING |
|
|
FAN SHAFT |
| 596 |
N 000472052000 |
LOCK RING |
|
|
BEARING TO SHAFT |
| 599 |
A 3449817025 |
BALL BEARING |
|
|
FAN SHAFT |
| 602 |
N 003760030300 |
RADIAL SEAL RING |
|
|
FAN SHAFT |
| 605 |
Q 502353R91 |
PART NAME MISSING |
|
|
PULLEY |
| 608 |
Q 502551R1 |
PART NAME MISSING |
|
|
PULLEY |
| 611 |
Q 23-09434-175 |
SCREW |
|
|
SCREW |
|
|
CH 5/16-18 X 1 3/4 FG8 |
| 614 |
Q 120214 |
PART NAME MISSING |
|
|
SPRING WASHER |
|
|
5/16-.318 Z |
| 617 |
A 3212050012 |
HUB |
|
|
FAN |
| 620 |
N 912004016101 |
LOCK WASHER |
|
|
HUB TO FAN SHAFT |
| 623 |
N 000936016003 |
NUT |
|
|
HUB TO FAN SHAFT |
| 626 |
N 007604010100 |
SCREW PLUG |
|
|
FAN DRIVE |
| 629 |
N 007603010100 |
SEAL RING |
|
|
FAN DRIVE |
| 632 |
Q 502285R1 |
PART NAME MISSING |
|
|
INTERMEDIATE FLANGE |
|
T YYYYYYYYYYYY |
PART NAME MISSING |
|
|
FAN DRIVE |
| 635 |
Q 502464 |
PART NAME MISSING |
|
|
FAN |
| 638 |
N 000933008269 |
SCREW |
|
|
FAN TO HUB |
|
|
M 8 X 55 |
| 641 |
A 3159940030 |
LOCK |
|
|
FAN TO HUB |
| 644 |
Q 502614R91 |
PART NAME MISSING |
|
|
BELT TIGHTENER PULLEY |
|
Q 502612R11 |
PART NAME MISSING |
|
|
MOUNTING |
| 650 |
Q 25712R1 |
PART NAME MISSING |
|
|
WASHER |
|
|
3/4-1.5-.179 Z |
|
T YYYYYYYYYYYY |
PART NAME MISSING |
|
|
BELT TIGHTENER PULLEY |
| 653 |
Q 416743C1 |
PART NAME MISSING |
|
|
NUT |
|
|
3/4-16 |
|
T YYYYYYYYYYYY |
PART NAME MISSING |
|
|
BELT TIGHTENER PULLEY |
| 656 |
Q 109461 |
PART NAME MISSING |
|
|
GREASE NIPPLE |
|
|
1/8 |
| 659 |
Q 502538R1 |
PART NAME MISSING |
|
|
INTERMEDIATE FLANGE |
|
T YYYYYYYYYYYY |
PART NAME MISSING |
|
|
VIBRATION ABSORBER |
| 662 |
Q 502575R1 |
PART NAME MISSING |
|
|
PULLEY |
| 662 |
Q 502354R1 |
PART NAME MISSING |
|
|
PULLEY |
| 665 |
N 000931010147 |
SCREW |
|
|
PULLEY TO VIBRATION ABSORBER |
|
|
M 10 X 100 |
|
T YYYYYYYYYYYY |
PART NAME MISSING |
|
|
FOR USE WITH: |
|
|
Q 502538R1 |
| 665 |
N 000931010053 |
SCREW |
|
|
PULLEY TO VIBRATION ABSORBER |
|
|
M 10 X 40 |
|
T YYYYYYYYYYYY |
PART NAME MISSING |
|
|
LESS FLANGE |
|
|
Q 502538R1 |
| 668 |
Q 502591R91 |
PART NAME MISSING |
|
|
V-BELT |
|
T YYYYYYYYYYYY |
PART NAME MISSING |
|
|
SET |