Pagrindinis meniu

Transporto priemonė: BH 4-23; VIN numerio dalis: 698141
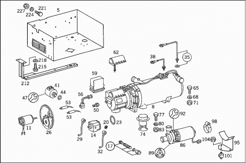
Grupė: 83 HEATING AND VENTILATION - 330 AUXILIARY WARM WATER HEATER
118525
118526
118527
# Kodas Pavadinimas
005 A 6988304040 HOUSING
HEATER CASE
005 A 6988300540 HOUSING
HEATER CASE
008 A 0008307361 HEATER UNIT
008 A 0008307461 HEATER UNIT
011 A 0028206042 ELECTRIC MOTOR
014 A 0008356664 PUMP
FUEL-OIL PUMP
017 A 0008304784 VALVE
020 A 0008354947 FILTER
023 A 0109973948 SEAL RING
026 A 0008350311 PLATE
029 A 0008320915 PIPE LINE
FEED
032 A 0008321015 PIPE LINE
RETURN
035 A 0008211664 FUSE
(TEMPERATURE FUSE ELEMENT) 138 DEGS.
038 A 0038207010 SWITCH
(THERMOSTAT)
041 A 0008207310 SWITCH
044 A 0008353198 SEAL
047 A 0005860783 REPAIR KIT
050 A 0008301054 NOZZLE
053 A 0008351155 IGNITION ELECTRODE
056 A 0048200510 FLAME CONTROLLER
059 A 0008352836 CONTROL UNIT
062 A 0008211263 PULSE SENDER UNIT
065 N 000933008153 SCREW
HEATER UNIT TO HEATER CASE
068 N 000125008418 WASHER
HEATER UNIT TO HEATER CASE
071 N 913004008004 NUT
HEATER UNIT TO HEATER CASE
074 A 0008304215 PIPE LINE
EXHAUST
074 A 6988300117 PIPE LINE
EXHAUST
077 N 000933004030 SCREW
EXHAUST PIPE TO HEATER UNIT
080 N 912004004102 LOCK WASHER
EXHAUST PIPE TO HEATER UNIT
083 N 913004004002 NUT
EXHAUST PIPE TO HEATER UNIT
086 A 0008357364 PUMP
Repalced by: A 0018352764
086 A 0018352764 PUMP
Repalced by: A 0018354564
086 A 0018354564 PUMP
089 A 0008300098 SEAL
Repalced by: A 0018351764
089 A 0018351764 PUMP
092 A 0008357464 PUMP
Repalced by: A 0018351664
092 A 0018351664 PUMP
REPAIR KIT
095 A 3068300088 CONSOLE
CIRCULATION PUMP
098 N 916017080000 CLAMP
Repalced by: N 000000000675
098 N 000000000675 CLAMP
PUMP TO CONSOLE
80-100 MM
101 A 0019876340 RUBBER BUFFER
CONSOLE TO APPARATUS SUPPORT
104 N 913004008004 NUT
CONSOLE TO APPARATUS SUPPORT
107 A 6988300084 VALVE
HEATING FEED
110 A 6988323215 PIPE LINE
FROM HEATER UNIT TO WATER PUMP
113 N 900271038015 HOSE
FROM HEATING WATER PIPE TO HEATER
116 A 6978320023 HOSE
FROM HEATING WATER PIPE TO HEATER
Repalced by: A 0018320094
116 A 0018320094 HOSE
FROM HEATING WATER PIPE TO HEATER
116 A 3078321523 MOLDED HOSE
FROM HEATING WATER PIPE TO HEATER
119 N 916017032000 CLAMP
Repalced by: N 000000000670
119 N 000000000670 CLAMP
FROM HEATING WATER PIPE TO HEATER
122 A 6989970081 GROMMET
FROM HEATING WATER PIPE TO HEATER
125 A 0010926101 FILTER
FUEL
128 A 0000920508 FILTER HEAD
131 A 3524700092 FILTER ELEMENT
134 A 0004773580 SEAL RING
137 N 007603008109 SEAL RING
140 N 000931008326 SCREW
143 N 007604014106 SCREW PLUG, FILLING
Repalced by: N 007604014110
143 N 007604014110 SCREW PLUG
FUEL FILTER
146 N 007603014106 SEAL RING
FUEL FILTER
149 N 000931010258 SCREW
FUEL FILTER MOUNTING
152 N 009021010202 WASHER
FUEL FILTER MOUNTING
155 N 913004010008 NUT
FUEL FILTER MOUNTING
158 A 6988308615 PIPE LINE
FEED AND RETURN
161 A 6988308715 PIPE LINE
FEED
164 A 6988308815 PIPE LINE
FEED
167 N 073379006203 HOSE
FEED AND RETURN
170 A 6988308915 PIPE LINE
RETURN
173 N 915036010106 HOLLOW SCREW
FEED AND RETURN
176 N 915035000007 SEAL RING
FEED AND RETURN
179 A 6989973772 FITTING
182 A 0019977672 FITTING
185 N 915017008200 UNION NUT
188 N 916002010100 CLAMP
FUEL HOSE
191 A 6988350412 ANGLE
FUEL LINE BRACKET
194 N 000125015013 WASHER
FUEL LINES TO FITTING
197 N 080705014002 NUT
FUEL LINES TO FITTING
200 N 000933006121 SCREW
BRACKET TO HEATER UNIT
203 N 000125006421 WASHER
BRACKET TO HEATER UNIT
206 N 913004006006 NUT
BRACKET TO HEATER UNIT
209 N 900121006000 VALVE
HEATING LINES
212 A 6983102309 BRACKET
HEATER UNIT
212 A 6983102409 BRACKET
HEATER UNIT
215 N 000933008028 SCREW
Repalced by: N 000933008145
215 N 000933008145 SCREW
BRACKET TO CROSS MEMBER
218 N 000137008101 SPRING WASHER
BRACKET TO CROSS MEMBER
221 N 000933010090 SCREW
CASE WITH HEATER UNIT TO FRAME
224 N 000125010517 WASHER
CASE WITH HEATER UNIT TO FRAME
227 N 913004010008 NUT
CASE WITH HEATER UNIT TO FRAME
X XXXXXXXXXXXX PART NAME MISSING
FUEL-OIL PIPES
230 A 6988325621 PIPE LINE
FROM ENGINE TO HEATER
230 A 6988322922 PIPE LINE
FROM ENGINE TO HEATER
233 A 6988325721 PIPE LINE
FROM ENGINE TO HEATER
236 A 6988325821 PIPE LINE
FROM HEATER UNIT TO CONNECTOR
239 A 6988300115 PIPE LINE
FROM CONNECTING HOSE TO CONNECTOR
242 A 6988326021 PIPE LINE
RETURN, FROM CONNECTING HOSE TO HEATER
245 N 900271015037 HOSE
15X24X1000 MM
248 N 900271022023 HOSE
22X31X1000 MM
251 N 900271028026 HOSE
28X37X1000 MM
254 N 900271038015 HOSE
38X50X1000 MM
257 A 6989970081 GROMMET
PASSAGE OF HEATING PIPE OF WEBASTO HEATER ACCOMMODATION BOX
257 A 6979970481 GROMMET
PASSAGE OF HEATING PIPE OF WEBASTO HEATER ACCOMMODATION BOX
260 A 6988300184 VALVE
FEED,BETWEEN ENGINE AND RECIRCULATING PUMP
263 A 6988324623 HOSE
266 A 3875011682 HOSE
269 A 3405010382 HOSE
272 A 3028320396 GROMMET
275 N 916017020000 CLAMP
Repalced by: N 000000000667
275 N 000000000667 CLAMP
20-32 MM
275 N 916017025000 CLAMP
Repalced by: N 000000000668
275 N 000000000668 CLAMP
25-40 MM
275 N 916017032000 CLAMP
Repalced by: N 000000000670
275 N 000000000670 CLAMP
32-50 MM
275 N 916017040000 CLAMP
Repalced by: N 000000000671
275 N 000000000671 CLAMP
40-60 MM
278 N 916016015200 CLAMP
15/20
278 N 916016038205 CLAMP
38/20
A 6988321213 BRACKET
LINE MOUNTING
284 A 6984291640 BRACKET
LINE MOUNTING
287 A 6974660040 BRACKET
LINE MOUNTING
290 A 6985011320 BRACKET
Repalced by: A 6985013820
290 A 6985013820 BRACKET
LINE MOUNTING
293 A 6985010620 BRACKET
LINE MOUNTING
296 A 6988322013 BRACKET
LINE MOUNTING
299 A 6979921501 BUSHING
LINE MOUNTING
302 N 000933006088 SCREW
BRACKET TO EXHAUST PIPE BRACKET
302 N 000933008115 SCREW
Repalced by: N 304017008034
302 N 304017008034 SCREW
LINE MOUNTING
M 8X25
302 N 000933008118 SCREW
LINE MOUNTING
M 8X35
302 N 000933008170 SCREW
LINE MOUNTING
M 8X50
305 N 000125008417 WASHER
Repalced by: N 000125008443
305 N 000125008443 WASHER
LINE MOUNTING
308 N 912004008100 LOCK WASHER
LINE MOUNTING
311 N 913004006002 NUT
LINE MOUNTING
311 N 913004008004 NUT
LINE MOUNTING
314 N 913010008103 RIVETED NUT
LINE MOUNTING