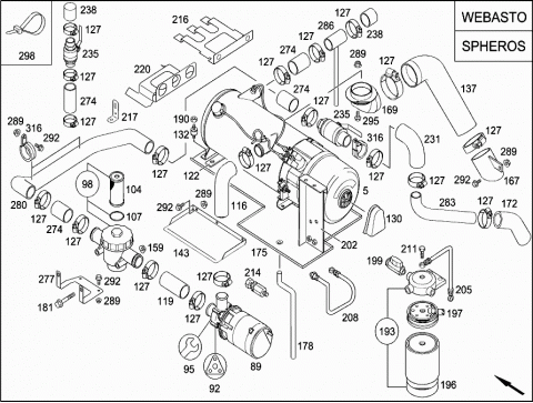
| 005 |
A 0008305620 |
BASIC HEATER |
|
|
WEBASTO/SPHEROS;THERMO300 |
| 005 |
A 0018301320 |
HEATER |
|
|
SPHEROS;THERMO S300 |
| 008 |
A 0008301159 |
SUBSTITUTE BURNER |
| 008 |
A 0008302359 |
BURNER |
| 011 |
A 0008351735 |
CAP |
| 011 |
A 0008350748 |
FAN SHROUD |
| 014 |
Q 8441328765 |
ROTOR |
| 014 |
A 0008357204 |
FAN |
|
Repalced by: A 0038306908
|
| 014 |
A 0038306908 |
AXIAL FAN |
|
Repalced by: A 0008357204
|
| 014 |
A 0008357204 |
FAN |
| 017 |
A 0058200242 |
ELECTRIC MOTOR |
|
Repalced by: A 0048207642
|
| 017 |
A 0048207642 |
ELECTRIC MOTOR |
| 017 |
A 0005456165 |
DC MOTOR |
| 020 |
A 0008330426 |
COUPLING |
| 020 |
A 0079970189 |
PLUG CONNECTION |
| 023 |
A 0004468929 |
CONTROL UNIT |
| 023 |
A 0014463029 |
CONTROL UNIT HEATING |
| 026 |
A 0008352455 |
IGNITION ELECTRODE |
| 029 |
A 0008301154 |
NOZZLE |
| 029 |
A 0008351969 |
BURNER NOZZLE |
| 032 |
A 0039905682 |
WASHER |
| 032 |
A 0009943803 |
RETAINING DISK |
| 035 |
A 0008213363 |
IGNITION COIL |
| 035 |
A 0015459616 |
IGNITION CONTROL UNIT |
|
Repalced by: A 0008221521
|
| 035 |
A 0008221521 |
PULSE GENERATOR |
| 038 |
A 0028351364 |
PUMP |
|
|
COMPLETE |
|
Repalced by: A 0024703894
|
| 038 |
A 0024703894 |
FUEL PUMP |
|
|
COMPLETE |
| 038 |
A 0018351102 |
FUEL PUMP HEATER |
|
|
COMPLETE |
|
Repalced by: A 0018351202
|
| 038 |
A 0018351202 |
FUEL PUMP HEATER |
|
|
COMPLETE |
| 041 |
Q 8441328774 |
PARTS KIT |
|
|
TO A 002 835 13 64 |
| 041 |
A 0008303398 |
TS SEALING FRAME |
|
|
TO A 002 470 38 94 |
|
Repalced by: A 0028350298
|
| 041 |
A 0028350298 |
SEALING RING |
|
|
TO A 002 470 38 94 |
| 041 |
A 0028350298 |
SEALING RING |
|
|
PARTS KIT |
| 044 |
Q 8441328776 |
SOLENOID SWITCH |
|
|
TO A 002 835 13 64 ; 24V |
| 044 |
A 0048304984 |
SOLENOID VALVE |
|
Repalced by: A 0048306184
|
| 044 |
A 0048306184 |
FLOW CONTROL VALVE |
| 047 |
A 0005860783 |
REPAIR KIT |
|
|
TO A 002 835 13 64 |
| 050 |
A 0008353198 |
SEAL |
|
|
TO A 002 835 13 64 |
| 053 |
A 0018353906 |
FLAME CONTROLLER |
| 056 |
A 0008350713 |
RETAINING RING |
| 059 |
A 0008355340 |
HOUSING |
| 059 |
A 0008355440 |
HOUSING FOR HEATER |
| 065 |
A 0005460815 |
ADAOTER |
| 066 |
A 0005402935 |
CABLE HARNESS |
| 068 |
A 0048205115 |
ELECTRIC CABLE |
| 069 |
A 0005403335 |
CABLE HARNESS |
| 070 |
A 0005430480 |
HEATING ELEMENT |
|
Repalced by: A 6288305935
|
| 070 |
A 6288305935 |
AUXILIARY HEATER |
|
Repalced by: A 0008300635
|
| 070 |
A 0008300635 |
HEATER |
|
|
PARTS KIT |
| 070 |
A 6288304835 |
AUXILIARY HEATER |
|
|
RETROFIT KIT JET CARRIER PREHEATING WITH THERMOSTAT |
|
|
TO A 002 470 38 94 |
| 070 |
A 0038309261 |
HEATER CARTRIDGE |
|
|
NOZZLE PREHEATER |
|
|
TO A 002 470 38 94 |
| 071 |
A 0008360532 |
CLAMP |
| 074 |
A 0008358279 |
TEMPERATURE LIMITER |
| 077 |
A 0008303972 |
TEMPERATURE SENSOR |
| 077 |
A 0148202010 |
TEMPERATURE SENSOR |
| 080 |
A 0008350108 |
BURNER INSET |
|
Repalced by: A 0008352169
|
| 080 |
A 0008352169 |
BURNER INSERT |
| 080 |
A 0008352169 |
BURNER INSERT |
| 083 |
A 0008350822 |
HEAT EXCHANGER |
| 083 |
A 0018301720 |
HEAT EXCHANGER |
|
Repalced by: A 0018302620
|
| 083 |
A 0018302620 |
HEAT EXCHANGER |
| 086 |
A 0008352618 |
GRILLE |
| 089 |
A 0028352964 |
PUMP |
|
|
CIRCULATION PUMP |
|
|
U4856 |
| 092 |
A 0018356798 |
GASKET KIT |
|
|
REPAIR KIT |
| 095 |
A 0008352039 |
REPAIR KIT |
|
|
PUMP COVER |
| 098 |
A 0004701790 |
FUEL FILTER |
|
|
TO A 001 830 03 20 |
|
Repalced by: A 0008302618
|
| 098 |
A 0008302618 |
FILTER |
|
|
TO A 001 830 03 20 |
| 098 |
A 0008322072 |
WATERFILTER |
| 104 |
A 0018356947 |
FILTER |
| 107 |
A 0299976448 |
SEAL RING |
|
Repalced by: A 0018358398
|
| 107 |
A 0018358398 |
SEAL |
| 116 |
A 0018320094 |
HOSE |
|
|
38X80X90MM |
| 119 |
A 0008322694 |
HOSE |
|
|
38X4,5X65MM |
| 122 |
A 0008350296 |
PAD |
| 127 |
N 000000002774 |
CLAMP |
|
|
35-50X13MM |
| 127 |
N 000000003530 |
CLAMP |
|
|
65-850X13MM |
| 130 |
A 0008351335 |
SPLASH GUARD |
| 132 |
A 0008351594 |
BUFFER |
|
|
M8 |
| 132 |
A 0008330194 |
BUFFER |
|
|
M8 |
|
Repalced by: A 3225040212
|
| 132 |
A 3225040212 |
RUBBER BUFFER |
|
|
M8 |
| 137 |
A 0008355997 |
HOSE |
|
|
1000MM |
|
Repalced by: A 0008356397
|
| 137 |
A 0008356397 |
HOSE ASSEMBLY |
|
|
1000MM |
| 140 |
A 6344911030 |
HEAT SHIELD |
| 143 |
A 6344910930 |
HEAT SHIELD |
| 159 |
N 913023006002 |
NUT |
|
|
M6 |
| 167 |
A 6348300125 |
PIPE SOCKET |
| 169 |
A 6348300425 |
EXHAUST GAS NOZZLE |
|
Repalced by: A 4448300225
|
| 169 |
A 4448300225 |
EXHAUST GAS NOZZLE |
| 172 |
A 0015017882 |
HOSE |
| 175 |
A 0008352211 |
PLATE |
| 178 |
A 0039975852 |
FUEL LINE |
| 181 |
N 910105006011 |
HEXAGON HEAD BOLT |
|
|
M6X70 |
| 190 |
N 913023008003 |
NUT |
|
|
M8 |
| 193 |
A 0004701390 |
FUEL FILTER |
|
|
TO A 628 830 05 35 |
| 193 |
A 0004701490 |
FUEL FILTER |
|
|
TO A 000 830 85 20/A 001 830 02 20 |
|
Repalced by: A 0004701390
|
| 193 |
A 0004701390 |
FUEL FILTER |
|
|
TO A 000 830 85 20/A 001 830 02 20 |
| 193 |
A 0004701590 |
FUEL FILTER |
|
|
TO A 000 830 84 20/A 001 830 01 20 |
|
Repalced by: A 0004701390
|
| 193 |
A 0004701390 |
FUEL FILTER |
|
|
TO A 000 830 84 20/A 001 830 01 20 |
| 196 |
A 0004700692 |
FILTER ELEMENT |
| 197 |
A 6288270281 |
HEATING ELEMENT |
|
|
FUEL FILTER HEATER |
| 199 |
A 0019978635 |
BALL VALVE |
|
|
(SHUT-OFF VALVE) |
| 202 |
A 0008359314 |
BRACKET |
| 205 |
A 0018323523 |
HOSE ASSEMBLY |
|
|
FEED |
|
|
6B VL;TO A 001 830 03 20/04 20 |
| 205 |
A 0018323023 |
FUEL HOSE |
|
|
FEED |
| 208 |
A 0018302196 |
MOLDED HOSE |
|
|
RETURN |
|
|
6B RL;TO A 001 830 03 20/04 20 |
| 208 |
A 0018323123 |
FUEL HOSE |
|
|
RETURN |
|
|
TO A 628 830 05 35 |
| 208 |
A 0018323723 |
FUEL HOSE |
|
|
RETURN |
|
|
TO A 000 830 84 20/85 20 |
| 211 |
A 0009908363 |
HOLLOW SCREW |
| 214 |
A 0008323372 |
VALVE |
|
|
(CHECK VALVE) |
| 216 |
A 0008305814 |
BRACKET |
|
|
TO A 628 830 05 35 |
| 217 |
Q 8441310663 |
ANGLE |
|
A 0008301025 |
FITTING |
|
|
PARTS KIT |
| 218 |
A 0019907117 |
SCREW PLUG |
|
|
M12X1MM |
| 220 |
A 6345041641 |
BRACKET |
|
|
TO A 000 830 84 20/85 20 |
| 221 |
A 0229978445 |
SEALING RING |
|
|
12X17MM |
|
Repalced by: A 0028350598
|
| 221 |
A 0028350598 |
SEALING RING |
|
|
12X17MM |
| 221 |
A 0028350598 |
SEALING RING |
|
|
12X17MM CU |
|
A 0008300925 |
FITTING |
|
|
PARTS KIT |
| 224 |
A 0009825909 |
PROTECTIVE CAP |
| 227 |
A 0008315125 |
VENTILATION NECK |
|
A 0005845047 |
WARNING SIGN |
|
A 0009903415 |
SLOTTED SET SCREW |
|
|
M8X40 |
| 231 |
A 0009873327 |
PIPE BEND |
|
|
90 DEGREES |
|
|
D38 |
|
Repalced by: A 3078321523
|
| 231 |
A 3078321523 |
MOLDED HOSE |
|
|
90-DEGREE ARC |
|
|
D38 |
| 235 |
A 0008300057 |
SLIDE |
| 238 |
A 3965010382 |
LOCKING CAP |
| 274 |
A 0005015482 |
RADIATOR HOSE |
|
|
38X50X100MM |
|
Repalced by: N 000000004992
|
| 274 |
N 000000004992 |
HOSE |
|
|
38X50X100MM |
| 277 |
A 6345048740 |
BRACKET |
| 280 |
A 6348321815 |
HEATER PIPE |
| 283 |
A 6348321715 |
HEATING PIPE |
| 286 |
A 6348300315 |
HEATER PIPE |
| 289 |
N 913023008003 |
NUT |
|
|
M8 |
| 292 |
N 910105008026 |
HEXAGON HEAD BOLT |
|
|
M8X20 |
| 295 |
N 910105006004 |
HEXAGON HEAD BOLT |
|
|
M6X16 |
|
Repalced by: N 910143006001
|
| 295 |
N 910143006001 |
HEXALOBULAR BOLT |
|
|
M6X16 |
| 298 |
A 0029972490 |
CABLE TIE |
| 316 |
N 916016038205 |
CLAMP |
|
|
38/20 |
|
Repalced by: N 916016038201
|
| 316 |
N 916016038201 |
CLAMP |
|
|
38/20 |
|
Repalced by: N 000000000350
|
| 316 |
N 000000000350 |
CLAMP |
|
|
38/20 |
|
Repalced by: N 000000007515
|
| 316 |
N 000000007515 |
CLAMP |
|
|
38/20 |
| 316 |
N 916016050204 |
CLAMP |
|
|
50/25 |
|
Repalced by: N 000000006125
|
| 316 |
N 000000006125 |
CLAMP |
|
|
50/25 |
|
Repalced by: N 000000007521
|
| 316 |
N 000000007521 |
CLAMP |
|
|
50/25 |
| 316 |
N 000000006125 |
CLAMP |
|
|
50/25 |
| 380 |
A 0008308820 |
HEATER UNIT |
|
|
BASIC VERSION |
|
|
EBERSBAECHER30KW |
| 380 |
A 0018300320 |
HEATER |
|
|
BASIC VERSION |
|
|
EBERSBAECHER30KW |
| 380 |
A 0018300420 |
HEATER |
|
|
BASIC VERSION |
|
|
EBERSBAECHER30KW |
| 383 |
A 0008301059 |
BURNER |
|
|
TO A 000 830 88 20 |
|
Repalced by: A 0008302959
|
| 383 |
A 0008302959 |
BURNER |
|
|
TO A 000 830 88 20 |
| 383 |
A 0008302159 |
BURNER |
|
|
TO A 001 830 03 20 |
| 383 |
A 0008302259 |
BURNER |
|
|
TO A 001 830 04 20 |
| 386 |
A 0038353401 |
HEAT EXCHANGER |
| 389 |
A 0008350969 |
ELEMENT |
| 392 |
A 0018300013 |
AIR SCOOP |
|
A 0008303613 |
COVERING |
|
|
TO A 001 830 03 20/04 20 |
| 395 |
A 0008351885 |
FAN |
| 398 |
A 0099975881 |
GROMMET |
| 401 |
A 0018300072 |
TEMPERATURE SENSOR |
| 401 |
A 0038213851 |
TEMPERATURE SENSOR |
|
|
TO A 001 830 03 20/04 20 |
| 404 |
A 0008353546 |
FUSE |
| 407 |
A 0018359964 |
PUMP |
|
|
WITH SOLENOID VALVE |
|
|
TO A 000 830 10 59 |
| 407 |
A 0024703994 |
FUEL PUMP |
|
|
WITH SOLENOID VALVE |
|
|
TO A 000 830 29 59 |
| 407 |
A 0024703594 |
FUEL PUMP |
|
|
TO A 001 830 03 20/04 20 |
| 410 |
A 0038302584 |
VALVE |
|
|
(PARTS KIT) |
|
|
TO A 000 830 10 59 |
| 413 |
A 0058209742 |
ELECTRIC MOTOR |
|
|
TO A 000 830 10 59 |
| 413 |
A 0005403988 |
ELECTRIC MOTOR |
|
|
TO A 001 830 03 20/04 20 |
| 416 |
A 0008330526 |
COUPLING |
| 419 |
A 0008213163 |
PULSE SENDER UNIT |
|
Repalced by: A 0165420117
|
| 419 |
A 0165420117 |
PULSE GENERATOR |
| 419 |
A 0165420117 |
PULSE GENERATOR |
|
|
TO A 001 830 03 20/04 20 |
| 422 |
A 0008352555 |
IGNITION COIL |
|
Repalced by: A 0009895237
|
| 422 |
A 0009895237 |
ELECTRODE |
| 422 |
A 0009895237 |
ELECTRODE |
|
|
TO A 001 830 03 20/04 20 |
| 425 |
A 0008350811 |
PLATE |
|
A 0008351333 |
NOZZLE |
|
Repalced by: A 0008350733
|
|
A 0008350733 |
NOZZLE |
| 428 |
A 0008350733 |
NOZZLE |
| 431 |
A 0008310465 |
SCREEN |
| 434 |
A 0008358779 |
THERMOSTAT |
|
|
NOZZLE PREHEATER |
|
A 0004710075 |
PREHEATER |
|
|
NOZZLE |
| 437 |
A 0099944941 |
LOCK |
| 440 |
A 0004467029 |
ZHE ELECTRONICS |
|
Repalced by: A 0008201585
|
| 440 |
A 0008201585 |
CONTROL UNIT |
|
Repalced by: A 0008202385
|
| 440 |
A 0008202385 |
CONTROL UNIT HEATING |
|
|
TO A 000 830 10 59 |
| 440 |
A 0008202485 |
CONTROL UNIT HEATING |
|
|
TO A 000 830 29 59 |
| 443 |
A 0018210647 |
RELAY |
|
Repalced by: A 0018359906
|
| 443 |
A 0018359906 |
RELAY |
| 447 |
A 0138201204 |
ELECTRIC CABLE |
| 450 |
A 0028354964 |
PUMP |
|
|
24V |
|
Repalced by: A 0028356364
|
| 450 |
A 0028356364 |
CIRCULATION PUMP |
|
|
24V |
| 450 |
A 0028356364 |
CIRCULATION PUMP |
|
|
24V;TO A 001 830 03 20/04 20 |
|
A 0008313288 |
HOSE |
|
A 0008370278 |
FILTER |
|
A 0038213551 |
TEMPERATURE SENSOR |
| 460 |
A 0008322294 |
HOSE |
|
|
D=38MM |
| 463 |
A 0008322194 |
HOSE |
|
|
D=38MM |
| 466 |
A 0039970035 |
PLUG |
|
|
BALL COCK |
| 469 |
A 0008323572 |
VALVE |
|
|
CHECK VALVE |
|
A 0004779615 |
FUEL FILTER ELEMENT |
|
A 0014462929 |
CONTROL UNIT HEATING |
|
|
TO A 001 830 03 20/04 20 |
|
A 0008321159 |
FITTING |
|
A 0009979075 |
THREADED UNION |
|
A 0008315025 |
PIPE SOCKET |
|
A 0008355197 |
HOSE |
|
|
5X3MM |
|
A 0018359698 |
SEAL |
|
|
14X18MM |
|
A 0018359798 |
SEALING RING |
|
|
14X18MM;TO A 001 830 03 20 |
|
A 0018359898 |
SEALING RING |
|
|
10X13,5MM;TO A 001 830 03 20 |
|
A 0019953244 |
CLAMP |
|
|
190-210;TO A 001 830 03 20 |
|
A 0019902452 |
EYE NUT |