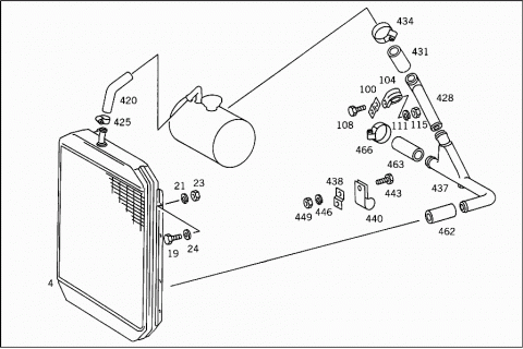
| 004 |
A 3645017101 |
RADIATOR |
| 006 |
N 000933008023 |
SCREW |
|
|
RADIATOR BASE FRAME & RADIATOR BLOCK TO FRAME |
|
|
M 8X16 |
| 006 |
N 000933008036 |
SCREW |
|
|
RADIATOR BASE FRAME & RADIATOR BLOCK TO FRAME |
|
|
M 8X20 |
| 008 |
N 912004008104 |
LOCK WASHER |
|
|
RADIATOR BASE FRAME & RADIATOR BLOCK TO FRAME |
| 010 |
N 000125008413 |
WASHER |
|
|
RADIATOR BASE FRAME & RADIATOR BLOCK TO FRAME |
| 012 |
N 000934008000 |
NUT |
|
|
RADIATOR BASE FRAME & RADIATOR BLOCK TO FRAME |
| 014 |
A 3025000027 |
SUPPORT |
|
|
RADIATOR |
| 014 |
A 3445007327 |
SUPPORT |
|
|
RADIATOR |
| 017 |
A 3219870014 |
RUBBER STRIP |
| 019 |
N 000933008036 |
SCREW |
|
|
RADIATOR TO SUPPORT |
| 021 |
N 912004008104 |
LOCK WASHER |
|
|
RADIATOR TO SUPPORT |
| 023 |
N 000934008000 |
NUT |
|
|
RADIATOR TO SUPPORT |
| 024 |
N 000125008413 |
WASHER |
|
|
RADIATOR TO SUPPORT |
| 025 |
A 3455007449 |
TANK |
|
Repalced by: A 3455007549
|
| 025 |
A 3455007549 |
TANK |
| 030 |
A 3505017139 |
VALVE |
|
|
EXPANSION TANK |
| 034 |
A 3505017080 |
GASKET |
|
|
EXPANSION TANK |
| 040 |
A 3445007020 |
FILLER CAP |
|
|
EXPANSION TANK |
|
A 6845007149 |
TANK |
|
A 0039975745 |
SEAL RING |
|
A 3649977039 |
SIGHT GLASS |
|
A 0005014615 |
RADIATOR CAP |
|
A 0005010880 |
GASKET |
| 068 |
A 3445007345 |
STRAP |
|
|
EXPANSION TANK TO SUPPORT |
| 069 |
N 000094006317 |
COTTER PIN |
|
|
EXPANSION TANK TO SUPPORT |
| 071 |
N 000934008000 |
NUT |
|
|
EXPANSION TANK TO SUPPORT |
| 074 |
A 3449870214 |
RUBBER STRIP |
|
|
EXPANSION TANK TO SUPPORT |
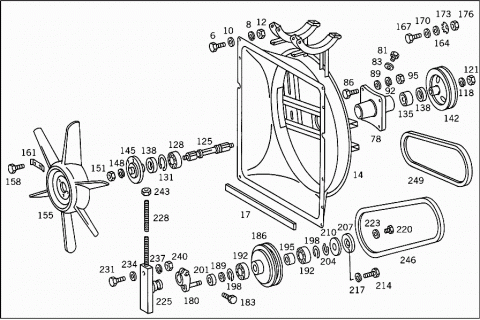
| 078 |
A 3212050405 |
BEARING BODY |
|
|
FAN DRIVE |
| 081 |
N 007604010100 |
SCREW PLUG |
|
|
BEARING BODY |
| 083 |
N 007603010110 |
SEAL RING |
|
|
BEARING BODY |
| 086 |
N 000931008094 |
SCREW |
|
|
PULLEY TO FAN SHAFT |
| 089 |
N 000125008413 |
WASHER |
|
|
PULLEY TO FAN SHAFT |
| 092 |
N 912004008104 |
LOCK WASHER |
|
|
PULLEY TO FAN SHAFT |
| 095 |
N 000934008000 |
NUT |
|
|
PULLEY TO FAN SHAFT |
| 100 |
A 3525041740 |
BRACKET |
|
|
WITH FAN DRIVE TO RADIATOR BASE FRAME |
| 104 |
A 3459957101 |
CLAMP |
|
|
COOLING WATER LINE TO BASE FRAME |
| 108 |
N 000933008153 |
SCREW |
|
|
BRACKET TO SUPPORT |
| 111 |
N 912004008104 |
LOCK WASHER |
|
|
BRACKET TO SUPPORT |
| 115 |
N 000934008000 |
NUT |
|
|
BRACKET TO SUPPORT |
| 118 |
N 912004016100 |
LOCK WASHER |
|
|
PULLEY TO FAN SHAFT |
| 121 |
N 000439016201 |
NUT |
|
|
PULLEY TO FAN SHAFT |
| 125 |
A 3212050302 |
FAN SHAFT |
| 128 |
N 000628003304 |
ANG. CONTACT BALL BEARING |
|
|
FAN SHAFT |
| 128 |
A 3459817125 |
BALL BEARING |
|
|
FAN SHAFT |
| 131 |
N 000472052000 |
LOCK RING |
|
|
BEARING TO SHAFT |
| 135 |
A 3449817025 |
BALL BEARING |
|
|
FAN SHAFT |
| 138 |
N 003760030300 |
RADIAL SEAL RING |
|
|
FAN SHAFT |
| 142 |
A 3022050310 |
PULLEY |
|
Repalced by: A 3762057010
|
| 142 |
A 3762057010 |
PULLEY |
|
|
FAN DRIVE |
| 145 |
A 3212050012 |
HUB |
|
|
FAN |
| 148 |
N 912004016100 |
LOCK WASHER |
|
|
HUB TO FAN SHAFT |
| 151 |
N 000439016201 |
NUT |
|
|
HUB TO FAN SHAFT |
| 155 |
A 3212050006 |
FAN |
| 158 |
N 000933008062 |
SCREW |
|
|
FAN TO HUB |
| 161 |
A 3159940030 |
LOCK |
|
|
FAN TO HUB |
| 164 |
A 3219900540 |
WASHER |
|
|
AS REQUIRED |
|
|
1.5 MM |
| 164 |
A 3219900840 |
WASHER |
|
|
AS REQUIRED |
|
|
2.5 MM |
| 164 |
A 3219900440 |
WASHER |
|
|
AS REQUIRED |
|
|
3.2 MM |
| 167 |
N 000912006003 |
SCREW |
|
|
BALANCING PLATES TO FAN AND TO PULLEY |
|
|
M 6X20 |
| 167 |
N 000912006003 |
SCREW |
|
|
BALANCING PLATES TO FAN AND TO PULLEY |
|
|
M 6X15 |
| 167 |
N 000912006003 |
SCREW |
|
|
BALANCING PLATES TO FAN AND TO PULLEY |
|
|
M 6X12 |
| 170 |
N 000125006417 |
WASHER |
|
|
BALANCING PLATES TO FAN AND TO PULLEY |
| 173 |
N 006797006146 |
TOOTHED WASHER |
|
|
BALANCING PLATES TO FAN AND TO PULLEY |
| 176 |
N 000934006007 |
NUT |
|
|
BALANCING PLATES TO FAN AND TO PULLEY |
| 180 |
A 3022000073 |
LEVER |
|
|
(CLAMPING LEVER) |
| 183 |
N 000960012053 |
SCREW |
|
|
CLAMPING LEVER ON SUPPORT |
| 186 |
A 3022060819 |
TIGHTENER PULLEY |
|
|
FAN DRIVE |
| 189 |
A 3022050152 |
SPACER WASHER |
|
|
AS REQUIRED |
|
|
0.20 MM |
| 189 |
A 3022050252 |
SPACER WASHER |
|
|
AS REQUIRED |
|
|
0.50 MM |
| 189 |
A 3022050352 |
SPACER WASHER |
|
|
AS REQUIRED |
|
|
1.00 MM |
| 192 |
N 000625006303 |
GROOVED BALL BEARING |
|
|
TIGHTENER PULLEY BEARING |
| 195 |
A 3022060053 |
SPACER TUBE |
|
|
TIGHTENER PULLEY BEARING |
| 198 |
N 000472047001 |
LOCK RING |
|
|
TIGHTENER PULLEY BEARING |
| 201 |
N 003760022300 |
RADIAL SEAL RING |
|
|
TIGHTENER PULLEY BEARING |
| 204 |
N 000471017000 |
LOCK RING |
|
|
TIGHTENER PULLEY TO HUB |
| 207 |
A 3022060057 |
EXPANSION PLUG |
|
|
TIGHTENER PULLEY |
| 210 |
A 3022060079 |
GASKET |
|
|
REAR COVER |
| 214 |
N 000933006074 |
SCREW |
|
|
COVER TO TIGHTENER PULLEY |
| 217 |
N 000125006417 |
WASHER |
|
|
COVER TO TIGHTENER PULLEY |
| 220 |
N 007604010102 |
SCREW PLUG |
|
Repalced by: N 007604010108
|
| 220 |
N 007604010108 |
SCREW PLUG |
|
|
REAR COVER |
| 223 |
N 007603010110 |
SEAL RING |
|
|
REAR COVER |
| 225 |
A 3212000039 |
SUPPORT |
|
|
CLAMPING LEVER |
| 228 |
A 3219900005 |
STUD |
|
|
SUPPORT TO RADIATOR BASE FRAME |
| 231 |
N 000931010264 |
SCREW |
|
|
SUPPORT TO RADIATOR BASE FRAME |
| 234 |
N 000125010517 |
WASHER |
|
|
SUPPORT TO RADIATOR BASE FRAME |
| 237 |
N 000127010202 |
LOCK WASHER |
|
|
SUPPORT TO RADIATOR BASE FRAME |
| 240 |
N 000934010000 |
NUT |
|
|
SUPPORT TO RADIATOR BASE FRAME |
| 243 |
N 000934012004 |
NUT |
|
|
SUPPORT TO RADIATOR BASE FRAME |
| 246 |
A 0039978692 |
V-BELT |
|
Repalced by: A 0079976492
|
| 246 |
A 0079976492 |
V-BELT |
|
|
FROM VIBRATION DAMPER TO TIGHTENER PULLEY |
| 249 |
A 0019972692 |
V-BELT |
|
Repalced by: A 0039975092
|
| 249 |
A 0039975092 |
V-BELT |
|
|
FROM TIGHTENER PULLEY TO FAN PULLEY |
| 255 |
A 3455007527 |
SUPPORT |
|
|
RADIATOR MOUNTING |
| 259 |
A 3455008227 |
SUPPORT |
|
|
RADIATOR MOUNTING |
| 263 |
A 3525040640 |
BRACKET |
|
|
RADIATOR MOUNTING |
| 266 |
A 3525040740 |
BRACKET |
|
|
RADIATOR MOUNTING |
| 269 |
A 3525000245 |
RADIATOR STRUT |
|
|
RADIATOR MOUNTING |
| 274 |
N 000934012000 |
NUT |
|
|
RADIATOR STRUT TO SUPPORT AND TO CAB |
| 277 |
A 3525040840 |
BRACKET |
|
|
RADIATOR BRACING |
| 280 |
N 000961012020 |
SCREW |
|
|
BRACKET TO SIDE MEMBER |
|
|
M 12X30 |
| 280 |
N 000961012027 |
SCREW |
|
|
BRACKET TO SIDE MEMBER |
|
|
M 12X35 |
| 283 |
N 000127012201 |
LOCK WASHER |
|
|
BRACKET TO SIDE MEMBER |
| 286 |
N 000934012004 |
NUT |
|
|
BRACKET TO SIDE MEMBER |
| 290 |
N 000933010164 |
SCREW |
|
|
BRACKET TO SIDE MEMBER |
|
|
M 10X22 |
| 290 |
N 000933010129 |
SCREW |
|
|
BRACKET TO SIDE MEMBER |
|
|
M 10X30 |
| 293 |
N 000125010517 |
WASHER |
|
|
BRACKET TO SIDE MEMBER |
| 296 |
N 000127010202 |
LOCK WASHER |
|
|
BRACKET TO SIDE MEMBER |
| 299 |
N 000934010000 |
NUT |
|
|
BRACKET TO SIDE MEMBER |
| 304 |
N 000933010034 |
SCREW |
|
|
SUPPORT TO FRAME |
|
|
M 10X25 |
| 304 |
N 000933010129 |
SCREW |
|
|
SUPPORT TO FRAME |
|
|
M 10X30 |
| 307 |
N 000127010202 |
LOCK WASHER |
|
|
SUPPORT TO FRAME |
| 310 |
N 000934010000 |
NUT |
|
|
SUPPORT TO FRAME |
| 313 |
A 3028880026 |
SLEEVE |
|
|
RADIATOR BASE FRAME & RADIATOR BLOCK TO FRAME |
| 316 |
A 3028880224 |
MOUNTING |
|
|
RADIATOR BASE FRAME & RADIATOR BLOCK TO FRAME |
| 319 |
N 000960012088 |
SCREW |
|
|
RADIATOR BASE FRAME & RADIATOR BLOCK TO FRAME |
| 322 |
N 000127012201 |
LOCK WASHER |
|
|
RADIATOR BASE FRAME & RADIATOR BLOCK TO FRAME |
| 325 |
N 000934012004 |
NUT |
|
|
RADIATOR BASE FRAME & RADIATOR BLOCK TO FRAME |
| 330 |
A 3216420026 |
SPACER TUBE |
|
|
RADIATOR STRUT TO BRACKET |
| 334 |
A 3216420074 |
JOINT RUBBER |
|
|
RADIATOR STRUT TO BRACKET |
| 337 |
N 000960012053 |
SCREW |
|
|
RADIATOR STRUT TO BRACKET |
| 340 |
N 000127012201 |
LOCK WASHER |
|
|
RADIATOR STRUT TO BRACKET |
| 343 |
N 000934012004 |
NUT |
|
|
RADIATOR STRUT TO BRACKET |
| 346 |
A 3525010124 |
COOLING WATER PIPE |
|
|
FROM THERMOSTAT TO RADIATOR |
| 349 |
A 0009951410 |
CLAMP |
|
|
COOLING WATER LINE TO BASE FRAME |
| 352 |
A 3025060240 |
BRACKET |
|
|
COOLING WATER LINE TO BASE FRAME |
| 355 |
N 000933008153 |
SCREW |
|
|
COOLING WATER LINE TO BASE FRAME |
|
|
M 8X25 |
| 355 |
N 000933008082 |
SCREW |
|
|
COOLING WATER LINE TO BASE FRAME |
|
|
M 8X40 |
| 358 |
N 000125008413 |
WASHER |
|
|
COOLING WATER LINE TO BASE FRAME |
| 361 |
N 912004008104 |
LOCK WASHER |
|
|
COOLING WATER LINE TO BASE FRAME |
| 364 |
N 000934008000 |
NUT |
|
|
COOLING WATER LINE TO BASE FRAME |
| 367 |
A 3025010020 |
RUBBER PAD |
|
|
COOLING WATER LINE TO BASE FRAME |
| 370 |
A 3179910840 |
SPACER TUBE |
|
|
COOLING WATER LINE TO BASE FRAME |
| 373 |
N 900271045016 |
HOSE |
|
|
FROM THERMOSTAT TO RADIATOR |
| 377 |
A 0019972590 |
LOOM TIE |
|
|
HOSE TO RADIATOR AND TO ENGINE |
| 377 |
A 3449978690 |
LOOM TIE |
|
|
HOSE TO RADIATOR AND TO ENGINE |
| 380 |
A 3025011582 |
HOSE |
|
|
COOLING WATER LINE TO COOLING WATER LINE |
| 384 |
A 0019972590 |
LOOM TIE |
|
|
COOLING WATER LINE TO COOLING WATER LINE |
| 384 |
A 3449978690 |
LOOM TIE |
|
|
COOLING WATER LINE TO COOLING WATER LINE |
| 388 |
A 3025000372 |
LINE |
|
|
DE-AERATION |
| 391 |
N 915003010201 |
SEAL CONE |
| 394 |
N 915001010003 |
UNION NUT |
| 398 |
N 916016012201 |
CLAMP |
|
|
DE-AERATION AT UPPER COOLING WATER PIPE |
| 398 |
A 3459958501 |
CLAMP |
|
|
DE-AERATION AT UPPER COOLING WATER PIPE |
| 401 |
N 900271012020 |
HOSE |
|
|
DE-AERATION; FROM ENGINE TO EXPANSION TANK |
| 405 |
A 3449977490 |
LOOM TIE |
|
Repalced by: N 916017016000
|
| 405 |
N 916017016000 |
CLAMP |
|
Repalced by: N 000000000666
|
| 405 |
N 000000000666 |
CLAMP |
|
|
HOSE TO BREATHER PIPE AND TO ESPANSION TANK |
| 405 |
A 3449978490 |
LOOM TIE |
|
|
HOSE TO BREATHER PIPE AND TO ESPANSION TANK |
| 408 |
A 3525060057 |
BREATHER PIPE |
| 411 |
A 3025011482 |
HOSE |
|
|
DE-AERATION; FROM ENGINE TO EXPANSION TANK |
| 415 |
A 3449977490 |
LOOM TIE |
|
Repalced by: N 916017016000
|
| 415 |
N 916017016000 |
CLAMP |
|
Repalced by: N 000000000666
|
| 415 |
N 000000000666 |
CLAMP |
|
|
HOSE TO EXPANSION TANK AND TO ENGINE |
| 415 |
A 3449978490 |
LOOM TIE |
|
|
HOSE TO EXPANSION TANK AND TO ENGINE |
| 420 |
N 900271022010 |
HOSE |
|
|
VENTILATION, FROM RADIATOR TO EXPANSION TANK |
| 425 |
A 3509970390 |
LOOM TIE |
|
|
HOSE TO RADIATOR AND TO EXPANSION TANK |
| 425 |
A 3449978490 |
LOOM TIE |
|
|
HOSE TO RADIATOR AND TO EXPANSION TANK |
| 428 |
A 3025010224 |
COOLING WATER PIPE |
|
|
FROM RESERVOIR TO BUBBLE SEPARATOR |
| 431 |
N 900271038039 |
HOSE |
|
|
FROM RESERVOIR TO BUBBLE SEPARATOR |
| 434 |
A 0019972590 |
LOOM TIE |
|
|
COOLING WATER LINE TO EXPANSION TANK & TO BUBBLE SEPARATOR |
| 434 |
A 3449978690 |
LOOM TIE |
|
|
COOLING WATER LINE TO EXPANSION TANK & TO BUBBLE SEPARATOR |
| 437 |
A 3025000469 |
SEPARATOR |
|
|
(BUBBLE SEPARATOR) |
| 438 |
A 3525041740 |
BRACKET |
|
|
BUBBLE SEPARATOR TO RADIATOR MOUNTING SUPPORT |
| 440 |
A 3459957201 |
CLAMP |
|
|
BUBBLE SEPARATOR TO RADIATOR MOUNTING SUPPORT |
| 443 |
N 000933008025 |
SCREW |
|
|
BRACKET TO SUPPORT |
| 446 |
N 912004008104 |
LOCK WASHER |
|
|
BRACKET TO SUPPORT |
| 449 |
N 000934008000 |
NUT |
|
|
BRACKET TO SUPPORT |
| 462 |
A 3455017182 |
HOSE |
| 463 |
N 900271045016 |
HOSE |
|
|
FROM BUBBLE SEPARATOR TO WATER PUMP |
| 466 |
A 0019972590 |
LOOM TIE |
|
|
COOLING WATER LINE TO BUBBLE SEPARATOR & TO WATER PUMP |
| 466 |
A 3449978690 |
LOOM TIE |
|
|
COOLING WATER LINE TO BUBBLE SEPARATOR & TO WATER PUMP |
| 470 |
N 007603014100 |
SEAL RING |
|
|
BREATHER LINE CONNECTION |
| 475 |
A 3449970772 |
FITTING |
|
|
BREATHER LINE CONNECTION |
| 912 |
A 3445007003 |
RADIATOR |
|
Repalced by: A 3445017001
|
| 912 |
A 3455017201 |
RADIATOR |
|
Repalced by: A 3445017001
|
| 912 |
A 3445017001 |
RADIATOR |
| 914 |
A 3445010315 |
RADIATOR CAP |
| 916 |
A 1369970830 |
SCREW PLUG |
|
|
DRAIN |
| 918 |
N 007603018401 |
SEAL RING |
|
|
DRAIN |
| 922 |
A 3525050155 |
FAN SHROUD |
| 925 |
A 3525000527 |
SUPPORT |
|
Repalced by: A 3455000527
|
| 925 |
A 3455000527 |
SUPPORT |
|
|
RADIATOR MOUNTING |
| 927 |
A 3605040012 |
RUBBER MOUNTING |
|
|
RADIATOR BASE FRAME & RADIATOR BLOCK TO FRAME |
| 930 |
N 000933008025 |
SCREW |
|
|
RADIATOR BLOCK AND AIR BAFFLE TO BASE FRAME |
| 932 |
N 000433008403 |
WASHER |
|
|
RADIATOR BLOCK AND AIR BAFFLE TO BASE FRAME |
| 934 |
N 912004008100 |
LOCK WASHER |
|
|
RADIATOR BLOCK AND AIR BAFFLE TO BASE FRAME |
| 936 |
N 000934008000 |
NUT |
|
|
RADIATOR BLOCK AND AIR BAFFLE TO BASE FRAME |
| 940 |
A 3525040101 |
SUPPORT |
|
|
RADIATOR MOUNTING |
| 943 |
N 000933010011 |
SCREW |
|
|
SUPPORT TO ENGINE CROSS MEMBER |
| 945 |
N 000127010202 |
LOCK WASHER |
|
|
SUPPORT TO ENGINE CROSS MEMBER |
| 947 |
N 000934010000 |
NUT |
|
|
SUPPORT TO ENGINE CROSS MEMBER |
| 948 |
A 3455007431 |
BRACKET |
|
|
RADIATOR BASE FRAME |
| 948E |
N 000933010285 |
SCREW |
|
|
BRACKET TO WINDOW SILL SUPPORT |
| 948F |
N 000127010202 |
LOCK WASHER |
|
|
BRACKET TO WINDOW SILL SUPPORT |
| 948K |
N 000934010005 |
NUT |
|
|
BRACKET TO WINDOW SILL SUPPORT |
| 950 |
N 000127010202 |
LOCK WASHER |
|
|
RUBBER BUFFER TO BASE FRAME |
| 952 |
N 000934001000 |
NUT |
|
|
RUBBER BUFFER TO BASE FRAME |
| 955 |
N 000933010076 |
SCREW |
|
|
BASE FRAME TO BRACKET |
| 957 |
A 3275045082 |
RUBBER RING |
|
|
BASE FRAME TO BRACKET |
| 959 |
N 009021010100 |
WASHER |
|
|
BASE FRAME TO BRACKET |
| 961 |
N 000934010000 |
NUT |
|
|
BASE FRAME TO BRACKET |
| 964 |
A 3449910040 |
SPACER TUBE |
|
Repalced by: A 3199910540
|
| 964 |
A 3199910540 |
SPACER TUBE |
|
|
BASE FRAME TO BRACKET |
| 968 |
N 000934010000 |
NUT |
|
|
RUBBER BUFFER TO CONSOLE AT BASE FRAME |
| 970 |
N 000127010202 |
LOCK WASHER |
|
|
RUBBER BUFFER TO CONSOLE AT BASE FRAME |
| 972 |
N 000125010517 |
WASHER |
|
|
RUBBER BUFFER TO CONSOLE AT BASE FRAME |
| 975 |
A 3525010682 |
HOSE |
|
|
FROM RADIATOR TO THERMOSTAT |
| 977 |
A 3525010382 |
HOSE |
|
|
FROM RADIATOR TO WATER PUMP |
| 985 |
A 0009971690 |
LOOM TIE |
|
Repalced by: N 916017040000
|
| 985 |
N 916017040000 |
CLAMP |
|
Repalced by: N 000000000671
|
| 985 |
N 000000000671 |
CLAMP |
|
|
FROM THERMOSTAT TO RADIATOR FILLER NECK |
| 985 |
N 000000000671 |
CLAMP |
|
|
FROM RADIATOR OUTLET TO WATER PUMP |
| 985 |
A 3449978690 |
CLAMP |
|
|
FROM THERMOSTAT TO RADIATOR FILLER NECK |
| 985 |
A 3449978690 |
CLAMP |
|
|
FROM RADIATOR OUTLET TO WATER PUMP |