Pagrindinis meniu

Transporto priemonė: OF 1721; VIN numerio dalis: 384072
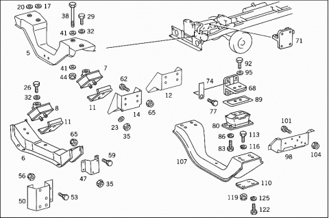
Grupė: 24 ENGINE SUSPENSION
16490
# Kodas Pavadinimas
005 A 3842407101 ENGINE SUPPORT
FRONT
006 A 3453120205 ENGINE CROSS MEMBER
FRONT
007 A 3842407117 RUBBER MOUNTING
Repalced by: A 6952407017
008 A 3522400417 RUBBER MOUNTING
Repalced by: A 6952407017
008 A 3452400317 RUBBER MOUNTING
Repalced by: A 6952407017
008 A 6952407017 RUBBER MOUNTING
Repalced by: A 6952400017
008 A 6952400017 RUBBER MOUNTING
ENGINE FRONT SUSPENSION
011 A 3522420509 ENGINE STAY
RUBBER MOUNTING TO FRONT CROSS MEMBER
012 A 3843107863 CONSOLE
ENGINE FRONT SUSPENSION
014 A 3843107463 CONSOLE
ENGINE FRONT SUSPENSION
017 A 6209900040 WASHER
ENGINE SUPPORT TO RUBBER MOUNTING
020 A 3849907240 WASHER
ENGINE SUPPORT TO RUBBER MOUNTING
023 N 000125013012 WASHER
RUBBER MOUNTING TO ENGINE SUPPORT
026 N 910105016018 SCREW
SUPPORTING ARM TO FRONT RUBBER MOUNTING
M 16X1,5X55
029 N 000961016094 SCREW
SUPPORTING ARM TO FRONT RUBBER MOUNTING
M 16X1.5X45
032 A 3529902440 WASHER
SUPPORTING ARM TO FRONT RUBBER MOUNTING
035 N 913004012006 NUT
RUBBER MOUNTING TO ENGINE SUPPORT
035 N 913004012006 NUT
RUBBER MOUNTING TO FRONT CROSS MEMBER
038 N 000961016138 SCREW
ENGINE SUPPORT TO ENGINE
M 16X1.5X80
041 A 3459907340 WASHER
ENGINE SUPPORT TO ENGINE
044 N 913004016005 NUT
ENGINE SUPPORT TO ENGINE
047 A 3443120040 BRACKET
ENGINE FRONT CROSS MEMBER
047 A 3443120040 BRACKET
050 A 3843128160 REINFORCEMENT
FRONT LEFT
050 A 3843128360 REINFORCEMENT
FRONT LEFT
050 A 3843128260 REINFORCEMENT
FRONT RIGHT
050 A 3843128460 REINFORCEMENT
FRONT RIGHT
053 N 000961014106 SCREW
REINFORCEMENT TO SIDE MEMBER
M 14X1,5X35
056 N 913004014005 NUT
REINFORCEMENT TO SIDE MEMBER
059 N 000933010174 SCREW
ENGINE SUPPORT TO FRAME
M 10X25
062 N 000961014105 SCREW
ENGINE SUPPORT TO FRAME
M 14X1.5X30
065 N 913004010004 NUT
ENGINE SUPPORT TO FRAME
065 N 913004014005 NUT
ENGINE SUPPORT TO FRAME
068 A 6842427005 SUPPORTING ARM
ENGINE LEFT REAR MOUNTING
068 A 6842427005 SUPPORTING ARM
ENGINE LEFT REAR MOUNTING
071 A 6842427105 SUPPORTING ARM
ENGINE RIGHT REAR MOUNTING
071 A 6842427105 SUPPORTING ARM
ENGINE RIGHT REAR MOUNTING
071 A 6842427105 SUPPORTING ARM
ENGINE RIGHT REAR MOUNTING
071 A 6842427105 SUPPORTING ARM
ENGINE REAR MOUNTING
074 A 3874291340 BRACKET
SUPPORTING ARM TO BELL HOUSING
077 N 910105016004 SCREW
SUPPORTING ARM TO BELL HOUSING
M 16X40
080 A 6152400218 RUBBER MOUNTING
Repalced by: A 6842407018
080 A 6842407018 RUBBER MOUNTING
ENGINE REAR SUSPENSION
080 A 6152400418 RUBBER MOUNTING
Repalced by: A 3862407218
080 A 3862407218 RUBBER MOUNTING
ENGINE REAR SUSPENSION
080 A 3842407018 RUBBER MOUNTING
ENGINE REAR SUSPENSION
083 N 000961012163 SCREW
ENGINE MOUNTING TO CONSOLE
M 12X1,5X35
083 N 910105012013 SCREW
ENGINE MOUNTING TO CONSOLE
M 12X1,5X25
086 N 912004012100 LOCK WASHER
ENGINE MOUNTING TO CONSOLE
089 A 3812420034 SCREENING PLATE
ENGINE MOUNTING TO SUPPORTING ARM
092 N 910105014011 SCREW
ENGINE MOUNTING TO SUPPORTING ARM
M 14X1,5X50
095 A 3459907340 WASHER
ENGINE MOUNTING TO SUPPORTING ARM
098 A 3843117663 CONSOLE
ENGINE LEFT REAR MOUNTING
098 A 3843117963 CONSOLE
ENGINE LEFT REAR MOUNTING
098 A 3843117763 CONSOLE
ENGINE RIGHT REAR MOUNTING
098 A 3843118063 CONSOLE
ENGINE RIGHT REAR MOUNTING
101 N 000961014101 SCREW
ENGINE SUPPORT TO FRAME
M 14X1.5X45
104 N 913004014005 NUT
ENGINE SUPPORT TO FRAME
107 A 3843127107 ENGINE CROSS MEMBER
ENGINE REAR SUSPENSION
107 A 3453127107 ENGINE CROSS MEMBER
ENGINE REAR SUSPENSION
110 A 3763127460 REINFORCEMENT
ENGINE LEFT REAR MOUNTING
110 A 3763127560 REINFORCEMENT
ENGINE REAR MOUNTING
110 A 3843128660 REINFORCEMENT
ENGINE REAR MOUNTING
113 N 910105012010 SCREW
ENGINE REAR CROSS MEMBER TO CONSOLE
M 12X1,5X40
113 N 910105012010 SCREW
ENGINE REAR CROSS MEMBER TO CONSOLE
M 12X1,5X40
116 N 000127012201 LOCK WASHER
ENGINE REAR CROSS MEMBER TO CONSOLE
119 N 913023012002 NUT
ENGINE REAR CROSS MEMBER TO CONSOLE
122 N 000961012155 SCREW
ENGINE REAR CROSS MEMBER TO CONSOLE
M 12X1,5X45
122 N 000961012171 SCREW
ENGINE REAR SUPPORT TO RUBBER MOUNTING
M 12X1,5X40
125 N 912004012100 LOCK WASHER
ENGINE REAR SUPPORT TO RUBBER MOUNTING