Pagrindinis meniu

Transporto priemonė: OHL 1316; VIN numerio dalis: 390004
Grupė: 27 AUTOMATIC TRANSMISSION - 750 TRANSMISSION ATTACHMENT PARTS
25631
25632
25633
# Kodas Pavadinimas
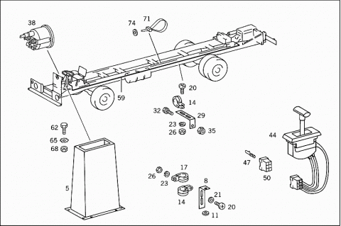
005 A 3452667102 SUPPORT
008 A 3464295940 BRACKET
011 N 000125008417 WASHER
014 N 916016015202 CLAMP
LINE MOUNTING
017 N 916016022203 CLAMP
LINE MOUNTING
020 N 007985006509 SCREW
CLAMP TO BRACKET
M 6X25
020 N 000084006423 SCREW
CLAMP MOUNTING
M 6X20
021 N 000125006420 WASHER
CLAMP MOUNTING
023 N 912004006100 LOCK WASHER
CLAMP TO BRACKET
026 N 000934006029 NUT
CLAMP TO BRACKET
029 A 3464295940 BRACKET
032 N 000933010254 SCREW
BRACKET MOUNTING
M 10X25
035 N 913004010004 NUT
BRACKET MOUNTING
038 A 3905407349 INDICATOR
TEMPERATURE INDICATOR
041 A 3905407245 SWITCH
044 A 3902707152 GEAR INDICATOR
047 A 0015458628 PLUG
LESS DETENT
050 A 0015456028 PLUG HOUSING
6-POLE
A 3902777073 LOCK
AUTOMATIC TRANSMISSION GEAR SELECTOR SWITCH
A 3902777173 LOCK
ELECTRIC CABLE TO TRANSMISSION
059 A 3902707273 CABLE
059 A 3902707473 CABLE
059 A 3902707573 CABLE
062 N 000933006220 SCREW
M 6X16
065 N 006797006142 TOOTHED WASHER
068 N 000934006006 NUT
071 A 3849977090 LOOM TIE
LINE MOUNTING
074 A 3609902440 WASHER
LINE MOUNTING
077 A 3902717065 PIPE SOCKET
AT TRANSMISSION
077 A 3902717165 PIPE SOCKET
AT TRANSMISSION
080 A 3559970782 HOSE
AT TRANSMISSION
080 A 3559970782 HOSE
FROM OIL COOLER TO OIL FILTER
080 A 3559970782 HOSE
FROM OIL FILTER TO HOUSE LINE
083 A 3909907470 T-FITTING
083 N 003952018101 FITTING
086 N 003902018001 CONNECTION FITTING
089 A 0049972072 FITTING
089 A 3909977172 FITTING
090 A 3902708096 LINE
TO OIL COOLER
091 A 3902708196 LINE
FROM OIL FILTER TO OIL COOLER
092 A 3902708296 LINE
FROM CONNECTING HOSE TO OIL FILTER
093 A 3902707098 FILTER
(OIL FILTER)
095 A 3902777040 BRACKET
OIL FILTER
098 N 304017008007 SCREW
OIL FILTER TO BRACKET
101 N 006797008142 TOOTHED WASHER
OIL FILTER TO BRACKET
104 N 000125008417 WASHER
OIL FILTER TO BRACKET
107 A 3909977048 SEAL RING
AT TRANSMISSION
107 A 0039978148 SEAL RING
AT TRANSMISSION
110 A 3902707084 OIL FILLER PIPE
AT TRANSMISSION
113 A 3902707383 OIL DIPSTICK
AT TRANSMISSION
116 A 3902767041 ANGLE
AT TRANSMISSION
119 A 3454299840 BRACKET
LINE MOUNTING
120 A 3514667140 BRACKET
LINE MOUNTING
121 N 000933010252 SCREW
OIL FILTER BRACKET TO FRAME
M 10X30
121 N 000933010252 SCREW
BRACKET TO LEFT SIDE MEMBER
122 N 913004010004 NUT
OIL FILTER BRACKET TO FRAME
122 N 913004010004 NUT
BRACKET TO LEFT SIDE MEMBER
123 N 916016018202 CLAMP
LINE MOUNTING
123 N 916016018202 CLAMP
OIL FILLER PIPE TO BRACKET
124 N 304017008010 SCREW
CLAMP MOUNTING
M 8X25
125 N 913004008001 NUT
CLAMP MOUNTING
126 N 007985006509 SCREW
CLAMP MOUNTING
M 6X25
127 N 000933006221 SCREW
CLAMP MOUNTING
M 6X20
127 N 000933006090 SCREW
CLAMP MOUNTING
M 6X30
128 N 912004006100 LOCK WASHER
CLAMP MOUNTING
128 N 912004006100 SPRING LOCK WASHER
OIL FILLER PIPE TO BRACKET
129 N 009021006103 WASHER
CLAMP MOUNTING
131 N 000934006029 NUT
CLAMP MOUNTING
131 N 000934006029 NUT
OIL FILLER PIPE TO BRACKET
134 N 000084006422 SCREW
OIL FILLER PIPE TO BRACKET
M 6X16
137 N 000125006420 WASHER
OIL FILLER PIPE TO BRACKET
140 A 3464295640 BRACKET
OIL FILLER PIPE
143 A 3859900301 SCREW
BRACKET TO TRANSMISSION
146 N 006797012151 TOOTHED WASHER
BRACKET TO TRANSMISSION