|
X XXXXXXXXXXXX |
PART NAME MISSING |
|
|
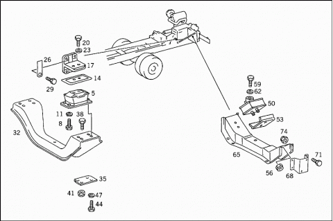
ENGINE FRONT SUSPENSION |
| 005 |
A 6152400218 |
RUBBER MOUNTING |
|
Repalced by: A 6842407018
|
| 005 |
A 6842407018 |
RUBBER MOUNTING |
|
|
ENGINE FRONT SUSPENSION |
| 005 |
A 6152400318 |
RUBBER MOUNTING |
|
Repalced by: A 3922407018
|
| 005 |
A 3922407018 |
RUBBER MOUNTING |
|
|
ENGINE FRONT SUSPENSION |
| 005 |
A 6152400418 |
RUBBER MOUNTING |
|
Repalced by: A 3862407218
|
| 005 |
A 3862407218 |
RUBBER MOUNTING |
|
|
ENGINE FRONT SUSPENSION |
| 008 |
N 000961012160 |
SCREW |
|
|
FRONT RUBBER MOUNTING TO BRACKET |
| 011 |
N 912004012100 |
LOCK WASHER |
|
|
FRONT RUBBER MOUNTING TO BRACKET |
| 014 |
A 3812420034 |
SCREENING PLATE |
|
|
ENGINE FRONT SUSPENSION |
| 017 |
A 6842427105 |
SUPPORTING ARM |
|
|
ENGINE RIGHT REAR MOUNTING |
| 017 |
A 6842427105 |
SUPPORTING ARM |
|
|
ENGINE RIGHT REAR MOUNTING |
| 017 |
A 6842427005 |
SUPPORTING ARM |
|
|
ENGINE LEFT REAR MOUNTING |
| 020 |
N 000961014101 |
SCREW |
|
|
SUPPORTING ARM TO FRONT RUBBER MOUNTING |
| 023 |
A 3459907340 |
WASHER |
|
|
SUPPORTING ARM TO FRONT RUBBER MOUNTING |
| 026 |
A 3874291340 |
BRACKET |
|
|
SUPPORTING ARM TO BELL HOUSING |
| 029 |
N 000933016079 |
SCREW |
|
|
SUPPORTING ARM TO BELL HOUSING |
| 032 |
A 3453127107 |
ENGINE CROSS MEMBER |
|
|
ENGINE FRONT SUSPENSION |
| 035 |
A 3763127460 |
REINFORCEMENT |
|
|
LEFT |
| 035 |
A 3763127560 |
REINFORCEMENT |
|
|
RIGHT |
| 038 |
N 000961012163 |
SCREW |
|
|
CROSS MEMBER TO CONSOLE |
| 041 |
N 913004012006 |
NUT |
|
|
CROSS MEMBER TO CONSOLE |
| 044 |
N 000961012171 |
SCREW |
|
|
ENGINE SUPPORT TO RUBBER MOUNTING |
| 047 |
N 912004012100 |
LOCK WASHER |
|
|
ENGINE SUPPORT TO RUBBER MOUNTING |
|
X XXXXXXXXXXXX |
PART NAME MISSING |
|
|
ENGINE REAR SUSPENSION |
| 050 |
A 3522400417 |
RUBBER MOUNTING |
|
Repalced by: A 6952407017
|
| 050 |
A 3452400317 |
RUBBER MOUNTING |
|
Repalced by: A 6952407017
|
| 050 |
A 6952407017 |
RUBBER MOUNTING |
|
|
ENGINE REAR SUSPENSION |
| 053 |
A 3522420509 |
ENGINE STAY |
|
|
RUBBER MOUNTING TO REAR CROSS MEMBER |
|
|
TO 345 240 03 17,352 240 04 17 |
| 056 |
N 913004012003 |
NUT |
|
|
RUBBER MOUNTING TO ENGINE SUPPORT |
| 059 |
N 000960016249 |
SCREW |
|
|
SUPPORTING ARM TO REAR RUBBER MOUNTING |
| 062 |
A 3529902440 |
WASHER |
|
|
SUPPORTING ARM TO REAR RUBBER MOUNTING |
| 065 |
A 3453120205 |
ENGINE CROSS MEMBER |
|
|
ENGINE REAR SUSPENSION |
| 068 |
A 3523120740 |
BRACKET |
|
|
ENGINE LEFT STAY |
| 068 |
A 3523120840 |
BRACKET |
|
|
ENGINE RIGHT STAY |
| 071 |
N 000933010174 |
SCREW |
|
|
ENGINE STAY TO ENGINE SUPPORT |
| 074 |
N 913004010004 |
NUT |
|
|
ENGINE STAY TO ENGINE SUPPORT |