|
X XXXXXXXXXXXX |
PART NAME MISSING |
|
|
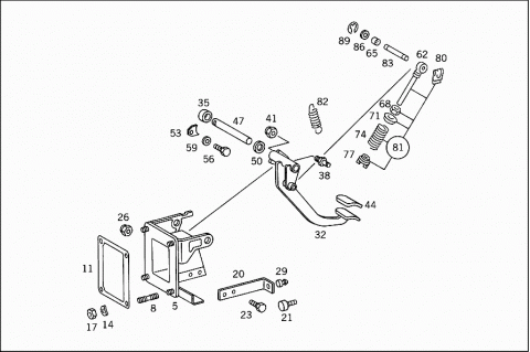
CLUTCH PEDAL ASSEMBLY |
| 005 |
A 6882940201 |
BEARING BRACKET |
|
Repalced by: A 6882947001
|
| 005 |
A 6882947001 |
BEARING BRACKET |
|
|
CLUTCH PEDAL ASSEMBLY |
| 008 |
A 6882920070 |
STUD |
| 011 |
A 6452940080 |
GASKET |
|
Repalced by: A 6452940280
|
| 011 |
A 6452940280 |
GASKET |
| 014 |
N 000137008101 |
SPRING WASHER |
| 017 |
N 000934008013 |
NUT |
| 020 |
A 6882910030 |
STOP |
|
|
STOP TO BEARING BRACKET |
| 020 |
A 3842907032 |
STOP |
|
|
PEDAL STOP |
| 020 |
A 3842907132 |
STOP |
|
|
STOP TO BEARING BRACKET |
| 021 |
A 3012910241 |
STOP |
|
|
CLUTCH PEDAL |
|
|
M8 |
| 023 |
N 000000001147 |
SCREW |
|
|
STOP TO BEARING BRACKET |
|
|
M 6X20 |
| 026 |
N 913023006002 |
NUT |
|
|
STOP TO BEARING BRACKET |
| 029 |
A 6732910286 |
STOP |
|
Repalced by: A 6672910086
|
| 029 |
A 6672910086 |
STOP |
|
Repalced by: A 6882917186
|
| 029 |
A 6882917186 |
STOP |
|
|
PEDAL STOP |
| 029 |
A 6882917386 |
STOP |
|
|
PEDAL STOP |
| 029 |
A 6882910086 |
STOP |
|
Repalced by: A 6882917286
|
| 029 |
A 6882917286 |
STOP |
|
Repalced by: A 3842917086
|
| 029 |
A 3842917086 |
STOP |
|
|
PEDAL STOP |
| 029 |
A 3862917086 |
STOP |
|
|
PEDAL STOP |
| 032 |
A 6882900216 |
PEDAL |
|
|
CLUTCH PEDAL |
| 032 |
A 6842907216 |
PEDAL |
| 035 |
A 0019816310 |
NEEDLE BEARING |
| 035 |
A 0109818010 |
NEEDLE BEARING |
| 038 |
A 6882910074 |
PIN |
| 038 |
A 3882917074 |
PIN |
| 041 |
N 913002010001 |
NUT |
| 044 |
A 2012910282 |
PAD |
| 047 |
A 6452940074 |
PIN |
|
|
CLUTCH PEDAL TO BEARING BRACKET |
| 050 |
A 6732910076 |
WASHER |
|
|
CLUTCH PEDAL TO BEARING BRACKET |
| 053 |
A 3852920073 |
LOCK |
|
|
CLUTCH PEDAL TO BEARING BRACKET |
| 056 |
N 000933006220 |
SCREW |
|
|
CLUTCH PEDAL TO BEARING BRACKET |
| 059 |
N 000125006420 |
WASHER |
|
|
CLUTCH PEDAL TO BEARING BRACKET |
| 062 |
A 3812901439 |
ROD |
|
Repalced by: A 3822908419
|
| 062 |
A 3822908419 |
BEARING BRACKET |
|
|
CLUTCH PEDAL |
| 065 |
A 0059814410 |
NEEDLE BEARING |
| 065 |
A 0059813810 |
NEEDLE BEARING |
| 065 |
A 0089811210 |
NEEDLE BEARING |
| 065 |
A 0139818210 |
NEEDLE BEARING |
| 068 |
N 000439010221 |
NUT |
|
|
SPRING TO PUSH ROD |
| 071 |
A 1112910491 |
SPRING RETAINER |
|
|
SPRING TO PUSH ROD |
| 074 |
A 1109930501 |
SPRING |
|
Repalced by: A 3869937001
|
| 074 |
A 3869937001 |
SPRING |
|
|
SPRING TO PUSH ROD |
| 074 |
A 3889937001 |
SPRING |
|
|
SPRING TO PUSH ROD |
| 077 |
A 3092910091 |
SPRING RETAINER |
|
|
SPRING TO PUSH ROD |
| 077 |
A 3882917091 |
SPRING RETAINER |
|
Repalced by: A 3092910091
|
| 077 |
A 3092910091 |
SPRING RETAINER |
|
|
SPRING TO PUSH ROD |
| 080 |
A 6459880178 |
CLIP |
|
|
SPRING TO PUSH ROD |
| 081 |
A 3822900093 |
SPRING |
|
|
REPAIR KIT |
| 082 |
A 3889937010 |
SPRING |
|
|
PUSH ROD TO PEDAL |
| 083 |
A 6452910374 |
PIN |
|
Repalced by: A 3842917074
|
| 083 |
A 3842917074 |
PIN |
|
|
PUSH ROD TO PEDAL |
| 086 |
N 001440008002 |
WASHER |
|
|
PUSH ROD TO PEDAL |
| 089 |
N 000471008001 |
LOCK RING |
|
|
PUSH ROD TO PEDAL |
| 089 |
N 006799006002 |
LOCK PLATE |
|
|
PUSH ROD TO PEDAL |
|
X XXXXXXXXXXXX |
PART NAME MISSING |
|
|
BRAKE PEDAL ASSEMBLY |
| 092 |
A 3842947001 |
BEARING BRACKET |
|
Repalced by: A 3842947201
|
| 092 |
A 3842947201 |
BEARING BRACKET |
|
|
BRAKE PEDAL ASSEMBLY |
| 095 |
A 3842947080 |
GASKET |
| 098 |
A 6884310080 |
GASKET |
|
|
PEDAL BEARING BRACKET TO FRONT PANEL |
| 101 |
A 3844307010 |
BRACKET |
|
|
SERVICE BRAKE VALVE |
| 101 |
A 3844307210 |
BRACKET |
|
|
SERVICE BRAKE VALVE |
| 104 |
N 000137008101 |
SPRING WASHER |
|
|
PEDAL BEARING BRACKET TO FRONT PANEL |
| 107 |
N 000934008007 |
NUT |
|
|
PEDAL BEARING BRACKET TO FRONT PANEL |
| 110 |
A 6882910086 |
STOP |
|
Repalced by: A 6882917286
|
| 110 |
A 6882917286 |
STOP |
|
Repalced by: A 3842917086
|
| 110 |
A 3842917086 |
STOP |
| 110 |
A 6882917386 |
STOP |
| 113 |
A 3842907118 |
PEDAL |
|
|
BRAKE PEDAL |
| 113 |
A 3842907018 |
PEDAL |
|
|
BRAKE PEDAL |
| 116 |
A 1102910182 |
PAD |
|
|
BRAKE PEDAL |
| 119 |
A 1102910550 |
BUSHING |
|
|
BRAKE PEDAL |
| 122 |
A 1154630152 |
SPACER WASHER |
|
|
BRAKE PEDAL TO BEARING BRACKET |
| 125 |
A 3849937020 |
SPRING |
|
|
BRAKE PEDAL TO BEARING BRACKET |
| 128 |
A 3842927174 |
PIN |
|
Repalced by: A 6452940074
|
| 128 |
A 6452940074 |
PIN |
|
|
BRAKE PEDAL TO BEARING BRACKET |
| 131 |
A 3852920073 |
LOCK |
|
|
BRAKE PEDAL TO BEARING BRACKET |
| 134 |
N 000933006223 |
SCREW |
|
|
LOCK TO BEARING BRACKET |
| 137 |
N 000127006203 |
LOCK WASHER |
|
|
LOCK TO BEARING BRACKET |
| 140 |
A 3842927032 |
ROD |
| 143 |
A 3849967001 |
YOKE |
| 146 |
N 000934012009 |
NUT |
| 149 |
A 3529910007 |
PIN |
|
|
PISTON ROD TO BRAKE PEDAL |
| 152 |
N 000433010500 |
WASHER |
|
|
PISTON ROD TO BRAKE PEDAL |
| 155 |
N 000094003207 |
COTTER PIN |
|
|
PISTON ROD TO BRAKE PEDAL |