Pagrindinis meniu

Transporto priemonė: OH 1526; VIN numerio dalis: 351233
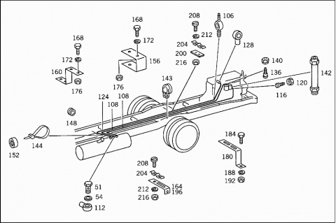
Grupė: 47 FUEL SYSTEM
56377
56378
# Kodas Pavadinimas
005 A 3414707702 FUEL TANK
LESS SENDER UNIT
210 L
005 A 3514708301 FUEL TANK
LESS SENDER UNIT
210 L
T YYYYYYYYYYYY PART NAME MISSING
FILLER NECK
T YYYYYYYYYYYY PART NAME MISSING
FRONT
005 A 3924707502 FUEL TANK
LESS SENDER UNIT
210L
T YYYYYYYYYYYY PART NAME MISSING
FILLER NECK
T YYYYYYYYYYYY PART NAME MISSING
REAR
A 3414707602 FUEL TANK
LESS SENDER UNIT
140 L
005 A 3924707502 FUEL TANK
LESS SENDER UNIT
140 L
008 A 3444700205 FILLER CAP
008 A 3444700205 FILLER CAP
008 A 3514700005 FILLER CAP
008 A 3514700005 FILLER CAP
012 A 3444710679 SEAL RING
TO 344 470 02 05
012 A 3444710679 SEAL RING
TO 344 470 02 05
012 A 3514710079 SEAL RING
TO 351 470 00 05
012 A 3514710079 SEAL RING
TO 351 470 00 05
014 A 3784700005 FILLER CAP
TO 351 470 83 01
014 A 3924707005 FILLER CAP
TO 392 470 75 02,76 02
016 A 3034700031 CHAIN
016 A 3414707031 CHAIN
024 A 3414707206 FUEL STRAINER
024 A 3504700006 FUEL STRAINER
030 A 0029977245 SEAL RING
FUEL STRAINER SCREEN
030 A 3419977445 SEAL RING
FUEL STRAINER SCREEN
A 3455427917 SENDER UNIT
TANK
036 A 3445427217 SENDER UNIT
TANK
042 A 3414707126 RISING PIPE
048 N 007603016300 SEAL RING
RISING PIPE
051 N 915036010100 HOLLOW SCREW
FUEL TANK
054 N 007603014405 SEAL RING
FUEL TANK
058 A 4044710080 GASKET
Repalced by: A 3524710080
058 A 3524710080 GASKET
FUEL GAUGE SENDER UNIT TO FUEL TANK
060 A 0669970640 SEAL RING
FUEL GAUGE SENDER UNIT TO FUEL TANK
062 N 000084005410 SCREW
FUEL GAUGE SENDER UNIT TO FUEL TANK
M 5X16
065 A 3514707042 SUPPORT
A 3414707042 SUPPORT
065 A 3904708042 SUPPORT
065 A 3904708042 SUPPORT
A 3454750026 REINFORCEMENT
CONSOLE TO SIDE MEMBER
077 A 3224750184 SHIM
Repalced by: A 3514757219
077 A 3514757219 BASE
CONSOLE TO SIDE MEMBER
077 A 3904757019 BASE
CONSOLE TO SIDE MEMBER
077 A 3904757019 BASE
CONSOLE TO SIDE MEMBER
082 N 000961014088 SCREW
CONSOLE TO SIDE MEMBER
M 14X1,5X35
086 N 000127014201 LOCK WASHER
CONSOLE TO SIDE MEMBER
090 A 3414707240 STRAP
090 A 3904707440 STRAP
090 A 3904707440 STRAP
096 A 3459837391 CARDBOARD
Repalced by: A 3379870014
096 A 3379870014 RUBBER STRIP
100 N 000125013008 WASHER
STRAP TO SUPPORT
104 N 913004012004 NUT
STRAP TO SUPPORT
M 12X1,5
104 N 000934010005 NUT
STRAP
104 N 000934010005 NUT
STRAP
104 N 913004010008 NUT
STRAP
104 N 913004010008 NUT
STRAP
104 N 000936010005 NUT
STRAP
104 N 000936010005 NUT
STRAP
106 A 3519907086 BANJO UNION
106 A 0009908188 BANJO UNION
108 A 0089975482 HOSE
RETURN
6390 MM
108 A 0089975482 HOSE
RETURN
6120 MM
108 A 0089975482 HOSE
RETURN
5960 MM
108 A 0089975482 HOSE
FROM FUEL FILTER TO FUEL TANK
6640 MM
108 A 0089975482 HOSE
FROM FUEL FILTER TO FUEL TANK
6370 MM
108 A 0089975482 HOSE
FROM FUEL FILTER TO FUEL TANK
5760 MM
112 N 915052008000 BANJO UNION
8/14
116 A 0019974972 FITTING
Repalced by: A 3084767124
116 A 3084767124 CONNECTOR
FROM FUEL FILTER TO FUEL TANK
116 A 3944707364 LINE
FROM FUEL FILTER TO FUEL TANK
120 N 915017010200 UNION NUT
124 A 0089976082 HOSE
RETURN
740 MM
124 A 0089976082 HOSE
RETURN
700 MM
A 0089979082 HOSE
DE-AERATION
128 N 915052004004 BANJO UNION
4/8
128 N 915052004001 BANJO UNION
4/14
128 N 915052006002 BANJO UNION
6/16
N 915036012101 HOLLOW SCREW
N 007603016301 SEAL RING
136 A 0019975072 FITTING
140 N 915017006200 UNION NUT
142 A 3514709764 LINE
FROM RETURN LINE AND FROM FILTER TO FUEL PIPING
143 A 3604300143 CLAMP
Repalced by: N 916016008200
143 N 916016008200 CLAMP
RETURN LINE
144 A 0029972290 LOOM TIE
144 A 0019978590 LOOM TIE
Repalced by: A 0019978490
144 A 0019978490 LOOM TIE
FUEL LINE
148 A 6209970181 GROMMET
42/36 MM
152 A 3609902340 WASHER
FUEL LINE
156 A 3454767236 BRACKET
160 A 3454767136 BRACKET
164 A 3414760036 BRACKET
168 N 000933008153 SCREW
BRACKET TO SIDE MEMBER
M 8X25
172 N 912004008102 LOCK WASHER
BRACKET TO SIDE MEMBER
176 N 000934008000 NUT
BRACKET TO SIDE MEMBER
180 A 3454667240 BRACKET
184 N 000961012020 SCREW
BRACKET TO SIDE MEMBER
M 12X1,5X30
188 N 000127012201 LOCK WASHER
BRACKET TO SIDE MEMBER
192 N 000934012004 NUT
BRACKET TO SIDE MEMBER
M 12X1,5
196 A 3524281740 BRACKET
200 A 3124761236 BRACKET
204 A 3129950232 CLAMP
FUEL LINE TO BRACKET
204 A 3129950232 CLAMP
FUEL LINE TO FUEL LINE
208 N 000084006114 SCREW
FUEL LINES TO CROSS AND SIDE MEMBERS
M 6X20
212 N 000127006203 LOCK WASHER
FUEL LINES TO CROSS AND SIDE MEMBERS
216 N 000934006000 NUT
FUEL LINES TO CROSS AND SIDE MEMBERS