| 004 |
A 3645017101 |
RADIATOR |
|
Repalced by: A 3515007201
|
| 004 |
A 3515007201 |
RADIATOR |
| 006 |
N 000933008014 |
SCREW |
|
|
RADIATOR BASE FRAME & RADIATOR BLOCK TO FRAME |
|
|
M 8X15 |
| 006 |
N 000933008036 |
SCREW |
|
|
RADIATOR BASE FRAME & RADIATOR BLOCK TO FRAME |
|
|
M 8X20 |
| 008 |
N 912004008102 |
LOCK WASHER |
|
|
RADIATOR BASE FRAME & RADIATOR BLOCK TO FRAME |
| 010 |
N 000125008418 |
WASHER |
|
|
RADIATOR BASE FRAME & RADIATOR BLOCK TO FRAME |
| 012 |
N 000934008010 |
NUT |
|
|
RADIATOR BASE FRAME & RADIATOR BLOCK TO FRAME |
| 014 |
A 3515007227 |
SUPPORT |
|
|
RADIATOR |
| 017 |
A 3219870014 |
RUBBER STRIP |
| 025 |
A 3455007049 |
TANK |
|
|
EXPANSION TANK |
| 025 |
A 3455007349 |
TANK |
|
|
EXPANSION TANK |
| 030 |
A 3505017139 |
VALVE |
|
|
EXPANSION TANK |
| 034 |
A 3505017080 |
GASKET |
|
|
EXPANSION TANK |
| 035 |
N 000933005058 |
SCREW |
|
|
VALVE TO EXPANSION TANK |
| 036 |
N 912004005100 |
LOCK WASHER |
|
|
VALVE TO EXPANSION TANK |
| 037 |
N 000934005000 |
NUT |
|
|
VALVE TO EXPANSION TANK |
| 040 |
A 3455017015 |
RADIATOR CAP |
|
|
EXPANSION TANK |
| 068 |
A 3415007274 |
CLAMP |
|
|
EXPANSION TANK TO SUPPORT |
| 069 |
N 000094006315 |
COTTER PIN |
|
|
EXPANSION TANK TO SUPPORT |
| 071 |
N 000934008010 |
NUT |
|
|
EXPANSION TANK TO SUPPORT |
| 074 |
A 3449870214 |
RUBBER STRIP |
|
|
EXPANSION TANK TO SUPPORT |
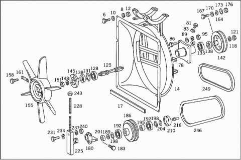
| 078 |
A 3212050405 |
BEARING BODY |
|
|
FAN DRIVE |
| 081 |
N 007604010100 |
SCREW PLUG |
|
|
BEARING BODY |
| 083 |
N 007603010110 |
SEAL RING |
|
|
BEARING BODY |
| 086 |
N 000931008248 |
SCREW |
|
|
PULLEY TO FAN SHAFT |
|
|
M 8X60 |
| 089 |
N 000125008418 |
WASHER |
|
|
PULLEY TO FAN SHAFT |
| 092 |
N 912004008102 |
LOCK WASHER |
|
|
PULLEY TO FAN SHAFT |
| 095 |
N 000934008010 |
NUT |
|
|
PULLEY TO FAN SHAFT |
| 118 |
N 912004016101 |
LOCK WASHER |
|
|
PULLEY TO FAN SHAFT |
| 121 |
N 000439016201 |
NUT |
|
|
PULLEY TO FAN SHAFT |
|
|
M 16X1,5 |
| 125 |
A 3212050302 |
FAN SHAFT |
| 128 |
A 3519810025 |
BALL BEARING |
|
|
FAN SHAFT |
| 128 |
A 3459817125 |
BALL BEARING |
|
|
FAN SHAFT |
| 131 |
N 000472052000 |
LOCK RING |
|
|
BEARING TO SHAFT |
| 135 |
A 3449817025 |
BALL BEARING |
|
|
FAN SHAFT |
| 138 |
N 003760030300 |
RADIAL SEAL RING |
|
|
FAN SHAFT |
| 142 |
A 3212051810 |
PULLEY |
|
|
FAN DRIVE |
| 145 |
A 3212050012 |
HUB |
|
|
FAN |
| 148 |
N 912004016101 |
LOCK WASHER |
|
|
HUB TO FAN SHAFT |
| 151 |
N 000439016201 |
NUT |
|
|
HUB TO FAN SHAFT |
|
|
M 16X1,5 |
| 155 |
A 3212050006 |
FAN |
| 158 |
N 304017008005 |
SCREW |
|
|
FAN TO HUB |
|
|
M8X25 |
| 161 |
A 3159940030 |
LOCK |
|
|
FAN TO HUB |
| 164 |
A 3219900540 |
WASHER |
|
|
AS REQUIRED |
|
|
1.5 MM |
| 164 |
A 3219900840 |
WASHER |
|
|
AS REQUIRED |
|
|
2.5 MM |
| 164 |
A 3219900440 |
WASHER |
|
|
AS REQUIRED |
|
|
3.2 MM |
| 167 |
N 000912006003 |
SCREW |
|
|
BALANCING PLATES TO FAN AND TO PULLEY |
|
|
M 6X12 |
| 167 |
N 000912006010 |
SCREW |
|
|
BALANCING PLATES TO FAN AND TO PULLEY |
|
|
M 6X15 |
| 167 |
N 000912006017 |
SCREW |
|
|
BALANCING PLATES TO FAN AND TO PULLEY |
|
|
M 6X20 |
| 170 |
N 000125006421 |
WASHER |
|
|
BALANCING PLATES TO FAN AND TO PULLEY |
| 173 |
N 006797006146 |
TOOTHED WASHER |
|
|
BALANCING PLATES TO FAN AND TO PULLEY |
| 176 |
N 000934006007 |
NUT |
|
|
BALANCING PLATES TO FAN AND TO PULLEY |
| 180 |
A 3212000473 |
LEVER |
|
|
(CLAMPING LEVER) |
| 183 |
N 000960012053 |
SCREW |
|
|
CLAMPING LEVER ON SUPPORT |
|
|
M 12X1,5X50 |
| 186 |
A 3212061019 |
TIGHTENER PULLEY |
|
Repalced by: A 3902067019
|
| 186 |
A 3902067019 |
TIGHTENER PULLEY |
|
|
FAN DRIVE |
| 189 |
A 3212050152 |
SPACER WASHER |
|
|
AS REQUIRED |
|
|
0.50 MM |
| 189 |
A 3212050252 |
SPACER WASHER |
|
|
AS REQUIRED |
|
|
1.00 MM |
| 192 |
N 000625006302 |
GROOVED BALL BEARING |
|
|
TIGHTENER PULLEY BEARING |
| 195 |
A 3212060053 |
SPACER TUBE |
|
|
TIGHTENER PULLEY BEARING |
| 198 |
N 000472042001 |
LOCK RING |
|
|
TIGHTENER PULLEY BEARING |
|
|
42X1.75 |
| 201 |
N 003760020102 |
RADIAL SEAL RING |
|
|
TIGHTENER PULLEY BEARING |
| 204 |
N 000471015000 |
LOCK RING |
|
|
TIGHTENER PULLEY TO HUB |
|
|
15X1 |
| 210 |
A 3212060157 |
EXPANSION PLUG |
|
|
TIGHTENER PULLEY |
| 218 |
N 071412010100 |
GREASE NIPPLE |
|
|
TIGHTENER PULLEY |
| 225 |
A 3212000039 |
SUPPORT |
|
|
CLAMPING LEVER |
| 228 |
A 3219900005 |
STUD |
|
|
SUPPORT TO RADIATOR BASE FRAME |
| 231 |
N 000931010264 |
SCREW |
|
|
SUPPORT TO RADIATOR BASE FRAME |
|
|
M 10X45 |
| 234 |
N 000125010518 |
WASHER |
|
|
SUPPORT TO RADIATOR BASE FRAME |
| 237 |
N 000127010202 |
LOCK WASHER |
|
|
SUPPORT TO RADIATOR BASE FRAME |
| 240 |
N 000934010000 |
NUT |
|
|
SUPPORT TO RADIATOR BASE FRAME |
| 243 |
N 000934012004 |
NUT |
|
|
SUPPORT TO RADIATOR BASE FRAME |
|
|
M 12X1,5 |
| 246 |
A 0049973192 |
V-BELT |
|
|
FROM VIBRATION DAMPER TO TIGHTENER PULLEY |
| 249 |
N 007753012506 |
NARROW V-BELT |
|
|
FROM TIGHTENER PULLEY TO FAN PULLEY |
| 255 |
A 3455007527 |
SUPPORT |
|
|
RADIATOR MOUNTING |
| 259 |
A 3515007527 |
SUPPORT |
|
|
RADIATOR MOUNTING |
| 264 |
A 3515007727 |
SUPPORT |
|
|
RADIATOR MOUNTING |
| 269 |
A 3515007345 |
RADIATOR STRUT |
|
|
RADIATOR MOUNTING |
| 274 |
N 000934012040 |
NUT |
|
|
RADIATOR STRUT TO SUPPORT AND TO CAB |
| 277 |
A 3525040840 |
BRACKET |
|
|
RADIATOR BRACING |
| 280 |
N 000961012151 |
SCREW |
|
|
BRACKET TO SIDE MEMBER |
|
|
M 12X1,5X30 |
| 280 |
N 000961012156 |
SCREW |
|
|
BRACKET TO SIDE MEMBER |
|
|
M 12X1,5X35 |
| 283 |
N 000127012201 |
LOCK WASHER |
|
|
BRACKET TO SIDE MEMBER |
| 286 |
N 000934012039 |
NUT |
|
|
BRACKET TO SIDE MEMBER |
|
|
M 12X1,5 |
| 290 |
N 000939010148 |
STUD BOLT |
|
|
BRACKET TO SIDE MEMBER |
|
|
M 10X30 |
| 296 |
N 000127010202 |
LOCK WASHER |
|
|
BRACKET TO SIDE MEMBER |
| 299 |
N 000934010040 |
NUT |
|
|
BRACKET TO SIDE MEMBER |
| 313 |
A 3028880026 |
SLEEVE |
|
|
RADIATOR BASE FRAME & RADIATOR BLOCK TO FRAME |
| 316 |
A 3028880224 |
MOUNTING |
|
|
RADIATOR BASE FRAME & RADIATOR BLOCK TO FRAME |
| 319 |
N 000960012362 |
SCREW |
|
Repalced by: N 000960012335
|
| 319 |
N 000960012335 |
SCREW |
|
|
RADIATOR BASE FRAME & RADIATOR BLOCK TO FRAME |
|
|
M 12X1,5X85 |
| 320 |
N 000125013008 |
WASHER |
|
|
RADIATOR BASE FRAME & RADIATOR BLOCK TO FRAME |
| 322 |
N 000127012201 |
LOCK WASHER |
|
|
RADIATOR BASE FRAME & RADIATOR BLOCK TO FRAME |
| 325 |
N 000934012004 |
NUT |
|
|
RADIATOR BASE FRAME & RADIATOR BLOCK TO FRAME |
|
|
M 12X1,5 |
| 330 |
A 3216420026 |
SPACER TUBE |
|
|
RADIATOR STRUT TO BRACKET |
| 334 |
A 3216420074 |
JOINT RUBBER |
|
|
RADIATOR STRUT TO BRACKET |
| 337 |
N 000960012053 |
SCREW |
|
|
RADIATOR STRUT TO BRACKET |
|
|
M12X1,5X50 |
| 340 |
N 000127012201 |
LOCK WASHER |
|
|
RADIATOR STRUT TO BRACKET |
| 343 |
N 000934012004 |
NUT |
|
|
RADIATOR STRUT TO BRACKET |
|
|
M 12X1,5 |
| 346 |
A 3525010124 |
COOLING WATER PIPE |
|
|
FROM THERMOSTAT TO RADIATOR |
| 349 |
A 0009951410 |
CLAMP |
|
|
COOLING WATER LINE TO BASE FRAME |
| 352 |
A 3025060240 |
BRACKET |
|
|
COOLING WATER LINE TO BASE FRAME |
| 355 |
N 000933008153 |
SCREW |
|
|
COOLING WATER LINE TO BASE FRAME |
|
|
M 8X25 |
| 355 |
N 000933008082 |
SCREW |
|
|
COOLING WATER LINE TO BASE FRAME |
|
|
M 8X40 |
| 358 |
N 000125008400 |
WASHER |
|
|
COOLING WATER LINE TO BASE FRAME |
| 361 |
N 912004008102 |
LOCK WASHER |
|
|
COOLING WATER LINE TO BASE FRAME |
| 364 |
N 000934008010 |
NUT |
|
|
COOLING WATER LINE TO BASE FRAME |
| 367 |
A 3025010020 |
RUBBER PAD |
|
|
COOLING WATER LINE TO BASE FRAME |
| 370 |
A 3179910840 |
SPACER TUBE |
|
|
COOLING WATER LINE TO BASE FRAME |
| 373 |
N 900271045000 |
HOSE |
|
|
FROM THERMOSTAT TO RADIATOR |
| 377 |
N 916017040000 |
CLAMP |
|
Repalced by: N 000000000671
|
| 377 |
N 000000000671 |
CLAMP |
|
|
40-60 |
| 377 |
A 3449978690 |
CLAMP |
|
|
44-42 |
| 377 |
A 3419978990 |
LOOM TIE |
|
|
33-76 |
| 377 |
A 3419978990 |
LOOM TIE |
|
|
HOSE TO RADIATOR AND TO ENGINE |
|
|
33-76 |
| 377 |
A 3419978990 |
LOOM TIE |
|
|
COOLING WATER LINE TO COOLING WATER LINE |
|
|
33-76 |
| 377 |
A 3419978990 |
LOOM TIE |
|
|
COOLING WATER LINE TO EXPANSION TANK & TO BUBBLE SEPARATOR |
|
|
33-76 |
| 377 |
A 3419978990 |
LOOM TIE |
|
|
HOSE TO RADIATOR AN TO BUBBLE SEPARATOR |
|
|
33-76 |
| 377 |
A 3419978990 |
LOOM TIE |
|
|
COOLING WATER LINE TO BUBBLE SEPARATOR & TO WATER PUMP |
|
|
33-76 |
| 380 |
A 3025011582 |
HOSE |
|
|
COOLING WATER LINE TO COOLING WATER LINE |
| 388 |
A 3025000372 |
LINE |
|
|
DE-AERATION |
| 391 |
N 915003010201 |
SEAL CONE |
| 394 |
N 915017012202 |
UNION NUT |
| 398 |
N 916016012201 |
CLAMP |
|
|
DE-AERATION AT UPPER COOLING WATER PIPE |
| 401 |
N 900271012010 |
HOSE |
|
|
DE-AERATION; FROM ENGINE TO EXPANSION TANK |
| 405 |
A 3449978490 |
CLAMP |
|
Repalced by: N 916017016000
|
| 405 |
N 916017016000 |
CLAMP |
|
Repalced by: N 000000000666
|
| 405 |
N 000000000666 |
CLAMP |
|
|
HOSE TO BREATHER PIPE AND TO ESPANSION TANK |
|
|
16-25 |
| 408 |
A 3525060057 |
BREATHER PIPE |
| 411 |
A 3025011482 |
HOSE |
|
|
DE-AERATION; FROM ENGINE TO EXPANSION TANK |
| 415 |
N 916017016000 |
CLAMP |
|
Repalced by: N 000000000666
|
| 415 |
N 000000000666 |
CLAMP |
|
|
HOSE TO EXPANSION TANK AND TO ENGINE |
| 415 |
A 3419979990 |
LOOM TIE |
|
|
HOSE TO EXPANSION TANK AND TO ENGINE |
| 415 |
A 3414667177 |
CLAMP |
|
|
HOSE TO EXPANSION TANK AND TO ENGINE |
| 420 |
N 900271020033 |
HOSE |
|
|
VENTILATION, FROM RADIATOR TO EXPANSION TANK |
| 425 |
N 916017020000 |
CLAMP |
|
Repalced by: N 000000000667
|
| 425 |
N 000000000667 |
CLAMP |
|
|
HOSE TO RADIATOR AND TO EXPANSION TANK |
|
|
20-32 |
| 428 |
A 3415017325 |
BREATHER PIPE |
|
|
FROM RESERVOIR TO BUBBLE SEPARATOR |
| 431 |
N 900271038004 |
HOSE |
|
|
FROM RESERVOIR TO BUBBLE SEPARATOR |
| 434 |
N 900271045004 |
HOSE |
|
|
FROM BUBBLE SEPARATOR TO RADIATOR |
| 434 |
N 900271045004 |
HOSE |
|
|
FROM BUBBLE SEPARATOR TO WATER PUMP |
|
A 3519977282 |
HOSE |
|
|
DE-AERATION |
|
T YYYYYYYYYYYY |
PART NAME MISSING |
|
|
EXPANSION TANK |
|
A 0019978490 |
LOOM TIE |
|
|
HOSE TO SUPPORT |
| 437 |
A 3645007369 |
SEPARATOR |
|
|
(BUBBLE SEPARATOR) |
| 437 |
A 3445007069 |
SEPARATOR |
|
|
(BUBBLE SEPARATOR) |
| 439 |
N 007604012101 |
SCREW PLUG |
|
|
TO 344 500 70 69 |
| 440 |
N 007603012111 |
SEAL RING |
|
|
TO 344 500 70 69 |
| 443 |
N 000933008268 |
SCREW |
|
|
BRACKET TO SUPPORT |
|
|
M 8X16 |
| 446 |
N 912004008102 |
LOCK WASHER |
|
|
BRACKET TO SUPPORT |
| 449 |
N 000934008045 |
NUT |
|
|
BRACKET TO SUPPORT |
| 460 |
A 3515017024 |
COOLING WATER PIPE |
|
|
FROM BUBBLE SEPARATOR TO WATER PUMP |
| 485 |
A 3515007501 |
RADIATOR |
| 490 |
A 3515008727 |
SUPPORT |
|
|
RADIATOR |
| 493 |
N 000933008025 |
SCREW |
|
|
RADIATOR TO SUPPORT |
|
|
M 8X18 |
| 496 |
N 912004008102 |
LOCK WASHER |
|
|
RADIATOR TO SUPPORT |
| 506 |
A 3083100077 |
BUFFER |
|
|
RADIATOR MOUNTING |
| 506 |
A 3515007012 |
RUBBER BUFFER |
|
|
RADIATOR MOUNTING |
| 510 |
N 000912012002 |
SCREW |
|
|
RUBBER MOUNTING TO SUPPORT |
|
|
M 12X25 |
| 513 |
N 912004012100 |
LOCK WASHER |
|
|
RUBBER MOUNTING TO SUPPORT |
| 525 |
A 3455007049 |
TANK |
|
|
EXPANSION TANK |
| 525 |
A 3455007349 |
TANK |
|
|
EXPANSION TANK |
| 530 |
A 3505017139 |
VALVE |
|
|
EXPANSION TANK |
| 536 |
A 3505017080 |
GASKET |
|
|
EXPANSION TANK |
| 540 |
N 000933005058 |
SCREW |
|
|
VALVE TO EXPANSION TANK |
| 543 |
N 912004005100 |
LOCK WASHER |
|
|
VALVE TO EXPANSION TANK |
| 546 |
N 000934005000 |
NUT |
|
|
VALVE TO EXPANSION TANK |
| 550 |
A 3455017015 |
RADIATOR CAP |
|
|
EXPANSION TANK |
| 554 |
A 3449870214 |
RUBBER STRIP |
|
|
EXPANSION TANK |
| 557 |
A 3415007274 |
CLAMP |
|
|
EXPANSION TANK |
| 558 |
N 000094006315 |
COTTER PIN |
| 560 |
N 000934008010 |
NUT |
|
|
EXPANSION TANK TO SUPPORT |
| 570 |
A 3212050405 |
BEARING BODY |
|
|
FAN DRIVE |
| 574 |
N 000933008110 |
SCREW |
|
|
BEARING BODY TO SUPPORT |
|
|
M 8X30 |
| 577 |
N 912004008102 |
LOCK WASHER |
|
|
BEARING BODY TO SUPPORT |
| 580 |
N 000125008418 |
WASHER |
|
|
BEARING BODY TO SUPPORT |
| 585 |
A 3262050002 |
FAN SHAFT |
| 588 |
N 003760032300 |
RADIAL SEAL RING |
|
|
FAN SHAFT |
| 591 |
N 000628003205 |
ANG. CONTACT BALL BEARING |
|
|
FAN SHAFT |
| 594 |
A 3262060153 |
SPACER TUBE |
|
|
FAN SHAFT |
| 597 |
A 3262050952 |
SPACER WASHER |
|
|
FAN SHAFT |
| 600 |
N 000472052000 |
LOCK RING |
|
|
BEARING TO SHAFT |
| 603 |
A 3262060053 |
SPACER TUBE |
|
|
FAN SHAFT |
| 606 |
N 070952024101 |
LOCK PLATE |
|
|
BEARING TO SHAFT |
| 609 |
N 070852024000 |
NUT |
|
|
BEARING TO SHAFT |
| 612 |
N 007604010100 |
SCREW PLUG |
|
|
BEARING BODY |
| 615 |
N 007603010110 |
SEAL RING |
|
|
BEARING BODY |
| 620 |
A 3552050210 |
PULLEY |
|
|
FAN DRIVE |
| 624 |
N 006888004002 |
WOODRUFF KEY |
|
|
PULLEY TO FAN SHAFT |
| 627 |
N 912004014101 |
LOCK WASHER |
|
|
PULLEY TO FAN SHAFT |
| 630 |
N 000936014005 |
NUT |
|
|
PULLEY TO FAN SHAFT |
|
|
M 14X1,5 |
| 635 |
A 3442000124 |
FAN |
| 638 |
A 3129940330 |
LOCK |
|
|
FAN TO HUB |
| 640 |
N 000933008036 |
SCREW |
|
|
FAN TO HUB |
|
|
M 8X20 |
| 643 |
A 3262060013 |
HUB |
|
|
TIGHTENER PULLEY |
| 645 |
A 3262050303 |
FAN SPINDLE |
| 648 |
N 003760040300 |
RADIAL SEAL RING |
|
|
TIGHTENER PULLEY BEARING |
| 650 |
N 000472052000 |
LOCK RING |
|
|
BEARING TO SHAFT |
| 653 |
N 000720030205 |
TAPERED ROLLER BEARING |
|
|
TIGHTENER PULLEY BEARING |
| 655 |
A 3262050253 |
SPACER TUBE |
|
|
TIGHTENER PULLEY BEARING |
| 658 |
N 000720030204 |
TAPERED ROLLER BEARING |
|
|
TIGHTENER PULLEY BEARING |
| 660 |
A 8200750052 |
SPACER WASHER |
|
|
TIGHTENER PULLEY BEARING |
| 663 |
N 070952020101 |
LOCK PLATE |
|
|
BEARING TO SHAFT |
| 665 |
A 3219900160 |
NUT |
|
|
BEARING TO SHAFT |
| 668 |
A 3262050380 |
GASKET |
|
|
TIGHTENER PULLEY HUB,REAR |
| 670 |
A 3262050752 |
SPACER WASHER |
|
|
TIGHTENER PULLEY HUB,REAR |
|
|
0.05 MM |
| 670 |
A 3262050552 |
SPACER WASHER |
|
|
TIGHTENER PULLEY HUB,REAR |
|
|
0.10 MM |
| 670 |
A 3262050452 |
SPACER WASHER |
|
|
TIGHTENER PULLEY HUB,REAR |
|
|
0.20 MM |
| 670 |
A 3262050652 |
SPACER WASHER |
|
|
TIGHTENER PULLEY HUB,REAR |
|
|
0.50 MM |
| 675 |
A 3262050213 |
EXPANSION PLUG |
|
|
TIGHTENER PULLEY HUB,REAR |
| 678 |
N 000933006024 |
SCREW |
|
|
COVER TO HUB |
|
|
M 6X15 |
| 680 |
N 912004006102 |
LOCK WASHER |
|
|
COVER TO HUB |
| 683 |
N 071412010100 |
GREASE NIPPLE |
|
|
TIGHTENER PULLEY BEARING |
| 686 |
A 3442060019 |
TIGHTENER PULLEY |
| 690 |
N 912004008102 |
LOCK WASHER |
|
|
HUB TO TIGHTENER PULLEY |
| 692 |
N 000933008153 |
SCREW |
|
|
HUB TO TIGHTENER PULLEY |
|
|
M 8X25 |
| 695 |
A 3442060033 |
LEVER |
|
|
(CLAMPING LEVER) |
| 698 |
N 000960012079 |
SCREW |
|
|
CLAMPING LEVER ON SUPPORT |
|
|
M 12X1,5X65 |
| 700 |
N 000934012004 |
NUT |
|
|
CLAMPING LEVER ON SUPPORT |
|
|
M 12X1,5 |
| 702 |
N 006888003005 |
WOODRUFF KEY |
|
|
CLAMPING LEVER TO FAN SPINDLE |
| 705 |
N 912004024101 |
LOCK WASHER |
|
|
CLAMPING LEVER TO FAN SPINDLE |
| 707 |
N 000439024202 |
NUT |
|
|
CLAMPING LEVER TO FAN SPINDLE |
|
|
M 24X1,5 |
| 710 |
A 3445001227 |
SUPPORT |
|
|
CLAMPING LEVER |
| 712 |
A 3445040174 |
PIN |
| 715 |
N 000934012004 |
NUT |
|
|
CLAMPING LEVER |
|
|
M 12X1,5 |
| 718 |
N 000931010264 |
SCREW |
|
|
SUPPORT TO RADIATOR BASE FRAME |
|
|
M 10X45 |
| 720 |
N 007349010001 |
WASHER |
|
|
SUPPORT TO RADIATOR BASE FRAME |
| 722 |
N 912004010102 |
LOCK WASHER |
|
|
SUPPORT TO RADIATOR BASE FRAME |
| 724 |
N 000934010000 |
NUT |
|
|
SUPPORT TO RADIATOR BASE FRAME |
| 727 |
A 3455040084 |
SHIM |
|
|
SUPPORT TO RADIATOR BASE FRAME |
| 730 |
A 0099974192 |
V-BELT |
|
|
SET = 2 PIECES |
|
|
12.5X2017 MM |
| 730 |
A 0039976692 |
V-BELT |
|
|
FROM VIBRATION DAMPER TO TIGHTENER PULLEY |
| 732 |
A 0039970992 |
V-BELT |
|
|
FROM TIGHTENER PULLEY TO FAN PULLEY |
|
|
18X1246 MM |
| 735 |
A 3455007027 |
SUPPORT |
|
|
RADIATOR MOUNTING |
| 738 |
N 000933010034 |
SCREW |
|
|
SUPPORT TO FRAME |
|
|
M 10X25 |
| 740 |
N 912004010102 |
LOCK WASHER |
|
|
SUPPORT TO FRAME |
| 742 |
N 000934010000 |
NUT |
|
|
SUPPORT TO FRAME |
| 745 |
N 000933010011 |
SCREW |
|
|
RADIATOR TO SUPPORT |
|
|
M10X18 |
| 747 |
N 912004010102 |
LOCK WASHER |
|
|
RADIATOR TO SUPPORT |
| 749 |
N 009021010100 |
WASHER |
|
|
RADIATOR TO SUPPORT |
| 782 |
N 900271020037 |
HOSE |
|
|
FROM EXPANSION TANK TO RADIATOR |
| 785 |
N 916017020000 |
CLAMP |
|
Repalced by: N 000000000667
|
| 785 |
N 000000000667 |
CLAMP |
|
|
HOSE TO RADIATOR AND TO EXPANSION TANK |
|
|
20-32 |
| 785 |
A 3449978490 |
CLAMP |
|
Repalced by: N 916017016000
|
| 785 |
N 916017016000 |
CLAMP |
|
Repalced by: N 000000000666
|
| 785 |
N 000000000666 |
CLAMP |
|
|
HOSE TO RADIATOR AND TO EXPANSION TANK |
| 785 |
A 3419979790 |
LOOM TIE |
|
|
HOSE TO RADIATOR AND TO EXPANSION TANK |
| 790 |
A 3515017324 |
COOLING WATER PIPE |
|
|
FROM THERMOSTAT TO RADIATOR |
| 793 |
A 3515017282 |
HOSE |
|
|
FROM THERMOSTAT TO RADIATOR |
| 797 |
A 3025012282 |
HOSE |
|
|
FROM THERMOSTAT TO RADIATOR |
| 798 |
N 916017040000 |
CLAMP |
|
Repalced by: N 000000000671
|
| 798 |
N 000000000671 |
CLAMP |
|
|
COOLING WATER |
|
|
40-60 |
| 798 |
A 3449978690 |
CLAMP |
|
|
COOLING WATER |
| 800 |
N 916017050000 |
CLAMP |
|
Repalced by: N 000000000672
|
| 800 |
N 000000000672 |
CLAMP |
|
|
COOLING WATER |
|
|
50-70 |
| 800 |
A 3449978790 |
CLAMP |
|
|
COOLING WATER |
| 804 |
A 3455047640 |
BRACKET |
|
|
COOLING WATER PIPE TO RADIATOR,TOP |
| 815 |
A 3025010020 |
RUBBER PAD |
|
|
COOLING WATER LINE TO BRACKET |
| 818 |
A 3179910840 |
SPACER TUBE |
|
|
COOLING WATER LINE TO BRACKET |
| 821 |
A 3025060240 |
BRACKET |
|
|
COOLING WATER LINE TO BRACKET |
| 824 |
A 0009951410 |
CLAMP |
|
|
COOLING WATER LINE TO BRACKET |
| 828 |
N 000933008153 |
SCREW |
|
|
COOLING WATER LINE TO BRACKET |
|
|
M 8X25 |
| 828 |
N 000933008082 |
SCREW |
|
|
COOLING WATER LINE TO BRACKET |
|
|
M 8X40 |
| 830 |
N 000125008418 |
WASHER |
|
|
COOLING WATER LINE TO BRACKET |
| 832 |
N 912004008102 |
LOCK WASHER |
|
|
COOLING WATER LINE TO BRACKET |
| 834 |
N 000934008010 |
NUT |
|
|
COOLING WATER LINE TO BRACKET |
| 842 |
N 900271012054 |
HOSE |
|
|
DE-AERATION PIPE TO EXPANSION TANK |
| 844 |
A 3449970482 |
HOSE |
|
|
OVERFLOW, EXPANSION TANK |
| 845 |
N 916017011000 |
CLAMP |
|
Repalced by: N 000000000665
|
| 845 |
N 000000000665 |
CLAMP |
|
|
OVERFLOW, EXPANSION TANK |
|
|
11-20 |
| 845 |
A 3449978390 |
LOOM TIE |
|
|
OVERFLOW, EXPANSION TANK |
| 845 |
N 916017016000 |
CLAMP |
|
Repalced by: N 000000000666
|
| 845 |
N 000000000666 |
CLAMP |
|
|
DE-AERATION PIPE TO EXPANSION TANK |
| 845 |
A 3419979990 |
LOOM TIE |
|
|
DE-AERATION PIPE TO EXPANSION TANK |
| 845 |
A 3414667177 |
CLAMP |
|
|
DE-AERATION PIPE TO EXPANSION TANK |
| 845 |
A 3449978390 |
LOOM TIE |
|
|
DE-AERATION PIPE TO EXPANSION TANK |
| 846 |
N 916016012201 |
CLAMP |
|
|
FROM EXPANSION TANK TO COOLING WATER PIPE |
| 846 |
N 916016045200 |
CLAMP |
|
|
FROM EXPANSION TANK TO COOLING WATER PIPE |
| 847 |
N 000933006183 |
SCREW |
|
|
FROM EXPANSION TANK TO COOLING WATER PIPE |
|
|
M 6X16 |
| 848 |
N 000934006007 |
NUT |
|
|
FROM EXPANSION TANK TO COOLING WATER PIPE |
| 849 |
N 000125006421 |
WASHER |
|
|
FROM EXPANSION TANK TO COOLING WATER PIPE |
| 850 |
A 3515007069 |
SEPARATOR |
|
|
(BUBBLE SEPARATOR) |
| 853 |
N 007603018101 |
SEAL RING |
|
|
DRAIN |
| 855 |
N 007604018102 |
SCREW PLUG |
|
|
DRAIN |
| 858 |
N 000933008036 |
SCREW |
|
|
BUBBLE SEPARATOR TO RADIATOR MOUNTING SUPPORT |
|
|
M8X20 |
| 860 |
N 912004008102 |
LOCK WASHER |
|
|
BUBBLE SEPARATOR TO RADIATOR MOUNTING SUPPORT |
| 862 |
N 000934008010 |
NUT |
|
|
BUBBLE SEPARATOR TO RADIATOR MOUNTING SUPPORT |
| 868 |
N 000933008056 |
SCREW |
|
|
BRACKET TO SUPPORT |
|
|
M 8X20 |
| 870 |
N 912004008102 |
LOCK WASHER |
|
|
BRACKET TO SUPPORT |
| 872 |
N 000934008010 |
NUT |
|
|
BRACKET TO SUPPORT |
| 874 |
N 916016038201 |
CLAMP |
|
Repalced by: N 000000000350
|
| 874 |
N 000000000350 |
CLAMP |
| 875 |
N 900271038005 |
HOSE |
|
|
FROM RESERVOIR TO BUBBLE SEPARATOR |
| 876 |
A 3515017182 |
HOSE |
|
|
FROM RESERVOIR TO BUBBLE SEPARATOR |
| 878 |
N 916017040000 |
CLAMP |
|
Repalced by: N 000000000671
|
| 878 |
N 000000000671 |
CLAMP |
|
|
COOLING WATER LINE TO EXPANSION TANK & TO BUBBLE SEPARATOR |
|
|
40-60 |
| 878 |
A 3449978690 |
CLAMP |
|
|
COOLING WATER LINE TO EXPANSION TANK & TO BUBBLE SEPARATOR |
| 881 |
N 900271050009 |
HOSE |
|
|
FROM BUBBLE SEPARATOR TO RADIATOR |
| 881 |
N 900271050009 |
HOSE |
|
|
FROM BUBBLE SEPRATOR TO OIL COOLER |
| 884 |
N 916017050000 |
CLAMP |
|
Repalced by: N 000000000672
|
| 884 |
N 000000000672 |
CLAMP |
|
|
50-70 |
| 884 |
A 3449978790 |
CLAMP |
| 884 |
A 3419979890 |
LOOM TIE |
|
|
33-76 |
| 884 |
A 3419979890 |
LOOM TIE |
|
|
HOSE TO RADIATOR AN TO BUBBLE SEPARATOR |
|
|
33-76 |
| 884 |
A 3419979890 |
LOOM TIE |
|
|
COOLING WATER LINE TO BUBBLE SEPARATOR & TO OIL COOLER |
|
|
33-76 |
| 884 |
A 3419979890 |
LOOM TIE |
|
|
FROM BUBBLE SEPARATOR TO RADIATOR |
|
|
33-76 |
| 887 |
A 3515007272 |
LINE |
|
|
FROM BUBBLE SEPRATOR TO OIL COOLER |
| 890 |
A 0415060064 |
VALVE |
| 893 |
A 3515017224 |
COOLING WATER PIPE |
| 896 |
A 3515007024 |
BREATHER PIPE |
| 897 |
N 915017012100 |
UNION NUT |
| 898 |
N 003861012007 |
GLAND |
| 899 |
A 3515017125 |
BREATHER PIPE |
| 905 |
A 3445067033 |
LOCKING CAP |
|
|
HEATING CONNECTION,FRONT |
| 907 |
N 916017040000 |
CLAMP |
|
Repalced by: N 000000000671
|
| 907 |
N 000000000671 |
CLAMP |
|
|
HEATING CONNECTION,FRONT |
|
|
40-60 |
| 907 |
A 3449978690 |
CLAMP |
|
|
HEATING CONNECTION,FRONT |