|
X XXXXXXXXXXXX |
PART NAME MISSING |
|
|
STEEL SPRING SUSPENSION |
| 006 |
A 3963200002 |
FRONT SPRING |
|
|
(TRAPEZOIDAL SPRING);NUMBER OF LEAVES: |
|
|
"8" |
| 009 |
A 3963200194 |
SPRING LEAF |
|
|
NO.1 |
| 012 |
A 3523250150 |
BUSHING |
|
Repalced by: A 3963250050
|
| 012 |
A 3963250050 |
BUSHING |
|
Repalced by: A 3523250150
|
| 012 |
A 3523250150 |
BUSHING |
| 012 |
A 3853250050 |
BUSHING |
|
Repalced by: A 3963250050
|
| 012 |
A 3963250050 |
BUSHING |
|
Repalced by: A 3523250150
|
| 012 |
A 3523250150 |
BUSHING |
| 015 |
A 3963210112 |
SPRING LEAF |
|
|
NO.2 |
| 018 |
A 3963210013 |
SPRING LEAF |
|
|
NO.3 |
| 021 |
A 3963210014 |
SPRING LEAF |
|
|
NO.4 |
| 024 |
A 3533240135 |
SPACER |
| 027 |
N 004626012103 |
SPRING BOLT |
| 030 |
N 913004012007 |
NUT |
| 033 |
A 6173210233 |
SPRING CLAMP |
|
Repalced by: A 6753210133
|
| 033 |
A 6753210133 |
SPRING CLAMP |
|
Repalced by: A 6763210033
|
| 033 |
A 6763210033 |
SPRING CLAMP |
| 036 |
A 6753210133 |
SPRING CLAMP |
|
Repalced by: A 6763210033
|
| 036 |
A 6763210033 |
SPRING CLAMP |
| 039 |
A 6173210135 |
CLAMP |
| 042 |
N 000933008152 |
SCREW |
|
|
SPRING CLAMP WITH CLAMP TO SPRING LEAVES NOS.4 AND 7 |
| 045 |
N 913004008004 |
NUT |
|
|
SPRING CLAMP WITH CLAMP TO SPRING LEAVES NOS.4 AND 7 |
| 048 |
N 910006008024 |
RIVET |
|
|
CLAMP TO SPRING LEAF |
| 051 |
A 3553200062 |
SHACKLE |
|
|
FRONT SPRING TO SPRING BRACKET |
| 054 |
A 3523250150 |
BUSHING |
|
Repalced by: A 3963250050
|
| 054 |
A 3963250050 |
BUSHING |
|
Repalced by: A 3523250150
|
| 054 |
A 3523250150 |
BUSHING |
| 054 |
A 3853250050 |
BUSHING |
|
Repalced by: A 3963250050
|
| 054 |
A 3963250050 |
BUSHING |
|
Repalced by: A 3523250150
|
| 054 |
A 3523250150 |
BUSHING |
| 057 |
A 3963200064 |
SHACKLE PIN |
|
|
PARTS KIT |
| 060 |
N 071412010300 |
GREASE NIPPLE |
|
|
SHACKLE PIN |
| 063 |
A 3523230976 |
WASHER |
|
|
AS REQUIRED |
|
|
4.00 MM |
| 063 |
A 3523231076 |
WASHER |
|
|
AS REQUIRED |
|
|
4.20 MM |
| 066 |
A 0029973040 |
SEAL RING |
|
|
SPRING SUSPENSION |
| 069 |
A 3529900337 |
BOLT |
|
|
SPRING SUSPENSION |
| 072 |
N 000125010518 |
WASHER |
|
|
SPRING SUSPENSION |
| 075 |
N 913004010008 |
NUT |
|
|
SPRING SUSPENSION |
| 078 |
A 3853220031 |
PLATE |
|
|
FRONT SPRINGS TO FRONT AXLE |
| 081 |
A 3963210006 |
HELPER SPRING |
|
|
FRONT SPRINGS TO FRONT AXLE |
| 084 |
A 3853310025 |
U-BOLT |
|
|
FRONT SPRINGS TO FRONT AXLE |
|
|
230 MM |
| 084 |
A 3283510025 |
U-BOLT |
|
|
FRONT SPRINGS TO FRONT AXLE |
|
|
250 MM |
| 087 |
A 0029903551 |
NUT |
|
|
FRONT SPRINGS TO FRONT AXLE |
| 090 |
A 3963232663 |
BEARING BRACKET |
|
|
TORSION BAR,FRONT |
| 093 |
N 000961014108 |
SCREW |
|
|
BEARING BRACKET TO SIDE MEMBER |
| 096 |
N 913004014002 |
NUT |
|
|
BEARING BRACKET TO SIDE MEMBER |
| 099 |
A 3963260047 |
SHACKLE |
|
|
TORSION BAR,FRONT |
| 102 |
A 0003260650 |
BUSHING |
|
|
SHACKLE TO BEARING BRACKET |
| 105 |
A 3873230252 |
SPACER WASHER |
|
|
SHACKLE TO BEARING BRACKET |
| 108 |
A 3933260152 |
SPACER WASHER |
|
|
SHACKLE TO BEARING BRACKET |
| 111 |
N 000961016081 |
SCREW |
|
|
SHACKLE TO BEARING BRACKET |
| 114 |
A 3963230165 |
TORSION BAR |
|
|
FRONT AXLE |
| 117 |
A 3933260481 |
RUBBER MOUNTING |
|
|
SHACKLE TO TORSION BAR |
| 120 |
N 000983085001 |
LOCK RING |
|
|
SHACKLE TO TORSION BAR |
|
A 3893260074 |
PIN |
|
Repalced by: A 6233200041
|
| 123 |
A 6233200041 |
REPAIR KIT |
|
|
TORSION BAR MOUNTING |
| 126 |
A 3873260050 |
BUSHING |
|
|
TORSION BAR TO BEARING BRACKET |
| 129 |
N 007349019002 |
WASHER |
|
|
TORSION BAR TO BEARING BRACKET |
| 132 |
N 913004018004 |
NUT |
|
|
TORSION BAR TO BEARING BRACKET |
| 135 |
A 3963200343 |
BRACKET |
|
|
SHOCK ABSORBER,TOP |
| 138 |
N 000960014180 |
SCREW |
|
|
BRACKET TO BEARING BRACKET |
| 141 |
N 913004014002 |
NUT |
|
|
BRACKET TO BEARING BRACKET |
| 144 |
A 0043238600 |
SHOCK ABSORBER |
|
|
FRONT AXLE |
| 144 |
A 0043238400 |
SHOCK ABSORBER |
|
|
FRONT AXLE |
| 147 |
A 0003230553 |
SPACER TUBE |
| 150 |
A 0003230785 |
RUBBER MOUNTING |
|
|
TO 004 323 84 00 |
| 150 |
A 0003233044 |
RUBBER BUFFER |
|
|
TO 004 323 86 00 |
| 153 |
A 3979900001 |
SCREW |
|
|
SHOCK ABSORBER TO TOP BRACKET |
| 156 |
N 913004020004 |
NUT |
|
|
SHOCK ABSORBER TO TOP BRACKET |
| 159 |
A 3963232763 |
BEARING BRACKET |
|
|
SHOCK ABSORBER MOUNTING,LEFT BOTTOM |
| 159 |
A 3963232863 |
BEARING BRACKET |
|
|
SHOCK ABSORBER MOUNTING,RIGHT BOTTOM |
| 162 |
A 3859900101 |
SCREW |
|
|
SHOCK ABSORBER TO LOWER BEARING BRACKET |
| 165 |
N 913004020004 |
NUT |
|
|
SHOCK ABSORBER TO LOWER BEARING BRACKET |
| 168 |
A 3963200506 |
REAR SPRING |
|
|
(TRAPEZOIDAL SPRING);NUMBER OF LEAVES: |
|
|
"13" |
| 171 |
A 3963200093 |
SPRING LEAF |
|
|
NO.1 |
| 174 |
A 3523250150 |
BUSHING |
|
Repalced by: A 3963250050
|
| 174 |
A 3963250050 |
BUSHING |
|
Repalced by: A 3523250150
|
| 174 |
A 3523250150 |
BUSHING |
| 174 |
A 3853250050 |
BUSHING |
|
Repalced by: A 3963250050
|
| 174 |
A 3963250050 |
BUSHING |
|
Repalced by: A 3523250150
|
| 174 |
A 3523250150 |
BUSHING |
| 177 |
A 3963240512 |
SPRING LEAF |
|
|
NO.2 |
| 180 |
A 3963240513 |
SPRING LEAF |
|
|
NO.3 |
| 183 |
A 3963240514 |
SPRING LEAF |
|
|
NO.4 |
| 186 |
A 3963240315 |
SPRING LEAF |
|
|
NO.5 |
| 189 |
A 3963240316 |
SPRING LEAF |
|
|
NO.6 |
| 192 |
A 3963240317 |
SPRING LEAF |
|
|
NO.7 |
| 195 |
A 3963240318 |
SPRING LEAF |
|
|
NO.8 |
| 198 |
A 3963240319 |
SPRING LEAF |
|
|
NO.9 |
| 201 |
A 3963240320 |
SPRING LEAF |
|
|
NO.10 |
| 204 |
A 3963240321 |
SPRING LEAF |
|
|
NO.11 |
| 207 |
A 3963240222 |
SPRING LEAF |
|
|
NO.12 |
| 210 |
A 3963240123 |
SPRING LEAF |
|
|
NO.13 |
| 216 |
A 6173241471 |
SPRING BOLT |
| 219 |
N 913004012007 |
NUT |
| 222 |
A 3553200062 |
SHACKLE |
|
|
REAR SPRING TO SPRING BRACKET |
| 225 |
A 3523250150 |
BUSHING |
|
Repalced by: A 3963250050
|
| 225 |
A 3963250050 |
BUSHING |
|
Repalced by: A 3523250150
|
| 225 |
A 3523250150 |
BUSHING |
| 225 |
A 3853250050 |
BUSHING |
|
Repalced by: A 3963250050
|
| 225 |
A 3963250050 |
BUSHING |
|
Repalced by: A 3523250150
|
| 225 |
A 3523250150 |
BUSHING |
| 228 |
A 3963200064 |
SHACKLE PIN |
|
|
PARTS KIT |
| 231 |
N 071412010300 |
GREASE NIPPLE |
|
|
SHACKLE PIN |
| 234 |
A 3523230976 |
WASHER |
|
|
AS REQUIRED |
|
|
4.00 MM |
| 234 |
A 3523231076 |
WASHER |
|
|
AS REQUIRED |
|
|
4.20 MM |
| 237 |
A 0029973040 |
SEAL RING |
|
|
SPRING SUSPENSION |
| 240 |
A 3529900337 |
BOLT |
|
|
SPRING SUSPENSION |
| 243 |
N 000125010518 |
WASHER |
|
|
SPRING SUSPENSION |
| 246 |
N 913004010008 |
NUT |
|
|
SPRING SUSPENSION |
| 249 |
A 3963510225 |
U-BOLT |
|
Repalced by: A 3963510525
|
| 249 |
A 3963510525 |
U-BOLT |
|
|
REAR SPRING TO REAR AXLE |
| 252 |
A 3963510028 |
PAD |
|
|
REAR SPRING TO REAR AXLE |
| 252 |
A 3963510128 |
PAD |
|
Repalced by: A 3853510628
|
| 252 |
A 3853510628 |
PAD |
|
|
REAR SPRING TO REAR AXLE |
| 255 |
A 0029900751 |
NUT |
|
|
REAR SPRING TO REAR AXLE |
| 258 |
A 3963200078 |
CONSOLE |
|
|
TORSION BAR,REAR |
| 261 |
N 000939016033 |
STUD BOLT |
| 264 |
N 000961014028 |
SCREW |
|
Repalced by: A 0029909604
|
| 264 |
A 0029909604 |
SCREW |
|
|
CONSOLE TO FRAME |
|
|
M 14X40 |
| 267 |
N 913004014002 |
NUT |
|
|
CONSOLE TO FRAME |
| 270 |
A 3963260047 |
SHACKLE |
|
|
TORSION BAR,REAR |
| 276 |
N 000960016212 |
SCREW |
|
|
COVER TO SHACKLE |
|
|
M 16X65 |
| 277 |
N 000960016260 |
SCREW |
|
|
COVER TO LINK |
|
|
M 16X90 |
| 278 |
N 913004016005 |
NUT |
|
|
COVER TO LINK |
| 279 |
A 3873230252 |
SPACER WASHER |
|
|
SHACKLE TO CONSOLE |
| 282 |
A 3933260152 |
SPACER WASHER |
|
|
SHACKLE TO CONSOLE |
| 285 |
A 0003260650 |
BUSHING |
|
|
SHACKLE TO CONSOLE |
| 288 |
N 913004016004 |
NUT |
|
|
SHACKLE TO CONSOLE |
| 291 |
A 3963260265 |
TORSION BAR |
|
|
REAR AXLE |
| 291 |
A 3963260365 |
TORSION BAR |
|
Repalced by: A 3963200211
|
| 291 |
A 3963200211 |
TORSION BAR |
|
Repalced by: A 3963200811
|
| 291 |
A 3963200811 |
TORSION BAR |
|
|
REAR AXLE |
| 294 |
A 0009810831 |
JOINT BEARING |
|
|
TORSION BAR,REAR |
| 294 |
A 0009811231 |
JOINT BEARING |
|
|
TORSION BAR,REAR |
| 297 |
A 3963260081 |
RUBBER MOUNTING |
|
|
TORSION BAR,REAR |
| 300 |
N 000472055000 |
LOCK RING |
|
|
TORSION BAR,REAR |
| 303 |
N 071412008300 |
GREASE NIPPLE |
|
|
AT TORSION BAR |
| 306 |
A 3933260481 |
RUBBER MOUNTING |
|
|
SHACKLE TO TORSION BAR |
| 309 |
N 000983085001 |
LOCK RING |
|
|
SHACKLE TO TORSION BAR |
| 312 |
A 3963260074 |
PIN |
|
Repalced by: A 3963200028
|
| 315 |
N 000961014066 |
SCREW |
|
|
TORSION BAR TO REAR SPRING SADDLE |
| 318 |
A 3523260153 |
SPACER TUBE |
|
|
TORSION BAR TO REAR SPRING SADDLE |
| 321 |
A 3603230560 |
SEAL RING |
|
|
TORSION BAR TO REAR SPRING SADDLE |
| 324 |
N 070952035101 |
LOCK PLATE |
|
|
TORSION BAR TO REAR SPRING SADDLE |
| 327 |
N 070852035000 |
NUT |
|
|
TORSION BAR TO REAR SPRING SADDLE |
| 330 |
N 913004014005 |
NUT |
|
|
TORSION BAR TO REAR SPRING SADDLE |
| 333 |
A 3963200028 |
REPAIR KIT |
|
|
TORSION BAR MOUNTING |
| 336 |
A 0033266800 |
SHOCK ABSORBER |
|
|
REAR AXLE |
| 336 |
A 0033266900 |
SHOCK ABSORBER |
|
Repalced by: A 0033268400
|
| 336 |
A 0033268400 |
SHOCK ABSORBER |
|
|
REAR AXLE |
| 339 |
A 0003230785 |
RUBBER MOUNTING |
|
|
TOP AND BOTTOM |
|
|
TO 003 326 68 00,004 326 05 00, |
|
Y YYYYYYYYYYYY |
PART NAME MISSING |
|
|
003 326 69 00 |
| 339 |
A 0003233044 |
RUBBER BUFFER |
|
|
TOP AND BOTTOM |
|
|
TO 003 326 84 00 |
| 342 |
A 0003230553 |
SPACER TUBE |
|
|
TOP AND BOTTOM |
| 345 |
A 3963260263 |
BEARING BRACKET |
|
|
LEFT SHOCK ABSORBER |
| 345 |
A 3963260363 |
BEARING BRACKET |
|
|
RIGHT SHOCK ABSORBER |
| 348 |
A 3969900001 |
SCREW |
|
|
SHOCK ABSORBER TO CROSS MEMBER |
| 351 |
A 3859900101 |
SCREW |
|
|
SHOCK ABSORBER TO LOWER BEARING BRACKET |
| 354 |
N 913004020004 |
NUT |
|
|
SHOCK ABSORBER TO CROSS MEMBER |
| 354 |
N 913004020004 |
NUT |
|
|
SHOCK ABSORBER TO LOWER BEARING BRACKET |
| 357 |
A 0003200044 |
RUBBER BUFFER |
|
|
REAR SPRING STOP |
| 360 |
A 3963250040 |
BRACKET |
|
|
RUBBER BUFFER |
| 363 |
N 000961014028 |
SCREW |
|
Repalced by: A 0029909604
|
| 363 |
A 0029909604 |
SCREW |
|
|
BRACKET TO FRAME |
| 366 |
N 913004014002 |
NUT |
|
|
BRACKET TO FRAME |
| 369 |
A 3963250015 |
SPRING CASE |
|
|
RUBBER BUFFER |
| 372 |
N 000912012140 |
SCREW |
|
|
RUBBER BUFFER TO BRACKET |
| 375 |
N 000125013008 |
WASHER |
|
|
RUBBER BUFFER TO BRACKET |
| 378 |
N 913004012008 |
NUT |
|
|
RUBBER BUFFER TO BRACKET |
|
X XXXXXXXXXXXX |
PART NAME MISSING |
|
|
PNEUMATIC SUSPENSION |
| 400 |
A 0089979082 |
HOSE |
|
|
AIR RESERVOIR,LEVEL ADJUSTMENT VALVE, AIR SPRING BELLOWS |
|
|
6X8 MM |
| 403 |
A 0039978972 |
FITTING |
|
Repalced by: A 0029905971
|
| 403 |
A 0029905971 |
FITTING |
|
|
(PARTS KIT),LINE RUPTURE |
| 406 |
N 915017008100 |
UNION NUT |
|
|
LINE CONNECTIONS |
| 409 |
N 003861008005 |
GLAND |
|
|
LINE CONNECTIONS |
| 412 |
N 915062006000 |
SLEEVE |
|
|
LINE CONNECTIONS |
| 415 |
N 915052006013 |
BANJO UNION |
|
|
HOSE WIDTH, / I.D., |
|
|
6/12 MM |
| 415 |
N 915052006021 |
BANJO UNION |
|
|
HOSE WIDTH, / I.D., |
|
|
6/14 MM |
| 415 |
N 915052006014 |
BANJO UNION |
|
|
HOSE WIDTH, / I.D., |
|
|
6/16 MM |
| 416 |
A 0019904788 |
BANJO UNION |
|
|
AIR RESERVOIR,CONNECTION: |
|
|
"24" |
| 418 |
A 0009907990 |
T-FITTING |
|
|
BRANCH-OFF TO REAR AXLE LEVEL ADJUSTMENT DEVICE |
| 421 |
A 3549970081 |
GROMMET |
|
|
COMPRESSED AIR LINE THRU FRAME |
|
|
32/27 MM |
| 421 |
A 3969970281 |
GROMMET |
|
|
COMPRESSED AIR LINE THRU FRAME |
|
|
61/54 MM |
| 422 |
A 0019978390 |
LOOM TIE |
|
|
LINE MOUNTING |
| 422 |
A 0019978490 |
LOOM TIE |
|
|
LINE MOUNTING |
| 424 |
A 0109975982 |
HOSE |
|
Repalced by: A 0009872827
|
| 424 |
A 0009872827 |
PLASTIC PIPE |
|
|
FROM FOUR-CIRCUIT PROTECTIVE VALVE TO AIR RESERVOIR |
|
|
9X12 MM |
| 425 |
N 915017012100 |
UNION NUT |
|
|
LINE CONNECTIONS |
| 425E |
N 003861012007 |
GLAND |
|
|
LINE CONNECTIONS |
| 425F |
N 915062009000 |
SLEEVE |
|
|
LINE CONNECTIONS |
| 427 |
A 0049971772 |
FITTING |
|
Repalced by: A 0029906171
|
| 427 |
A 0029906171 |
FITTING |
|
|
(PARTS KIT),LINE RUPTURE |
| 430 |
N 915052009009 |
BANJO UNION |
|
|
HOSE WIDTH, / I.D., |
|
|
9/16 MM |
| 433 |
A 0004324801 |
RESERVOIR |
|
Repalced by: A 0014327501
|
| 433 |
A 0014327501 |
RESERVOIR |
|
Repalced by: A 0034321201
|
| 433 |
A 0034321201 |
RESERVOIR |
|
|
COMPRESSED AIR |
| 436 |
A 3964320016 |
SUPPORT |
|
|
BRACKET TO CROSS MEMBER |
| 439 |
N 000933008147 |
SCREW |
|
|
SUPPORT TO CROSS MEMBER |
| 442 |
N 913004008004 |
NUT |
|
|
SUPPORT TO CROSS MEMBER |
| 445 |
A 3874320540 |
BRACKET |
|
|
PNEUMATIC SUSPENSION AIR-RESERVOIR |
| 448 |
N 000933008147 |
SCREW |
|
|
BRACKET TO SUPPORT |
| 451 |
N 913004008004 |
NUT |
|
|
BRACKET TO SUPPORT |
| 454 |
A 3874300640 |
STRAP |
|
|
AIR RESERVOIR |
| 457 |
N 913004010008 |
NUT |
|
|
STRAP TO BRACKET |
| 458 |
A 0004312031 |
TEST CONNECTION |
|
|
AIR RESERVOIR |
| 458 |
A 0004314531 |
TEST CONNECTION |
|
|
AIR RESERVOIR |
| 458 |
A 0004314831 |
TEST CONNECTION |
|
|
AIR RESERVOIR |
| 458 |
A 0004316131 |
TEST CONNECTION |
|
|
AIR RESERVOIR |
| 459 |
A 0014296544 |
VALVE |
|
Repalced by: A 0044293144
|
| 459 |
A 0024290044 |
VALVE |
|
Repalced by: A 0044293144
|
| 459 |
A 0044293144 |
VALVE |
|
|
(OVERFLOW VALVE) |
|
|
WABCO |
| 459 |
A 0024297044 |
VALVE |
|
Repalced by: A 0044293244
|
| 459 |
A 0044293244 |
VALVE |
|
|
(OVERFLOW VALVE) |
|
|
GRAU |
|
A 0004290645 |
DIAPHRAGM |
|
Repalced by: A 0004290745
|
|
A 0004290745 |
DIAPHRAGM |
|
|
TO 004 429 32 44 |
| 459A |
A 0004293838 |
ELBOW FITTING |
|
Repalced by: A 0004294638
|
| 459A |
A 0004294638 |
ELBOW FITTING |
|
|
FROM AIR RESERVOIR TO PRESSURE RELIEF VALVE |
| 459B |
N 074305022202 |
NUT |
|
|
FROM AIR RESERVOIR TO PRESSURE RELIEF VALVE |
| 459C |
A 0004290227 |
THRUST RING |
|
|
FROM AIR RESERVOIR TO PRESSURE RELIEF VALVE |
| 459D |
A 0009870446 |
SEALING CORD |
|
|
FROM AIR RESERVOIR TO PRESSURE RELIEF VALVE |
| 463 |
A 0009905168 |
FITTING |
|
|
VALVE;CONNECTION |
|
|
"24,10" |
| 466 |
N 915047008202 |
HOLLOW SCREW |
|
|
AIR RESERVOIR,CONNECTION: |
|
|
"24" |
| 469 |
N 915036012203 |
HOLLOW SCREW |
|
|
VALVE;CONNECTION |
|
|
"10" |
| 472 |
N 915035000002 |
SEAL RING |
|
|
AIR RESERVOIR,CONNECTION: |
|
|
"24" |
| 472 |
N 915035000002 |
SEAL RING |
|
|
VALVE;CONNECTION |
|
|
"10" |
| 478 |
N 007603016401 |
SEAL RING |
|
|
VALVE;CONNECTION |
|
|
"24,10" |
| 481 |
A 0004321107 |
VALVE |
|
|
DRAIN |
| 481 |
A 0004322107 |
VALVE |
|
|
DRAIN |
| 481 |
A 0004322407 |
VALVE |
|
|
DRAIN |
| 481 |
A 0004322407 |
VALVE |
|
|
AIR RESERVOIR |
| 484 |
N 007603022102 |
SEAL RING |
|
|
DRAIN VALVE TO AIR RESERVOIR |
|
X XXXXXXXXXXXX |
PART NAME MISSING |
|
|
FRONT AXLE |
| 487 |
A 0003283430 |
VALVE |
|
|
FRONT AXLE LEVEL ADJUSTMENT |
| 490 |
A 0003281925 |
VALVE |
|
|
INTAKE |
| 493 |
A 0003282025 |
VALVE |
|
Repalced by: A 0003282125
|
| 493 |
A 0003282125 |
VALVE |
|
|
EXHAUST |
|
A 0003280014 |
SHAFT |
|
|
87 MM |
| 496 |
A 0003200027 |
LEVER |
|
Repalced by: A 0003200127
|
| 496 |
A 0003200127 |
LEVER |
|
|
(PARTS KIT) |
| 499 |
A 0003200467 |
REPAIR KIT |
|
Repalced by: A 0003200258
|
| 499 |
A 0003200258 |
REPAIR KIT |
|
|
FRONT AXLE LEVEL ADJUSTMENT VALVE |
| 500 |
A 3969900070 |
T-FITTING |
|
|
FRONT AXLE LEVEL ADJUSTMENT VALVE |
| 502 |
N 915036008202 |
HOLLOW SCREW |
|
|
FRONT AXLE LEVEL ADJUSTMENT VALVE |
| 505 |
N 007603012405 |
SEAL RING |
|
|
FRONT AXLE LEVEL ADJUSTMENT VALVE |
| 508 |
A 0024293344 |
VALVE |
|
|
CHECK VALVE |
| 511 |
A 0000750032 |
FILTER |
|
|
LEVEL ADJUSTMENT VALVE |
| 514 |
A 3963280940 |
BRACKET |
|
|
LEVEL ADJUSTMENT VALVE |
| 517 |
N 000933008153 |
SCREW |
|
|
BRACKET TO CROSS MEMBER |
|
|
M 8X25 |
| 520 |
N 000931008254 |
SCREW |
|
|
LEVEL ADJUSTMENT VALVE TO BRACKET |
|
|
M 8X65 |
| 523 |
N 913004008004 |
NUT |
|
|
BRACKET TO CROSS MEMBER |
| 523 |
N 913004008004 |
NUT |
|
|
LEVEL ADJUSTMENT VALVE TO BRACKET |
| 526 |
N 900331008426 |
PULL ROD |
|
|
FROM LEVEL ADJUSTMENT VALVE TO FRONT AXLE |
| 529 |
A 0004310767 |
YOKE |
|
|
L.H. THREAD |
| 532 |
A 0004310667 |
YOKE |
|
|
R.H. THREAD |
| 535 |
N 000439008211 |
NUT |
|
|
R.H. THREAD |
| 538 |
N 000439008203 |
NUT |
|
|
L.H. THREAD |
| 541 |
N 913004008004 |
NUT |
|
|
PULL ROD TO BRACKET |
| 544 |
A 3013270040 |
BRACKET |
|
|
OPERATING ROD |
|
A 3963270040 |
BRACKET |
|
|
LEFT OPERATING ROD |
|
A 3963270140 |
BRACKET |
|
|
RIGHT OPERATING ROD |
| 547 |
N 000931012149 |
SCREW |
|
|
BRACKET TO FRONT AXLE |
| 550 |
N 913004012004 |
NUT |
|
|
BRACKET TO FRONT AXLE |
| 553 |
A 3963270041 |
SUPPORT |
|
|
THRUST ARM,LEFT |
| 553 |
A 3963270141 |
SUPPORT |
|
|
THRUST ARM,RIGHT |
| 556 |
N 000609016015 |
FITTED SCREW |
|
|
CROSS MEMBER AND SUPPORT TO SIDE MEMBERS |
|
|
M 16X60 |
| 556 |
N 000609016016 |
FITTED SCREW |
|
|
SUPPORT TO FRAME |
|
|
M 16X70 |
| 556 |
N 000609016017 |
FITTED SCREW |
|
|
CROSS MEMBER AND SUPPORT TO SIDE MEMBERS |
|
|
M 16X85 |
| 556 |
N 000609016018 |
FITTED SCREW |
|
|
CROSS MEMBER AND SUPPORT TO SIDE MEMBERS |
|
|
M 16X95 |
| 559 |
N 913004016005 |
NUT |
|
|
CROSS MEMBER AND SUPPORT TO SIDE MEMBERS |
| 562 |
A 3963280341 |
SUPPORT |
|
|
(CROSS MEMBER) |
| 565 |
A 3963280084 |
SHIM |
|
|
SUPPORT TO CROSS MEMBER |
| 568 |
N 000961014100 |
SCREW |
|
|
CROSS MEMBER TO CROSS MEMBER |
|
|
M 14X30 |
| 571 |
N 000961014028 |
SCREW |
|
Repalced by: A 0029909604
|
| 571 |
A 0029909604 |
SCREW |
|
|
SUPPORT TO CROSS MEMBER |
|
|
M 14X40 |
| 574 |
N 913004014002 |
NUT |
|
|
SUPPORT TO CROSS MEMBER |
| 577 |
A 3963270441 |
SUPPORT |
|
|
THRUST ROD TO CROSS MEMBER |
| 580 |
N 000961014050 |
SCREW |
|
|
SUPPORT TO CROSS MEMBER |
| 583 |
A 3963200678 |
CONSOLE |
|
|
AIR-SPRING-BELLOWS SUPPORT |
|
A 3963270541 |
SUPPORT |
|
|
AIR-SPRING-BELLOWS SUPPORT |
| 586 |
N 000961014028 |
SCREW |
|
Repalced by: A 0029909604
|
| 586 |
A 0029909604 |
SCREW |
|
|
CONSOLE TO SIDE MEMBER |
|
|
M 14X40 |
| 586 |
N 000961014116 |
SCREW |
|
|
SUPPORT TO SIDE MEMBER |
|
|
M 14X50 |
| 586 |
N 000961014054 |
SCREW |
|
|
CONSOLE TO REINFORCEMENT ANGLE AND TO SIDE MEMBER |
|
|
M 14X45 |
| 586 |
N 000961014103 |
SCREW |
|
|
SUPPORT TO REINFORCEMENT ANGLE AND TO SIDE MEMBER |
|
|
M 14X55 |
| 589 |
N 000960014126 |
SCREW |
|
|
SUPPORT TO SUPPORT |
|
|
M 14X60 |
| 592 |
N 913004014002 |
NUT |
|
|
CONSOLE TO REINFORCEMENT ANGLE AND TO SIDE MEMBER |
| 592 |
N 913004014005 |
NUT |
|
|
CONSOLE TO REINFORCEMENT ANGLE AND TO SIDE MEMBER |
|
A 6584310140 |
BRACKET |
|
N 000961010040 |
SCREW |
|
|
BRACKET TO BEARING BRACKET |
| 595 |
A 3963200034 |
SUPPORT |
|
Repalced by: A 3963280841
|
| 595 |
A 3963280841 |
SUPPORT |
|
|
AIR SPRING BELLOWS |
| 598 |
N 000961012151 |
SCREW |
|
|
AIR SPRING BELLOWS SUPPORT TO CONSOLE |
| 601 |
N 000961014027 |
SCREW |
|
|
AIR SPRING BELLOWS SUPPORT TO CONSOLE |
| 601 |
N 000961014116 |
SCREW |
|
|
AIR SPRING BELLOWS SUPPORT TO SUPPORT |
| 602 |
N 000125013008 |
WASHER |
|
|
AIR SPRING BELLOWS SUPPORT TO CONSOLE |
| 603 |
N 000125015013 |
WASHER |
|
|
AIR SPRING BELLOWS SUPPORT TO CONSOLE |
| 603 |
A 3609901840 |
WASHER |
|
|
AIR SPRING BELLOWS SUPPORT TO SUPPORT |
| 604 |
N 913004012008 |
NUT |
|
|
AIR SPRING BELLOWS SUPPORT TO CONSOLE |
| 607 |
N 913004014002 |
NUT |
|
|
AIR SPRING BELLOWS SUPPORT TO CONSOLE |
| 607 |
N 913004014005 |
NUT |
|
|
AIR SPRING BELLOWS SUPPORT TO SUPPORT |
| 608 |
N 915039010202 |
HOLLOW SCREW FITTING |
|
|
LEFT AIR SPRING BELLOWS,CONNECTION: |
|
|
20 |
| 608E |
N 007603014405 |
SEAL RING |
|
|
LEFT AIR SPRING BELLOWS,CONNECTION: |
|
|
20 |
| 609 |
A 0004312031 |
TEST CONNECTION |
|
|
LEFT AIR SPRING BELLOWS,CONNECTION: |
|
|
20 |
| 609 |
A 0004314531 |
TEST CONNECTION |
|
|
LEFT AIR SPRING BELLOWS,CONNECTION: |
|
|
20 |
| 609 |
A 0004314831 |
TEST CONNECTION |
|
|
LEFT AIR SPRING BELLOWS,CONNECTION: |
|
|
20 |
| 609 |
A 0004316131 |
TEST CONNECTION |
|
|
LEFT AIR SPRING BELLOWS,CONNECTION: |
|
|
20 |
| 610 |
N 915036010204 |
HOLLOW SCREW |
|
|
RIGHT AIR SPRING BELLOWS,CONNECTION: |
|
|
20 |
| 613 |
N 007603014405 |
SEAL RING |
|
|
RIGHT AIR SPRING BELLOWS,CONNECTION: |
|
|
20 |
| 618 |
A 3963280240 |
BRACKET |
|
|
REINFORCEMENT |
| 619 |
A 3963280185 |
REINFORCEMENT |
|
|
BRACKET TO SUPPORT |
| 622 |
A 3963280184 |
SHIM |
|
|
REINFORCEMENT TO SUPPORT |
| 625 |
N 000961012151 |
SCREW |
|
|
BRACKET TO AIR SPRING BELLOWS SUPPORT |
| 628 |
N 000961014100 |
SCREW |
|
|
BRACKET TO AIR SPRING BELLOWS SUPPORT |
|
|
M 14X30 |
| 628 |
N 000961014050 |
SCREW |
|
|
BRACKET AND REINFORCEMENT TO AIR-SPRING-BELLOWS SUPPORT |
|
|
M 14X35 |
| 631 |
N 000960016112 |
SCREW |
|
|
REINFORCEMENT AND SHIM TO SUPPORT |
| 634 |
N 913004012008 |
NUT |
|
|
BRACKET TO AIR SPRING BELLOWS SUPPORT |
| 637 |
N 913004014002 |
NUT |
|
|
BRACKET AND REINFORCEMENT TO AIR-SPRING-BELLOWS SUPPORT |
| 640 |
N 913004016004 |
NUT |
|
|
REINFORCEMENT AND SHIM TO SUPPORT |
| 641 |
A 3963200335 |
PLATE |
|
|
FRONT AXLE PNEUMATIC SUSPENSION |
| 642 |
N 913004022003 |
NUT |
|
|
TOP PLATE TO FRONT AXLE CROSS MEMBER |
| 643 |
A 3073270001 |
AIR SPRING BELLOWS |
|
Repalced by: A 0003270101
|
| 643 |
A 0003270101 |
AIR SPRING BELLOWS |
|
|
FRONT AXLE PNEUMATIC SUSPENSION |
| 643 |
A 3073270101 |
AIR SPRING BELLOWS |
|
Repalced by: A 0003270201
|
| 643 |
A 0003270201 |
AIR SPRING BELLOWS |
|
|
FRONT AXLE PNEUMATIC SUSPENSION |
| 646 |
A 3053240308 |
HELPER SPRING |
| 649 |
A 3073200175 |
SPRING BRACKET |
|
Repalced by: A 3573200134
|
| 649 |
A 3573200134 |
SUPPORT |
|
|
BOTTOM |
| 652 |
A 3073200943 |
BRACKET |
|
Repalced by: A 3073200843
|
| 652 |
A 3073200843 |
BRACKET |
|
|
AIR SPRING BELLOWS TO FRONT AXLE |
| 655 |
N 001472010004 |
GROOVED PIN |
| 658 |
N 000961020035 |
SCREW |
|
|
BRACKET TO SPRING BRACKET |
| 661 |
N 912004020100 |
LOCK WASHER |
|
|
BRACKET TO SPRING BRACKET |
| 664 |
A 3003200070 |
REAR SUBFRAME |
|
Repalced by: A 3963200534
|
| 664 |
A 3963200534 |
SUPPORT |
|
Repalced by: A 3963230035
|
| 664 |
A 3963230035 |
SUPPORT |
|
|
AIR SPRING BELLOWS,SHOCK ABSORBER |
| 667 |
N 000939014023 |
STUD BOLT |
| 670 |
N 913004014005 |
NUT |
|
|
SPRING BRACKET TO FRONT AXLE BEAM |
| 673 |
A 3573300113 |
BEARING BRACKET |
|
|
THRUST ARM |
| 676 |
A 3963202178 |
CONSOLE |
|
|
THRUST ARM |
| 679 |
N 000960018142 |
SCREW |
|
|
BEARING BODY TO FRONT AXLE |
| 682 |
N 913004018004 |
NUT |
|
|
BEARING BODY TO FRONT AXLE |
| 685 |
A 3963300011 |
THRUST ARM |
| 686 |
A 0003300075 |
REPAIR KIT |
|
|
THRUST ARM |
| 688 |
N 000960016254 |
SCREW |
|
|
THRUST ARM TO BEARING BODY |
|
|
M 16X80 |
| 691 |
N 000960016256 |
SCREW |
|
|
THRUST ARM TO SUPPORT |
|
|
M 16X195 |
| 694 |
N 000960016277 |
SCREW |
|
|
THRUST ARM TO SUPPORT |
|
|
M 16X110 |
| 697 |
N 913004016005 |
NUT |
|
|
THRUST ARM TO SUPPORT |
| 698 |
A 3579900040 |
WASHER |
|
|
AS REQUIRED |
|
|
1.00 MM |
| 698 |
A 3579900140 |
WASHER |
|
|
AS REQUIRED |
|
|
2.50 MM |
| 698 |
A 3579900340 |
WASHER |
|
|
AS REQUIRED |
|
|
4.00 MM |
| 700 |
A 3963270341 |
SUPPORT |
|
|
TRANSVERSE CONTROL ARM |
| 703 |
N 000960016249 |
SCREW |
|
|
SUPPORT TO FRAME |
| 706 |
N 913004016005 |
NUT |
|
|
SUPPORT TO FRAME |
| 709 |
A 3963300007 |
TRANSVERSE CONTROL ARM |
|
Repalced by: A 3963300107
|
| 709 |
A 3963300107 |
TRANSVERSE CONTROL ARM |
| 712 |
N 000960016209 |
SCREW |
|
|
CONTROL ARM TO SUPPORT |
| 715 |
N 913004016005 |
NUT |
|
|
CONTROL ARM TO SUPPORT |
| 718 |
A 3963200411 |
TORSION BAR |
|
|
FRONT AXLE |
| 721 |
A 3963260081 |
RUBBER MOUNTING |
|
|
TORSION BAR TO FRONT AXLE |
| 724 |
N 000960014143 |
SCREW |
|
|
TORSION BAR TO FRONT AXLE |
| 727 |
N 913004014005 |
NUT |
|
|
TORSION BAR TO FRONT AXLE |
| 728 |
A 3963201978 |
CONSOLE |
|
|
TORSION BAR,LEFT |
| 728 |
A 3963202078 |
CONSOLE |
|
|
TORSION BAR,RIGHT |
| 730 |
A 3963233563 |
BEARING BRACKET |
|
|
TORSION BAR,FRONT |
| 733 |
A 3963230150 |
BUSHING |
|
|
LINK TO CONSOLE |
| 736 |
A 3963230116 |
LINK |
|
|
TORSION BAR,FRONT |
| 739 |
N 000960014237 |
SCREW |
|
|
BEARING BRACKET TO SIDE MEMBER |
| 742 |
N 913004014005 |
NUT |
|
|
BEARING BRACKET TO SIDE MEMBER |
| 745 |
A 3963230050 |
BUSHING |
|
|
TORSION BAR TO LINK |
| 748 |
A 3963230002 |
COVER |
|
|
TORSION BAR TO LINK |
| 751 |
N 000960016269 |
SCREW |
|
|
COVER TO LINK |
| 754 |
N 913004016005 |
NUT |
|
|
COVER TO LINK |
| 757 |
A 3073230200 |
SHOCK ABSORBER |
|
|
(PARTS KIT) |
| 757 |
A 3963200030 |
SHOCK ABSORBER |
|
|
(PARTS KIT) |
| 760 |
A 3179911040 |
SPACER TUBE |
|
|
SHOCK ABSORBER TO SPRING SUPPORT AND TO SUBSTRUCTURE |
| 760 |
A 3969910040 |
SPACER TUBE |
|
|
SHOCK ABSORBER TO SPRING SUPPORT AND TO SUBSTRUCTURE |
| 763 |
A 3073230044 |
RUBBER BUFFER |
|
|
SHOCK ABSORBER TO SPRING SUPPORT AND TO SUBSTRUCTURE |
| 766 |
A 3173230667 |
RETAINER |
|
|
SHOCK ABSORBER TO SPRING SUPPORT AND TO SUBSTRUCTURE |
| 769 |
N 913001014002 |
NUT |
|
|
SHOCK ABSORBER TO SPRING SUPPORT AND TO SUBSTRUCTURE |
| 769 |
N 913004014002 |
NUT |
|
|
SHOCK ABSORBER TO SPRING SUPPORT AND TO SUBSTRUCTURE |
|
X XXXXXXXXXXXX |
PART NAME MISSING |
|
|
REAR AXLE |
| 772 |
A 0003282030 |
VALVE |
|
|
REAR AXLE LEVEL ADJUSTMENT,LEFT |
| 772 |
A 0003282130 |
VALVE |
|
|
REAR AXLE LEVEL ADJUSTMENT,RIGHT |
| 775 |
A 0003281925 |
VALVE |
|
|
INTAKE |
| 778 |
A 0003282025 |
VALVE |
|
Repalced by: A 0003282125
|
| 778 |
A 0003282125 |
VALVE |
|
|
EXHAUST |
|
A 0003280014 |
SHAFT |
|
|
87 MM |
| 781 |
A 0003200027 |
LEVER |
|
Repalced by: A 0003200127
|
| 781 |
A 0003200127 |
LEVER |
|
|
(PARTS KIT) |
| 784 |
A 0003200467 |
REPAIR KIT |
|
Repalced by: A 0003200258
|
| 784 |
A 0003200258 |
REPAIR KIT |
|
|
LEVEL ADJUSTMENT VALVE |
| 786 |
A 0019902570 |
T-FITTING |
|
|
FRONT LEVEL ADJUSTMENT VALVE,REAR AXLE |
| 788 |
A 0004290827 |
THRUST RING |
|
|
FRONT LEVEL ADJUSTMENT VALVE,REAR AXLE |
| 790 |
A 0019875046 |
SEALING CORD |
|
|
FRONT LEVEL ADJUSTMENT VALVE,REAR AXLE |
| 792 |
N 080705012003 |
NUT |
|
|
FRONT LEVEL ADJUSTMENT VALVE,REAR AXLE |
| 794 |
A 0004312031 |
TEST CONNECTION |
|
|
FRONT LEVEL ADJUSTMENT VALVE,REAR AXLE |
| 794 |
A 0004314531 |
TEST CONNECTION |
|
|
FRONT LEVEL ADJUSTMENT VALVE,REAR AXLE |
| 794 |
A 0004314831 |
TEST CONNECTION |
|
|
FRONT LEVEL ADJUSTMENT VALVE,REAR AXLE |
| 794 |
A 0004316131 |
TEST CONNECTION |
|
|
FRONT LEVEL ADJUSTMENT VALVE,REAR AXLE |
| 796 |
N 000908012003 |
SCREW PLUG |
|
|
REAR LEVEL ADJUSTMENT VALVE,REAR AXLE |
| 797 |
N 007603012405 |
SEAL RING |
|
|
REAR AXLE LEVEL ADJUSTMENT VALVE |
| 798 |
A 0024293344 |
VALVE |
|
|
CHECK VALVE |
| 799 |
A 0000750032 |
FILTER |
|
|
LEVEL ADJUSTMENT VALVE BREATHING |
| 800 |
N 000931008309 |
SCREW |
|
|
LEVEL ADJUSTMENT VALVE TO SUBSTRUCTURE |
| 802 |
N 913004008004 |
NUT |
|
|
LEVEL ADJUSTMENT VALVE TO SUBSTRUCTURE |
| 805 |
N 900331008428 |
PULL ROD |
|
|
REAR AXLE LEVEL ADJUSTMENT VALVE |
| 808 |
A 0004310767 |
YOKE |
|
|
L.H. THREAD |
| 811 |
A 0004310667 |
YOKE |
|
|
R.H. THREAD |
| 814 |
N 000439008211 |
NUT |
|
|
R.H. THREAD |
| 817 |
N 000439008203 |
NUT |
|
|
L.H. THREAD |
| 820 |
N 913004008004 |
NUT |
|
|
PULL ROD TO AXLE |
|
X XXXXXXXXXXXX |
PART NAME MISSING |
|
|
REAR AXLE,FRONT |
| 823 |
A 3963200778 |
CONSOLE |
|
Repalced by: A 3963500232
|
| 823 |
A 3963500232 |
SUPPORT |
|
|
AIR SPRING BELLOWS,FRONT LEFT |
| 823 |
A 3963200878 |
CONSOLE |
|
Repalced by: A 3963500332
|
| 823 |
A 3963500332 |
SUPPORT |
|
|
AIR SPRING BELLOWS,FRONT RIGHT |
| 826 |
N 000609016015 |
FITTED SCREW |
|
|
CROSS MEMBER AND CONSOLE TO FRAME |
|
|
M 16X60 |
| 826 |
N 000609016022 |
FITTED SCREW |
|
|
CROSS MEMBER AND CONSOLE TO FRAME |
|
|
M 16X55 |
| 826 |
N 000609016022 |
FITTED SCREW |
|
|
CROSS MEMBER AND CONSOLE TO FRAME |
|
|
M 16X55 |
| 826 |
N 000609016019 |
FITTED SCREW |
|
|
CROSS MEMBER AND CONSOLE TO FRAME |
|
|
M 16X135 |
| 826 |
N 000609016019 |
FITTED SCREW |
|
|
CROSS MEMBER AND CONSOLE TO FRAME |
|
|
M 16X135 |
| 826 |
N 000609016026 |
FITTED SCREW |
|
|
CROSS MEMBER AND CONSOLE TO FRAME |
|
|
M 16X120 |
| 829 |
N 000961012212 |
SCREW |
|
|
CROSS MEMBER AND CONSOLE TO FRAME |
|
|
M 12X75 |
| 832 |
N 913004016005 |
NUT |
|
|
CROSS MEMBER AND CONSOLE TO FRAME |
| 835 |
N 913004012009 |
NUT |
|
|
CROSS MEMBER AND CONSOLE TO FRAME |
|
X XXXXXXXXXXXX |
PART NAME MISSING |
|
|
REAR AXLE,REAR |
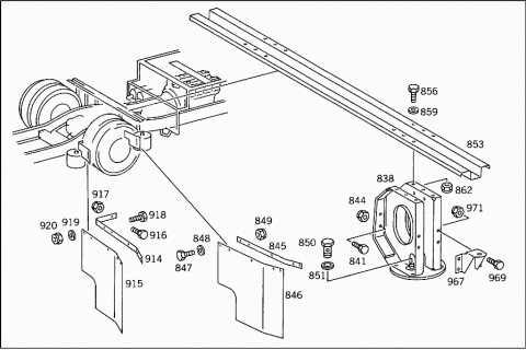
| 838 |
A 3963200978 |
CONSOLE |
|
|
AIR SPRING BELLOWS,REAR LEFT |
| 838 |
A 3963201078 |
CONSOLE |
|
|
AIR SPRING BELLOWS,REAR RIGHT |
| 841 |
N 000961014063 |
SCREW |
|
|
GUSSET PLATES AND CROSS MEMBER TO SIDE MEMBERS |
|
|
M 14X40 |
| 841 |
N 000961014101 |
SCREW |
|
|
CONSOLE AND CROSS MEMBER TO SIDE MEMBER |
|
|
M 14X45 |
| 844 |
N 913004014005 |
NUT |
|
|
CONSOLE AND CROSS MEMBER TO SIDE MEMBER |
|
A 3963281340 |
BRACKET |
|
|
SPLASH GUARD TO AIR-SPRING-BELLOWS CONSOLE |
|
A 3968820004 |
SPLASH GUARD |
|
|
AIR SPRING BELLOWS SUPPORT |
|
N 000933006127 |
SCREW |
|
|
BRACKET TO CONSOLE |
|
|
M 6X25 |
|
N 000933006121 |
SCREW |
|
|
BRACKET TO CONSOLE |
|
|
M 6X20 |
|
N 000125006421 |
WASHER |
|
|
BRACKET TO CONSOLE |
|
N 913004006002 |
NUT |
|
Repalced by: N 913004006001
|
|
N 913004006001 |
NUT |
|
|
BRACKET TO CONSOLE |
| 847 |
N 915036010204 |
HOLLOW SCREW |
|
|
AIR SPRING BELLOWS,CONNECTION: |
|
|
"20" |
| 850 |
N 007603014405 |
SEAL RING |
|
|
AIR SPRING BELLOWS,CONNECTION: |
|
|
"20" |
| 853 |
A 3963280541 |
SUPPORT |
|
|
REAR AXLE,REAR |
| 856 |
N 308676012012 |
SCREW |
|
|
SUPPORT TO CONSOLE |
| 859 |
N 000125013008 |
WASHER |
|
|
SUPPORT TO CONSOLE |
| 862 |
N 913004012008 |
NUT |
|
|
SUPPORT TO CONSOLE |
| 863 |
A 3963200335 |
PLATE |
|
|
REAR AXLE PNEUMATIC SUSPENSION |
| 864 |
N 913004022003 |
NUT |
|
|
PLATE TO CONSOLE |
| 865 |
A 3073270001 |
AIR SPRING BELLOWS |
|
Repalced by: A 0003270101
|
| 865 |
A 0003270101 |
AIR SPRING BELLOWS |
|
|
REAR AXLE PNEUMATIC SUSPENSION |
| 865 |
A 3073270101 |
AIR SPRING BELLOWS |
|
Repalced by: A 0003270201
|
| 865 |
A 0003270201 |
AIR SPRING BELLOWS |
|
|
REAR AXLE PNEUMATIC SUSPENSION |
| 868 |
A 3053240108 |
HELPER SPRING |
|
|
REAR AXLE |
| 871 |
A 3073200175 |
SPRING BRACKET |
|
Repalced by: A 3573200134
|
| 871 |
A 3573200134 |
SUPPORT |
|
|
BOTTOM |
| 874 |
A 3573201075 |
SPRING BRACKET |
|
Repalced by: A 3573201775
|
| 874 |
A 3573201775 |
SPRING BRACKET |
|
Repalced by: A 3573201875
|
| 874 |
A 3573201875 |
SPRING BRACKET |
|
|
AIR SPRING BELLOWS AND REAR AXLE SHOCK ABSORBER |
| 877 |
A 3573510025 |
U-BOLT |
|
|
SPRING BRACKET TO REAR AXLE |
| 880 |
A 3573250176 |
WASHER |
|
Repalced by: A 3573250376
|
| 880 |
A 3573250376 |
WASHER |
|
|
SPRING BRACKET TO REAR AXLE |
| 883 |
N 913004024004 |
NUT |
|
|
SPRING BRACKET TO REAR AXLE |
| 886 |
A 3963200234 |
SUPPORT |
|
|
REAR AXLE,FRONT |
| 889 |
A 3963520041 |
BEARING BODY |
|
|
TRIANGULAR CONTROL ARM,LEFT TORSION BAR |
| 889 |
A 3963520141 |
BEARING BODY |
|
|
TRIANGULAR CONTROL ARM,RIGHT TORSION BAR |
| 890 |
A 3963280441 |
SUPPORT |
|
Repalced by: A 3963280741
|
| 890 |
A 3963280741 |
SUPPORT |
| 892 |
A 3963280284 |
SHIM |
|
|
BEARING BODY TO CONSOLE |
| 895 |
N 000960012225 |
SCREW |
|
|
SUPPORT AND BEARING BODY TO CONSOLE |
| 898 |
N 000960014194 |
SCREW |
|
|
SUPPORT AND BEARING BODY TO CONSOLE |
|
|
M 14X60 |
| 901 |
N 000960014249 |
SCREW |
|
|
BEARING BODY TO SUPPORT |
|
|
M 14X55 |
| 904 |
N 000125013008 |
WASHER |
|
|
SUPPORT AND BEARING BODY TO CONSOLE |
| 907 |
N 000125015013 |
WASHER |
|
|
BEARING BODY TO SUPPORT |
| 910 |
N 913004012008 |
NUT |
|
|
SUPPORT AND BEARING BODY TO CONSOLE |
| 913 |
N 913004014002 |
NUT |
|
|
SUPPORT AND BEARING BODY TO CONSOLE |
| 913 |
N 913004014002 |
NUT |
|
|
BEARING BODY TO SUPPORT |
|
A 3963281740 |
BRACKET |
|
|
SPLASH GUARD TO AIR-SPRING-BELLOWS SUPPORT |
|
A 3968820004 |
SPLASH GUARD |
|
|
AIR SPRING BELLOWS SUPPORT |
|
N 000961014050 |
SCREW |
|
|
BRACKET TO SIDE MEMBER |
|
N 913004014002 |
NUT |
|
|
BRACKET TO SIDE MEMBER |
|
N 000933006121 |
SCREW |
|
|
BRACKET TO SIDE MEMBER |
|
|
M 6X20 |
|
N 000933006127 |
SCREW |
|
|
BRACKET TO SIDE MEMBER |
|
|
M 6X25 |
|
N 000125006421 |
WASHER |
|
|
BRACKET TO SIDE MEMBER |
|
N 913004006002 |
NUT |
|
Repalced by: N 913004006001
|
|
N 913004006001 |
NUT |
|
|
BRACKET TO SIDE MEMBER |
| 915 |
A 3963520241 |
BEARING BODY |
|
|
UPPER CONTROL ARM |
| 917 |
A 3173510350 |
BUSHING |
|
|
BEARING BODY TO REAR AXLE |
| 919 |
A 3179900019 |
SCREW |
|
|
BEARING BODY TO REAR AXLE |
| 921 |
A 3963500005 |
CONTROL ARM |
|
|
WISHBONE CONTROL ARM |
|
A 0003500513 |
REPAIR KIT |
|
|
CENTRAL JOINT |
|
A 0003500613 |
REPAIR KIT |
|
|
WITH SPHERICAL PIECE |
| 923 |
N 000961020022 |
SCREW |
|
|
CONTROL ARM TO BEARING BODY |
| 925 |
N 000137020202 |
SPRING WASHER |
|
|
CONTROL ARM TO BEARING BODY |
| 927 |
A 3963500006 |
CONTROL ARM |
|
|
REAR AXLE,BOTTOM |
|
A 0003500413 |
REPAIR KIT |
|
|
CONTROL ARM |
| 929 |
A 3173331164 |
RUBBER RING |
|
|
CONTROL ARM TO SUPPORT |
| 931 |
A 3173330162 |
THRUST WASHER |
|
|
CONTROL ARM TO SUPPORT |
| 933 |
A 3079900014 |
SCREW |
|
|
CONTROL ARM TO SUPPORT |
| 935 |
N 912004012100 |
LOCK WASHER |
|
|
CONTROL ARM TO SUPPORT |
| 937 |
N 000960020092 |
SCREW |
|
|
CONTROL ARM TO BEARING BRACKET |
| 938 |
A 3933280152 |
SPACER WASHER |
|
|
AS REQUIRED |
|
|
0.50 MM |
| 938 |
A 3933280352 |
SPACER WASHER |
|
|
AS REQUIRED |
|
|
2.00 MM |
| 939 |
N 913004020003 |
NUT |
|
|
CONTROL ARM TO BEARING BRACKET |
| 941 |
A 3963200611 |
TORSION BAR |
|
|
REAR AXLE |
| 943 |
A 3963260069 |
LEVER |
|
|
REAR AXLE TORSION BAR |
| 945 |
A 3963260050 |
BUSHING |
|
|
LEVER TO TORSION BAR |
| 946 |
N 900055037200 |
LOCK RING |
|
|
LEVER TO TORSION BAR |
| 947 |
A 3963230002 |
COVER |
|
|
TORSION BAR TO BEARING BODY |
| 949 |
A 3963230050 |
BUSHING |
|
|
TORSION BAR TO BEARING BODY |
| 951 |
N 000960016269 |
SCREW |
|
|
TORSION BAR TO BEARING BODY |
| 953 |
N 913004016005 |
NUT |
|
|
TORSION BAR TO BEARING BODY |
| 955 |
N 000960018087 |
SCREW |
|
|
TORSION BAR TO REAR AXLE |
| 957 |
A 3213230167 |
RETAINER |
|
|
TOP |
| 959 |
A 3203230044 |
RUBBER BUFFER |
|
|
TORSION BAR TO REAR AXLE |
| 961 |
A 3219910340 |
SPACER TUBE |
| 963 |
A 3213230267 |
RETAINER |
|
|
BOTTOM |
| 965 |
N 913004018003 |
NUT |
|
Repalced by: N 910113018004
|
| 965 |
N 910113018004 |
NUT |
|
|
TORSION BAR TO REAR AXLE |
| 967 |
A 3963280540 |
BRACKET |
|
|
SHOCK ABSORBER |
| 969 |
N 308676012012 |
SCREW |
|
|
SHOCK ABSORBER BRACKET TO CONSOLE |
| 971 |
N 913004012008 |
NUT |
|
|
SHOCK ABSORBER BRACKET TO CONSOLE |
| 973 |
A 3073260100 |
SHOCK ABSORBER |
|
Repalced by: A 3573200131
|
| 973 |
A 3573200131 |
SHOCK ABSORBER |
|
|
(PARTS KIT) |
| 974 |
A 0003260062 |
THRUST WASHER |
|
Repalced by: A 3173230667
|
| 974 |
A 3173230667 |
RETAINER |
|
|
SHOCK ABSORBER |
| 975 |
A 3179911040 |
SPACER TUBE |
|
|
SHOCK ABSORBER TO SPRING SUPPORT AND TO SUBSTRUCTURE |
| 977 |
A 3073230044 |
RUBBER BUFFER |
|
|
SHOCK ABSORBER TO SPRING SUPPORT AND TO SUBSTRUCTURE |
| 979 |
A 3173230667 |
RETAINER |
|
|
SHOCK ABSORBER TO SPRING SUPPORT AND TO SUBSTRUCTURE |
| 981 |
N 913001014003 |
NUT |
|
|
SHOCK ABSORBER TO SPRING SUPPORT AND TO SUBSTRUCTURE |