| # | Kodas | Pavadinimas |
|---|---|---|
| 005 | A 3974007002 | DISC WHEEL |
| 005 | A 3974008102 | DISC WHEEL |
| 008 | A 3604000325 | HUB CAP |
| 011 | A 3174020175 | SPHERICAL RING |
| DISC WHEEL TO FRONT AXLE | ||
| 014 | N 074361022205 | NUT |
| DISC WHEELS TO FRONT AND REAR AXLES | ||
| 017 | N 074361022351 | LOCK WASHER |
| DISC WHEELS TO FRONT AND REAR AXLES | ||
| 020 | A 3104010113 | VALVE |
| 020 | A 3214010013 | VALVE |
| 020 | A 3454017013 | VALVE |
| 023 | A 3824037640 | BRACKET |
| AT CROSS MEMBER | ||
| 026 | A 3824007239 | BRACKET |
| SPARE WHEEL CARRIER | ||
| 029 | N 000933008291 | SCREW |
| BRACKET TO CROSS MEMBER | ||
| 029 | N 000933008291 | SCREW |
| BRACKET TO SUPPORT | ||
| 032 | N 913004008001 | NUT |
| Repalced by: A 0009906350 | ||
| 032 | A 0009906350 | NUT |
| BRACKET TO CROSS MEMBER | ||
| 032 | A 0009906350 | NUT |
| BRACKET TO SUPPORT | ||
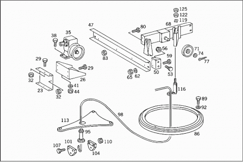
| 035 | A 6648903081 | FIXTURE |
| 035 | A 6648903181 | FIXTURE |
| 038 | N 000933008062 | SCREW |
| BRACKET TO SUPPORT | ||
| 041 | N 000125008417 | WASHER |
| BRACKET TO SUPPORT | ||
| 044 | N 913004008013 | NUT |
| BRACKET TO SUPPORT | ||
| 047 | A 3824037004 | CONNECTING RAIL |
| 050 | A 3824037940 | BRACKET |
| LEFT | ||
| 050 | A 3824038240 | BRACKET |
| RIGHT | ||
| 053 | N 000961014105 | SCREW |
| LEFT BRACKET TO FRAME SIDE MEMBER | ||
| 056 | N 913004014005 | NUT |
| LEFT BRACKET TO FRAME SIDE MEMBER | ||
| 059 | N 000933010254 | SCREW |
| RAIL TO BRACKET | ||
| 062 | N 000125010517 | WASHER |
| RAIL TO BRACKET | ||
| 065 | N 913004010011 | NUT |
| RAIL TO BRACKET | ||
| 068 | A 3824007242 | CONNECTING RAIL |
| Repalced by: A 3824007042 | ||
| 068 | A 3824007042 | CONNECTING RAIL |
| 071 | A 3258987040 | ROLLER |
| 074 | N 000125021008 | WASHER |
| CABLE PULLEY TO SUPPORT | ||
| 077 | N 000094005035 | COTTER PIN |
| CABLE PULLEY TO SUPPORT | ||
| 080 | N 000933010294 | SCREW |
| RAIL TO CONSOLE | ||
| 080 | N 000933010294 | SCREW |
| RAIL TO CROSS MEMBER | ||
| 083 | N 913004010011 | NUT |
| RAIL TO CONSOLE | ||
| 083 | N 913004010011 | NUT |
| RAIL TO CROSS MEMBER | ||
| 086 | A 3258907053 | BASE |
| 089 | N 000933010294 | SCREW |
| SHIM TO SUPPORT | ||
| 092 | N 000125010517 | WASHER |
| SHIM TO SUPPORT | ||
| 095 | A 3258907014 | BRACKET |
| 098 | A 3259887075 | WIRE CABLE |
| 101 | A 3258987011 | PLATE |
| WIRE CABLE TO BRACKET | ||
| 104 | A 3258987111 | PLATE |
| WIRE CABLE TO BRACKET | ||
| 107 | N 000931008377 | SCREW |
| WIRE CABLE TO BRACKET | ||
| 110 | N 913004008001 | NUT |
| Repalced by: A 0009906350 | ||
| 110 | A 0009906350 | NUT |
| WIRE CABLE TO BRACKET | ||
| 113 | A 3648900314 | BRACKET |
| 116 | A 3258987064 | HOOK |
| 119 | A 3258987211 | PLATE |
| HOOK TO BODY | ||
| 122 | A 3259900251 | NUT |
| HOOK TO BODY | ||
| 125 | A 3259900351 | NUT |
| HOOK TO BODY | ||