Pagrindinis meniu

Transporto priemonė: O 303; VIN numerio dalis: 301130
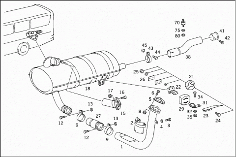
Grupė: 49 EXHAUST SYSTEM
59676
# Kodas Pavadinimas
001 A 3014900519 EXHAUST PIPE
FRONT LEFT
002 A 3014900530 PROTECTIVE PLATE
FRONT EXHAUST PIPE
003 N 000933008212 SCREW
Repalced by: N 304017008016
003 N 304017008016 SCREW
PROTECTIVE PLATE TO EXHAUST PIPE
004 N 912004008102 LOCK WASHER
PROTECTIVE PLATE TO EXHAUST PIPE
005 A 3024900080 FLANGE GASKET
Repalced by: A 4424920080
005 A 4424920080 FLANGE GASKET
EXHAUST PIPE TO EXHAUST MANIFOLD
006 N 000931012114 SCREW
EXHAUST PIPE TO EXHAUST MANIFOLD
008 N 999901012000 NUT
EXHAUST PIPE TO EXHAUST MANIFOLD
009 N 071555070501 CLAMP
BRACKET TO FRONT EXHAUST PIPE
009 N 071555070501 CLAMP
EXHAUST PIPE TO MUFFLER
012 N 000933010129 SCREW
Repalced by: N 304017010002
012 N 304017010002 SCREW
BRACKET TO FRONT EXHAUST PIPE
012 N 000933010129 SCREW
Repalced by: N 304017010002
012 N 304017010002 SCREW
EXHAUST PIPE TO MUFFLER
013 N 000934010014 NUT
BRACKET TO FRONT EXHAUST PIPE
013 N 000934010014 NUT
EXHAUST PIPE TO MUFFLER
015 A 3014900419 EXHAUST PIPE
FRONT RIGHT
016 N 000931012114 SCREW
EXHAUST PIPE TO EXHAUST MANIFOLD
017 N 999901012000 NUT
EXHAUST PIPE TO EXHAUST MANIFOLD
018 A 3014900601 EXHAUST MUFFLER
A 3014900430 PROTECTIVE PLATE
EXHAUST MUFFLER
N 000933010128 SCREW
EXHAUST MUFFLER
A 3014910118 PLATE
Repalced by: A 3015860049
A 3014910083 INSULATION
Repalced by: A 3015860049
A 3014910053 SPACER TUBE
Repalced by: A 3015860049
021 A 3015860049 REPAIR KIT
Repalced by: A 3014900037
021 A 3014900037 SUSPENSION
EXHAUST MUFFLER SUSPENSION
022 A 3014910215 CONSOLE
CONSOLE TO EXHAUST MUFFLER
023 A 3014910030 PROTECTIVE PLATE
EXHAUST MUFFLER
023 A 3014910130 PROTECTIVE PLATE
EXHAUST MUFFLER
024 N 000933008153 SCREW
Repalced by: N 304017008034
024 N 304017008034 SCREW
CONSOLE TO EXHAUST MUFFLER
025 N 999901008005 NUT
Repalced by: A 0009903250
025 A 0009903250 NUT
CONSOLE TO EXHAUST MUFFLER
026 N 000125008418 WASHER
Repalced by: N 000125008443
026 N 000125008443 WASHER
CONSOLE TO EXHAUST MUFFLER
027 A 3014900068 CONNECTOR
FRONT EXHAUST PIPE TO MUFFLER
029 A 3014920382 DAMPING PAD
Repalced by: A 3814920082
029 A 3814920082 DAMPING PAD
EXHAUST MUFFLER TO SUBSTRUCTURE
031 A 3014910015 CONSOLE
EXHAUST MUFFLER TO SUBSTRUCTURE
032 N 000125010518 WASHER
Repalced by: N 000125010532
032 N 000125010532 WASHER
EXHAUST MUFFLER TO SUBSTRUCTURE
034 N 000933010105 SCREW
EXHAUST MUFFLER TO SUBSTRUCTURE
035 N 913004010008 NUT
Repalced by: N 910113010000
035 N 910113010000 NUT
EXHAUST MUFFLER TO SUBSTRUCTURE
038 A 3014900821 EXHAUST PIPE
REAR
041 A 3014920314 END PIECE
(CHROMIUM JACKET)
042 N 007513003207 TAPPING SCREW
CHROMIUM JACKET TO REAR EXHAUST PIPE
043 N 071555073500 CLAMP
REAR EXHAUST PIPE TO MUFFLER
044 N 000933010105 SCREW
REAR EXHAUST PIPE TO MUFFLER
045 N 000934010014 NUT
REAR EXHAUST PIPE TO MUFFLER
070 A 0019872640 RUBBER BUFFER
Repalced by: A 0019875240
070 A 0019875240 RUBBER BUFFER
REAR EXHAUST PIPE
075 N 000125008418 WASHER
Repalced by: N 000125008443
075 N 000125008443 WASHER
REAR EXHAUST PIPE TO SUBSTRUCTURE
080 N 913004008004 NUT
REAR EXHAUST PIPE TO SUBSTRUCTURE