| 003 |
A 0005413001 |
BATTERY |
|
Repalced by: A 0035410501
|
| 003 |
A 0035410501 |
BATTERY |
|
Repalced by: A 0045415201
|
| 003 |
A 0045415201 |
BATTERY |
|
|
12V/180 AH |
| 003 |
A 0045415201 |
BATTERY |
|
|
12V/180 AH |
| 004 |
A 0025412001 |
BATTERY |
|
Repalced by: A 0025413901
|
| 004 |
A 0025413901 |
BATTERY |
|
Repalced by: A 0045414401
|
| 004 |
A 0045414401 |
BATTERY |
|
|
12V/225 AH |
| 004 |
A 0045414401 |
BATTERY |
|
|
12V/225 AH |
| 005 |
A 0005410047 |
VENT |
|
|
BATTERY |
| 005C |
A 0005410747 |
VENT |
|
|
BATTERY |
| 005E |
A 0005410282 |
HOSE |
|
|
BLEEDING |
| 005K |
A 0005410847 |
VENT |
|
|
BATTERY |
|
A 0019971341 |
SEAL RING |
|
Repalced by: A 0005410160
|
| 005N |
A 0005410160 |
SEAL RING |
|
A 0009972181 |
GROMMET |
|
Repalced by: A 0009972081
|
| 006 |
A 0009972081 |
GROMMET |
|
|
VENT THROUGH BATTERY COMPARTMENT BOTTOM |
| 009 |
A 3179950832 |
CLAMP |
|
|
BREATHER TO BATTERY COMPARTMENT BOTTOM |
| 011 |
N 000933006103 |
SCREW |
|
Repalced by: N 304017006018
|
| 011 |
N 304017006018 |
SCREW |
|
|
BREATHER TO BATTERY COMPARTMENT BOTTOM |
| 012 |
N 912004006102 |
LOCK WASHER |
|
|
BREATHER TO BATTERY COMPARTMENT BOTTOM |
| 013 |
N 000934006007 |
NUT |
|
|
BREATHER TO BATTERY COMPARTMENT BOTTOM |
|
A 0005410060 |
SEAL RING |
|
|
BATTERIES I AND II,POS.POLE |
| 030 |
A 3075400630 |
POS.CABLE |
|
Repalced by: A 3075400130
|
| 030 |
A 3075400130 |
POS.CABLE |
|
Repalced by: A 0005460413
|
| 030 |
A 0005460413 |
ELECTRIC CABLE |
|
|
FROM BATTERY TO BATTERY MASTER SWITCH |
|
A 3075460044 |
CLAMPING PIECE |
|
|
FROM BATTERY TO BATTERY MASTER SWITCH |
| 032 |
A 3055401130 |
POS.CABLE |
|
Repalced by: A 0005460413
|
|
A 0005460413 |
ELECTRIC CABLE |
|
|
FROM BATTERY MASTER SWITCH TO STARTING MOTOR |
|
A 0005469330 |
INSULATING HOSE |
|
|
FROM BATTERY TO BATTERY MASTER SWITCH |
|
A 0005469330 |
INSULATING HOSE |
|
|
FROM BATTERY MASTER SWITCH TO STARTING MOTOR |
|
A 3075460240 |
CABLE SHOE |
|
|
FROM BATTERY TO BATTERY MASTER SWITCH |
|
A 3075460240 |
CABLE SHOE |
|
|
FROM BATTERY MASTER SWITCH TO STARTING MOTOR |
| 032 |
A 3075401430 |
POS.CABLE |
|
Repalced by: A 0005460413
|
|
A 0005460413 |
ELECTRIC CABLE |
|
|
FROM BATTERY MASTER SWITCH TO STARTING MOTOR |
|
A 0005469330 |
INSULATING HOSE |
|
|
FROM BATTERY MASTER SWITCH TO STARTING MOTOR |
|
A 3075460240 |
CABLE SHOE |
|
|
FROM BATTERY MASTER SWITCH TO STARTING MOTOR |
|
A 3075460540 |
CABLE SHOE |
|
|
FROM BATTERY MASTER SWITCH TO STARTING MOTOR |
| 034 |
N 916016035205 |
CLAMP |
|
|
BATTERY CABLE TO SUBSTRUCTURE |
| 037 |
N 000933006121 |
SCREW |
|
Repalced by: N 304017006020
|
| 037 |
N 304017006020 |
SCREW |
|
|
BATTERY CABLE TO SUBSTRUCTURE |
| 038 |
N 912004006102 |
LOCK WASHER |
|
|
BATTERY CABLE TO SUBSTRUCTURE |
| 039 |
N 000934006012 |
NUT |
|
|
BATTERY CABLE TO SUBSTRUCTURE |
| 043 |
N 916016035205 |
CLAMP |
|
|
BATTERY CABLE TO ENGINE MOUNTING |
| 044 |
N 916016020201 |
CLAMP |
|
|
BATTERY CABLE TO ENGINE MOUNTING |
| 046 |
N 900162006102 |
SCREW |
|
|
BATTERY CABLE TO ENGINE MOUNTING |
| 047 |
N 912004006102 |
LOCK WASHER |
|
|
BATTERY CABLE TO ENGINE MOUNTING |
| 048 |
N 916016045200 |
CLAMP |
|
|
BATTERY POS. CABLE TO BRACKET |
| 048G |
N 000933006102 |
SCREW |
|
|
BATTERY POS. CABLE TO BRACKET |
| 048E |
N 000125006421 |
WASHER |
|
|
BATTERY POS. CABLE TO BRACKET |
| 048H |
N 912004006102 |
LOCK WASHER |
|
|
BATTERY POS. CABLE TO BRACKET |
| 048K |
N 000934006007 |
NUT |
|
|
BATTERY POS. CABLE TO BRACKET |
| 048M |
N 912004006102 |
LOCK WASHER |
|
|
BATTERY CABLE TO STARTING MOTOR |
| 048M |
N 912004012100 |
LOCK WASHER |
|
|
BATTERY CABLE TO STARTING MOTOR |
| 048M |
N 912004010102 |
LOCK WASHER |
|
|
BATTERY CABLE TO STARTING MOTOR |
| 048R |
N 000934006007 |
NUT |
|
|
BATTERY CABLE TO STARTING MOTOR |
| 048R |
N 000934012021 |
NUT |
|
|
BATTERY CABLE TO STARTING MOTOR |
| 048R |
N 000934010014 |
NUT |
|
|
BATTERY CABLE TO STARTING MOTOR |
| 050 |
A 3055400731 |
NEG. CABLE |
|
Repalced by: N 922002095000
|
| 050 |
N 922002095000 |
ELECTRIC CABLE |
|
|
FROM BATTERY MASTER SWITCH TO FRAME |
|
N 046234010006 |
CABLE SHOE |
|
|
FROM BATTERY MASTER SWITCH TO FRAME |
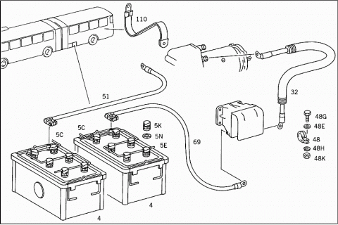
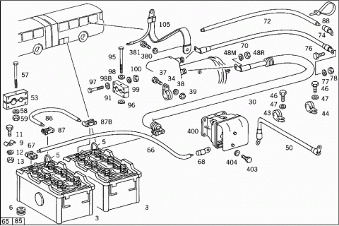
| 051 |
A 3055401031 |
NEG. CABLE |
|
Repalced by: N 922002095000
|
| 051 |
N 922002095000 |
ELECTRIC CABLE |
|
|
FROM BATTERY TO GROUNF CONNECTION |
|
N 072332015200 |
SOLDERING TERMINAL |
|
|
FROM BATTERY TO GROUNF CONNECTION |
|
N 046234010006 |
CABLE SHOE |
|
|
FROM BATTERY TO GROUNF CONNECTION |
| 053 |
A 3075460344 |
CLAMPING PIECE |
|
Repalced by: A 3055460644
|
| 053 |
A 3055460644 |
CLAMPING PIECE |
|
|
BATTERY CABLE TO BATTERY CARRIAGE |
| 057 |
N 000931006087 |
SCREW |
|
Repalced by: N 304014006004
|
| 057 |
N 304014006004 |
SCREW |
|
|
BATTERY CABLE TO BATTERY CARRIAGE |
| 058 |
N 009021006205 |
WASHER |
|
Repalced by: N 009021006208
|
| 058 |
N 009021006208 |
WASHER |
|
|
BATTERY CABLE TO BATTERY CARRIAGE |
| 059 |
N 000934006012 |
NUT |
|
|
BATTERY CABLE TO BATTERY CARRIAGE |
| 065 |
A 3075400131 |
NEG. CABLE |
|
Repalced by: N 072551095880
|
| 066 |
N 072551095880 |
ELECTRIC CABLE |
|
Repalced by: N 922002095000
|
| 066 |
N 922002095000 |
ELECTRIC CABLE |
|
|
(NEG.CABLE) FROM BATTERY TO BATTERY MASTER SWITCH |
| 067 |
N 072332015200 |
SOLDERING TERMINAL |
|
|
NEG.POLE |
| 068 |
N 046234010006 |
CABLE SHOE |
|
|
(NEG.CABLE) FROM BATTERY TO BATTERY MASTER SWITCH |
| 069 |
A 3055401330 |
POS.CABLE |
|
Repalced by: N 922002095000
|
|
N 922002095000 |
ELECTRIC CABLE |
|
|
FROM BATTERY TO BATTERY MASTER SWITCH |
|
N 072332015100 |
SOLDERING TERMINAL |
|
|
FROM BATTERY TO BATTERY MASTER SWITCH |
|
N 046234010006 |
CABLE SHOE |
|
|
FROM BATTERY TO BATTERY MASTER SWITCH |
| 070 |
A 3075400831 |
NEG. CABLE |
|
Repalced by: N 072551095880
|
| 070 |
N 072551095880 |
ELECTRIC CABLE |
|
Repalced by: N 922002095000
|
| 072 |
N 922002095000 |
ELECTRIC CABLE |
|
|
FROM FRAME TO STARTING MOTOR |
| 074 |
N 046234010006 |
CABLE SHOE |
|
|
FROM FRAME TO STARTING MOTOR |
| 076 |
N 000933010129 |
SCREW |
|
Repalced by: N 304017010002
|
| 076 |
N 304017010002 |
SCREW |
|
|
BATTERY CABLE TO LATTICE FRAME |
| 077 |
N 912004010102 |
LOCK WASHER |
|
|
BATTERY CABLE TO LATTICE FRAME |
| 078 |
N 000934010035 |
NUT |
|
|
BATTERY CABLE TO LATTICE FRAME |
| 085 |
A 3055400430 |
POS.CABLE |
|
Repalced by: N 072551095880
|
| 085 |
A 3055400530 |
POS.CABLE |
|
Repalced by: N 072551095880
|
| 086 |
N 072551095880 |
ELECTRIC CABLE |
|
Repalced by: N 922002095000
|
| 086 |
N 922002095000 |
ELECTRIC CABLE |
|
|
FROM BATTERY I TO BATTERY II |
| 087 |
N 072332015100 |
SOLDERING TERMINAL |
|
|
POS. POLE |
| 087B |
N 072332015200 |
SOLDERING TERMINAL |
|
|
NEG.POLE |
| 088 |
A 0019978390 |
LOOM TIE |
|
|
BATTERY CABLE |
| 091 |
A 3075460344 |
CLAMPING PIECE |
|
Repalced by: A 3055460644
|
| 091 |
A 3055460644 |
CLAMPING PIECE |
|
|
BATTERY CABLE THRU PARTITION PANEL |
| 095 |
N 000933006083 |
SCREW |
|
|
BATTERY CABLE THRU PARTITION PANEL |
| 096 |
N 000137006204 |
SPRING WASHER |
|
|
BATTERY CABLE THRU PARTITION PANEL |
| 097 |
N 000931006087 |
SCREW |
|
Repalced by: N 304014006004
|
| 097 |
N 304014006004 |
SCREW |
|
|
BATTERY CABLE THRU PARTITION PANEL |
| 098 |
N 009021006205 |
WASHER |
|
Repalced by: N 009021006208
|
| 098 |
N 009021006208 |
WASHER |
|
|
BATTERY CABLE THRU PARTITION PANEL |
| 098B |
N 000125006421 |
WASHER |
|
|
BATTERY CABLE THRU PARTITION PANEL |
| 099 |
N 912004006102 |
LOCK WASHER |
|
|
BATTERY CABLE THRU PARTITION PANEL |
| 100 |
N 000934006007 |
NUT |
|
|
BATTERY CABLE THRU PARTITION PANEL |
| 105 |
A 4071500232 |
GROUND CABLE |
|
|
FROM ALTERNATOR AND ENGINE TO FRAME |
| 110 |
A 3055400041 |
GROUND STRAP |
|
|
FROM ENGINE TO FRAME |
| 112 |
A 3055407036 |
ELECTRIC CABLE |
|
|
ELEC.COMPTMT.,FRONT/REAR-END CONNECT., LIGHTG./BLINKER-SENDER-UNIT BRANCH-OFF |
| 112 |
A 3055407036 |
ELECTRIC CABLE |
|
|
ELEC.COMPTMT.,FRONT/REAR-END CONNECT., LIGHTG./BLINKER-SENDER-UNIT BRANCH-OFF |
| 114 |
A 3055407136 |
ELECTRIC CABLE |
|
|
FROM FRONT ELECTR. COMPARTMENT PLUGCONNECTION TO WIPER PULSE SENDER UNIT |
| 114 |
A 3055407136 |
ELECTRIC CABLE |
|
|
FROM FRONT ELECTR. COMPARTMENT PLUGCONNECTION TO WIPER PULSE SENDER UNIT |
| 116 |
A 3055407336 |
ELECTRIC CABLE |
|
Repalced by: A 3075402435
|
| 116 |
A 3075402435 |
ELECTRIC CABLE |
|
|
ELECTRICAL COMPARTMENT,FRONT/REAR-END CONNECTION,WEBASTO HEATER BRANCH-OFF |
| 116 |
A 3075402435 |
ELECTRIC CABLE |
|
|
ELECTRICAL COMPARTMENT,FRONT/REAR-END CONNECTION,WEBASTO HEATER BRANCH-OFF |
| 117 |
A 3075402510 |
CABLE HARNESS |
|
|
ELECTRICAL COMPARTMENT,FRONT/REAR-END CONNECTION,RELAY/DIODE-CASE BRANCH-OFF |
| 117 |
A 3075402510 |
CABLE HARNESS |
|
|
ELECTRICAL COMPARTMENT,FRONT/REAR-END CONNECTION,RELAY/DIODE-CASE BRANCH-OFF |
| 118 |
A 3075402410 |
CABLE HARNESS |
|
|
ELECTR. COMPARTMENT,FRONT-END/REAR-END CONNECTION,STOP SIGN SYSTEM BRANCH-OFF |
| 118 |
A 3075402410 |
CABLE HARNESS |
|
|
ELECTR. COMPARTMENT,FRONT-END/REAR-END CONNECTION,STOP SIGN SYSTEM BRANCH-OFF |
| 119 |
A 3075402610 |
CABLE HARNESS |
|
|
ELECTRICAL COMPARTMENT,FRONT END/REAR END CONNECTION,DOOR CONTROL BRANCH-OFF |
| 119 |
A 3075402610 |
CABLE HARNESS |
|
|
ELECTRICAL COMPARTMENT,FRONT END/REAR END CONNECTION,DOOR CONTROL BRANCH-OFF |
| 120 |
A 3075408609 |
CABLE HARNESS |
|
Repalced by: A 3075406507
|
| 120 |
A 3075406507 |
CABLE HARNESS |
|
|
ELECTR.COMPARTMENT,FRONT/REAR-END CONNECTION,AUTO. TRANSMISSION BRANCH-OFF |
| 120 |
A 3075406507 |
CABLE HARNESS |
|
|
ELECTR.COMPARTMENT,FRONT/REAR-END CONNECTION,AUTO. TRANSMISSION BRANCH-OFF |
| 121 |
A 3075409809 |
CABLE HARNESS |
|
Repalced by: A 3075406207
|
| 121 |
A 3075406207 |
CABLE HARNESS |
|
|
ELECTR.COMPARTMENT,FRONT/REAR-END CONNECTION,JACKKNIFING ANGLE BRANCH-OFF |
| 121 |
A 3075406207 |
CABLE HARNESS |
|
|
ELECTR.COMPARTMENT,FRONT/REAR-END CONNECTION,JACKKNIFING ANGLE BRANCH-OFF |
| 121F |
A 0015458328 |
PIN BUSHING HOUSING |
|
|
8-POLE |
| 121L |
A 0075450528 |
PIN BUSHING HOUSING |
|
|
6-POLE |
| 121R |
A 0015458128 |
PIN BUSHING HOUSING |
|
|
6-POLE |
| 122 |
A 0065450728 |
PIN BUSHING HOUSING |
|
|
5-POLE |
| 122F |
A 0015458428 |
PIN BUSHING HOUSING |
|
|
4-POLE |
| 122L |
A 0025451128 |
PIN BUSHING HOUSING |
|
|
UNIPOLAR |
| 122S |
A 3575450028 |
PLUG HOUSING |
|
|
8-POLE |
| 123 |
A 0025451328 |
PIN BUSHING HOUSING |
|
|
UNIPOLAR |
| 123D |
A 0005454026 |
PIN BUSHING |
|
|
LESS DETENT,BUT WITH CATCH FOR HOUSING |
|
|
4-6 MM2 |
| 123H |
A 0025454026 |
FLAT PIN BUSHING |
|
Repalced by: A 0035455326
|
| 123H |
A 0035455326 |
PIN BUSHING |
|
|
WITH DETENT AND WITH CATCH FOR HOUSING |
|
|
4-6 MM2 |
| 123N |
A 0005453826 |
PIN BUSHING |
|
|
LESS DETENT,BUT WITH CATCH FOR HOUSING |
|
|
2.5 MM2 |
| 123S |
A 0005453726 |
PIN BUSHING |
|
Repalced by: A 0075458426
|
| 123S |
A 0075458426 |
PIN BUSHING |
|
|
WITH DETENT AND WITH CATCH FOR HOUSING |
|
|
2.5 MM2 |
| 123U |
A 0025451428 |
PLUG |
|
|
LESS DETENT,BUT WITH CATCH FOR HOUSING |
|
|
4-6 MM2 |
| 124 |
A 0025450628 |
PLUG |
|
|
WITH DETENT |
|
|
2.5 MM2 |
| 124E |
A 0015458628 |
PLUG |
|
|
LESS DETENT,BUT WITH CATCH FOR HOUSING |
|
|
2.5 MM2 |
| 124L |
A 0065451428 |
PIN BUSHING HOUSING |
|
|
RELAY |
| 125 |
A 0005453545 |
BOOT |
| 125H |
A 0009970681 |
GROMMET |
| 125H |
A 0009970781 |
GROMMET |
| 126 |
A 0019978490 |
LOOM TIE |
|
|
376 MM |
| 126K |
A 0025451128 |
PIN BUSHING HOUSING |
|
|
ELECTRICAL COMPARTMENT CABLE HARNESS, PLUG CONNECTION: |
| 127 |
A 0025454026 |
FLAT PIN BUSHING |
|
Repalced by: A 0035455326
|
| 127 |
A 0035455326 |
PIN BUSHING |
|
|
ELECTRICAL COMPARTMENT CABLE HARNESS, PLUG CONNECTION: |
|
|
4-6MM2 |
| 128 |
A 0025450628 |
PLUG |
|
|
ELECTRICAL COMPARTMENT CABLE HARNESS, PLUG CONNECTION: |
|
|
2,5MM2 |
| 130 |
A 3055406508 |
CABLE HARNESS |
|
|
MAIN CABLE,FRONT END |
| 130 |
A 3055402932 |
ELECTRIC CABLE |
|
|
MAIN CABLE,FRONT END |
| 132 |
A 3055406907 |
CABLE HARNESS |
|
|
MAIN CABLE,FRONT END |
| 132 |
A 3075402606 |
CABLE HARNESS |
|
|
MAIN CABLE,FRONT END |
| 132 |
A 3055404434 |
CABLE HARNESS |
|
Repalced by: A 3055401433
|
| 132 |
A 3055401433 |
ELECTRIC CABLE |
|
|
MAIN CABLE,FRONT END |
| 132 |
A 3055401433 |
ELECTRIC CABLE |
|
|
MAIN CABLE,FRONT END |
| 132 |
A 3055402333 |
ELECTRIC CABLE |
|
|
MAIN CABLE,FRONT END |
| 132 |
A 3055402333 |
ELECTRIC CABLE |
|
|
MAIN CABLE,FRONT END |
| 136 |
A 0015458328 |
PIN BUSHING HOUSING |
|
|
8-POLE |
| 138 |
A 0015458228 |
PLUG HOUSING |
|
|
8-POLE |
| 138B |
A 0015458128 |
PIN BUSHING HOUSING |
|
|
6-POLE |
| 139 |
A 0075450528 |
PIN BUSHING HOUSING |
|
|
6-POLE |
| 140 |
A 0015458428 |
PIN BUSHING HOUSING |
|
|
4-POLE |
| 142 |
A 0015454128 |
PIN BUSHING HOUSING |
|
|
4-POLE |
| 143 |
A 0115457128 |
PIN BUSHING HOUSING |
|
|
3-POLE |
|
A 0015456528 |
PLUG |
|
Repalced by: A 0015458528
|
| 144 |
A 0015458528 |
PIN BUSHING HOUSING |
|
|
3-POLE |
| 146 |
A 0105457128 |
PIN BUSHING HOUSING |
|
|
3-POLE |
| 147 |
A 0015457928 |
PIN BUSHING HOUSING |
|
|
BIPOLAR |
| 148 |
A 0015458728 |
PIN BUSHING HOUSING |
|
|
BIPOLAR |
| 149 |
A 0025451128 |
PIN BUSHING HOUSING |
|
|
UNIPOLAR |
| 150 |
A 0025450628 |
PLUG |
|
|
WITH DETENT AND WITH CATCH FOR HOUSING |
|
|
2.5 MM2 |
| 152 |
A 0015458628 |
PLUG |
|
|
LESS DETENT,BUT WITH CATCH FOR HOUSING |
|
|
2.5 MM2 |
| 154 |
A 0025451428 |
PLUG |
|
|
LESS DETENT,BUT WITH CATCH FOR HOUSING |
|
|
4-6 MM2 |
| 156 |
A 0005453726 |
PIN BUSHING |
|
Repalced by: A 0075458426
|
| 156 |
A 0075458426 |
PIN BUSHING |
|
|
WITH DETENT AND WITH CATCH FOR HOUSING |
|
|
2.5 MM2 |
| 158 |
A 0005453826 |
PIN BUSHING |
|
|
LESS DETENT,BUT WITH CATCH FOR HOUSING |
|
|
2.5 MM2 |
| 159 |
A 0005457926 |
PIN BUSHING |
|
|
OFFSET |
|
|
2.5 MM2 |
| 160 |
A 0005454026 |
PIN BUSHING |
|
|
LESS DETENT,BUT WITH CATCH FOR HOUSING |
|
|
4-6 MM2 |
| 161 |
A 0005454626 |
PIN BUSHING |
|
|
WITH DETENT AND WITH CATCH FOR HOUSING |
|
|
4-6 MM2 |
| 162 |
A 0065455528 |
PIN BUSHING HOUSING |
|
|
10-POLE |
| 163 |
A 0105450728 |
PIN BUSHING HOUSING |
|
|
6-POLE |
| 164 |
A 0065451428 |
PIN BUSHING HOUSING |
|
|
RELAY |
| 165 |
A 0065450728 |
PIN BUSHING HOUSING |
|
|
RELAY |
| 166 |
A 0005451745 |
BOOT |
|
|
PIN BUSHING |
| 167 |
A 0115452628 |
PLUG HOUSING |
|
|
AUTOMATIC TRANSMISSION GEAR SELECTOR SWITCH |
| 168 |
A 0115452728 |
PLUG HOUSING |
|
|
AUTOMATIC TRANSMISSION GEAR SELECTOR SWITCH |
| 169 |
A 0005453545 |
BOOT |
|
|
PIN BUSHING |
| 170 |
A 0115452928 |
PIN BUSHING |
|
|
AUTOMATIC TRANSMISSION GEAR SELECTOR SWITCH |
| 172 |
A 0005467741 |
CABLE CONNECTOR |
|
|
1,5 - 6,6 MM2 |
| 172 |
A 0015466641 |
CABLE CONNECTOR |
|
|
6-10 MM2 |
| 173 |
A 3055401281 |
PLUG SOCKET |
|
|
LOCK-ANGLE SENDER UNIT |
|
A 0005451130 |
SHELL |
|
|
LOCK-ANGLE SENDER UNIT |
|
A 0009905968 |
FITTING |
|
|
LOCK-ANGLE SENDER UNIT |
| 174 |
A 0005450950 |
BUSHING |
|
|
LOCK-ANGLE SENDER UNIT |
| 175 |
A 0015456526 |
PLUG SOCKET |
|
|
3-POLE |
| 176 |
A 3805402281 |
PLUG SOCKET |
|
|
REPAIR SIZE |
|
|
M27X1 |
| 176 |
A 3805402181 |
PLUG SOCKET |
|
|
REPAIR SIZE |
|
|
M 24X1 |
|
A 3805402781 |
PLUG SOCKET |
|
|
(PARTS KIT),BIPOLAR SCREW CONNECTION, FOR CORRUGATED TUBE |
|
|
M 27X1 |
|
A 3805402681 |
PLUG SOCKET |
|
|
(PARTS KIT),BIPOLAR SCREW CONNECTION, FOR CORRUGATED TUBE |
|
|
M 24X1 |
| 176D |
A 0009902054 |
NUT |
|
|
PRESSURE SWITCH SCREW-CONNECTION |
|
|
M 24X1 |
| 176D |
A 3019900354 |
NUT |
|
Repalced by: A 0009903654
|
| 176D |
A 0009903654 |
NUT |
|
|
PRESSURE SWITCH SCREW-CONNECTION |
|
|
M 27X1 |
| 176K |
A 0009906840 |
WASHER |
|
|
PRESSURE SWITCH SCREW-CONNECTION |
|
|
TO M 24X1 |
| 176M |
A 3809900140 |
WASHER |
|
|
PRESSURE SWITCH SCREW-CONNECTION |
|
|
TO M 27X1 |
| 177 |
A 3805460135 |
BOOT |
|
|
PRESSURE SWITCH SCREW-CONNECTION |
|
|
TO M 24X1,M 27X1 |
| 177B |
A 3805450026 |
PLUG SOCKET |
|
|
PRESSURE SWITCH SCREW-CONNECTION |
|
|
TO M 24X1 |
| 177D |
A 3805450226 |
PLUG SOCKET |
|
|
PRESSURE SWITCH SCREW-CONNECTION |
|
|
TO M 27X1 |
| 177F |
A 0015454826 |
ROUND PIN BUSHING |
|
|
PRESSURE SWITCH SCREW-CONNECTION |
|
|
TO M 24X1,M 27X1 |
| 178 |
A 3149970181 |
GROMMET |
|
|
HEADLAMP |
| 178B |
A 0009970381 |
GROMMET |
|
|
PIN BUSHING |
| 179 |
A 0009970681 |
GROMMET |
|
|
PIN BUSHING |
| 179F |
A 0009972281 |
GROMMET |
| 180 |
A 0019978390 |
LOOM TIE |
|
|
280 MM |
| 180 |
A 0019978490 |
LOOM TIE |
|
|
376 MM |
| 182 |
A 0005467130 |
INSULATING HOSE |
|
|
8.5 MM |
| 184 |
A 0005461730 |
INSULATING HOSE |
|
|
12 MM |
| 186 |
A 0005461830 |
INSULATING HOSE |
|
|
17 MM |
| 188 |
A 0005461930 |
INSULATING HOSE |
|
|
23 MM |
| 190 |
A 3879940042 |
LOCK |
|
|
INSULATING HOSE TO CABLE HARNESS |
|
|
8.5 MM |
| 192 |
A 3879940142 |
LOCK |
|
|
INSULATING HOSE TO CABLE HARNESS |
|
|
12 MM |
| 194 |
A 3879940242 |
LOCK |
|
|
INSULATING HOSE TO CABLE HARNESS |
|
|
17 MM |
| 196 |
A 3879940342 |
LOCK |
|
|
INSULATING HOSE TO CABLE HARNESS |
|
|
23 MM |
| 196B |
A 3055406136 |
ELECTRIC CABLE |
|
|
FROM ELECTRICAL COMPARTMENT PLUGCONNECTION TO INDICATING INSTRUMENTS |
| 196B |
A 3055406136 |
ELECTRIC CABLE |
|
|
FROM ELECTRICAL COMPARTMENT PLUGCONNECTION TO INDICATING INSTRUMENTS |
| 196D |
A 3055406436 |
ELECTRIC CABLE |
|
|
FROM ELECTRICAL COMPARTMENT PLUG-CONNECTION TO RIGHT HEADLAMP & SWITCHBOX |
| 196D |
A 3055406436 |
ELECTRIC CABLE |
|
|
FROM ELECTRICAL COMPARTMENT PLUG-CONNECTION TO RIGHT HEADLAMP & SWITCHBOX |
| 196F |
A 3055406636 |
ELECTRIC CABLE |
|
|
FROM ELECTRICAL COMPARTMENT PLUGCONNECTION TO WINDSHIELD WIPER SWITCH |
| 196F |
A 3055406636 |
ELECTRIC CABLE |
|
|
FROM ELECTRICAL COMPARTMENT PLUGCONNECTION TO WINDSHIELD WIPER SWITCH |
| 196K |
A 3055406836 |
ELECTRIC CABLE |
|
|
FROM ELECTRICAL COMPARTMENT PLUGCONNECTION TO WEBASTO HEATER SWITCH |
| 196K |
A 3055406836 |
ELECTRIC CABLE |
|
|
FROM ELECTRICAL COMPARTMENT PLUGCONNECTION TO WEBASTO HEATER SWITCH |
| 196M |
A 3055408836 |
ELECTRIC CABLE |
|
|
FROM ELECTRICAL APPARATUS COMPARTMENT PLUG-CONNECTION TO DOOR CONTROL |
| 196M |
A 3055408836 |
ELECTRIC CABLE |
|
|
FROM ELECTRICAL APPARATUS COMPARTMENT PLUG-CONNECTION TO DOOR CONTROL |
| 196P |
A 3075403510 |
CABLE HARNESS |
|
|
FROM ELECTRICAL APPARATUS COMPARTMENT PLUG-CONNECTION TO FLOOR HEATER SWITCH |
| 196P |
A 3075403510 |
CABLE HARNESS |
|
|
FROM ELECTRICAL APPARATUS COMPARTMENT PLUG-CONNECTION TO FLOOR HEATER SWITCH |
| 196R |
A 3075401510 |
CABLE HARNESS |
|
|
FROM ELEC. COMPTMT. PLUG CONNECTION TO INSTRUMENT PANEL,DOOR CONTROL |
| 196R |
A 3075401510 |
CABLE HARNESS |
|
|
FROM ELEC. COMPTMT. PLUG CONNECTION TO INSTRUMENT PANEL,DOOR CONTROL |
| 196T |
A 3075400908 |
CABLE HARNESS |
|
|
FROM ELEC. COMPTMT. PLUG-CONNECTION TO BUZZER,JACK-KNIFG.ANGLE TELL-TALE LAMP |
| 196T |
A 3075400908 |
CABLE HARNESS |
|
|
FROM ELEC. COMPTMT. PLUG-CONNECTION TO BUZZER,JACK-KNIFG.ANGLE TELL-TALE LAMP |
| 196W |
A 3075401008 |
CABLE HARNESS |
|
Repalced by: A 3075406407
|
| 196W |
A 3075406407 |
CABLE HARNESS |
|
|
FROM ELEC. COMPTMT. PLUG-CONNECTION TO GEAR SELECTOR SWITCH & TEMPER. DISPLAY |
| 196W |
A 3075406407 |
CABLE HARNESS |
|
|
FROM ELEC. COMPTMT. PLUG-CONNECTION TO GEAR SELECTOR SWITCH & TEMPER. DISPLAY |
| 196Y |
A 3075400110 |
CABLE HARNESS |
|
|
FROM ELEC. COMPTMT. PLUG-CONNECTION TO SOLENOID VALVE & EXHAUST BRAKE SWITCH |
| 196Y |
A 3075400110 |
CABLE HARNESS |
|
|
FROM ELEC. COMPTMT. PLUG-CONNECTION TO SOLENOID VALVE & EXHAUST BRAKE SWITCH |
| 197 |
A 3075408509 |
CABLE HARNESS |
|
Repalced by: A 3075406307
|
| 197 |
A 3075406307 |
CABLE HARNESS |
|
|
FROM ELECTRICAL COMPARTMENT PLUGCONNECTION TO FOGLAMP & LEFT HEADLAMP |
| 197 |
A 3075406307 |
CABLE HARNESS |
|
|
FROM ELECTRICAL COMPARTMENT PLUGCONNECTION TO FOGLAMP & LEFT HEADLAMP |
| 197B |
A 3075400410 |
CABLE HARNESS |
|
|
FROM ELECTRICAL COMPARTMENT PLUGCONNECTION TO LOCK-ANGLE SENDER UNIT |
| 197B |
A 3075400410 |
CABLE HARNESS |
|
|
FROM ELECTRICAL COMPARTMENT PLUGCONNECTION TO LOCK-ANGLE SENDER UNIT |
| 197C |
A 0065455528 |
PIN BUSHING HOUSING |
|
|
10-POLE |
| 197D |
A 0015458328 |
PIN BUSHING HOUSING |
|
|
8-POLE |
| 197E |
A 6115450028 |
PIN BUSHING HOUSING |
|
|
8-POLE |
| 197F |
A 0075450528 |
PIN BUSHING HOUSING |
|
|
6-POLE |
| 197H |
A 0065456828 |
PIN BUSHING HOUSING |
|
|
5-POLE |
| 197K |
A 0015458428 |
PIN BUSHING HOUSING |
|
|
4-POLE |
| 197L |
A 0125452128 |
PIN BUSHING HOUSING |
|
|
4-POLE |
| 197M |
A 0015458528 |
PIN BUSHING HOUSING |
|
|
3-POLE |
| 197N |
A 0015458728 |
PIN BUSHING HOUSING |
|
|
BIPOLAR |
| 197P |
A 0025451128 |
PIN BUSHING HOUSING |
|
|
UNIPOLAR |
| 197Q |
A 0025451328 |
PIN BUSHING HOUSING |
|
|
UNIPOLAR |
| 197R |
A 0115452628 |
PLUG HOUSING |
|
|
AUTOMATIC TRANSMISSION GEAR SELECTOR SWITCH |
| 197R |
A 0115452728 |
PLUG HOUSING |
|
|
AUTOMATIC TRANSMISSION GEAR SELECTOR SWITCH |
| 197S |
A 0115452928 |
PIN BUSHING |
|
|
AUTOMATIC TRANSMISSION GEAR SELECTOR SWITCH |
| 197T |
A 0005454026 |
PIN BUSHING |
|
|
LESS DETENT,BUT WITH CATCH FOR HOUSING |
|
|
4-6 MM2 |
| 197U |
A 0025454026 |
FLAT PIN BUSHING |
|
Repalced by: A 0035455326
|
| 197U |
A 0035455326 |
PIN BUSHING |
|
|
WITH DETENT AND WITH CATCH FOR HOUSING |
|
|
4-6 MM2 |
| 197W |
A 0005453826 |
PIN BUSHING |
|
|
LESS DETENT,BUT WITH CATCH FOR HOUSING |
|
|
2.5 MM2 |
| 197X |
A 0005453726 |
PIN BUSHING |
|
Repalced by: A 0075458426
|
| 197X |
A 0075458426 |
PIN BUSHING |
|
|
WITH DETENT AND WITH CATCH FOR HOUSING |
|
|
2.5 MM2 |
| 197Y |
A 0005457926 |
PIN BUSHING |
|
|
OFFSET |
|
|
1-2.5 MM2 |
| 197Z |
A 0015458628 |
PLUG |
|
|
LESS DETENT,BUT WITH CATCH FOR HOUSING |
|
|
2.5 MM2 |
| 198 |
A 3055401281 |
PLUG SOCKET |
|
|
LOCK-ANGLE SENDER UNIT |
|
A 0005451130 |
SHELL |
|
|
LOCK-ANGLE SENDER UNIT |
|
A 0009905968 |
FITTING |
|
|
LOCK-ANGLE SENDER UNIT |
| 198A |
A 0005450950 |
BUSHING |
|
|
LOCK-ANGLE SENDER UNIT |
| 198B |
A 0015456526 |
PLUG SOCKET |
|
|
LOCK-ANGLE SENDER UNIT |
|
A 3805402781 |
PLUG SOCKET |
|
|
(PARTS KIT),BIPOLAR SCREW CONNECTION, FOR CORRUGATED TUBE |
|
|
M 27X1 |
| 198C |
A 3805460135 |
BOOT |
|
|
PRESSURE SWITCH SCREW-CONNECTION |
|
|
TO M 27X1 |
| 198C |
A 3805460335 |
BOOT |
|
|
PRESSURE SWITCH SCREW-CONNECTION |
|
|
TO M 24X1 |
| 198C |
A 6015460335 |
BOOT |
|
|
PRESSURE SWITCH SCREW-CONNECTION |
|
|
M 24X1 |
| 198D |
A 0009903654 |
NUT |
|
|
PRESSURE SWITCH SCREW-CONNECTION |
|
|
M 27X1 |
| 198D |
A 0009902054 |
NUT |
|
|
PRESSURE SWITCH SCREW-CONNECTION |
|
|
M 24X1 |
| 198E |
A 3809900140 |
WASHER |
|
|
PRESSURE SWITCH SCREW-CONNECTION |
|
|
TO M 27X1 |
| 198E |
A 0009906840 |
WASHER |
|
|
PRESSURE SWITCH SCREW-CONNECTION |
|
|
TO M 24X1 |
| 198F |
A 3805450226 |
PLUG SOCKET |
|
|
PRESSURE SWITCH SCREW-CONNECTION |
|
|
TO M 27X1 |
| 198F |
A 3805450026 |
PLUG SOCKET |
|
|
PRESSURE SWITCH SCREW-CONNECTION |
|
|
TO M 24X1 |
| 198H |
A 0015454826 |
ROUND PIN BUSHING |
|
|
PRESSURE SWITCH SCREW-CONNECTION |
|
|
TO M 27X1,M 24X1 |
| 198K |
A 3805402281 |
PLUG SOCKET |
|
|
REPAIR SIZE |
|
|
M 27X1 |
| 198K |
A 3805400181 |
PLUG SOCKET |
|
Repalced by: A 3805402181
|
| 198K |
A 3805402181 |
PLUG SOCKET |
|
|
REPAIR SIZE |
|
|
M 24X1 |
| 198L |
A 0005451745 |
BOOT |
|
|
PIN BUSHING |
| 198R |
A 0009970081 |
GROMMET |
| 198R |
A 0009970181 |
GROMMET |
| 198R |
A 0009970381 |
GROMMET |
| 199 |
A 0009972281 |
GROMMET |
| 199C |
A 3149970181 |
GROMMET |
| 199F |
A 0019978490 |
LOOM TIE |
|
|
276 MM |
| 199M |
A 0025451128 |
PIN BUSHING HOUSING |
|
|
ADDITIONAL WORK ON FRONT END MAIN CABLE HARNESS |
| 199S |
A 0025451328 |
PIN BUSHING HOUSING |
|
|
ADDITIONAL WORK ON FRONT END MAIN CABLE HARNESS |
| 200 |
A 3055407308 |
CABLE HARNESS |
|
|
MAIN CABLE HARNESS,REAR END I |
| 201 |
A 3055407607 |
CABLE HARNESS |
|
|
MAIN CABLE HARNESS,REAR END I |
| 201 |
A 3055407734 |
CABLE HARNESS |
|
Repalced by: A 3055403635
|
| 201 |
A 3055403635 |
ELECTRIC CABLE |
|
|
MAIN CABLE HARNESS,REAR END I |
| 201 |
A 3055403635 |
ELECTRIC CABLE |
|
|
MAIN CABLE HARNESS,REAR END I |
| 201 |
A 3055409632 |
ELECTRIC CABLE |
|
|
MAIN CABLE HARNESS,REAR END I |
|
A 3075408406 |
CABLE HARNESS |
|
|
MAIN CABLE HARNESS,REAR END I |
| 202 |
A 0015458328 |
PIN BUSHING HOUSING |
|
|
8-POLE |
| 204 |
A 0015458428 |
PIN BUSHING HOUSING |
|
|
4-POLE |
| 206 |
A 0025451228 |
PLUG HOUSING |
|
|
4-POLE |
| 208 |
A 0015454128 |
PIN BUSHING HOUSING |
|
|
4-POLE |
| 210 |
A 0015458228 |
PLUG HOUSING |
|
|
8-POLE |
| 212 |
A 0025451328 |
PIN BUSHING HOUSING |
|
|
UNIPOLAR |
| 214 |
A 0015458628 |
PLUG |
|
|
LESS DETENT,BUT WITH CATCH FOR HOUSING |
|
|
2.5 MM2 |
| 214 |
A 0025450628 |
PLUG |
|
|
WITH DETENT AND WITH CATCH FOR HOUSING |
|
|
2,5MM2 |
| 216 |
A 0025451428 |
PLUG |
|
|
LESS DETENT,BUT WITH CATCH FOR HOUSING |
|
|
4-6 MM2 |
| 218 |
A 0005453726 |
PIN BUSHING |
|
Repalced by: A 0075458426
|
| 218 |
A 0075458426 |
PIN BUSHING |
|
|
WITH DETENT AND WITH CATCH FOR HOUSING |
|
|
2.5 MM2 |
| 218 |
A 0005453826 |
PIN BUSHING |
|
|
LESS DETENT,BUT WITH CATCH FOR HOUSING |
|
|
2.5 MM2 |
| 220 |
A 0005454026 |
PIN BUSHING |
|
|
LESS DETENT,BUT WITH CATCH FOR HOUSING |
|
|
4-6 MM2 |
| 230 |
A 3805402181 |
PLUG SOCKET |
|
|
REPAIR VERSION; NOT FOR DANGER CATEGORY VEHICLES |
|
|
TO M 24X1 |
| 230 |
A 3805402281 |
PLUG SOCKET |
|
|
REPAIR VERSION; NOT FOR DANGER CATEGORY VEHICLES |
|
|
TO M 27X1 |
|
A 3805402781 |
PLUG SOCKET |
|
|
(PARTS KIT),BIPOLAR SCREW CONNECTION, FOR CORRUGATED TUBE |
|
|
M 27X1 |
|
A 3805402681 |
PLUG SOCKET |
|
|
(PARTS KIT),BIPOLAR SCREW CONNECTION, FOR CORRUGATED TUBE |
|
|
M 24X1 |
| 230D |
A 0009902054 |
NUT |
|
|
PRESSURE SWITCH SCREW-CONNECTION |
|
|
M 24X1 |
| 231 |
A 0009903654 |
NUT |
|
|
PRESSURE SWITCH SCREW-CONNECTION |
|
|
M 27X1 |
| 231B |
A 0009906840 |
WASHER |
|
|
PRESSURE SWITCH SCREW-CONNECTION |
|
|
TO M 24X1 |
| 231D |
A 3809900140 |
WASHER |
|
|
PRESSURE SWITCH SCREW-CONNECTION |
|
|
TO M 27X1 |
| 232 |
A 3805460135 |
BOOT |
|
|
PRESSURE SWITCH SCREW-CONNECTION |
|
|
TO M 27X1,M 24X1 |
| 232D |
A 3805450026 |
PLUG SOCKET |
|
|
PRESSURE SWITCH SCREW-CONNECTION |
|
|
TO M 24X1 |
| 233 |
A 3805450226 |
PLUG SOCKET |
|
|
PRESSURE SWITCH SCREW-CONNECTION |
|
|
TO M 27X1 |
| 233B |
A 0015454826 |
ROUND PIN BUSHING |
|
|
PRESSURE SWITCH SCREW-CONNECTION |
|
|
TO M 24X1,M 27X1 |
| 234 |
A 3055401281 |
PLUG SOCKET |
|
|
BEND ANGLE SENDER UNIT |
|
A 0005451130 |
SHELL |
|
|
BEND ANGLE SENDER UNIT |
|
A 0009905968 |
FITTING |
|
|
BEND ANGLE SENDER UNIT |
| 234D |
A 0015456526 |
PLUG SOCKET |
|
|
3-POLE |
| 235 |
A 0005450950 |
BUSHING |
| 235B |
A 0009905868 |
FITTING |
|
|
INSULATING HOSE TO HOUSING |
| 235D |
A 0015459426 |
PLUG SOCKET |
|
Repalced by: A 0115457728
|
| 235D |
A 0115457728 |
PLUG |
|
Repalced by: A 0135450328
|
| 235D |
A 0135450328 |
PLUG |
|
|
REAR CARRIAGE PLUG CONNECTION |
|
|
32 |
| 236 |
A 0005450583 |
CONTACT PIN |
|
|
AMBER |
| 236 |
A 0005450683 |
CONTACT PIN |
|
|
WITHE |
| 236B |
A 0001598939 |
CONNECTOR |
| 237 |
A 0015459626 |
PLUG SOCKET |
|
Repalced by: A 0115457828
|
| 237 |
A 0115457828 |
PLUG |
|
Repalced by: A 0135450428
|
| 237 |
A 0135450428 |
PLUG |
|
|
37-POLE |
| 237D |
A 0005450383 |
CONTACT PIN |
|
|
BLUE |
|
A 0001597739 |
CONNECTOR |
|
Repalced by: A 0005460945
|
| 237H |
A 0005460945 |
INSULATING SLEEVE |
|
|
SUBSEQUENT INSTALLATION |
|
A 0005461938 |
END PIECE |
|
|
INSULATING HOSE TO PLUG CONNECTION OF REAR CARRIAGE |
|
A 0001592438 |
CABLE SLEEVE |
| 238 |
A 3229970281 |
GROMMET |
|
|
ELECTRICAL COMPARTMENT |
|
A 1009970081 |
GROMMET |
|
|
ELECTRICAL COMPARTMENT |
| 240 |
A 3219970381 |
GROMMET |
|
|
MAIN CABLE HARNESS THRU SUBSTRUCTURE |
| 242 |
A 1869970481 |
GROMMET |
|
|
UNDERSEAT HEATING |
| 243 |
A 3149970181 |
GROMMET |
|
|
BLINKER LAMP |
| 243C |
A 0009970381 |
GROMMET |
|
|
CABLE SHOE |
| 243C |
A 0009970781 |
GROMMET |
|
|
CABLE SHOE |
| 244D |
A 0005467130 |
INSULATING HOSE |
|
|
8.5 MM |
| 244D |
A 0005461630 |
INSULATING HOSE |
|
|
10 MM |
| 245 |
A 0005461730 |
INSULATING HOSE |
|
|
12 MM |
| 245D |
A 0005461930 |
INSULATING HOSE |
|
|
23 MM |
| 246 |
A 0005462130 |
INSULATING HOSE |
|
|
37 MM |
| 246 |
A 0005467930 |
INSULATING HOSE |
|
Repalced by: A 0005469330
|
|
A 0005469330 |
INSULATING HOSE |
|
|
25 MM |
| 248 |
A 0019978390 |
LOOM TIE |
|
|
280 MM |
| 250 |
A 0019978490 |
LOOM TIE |
|
|
376 MM |
| 250F |
A 3075401210 |
CABLE HARNESS |
|
|
FROM ELECTRICAL COMPARTMENT PLUGCONNECTION TO DIAGNOSIS PLUG SOCKET |
| 250F |
A 3075401210 |
CABLE HARNESS |
|
|
FROM ELECTRICAL COMPARTMENT PLUGCONNECTION TO DIAGNOSIS PLUG SOCKET |
| 250M |
A 3075401410 |
CABLE HARNESS |
|
|
FROM ELECTRICAL APPARATUS PLUG CONNECTION TO ARTICULATION PLUG CONNECTION |
| 250M |
A 3075401410 |
CABLE HARNESS |
|
|
FROM ELECTRICAL APPARATUS PLUG CONNECTION TO ARTICULATION PLUG CONNECTION |
| 250R |
A 3075402110 |
CABLE HARNESS |
|
|
ELECTR.-COMPTMT./FRONT-CARRIAGE-ARTICULAT. PLUG-CONNECTION,SOLENOID VALVES |
| 250R |
A 3075402110 |
CABLE HARNESS |
|
|
ELECTR.-COMPTMT./FRONT-CARRIAGE-ARTICULAT. PLUG-CONNECTION,SOLENOID VALVES |
| 250U |
A 3075402910 |
CABLE HARNESS |
|
Repalced by: A 3075402535
|
| 250U |
A 3075402535 |
ELECTRIC CABLE |
|
|
FROM ELECTRICAL COMPARTMENT PLUGCONNECTION TO WEBASTO HEATER |
| 250U |
A 3075402535 |
ELECTRIC CABLE |
|
|
FROM ELECTRICAL COMPARTMENT PLUGCONNECTION TO WEBASTO HEATER |
| 251 |
A 3075403410 |
CABLE HARNESS |
|
|
FROM ELECTRICAL COMPARTMENT PLUGCONNECTION TO AUTOMATIC TRANSMISSION |
| 251 |
A 3075403410 |
CABLE HARNESS |
|
|
FROM ELECTRICAL COMPARTMENT PLUGCONNECTION TO AUTOMATIC TRANSMISSION |
| 251B |
A 0015458328 |
PIN BUSHING HOUSING |
|
|
8-POLE |
| 251D |
A 0015458428 |
PIN BUSHING HOUSING |
|
|
4-POLE |
| 251F |
A 0025451128 |
PIN BUSHING HOUSING |
|
|
UNIPOLAR |
| 251K |
A 3575450028 |
PLUG HOUSING |
|
|
8-POLE |
| 251M |
A 0005454026 |
PIN BUSHING |
|
|
LESS DETENT,BUT WITH CATCH FOR HOUSING |
|
|
4-6 MM2 |
| 251P |
A 0025454026 |
FLAT PIN BUSHING |
|
Repalced by: A 0035455326
|
| 251P |
A 0035455326 |
PIN BUSHING |
|
|
WITH DETENT AND WITH CATCH FOR HOUSING |
|
|
4-6MM2 |
| 251R |
A 0005453826 |
PIN BUSHING |
|
|
LESS DETENT,BUT WITH CATCH FOR HOUSING |
|
|
2.5 MM2 |
| 251T |
A 0005453726 |
PIN BUSHING |
|
Repalced by: A 0075458426
|
| 251T |
A 0075458426 |
PIN BUSHING |
|
|
WITH DETENT AND WITH CATCH FOR HOUSING |
|
|
2.5 MM2 |
| 251X |
A 0025450628 |
PLUG |
|
|
WITH DETENT AND WITH CATCH FOR HOUSING |
|
|
2.5 MM2 |
| 252 |
A 3805460335 |
BOOT |
|
|
PRESSURE SWITCH SCREW-CONNECTION |
|
|
TO M 27X1,M 24X1 |
| 252 |
A 6015460335 |
BOOT |
|
|
PRESSURE SWITCH SCREW-CONNECTION |
|
|
TO M 27X1;M 24X1 |
| 252C |
A 0009903654 |
NUT |
|
|
PRESSURE SWITCH SCREW-CONNECTION |
|
|
M 27X1 |
| 252C |
A 0009902054 |
NUT |
|
|
PRESSURE SWITCH SCREW-CONNECTION |
|
|
M 24X1 |
| 252E |
A 3809900140 |
WASHER |
|
|
PRESSURE SWITCH SCREW-CONNECTION |
|
|
TO M 27X1 |
| 252E |
A 0009906840 |
WASHER |
|
|
PRESSURE SWITCH SCREW-CONNECTION |
|
|
TO M 24X1 |
| 252H |
A 3805450226 |
PLUG SOCKET |
|
|
PRESSURE SWITCH SCREW-CONNECTION |
|
|
TO M 27X1 |
| 252H |
A 3805450026 |
PLUG SOCKET |
|
|
PRESSURE SWITCH SCREW-CONNECTION |
|
|
TO M 24X1 |
| 252L |
A 0015454826 |
ROUND PIN BUSHING |
|
|
PRESSURE SWITCH SCREW-CONNECTION |
|
|
TO M 27X1,M 24X1 |
| 252N |
A 3805400281 |
PLUG SOCKET |
|
Repalced by: A 3805402281
|
| 252N |
A 3805402281 |
PLUG SOCKET |
|
|
REPAIR VERSION; NOT FOR DANGER CATEGORY VEHICLES |
|
|
M 27X1 |
| 252N |
A 3805400181 |
PLUG SOCKET |
|
Repalced by: A 3805402181
|
| 252N |
A 3805402181 |
PLUG SOCKET |
|
|
REPAIR VERSION; NOT FOR DANGER CATEGORY VEHICLES |
|
|
M 24X1 |
|
A 0005450349 |
FLANGE |
|
A 0005451766 |
CONTACT BREAKER POINT |
|
Repalced by: A 0115450628
|
|
A 0115450628 |
PLUG |
|
Repalced by: A 0325457628
|
|
A 0325457628 |
PLUG |
| 253 |
A 0009970481 |
GROMMET |
| 253B |
A 0009970581 |
GROMMET |
| 253D |
A 0009973081 |
GROMMET |
| 253E |
A 0079973781 |
GROMMET |
|
A 3079970381 |
GROMMET |
| 253L |
A 3109970081 |
GROMMET |
| 253N |
A 3075400910 |
CABLE HARNESS |
|
|
FROM FRONT CARRIAGE PLUG-CONNECTION TO REAR CARRIAGE PLUG-CONNECTION |
| 253N |
A 3075400910 |
CABLE HARNESS |
|
|
FROM FRONT CARRIAGE PLUG-CONNECTION TO REAR CARRIAGE PLUG-CONNECTION |
| 253Q |
A 3075401010 |
CABLE HARNESS |
|
|
FROM FRONT CARRIAGE PLUG-CONNECTION TO REAR CARRIAGE PLUG-CONNECTION |
| 253Q |
A 3075401010 |
CABLE HARNESS |
|
|
FROM FRONT CARRIAGE PLUG-CONNECTION TO REAR CARRIAGE PLUG-CONNECTION |
|
A 3075402034 |
CABLE HARNESS |
|
|
FROM FRONT CARRIAGE PLUG-CONNECTION TO REAR CARRIAGE PLUG-CONNECTION |
| 253S |
A 3075401110 |
CABLE HARNESS |
|
Repalced by: A 3075402635
|
| 253S |
A 3075402635 |
ELECTRIC CABLE |
|
|
FROM FRONT CARRIAGE PLUG-CONNECTION TO REAR CARRIAGE PLUG-CONNECTION |
| 253S |
A 3075402635 |
ELECTRIC CABLE |
|
|
FROM FRONT CARRIAGE PLUG-CONNECTION TO REAR CARRIAGE PLUG-CONNECTION |
|
A 3075402134 |
CABLE HARNESS |
|
|
FROM FRONT CARRIAGE PLUG-CONNECTION TO REAR CARRIAGE PLUG-CONNECTION |
| 253U |
A 3575450028 |
PLUG HOUSING |
|
|
8-POLE |
| 253X |
A 0025451428 |
PLUG |
|
|
LESS DETENT,BUT WITH CATCH FOR HOUSING |
|
|
4-6 MM2 |
| 253X |
A 0015458628 |
PLUG |
|
|
LESS DETENT,BUT WITH CATCH FOR HOUSING |
|
|
2.5 MM2 |
| 253X |
A 0025450628 |
PLUG |
|
|
WITH DETENT AND WITH CATCH FOR HOUSING |
|
|
2.5 MM2 |
| 254 |
A 3055401281 |
PLUG SOCKET |
|
|
BEND ANGLE SENDER UNIT |
|
A 0005451130 |
SHELL |
|
|
BEND ANGLE SENDER UNIT |
|
A 0009905968 |
FITTING |
|
|
BEND ANGLE SENDER UNIT |
|
A 0015456526 |
PLUG SOCKET |
|
|
BEND ANGLE SENDER UNIT |
|
A 0005450950 |
BUSHING |
|
|
BEND ANGLE SENDER UNIT |
| 254C |
A 0009905868 |
FITTING |
|
|
INSULATING HOSE TO HOUSING |
| 254E |
A 0009970581 |
GROMMET |
| 256 |
A 0019978490 |
LOOM TIE |
|
|
376 MM |
| 260 |
A 3055407408 |
CABLE HARNESS |
|
|
MAIN CABLE HARNESS,REAR END II |
| 260 |
A 3055405810 |
CABLE HARNESS |
|
|
MAIN CABLE HARNESS,REAR END II |
| 261 |
A 3055407807 |
CABLE HARNESS |
|
|
MAIN CABLE HARNESS,REAR END II |
| 261 |
A 3055406232 |
ELECTRIC CABLE |
|
Repalced by: A 3055403835
|
| 261 |
A 3055403835 |
ELECTRIC CABLE |
|
|
MAIN CABLE HARNESS,REAR END II |
| 261 |
A 3055403835 |
ELECTRIC CABLE |
|
|
MAIN CABLE HARNESS,REAR END II |
| 261 |
A 3055403936 |
ELECTRIC CABLE |
|
|
MAIN CABLE HARNESS,REAR END II |
| 261 |
A 3055403936 |
ELECTRIC CABLE |
|
|
MAIN CABLE HARNESS,REAR END II |
| 261 |
A 3055409732 |
ELECTRIC CABLE |
|
|
MAIN CABLE HARNESS,REAR END II |
| 261 |
A 3055404136 |
ELECTRIC CABLE |
|
|
MAIN CABLE HARNESS,REAR END II |
|
A 3075408306 |
CABLE HARNESS |
|
|
MAIN CABLE HARNESS,REAR END II |
| 262 |
A 0015458328 |
PIN BUSHING HOUSING |
|
|
8-POLE |
| 264 |
A 0015458128 |
PIN BUSHING HOUSING |
|
|
6-POLE |
| 265 |
A 0075450528 |
PIN BUSHING HOUSING |
|
|
6-POLE |
| 268 |
A 0015458428 |
PIN BUSHING HOUSING |
|
|
4-POLE |
| 270 |
A 0055456428 |
PIN BUSHING HOUSING |
|
|
3-POLE |
| 272 |
A 0015458728 |
PIN BUSHING HOUSING |
|
|
BIPOLAR |
| 276 |
A 0015456028 |
PLUG HOUSING |
|
|
6-POLE |
| 278 |
A 0025451228 |
PLUG HOUSING |
|
|
4-POLE |
| 278B |
A 0005462237 |
GROMMET |
|
A 0009971981 |
GROMMET |
|
Repalced by: A 0009972081
|
| 279 |
A 0009972081 |
GROMMET |
|
|
TAIL LAMPS |
| 279D |
A 0015454128 |
PIN BUSHING HOUSING |
|
|
4-POLE |
| 279H |
A 0015458228 |
PLUG HOUSING |
|
|
8-POLE |
| 279N |
A 0025451428 |
PLUG |
|
|
LESS DETENT,BUT WITH CATCH FOR HOUSING |
|
|
4-6 MM2 |
| 280 |
A 0015458628 |
PLUG |
|
|
LESS DETENT,BUT WITH CATCH FOR HOUSING |
|
|
2.5 MM2 |
| 282 |
A 0005453726 |
PIN BUSHING |
|
Repalced by: A 0075458426
|
| 282 |
A 0075458426 |
PIN BUSHING |
|
|
WITH DETENT AND WITH CATCH FOR HOUSING |
|
|
2.5 MM2 |
| 282 |
A 0005453826 |
PIN BUSHING |
|
|
LESS DETENT,BUT WITH CATCH FOR HOUSING |
|
|
2.5 MM2 |
| 284 |
A 0005451745 |
BOOT |
|
|
PIN BUSHING |
| 286 |
A 0005454026 |
PIN BUSHING |
|
|
LESS DETENT,BUT WITH CATCH FOR HOUSING |
|
|
4-6 M2 |
| 286 |
A 0025454026 |
FLAT PIN BUSHING |
|
Repalced by: A 0035455326
|
| 286 |
A 0035455326 |
PIN BUSHING |
|
|
WITH DETENT AND WITH CATCH FOR HOUSING |
|
|
4-6 MM2 |
| 288 |
A 0005467741 |
CABLE CONNECTOR |
|
|
1,5 - 6,6 MM2 |
| 288 |
A 0015466641 |
CABLE CONNECTOR |
|
|
6-10 MM2 |
| 289 |
A 0065450728 |
PIN BUSHING HOUSING |
|
|
RELAY |
|
A 0005463491 |
CONNECTOR |
|
|
32 |
| 292 |
N 999854032800 |
PLUG |
|
|
FRONT CARRIAGE,REAR |
|
|
H-32-6 PN |
| 294 |
A 0005450683 |
CONTACT PIN |
|
|
WITHE |
|
|
8 |
| 294 |
A 0005450583 |
CONTACT PIN |
|
|
AMBER |
|
|
12 |
| 294 |
A 0005450383 |
CONTACT PIN |
|
|
BLUE |
|
|
16 |
|
A 0005463391 |
CONNECTOR |
|
|
28 |
| 300 |
N 999854028800 |
PLUG |
|
|
FRONT CARRIAGE,REAR |
|
|
H-28-21 PN |
|
A 0005461938 |
END PIECE |
|
|
FRONT CARRIAGE,REAR |
|
A 0005461938 |
END PIECE |
|
|
FRONT CARRIAGE,REAR |
|
A 0001592438 |
CABLE SLEEVE |
| 300E |
A 3075400181 |
PLUG SOCKET |
|
|
REPAIR VERSION; NOT FOR DANGER CATEGORY VEHICLES |
|
|
M 30X1 |
| 301 |
A 3875460035 |
BOOT |
|
|
DECLUTCHING START SWITCH |
|
|
TO M 30X1 |
| 302 |
A 3879900054 |
NUT |
|
|
DECLUTCHING START SWITCH |
|
|
M 30X1 |
| 303 |
A 3879900140 |
WASHER |
|
|
DECLUTCHING START SWITCH |
|
|
TO M 30X1 |
| 304 |
A 3875450026 |
PLUG SOCKET |
|
|
DECLUTCHING START SWITCH |
|
|
TO M 30X1 |
| 304N |
A 0015454826 |
ROUND PIN BUSHING |
|
|
DECLUTCHING START SWITCH |
|
|
TO M 30X1 |
| 305 |
A 3805400281 |
PLUG SOCKET |
|
Repalced by: A 3805402281
|
| 305 |
A 3805402281 |
PLUG SOCKET |
|
|
REPAIR VERSION; NOT FOR DANGER CATEGORY VEHICLES |
|
|
TO M 27X1 |
| 310 |
A 3805400181 |
PLUG SOCKET |
|
Repalced by: A 3805402181
|
| 310 |
A 3805402181 |
PLUG SOCKET |
|
|
REPAIR VERSION; NOT FOR DANGER CATEGORY VEHICLES |
|
|
TO M 24X1 |
| 310B |
A 0009902054 |
NUT |
|
|
PRESSURE SWITCH SCREW-CONNECTION |
|
|
M 24X1 |
| 310D |
A 0009903654 |
NUT |
|
|
PRESSURE SWITCH SCREW-CONNECTION |
|
|
M 27X1 |
| 312 |
A 0009906840 |
WASHER |
|
|
PRESSURE SWITCH SCREW-CONNECTION |
|
|
TO M 24X1 |
| 312B |
A 3809900140 |
WASHER |
|
|
PRESSURE SWITCH SCREW-CONNECTION |
|
|
TO M 27X1 |
| 314 |
A 3805460335 |
BOOT |
|
|
PRESSURE SWITCH SCREW-CONNECTION |
|
|
TO M 27X1,M 24X1 |
| 314 |
A 6015460335 |
BOOT |
|
|
PRESSURE SWITCH SCREW-CONNECTION |
|
|
TO M 27X1,M 24X1 |
| 314B |
A 3805450026 |
PLUG SOCKET |
|
|
PRESSURE SWITCH SCREW-CONNECTION |
|
|
TO M 24X1 |
| 314D |
A 3805450226 |
PLUG SOCKET |
|
|
PRESSURE SWITCH SCREW-CONNECTION |
|
|
TO M 27X1 |
| 315 |
A 0015454826 |
ROUND PIN BUSHING |
|
|
PRESSURE SWITCH SCREW-CONNECTION |
|
|
TO 27X1,24X1 |
| 316 |
A 3015460035 |
BOOT |
|
|
TACHOGRAPH SENDER UNIT |
| 316 |
A 3055460135 |
BOOT |
| 316 |
A 3055460035 |
BOOT |
|
|
TACHOGRAPH SENDER UNIT CONNECTION |
| 317 |
A 0029978590 |
CLIP |
|
|
TACHOGRAPH SENDER UNIT |
| 318 |
A 3019900154 |
NUT |
|
|
TACHOGRAPH SENDER UNIT |
|
|
28X1 MM |
| 318 |
A 0005421572 |
NUT |
|
|
TACHOGRAPH SENDER UNIT |
|
|
M 28X1 |
| 320 |
A 0095451928 |
PIN BUSHING HOUSING |
|
|
TACHOGRAPH SENDER UNIT |
| 320 |
A 0125450928 |
PIN BUSHING HOUSING |
|
|
TACHOGRAPH SENDER UNIT |
| 322 |
A 3019901440 |
WASHER |
|
|
TACHOGRAPH SENDER UNIT |
| 322B |
A 0005467130 |
INSULATING HOSE |
|
|
8.5 MM |
| 322D |
A 0005461730 |
INSULATING HOSE |
|
|
12 MM |
| 322F |
A 0005461830 |
INSULATING HOSE |
|
|
17 MM |
| 323 |
A 0005461930 |
INSULATING HOSE |
|
|
23 MM |
| 323B |
A 0005462030 |
INSULATING HOSE |
|
|
29 MM |
| 323B |
A 0005469330 |
INSULATING HOSE |
| 324 |
A 0005462130 |
INSULATING HOSE |
|
|
37 MM |
| 324 |
A 0005467930 |
INSULATING HOSE |
|
Repalced by: A 0005469330
|
|
A 0005469330 |
INSULATING HOSE |
|
|
25 MM |
|
A 3879940042 |
LOCK |
|
|
8.5 MM |
|
A 3879940042 |
LOCK |
|
|
8.5 MM |
|
A 3875460235 |
BOOT |
|
A 3805460069 |
PLUG |
|
A 0005461237 |
GROMMET |
|
A 6019972081 |
GROMMET |
|
A 3805460037 |
GROMMET |
|
A 3805461937 |
GROMMET |
| 326 |
A 3359970081 |
GROMMET |
|
|
BATTERY MASTER SWITCH |
| 328 |
A 3149970381 |
GROMMET |
|
Repalced by: A 3359970081
|
| 328 |
A 3359970081 |
GROMMET |
|
|
UNDERSEAT HEATING |
| 330 |
A 1869970481 |
GROMMET |
|
|
UNDERSEAT HEATING |
| 331 |
A 3219970281 |
GROMMET |
|
Repalced by: A 3359970081
|
| 331 |
A 3359970081 |
GROMMET |
|
|
SECONDARY SWITCHBOARD |
| 332 |
A 3359970081 |
GROMMET |
|
|
BATTERY MASTER SWITCH |
| 332 |
A 0009972181 |
GROMMET |
|
Repalced by: A 0009972081
|
| 332 |
A 0009972081 |
GROMMET |
|
|
BATTERY MASTER SWITCH |
| 332D |
A 3219970081 |
GROMMET |
|
Repalced by: A 3359970081
|
| 332D |
A 3359970081 |
GROMMET |
|
|
WEBASTO HEATER RECIRCULATING PUMP |
| 332E |
A 0009970181 |
GROMMET |
|
|
CABLE SHOE |
| 333 |
A 0009970481 |
GROMMET |
|
|
CABLE SHOE |
| 333 |
A 0009970681 |
GROMMET |
|
|
CABLE SHOE |
| 333 |
A 0009970781 |
GROMMET |
|
|
CABLE SHOE |
| 333D |
A 1009970081 |
GROMMET |
|
|
SECONDARY SWITCHBOARD |
| 333D |
A 3219970381 |
GROMMET |
| 333K |
A 0019978390 |
LOOM TIE |
|
|
MAIN CABLE,REAR END |
|
|
280 MM |
|
A 3075401734 |
CABLE HARNESS |
|
|
REPAIR VERSION; CABLE HARNESSES IN ARTICULATION AREA |
|
A 3075401834 |
CABLE HARNESS |
|
|
REPAIR VERSION; CABLE HARNESSES IN ARTICULATION AREA |
| 334 |
A 0019978490 |
LOOM TIE |
|
|
CABLE HARNESS MOUNTING |
|
|
376 MM |
|
A 0005451745 |
BOOT |
|
|
MAIN CABLE,REAR END |
|
A 3059950025 |
CLAMP |
|
|
MAIN CABLE,REAR END |
|
N 000933008212 |
SCREW |
|
Repalced by: N 304017008016
|
|
N 304017008016 |
SCREW |
|
|
ELECTRIC CABLES IN ARTICULATION AREA |
|
|
M 8X16 |
|
N 913004008005 |
NUT |
|
|
ELECTRIC CABLES IN ARTICULATION AREA |
| 334B |
N 916016018201 |
CLAMP |
|
|
ELECTRIC CABLES |
| 334D |
N 072571001034 |
CLAMP |
|
|
ELECTRIC CABLES |
| 334F |
N 007981003246 |
SHEET METAL SCREW |
|
|
ELECTRIC CABLES |
| 336 |
N 916016032201 |
CLAMP |
|
|
MAIN CABLE HARNESS TO BODY |
| 336B |
N 914025006101 |
COMBINATION BOLT |
|
|
MAIN CABLE HARNESS TO BODY |
| 336D |
A 0009881678 |
CLIP |
|
|
ENGINE COMPARTMENT LAMP |
| 336E |
N 072571001034 |
CLAMP |
|
|
TAIL LAMP CABLE,LEFT AND RIGHT |
| 336F |
N 007981003246 |
SHEET METAL SCREW |
|
|
TAIL LAMP CABLE,LEFT AND RIGHT |
| 336H |
A 3075402710 |
CABLE HARNESS |
|
|
FROM REAR END PLUG-CONNECTION TO SECONDARY INSTRUMENT PANEL & LIGHTING |
| 336H |
A 3075402710 |
CABLE HARNESS |
|
|
FROM REAR END PLUG-CONNECTION TO SECONDARY INSTRUMENT PANEL & LIGHTING |
| 336K |
A 3075402310 |
CABLE HARNESS |
|
|
FROM REAR CARRIAGE ARTIC.TO REAR CARR. SOLENOID VALVES,SECOND. INSTRUM. PANEL |
| 336K |
A 3075402310 |
CABLE HARNESS |
|
|
FROM REAR CARRIAGE ARTIC.TO REAR CARR. SOLENOID VALVES,SECOND. INSTRUM. PANEL |
| 336L |
A 3075403010 |
CABLE HARNESS |
|
|
FROM REAR END PLUG-CONNECTION TO WEBASTO HEATER |
| 336L |
A 3075403010 |
CABLE HARNESS |
|
|
FROM REAR END PLUG-CONNECTION TO WEBASTO HEATER |
| 336M |
A 3075402810 |
CABLE HARNESS |
|
|
FROM REAR END PLUG-CONNECTION TO AUTOMATIC TRANSMISSION |
| 336M |
A 3075402810 |
CABLE HARNESS |
|
|
FROM REAR END PLUG-CONNECTION TO AUTOMATIC TRANSMISSION |
| 336N |
A 3075403310 |
CABLE HARNESS |
|
|
FROM SECONDARY SWITCHBOARD I TO SECONDARY SWITCHBOARD II |
| 336N |
A 3075403310 |
CABLE HARNESS |
|
|
FROM SECONDARY SWITCHBOARD I TO SECONDARY SWITCHBOARD II |
| 336P |
A 3055409336 |
ELECTRIC CABLE |
|
|
FROM SECONDARY INSTRUMENT PANEL PLUGCONNECTION TO BATTERY MASTER SWITCH |
| 336P |
A 3055409336 |
ELECTRIC CABLE |
|
|
FROM SECONDARY INSTRUMENT PANEL PLUGCONNECTION TO BATTERY MASTER SWITCH |
| 336Q |
A 3075400734 |
CABLE HARNESS |
|
|
FROM SECONDARY INSTRUMENT PANEL PLUGCONNECTION TO DECLUTCHING START UNIT |
| 336Q |
A 3075400734 |
CABLE HARNESS |
|
|
FROM SECONDARY INSTRUMENT PANEL PLUGCONNECTION TO DECLUTCHING START UNIT |
| 336R |
A 0015458328 |
PIN BUSHING HOUSING |
|
|
8-POLE |
| 336S |
A 0075450528 |
PIN BUSHING HOUSING |
|
|
6-POLE |
| 336T |
A 0015458428 |
PIN BUSHING HOUSING |
|
|
4-POLE |
| 336U |
A 0015454128 |
PIN BUSHING HOUSING |
|
|
4-POLE |
| 336W |
A 0125452128 |
PIN BUSHING HOUSING |
|
|
4-POLE |
| 336X |
A 0125452228 |
PIN BUSHING HOUSING |
|
|
4-POLE |
| 336Y |
A 0125450928 |
PIN BUSHING HOUSING |
|
|
3-POLE |
| 336Z |
A 0015458728 |
PIN BUSHING HOUSING |
|
|
BIPOLAR |
| 337 |
A 0025451228 |
PLUG HOUSING |
|
|
4-POLE |
| 337B |
A 0005454026 |
PIN BUSHING |
|
|
LESS DETENT,BUT WITH CATCH FOR HOUSING |
|
|
4-6 MM2 |
| 337C |
A 0025454026 |
FLAT PIN BUSHING |
|
Repalced by: A 0035455326
|
| 337C |
A 0035455326 |
PIN BUSHING |
|
|
WITH DETENT AND WITH CATCH FOR HOUSING |
|
|
4-6 MM2 |
| 337D |
A 0005453826 |
PIN BUSHING |
|
|
LESS DETENT,BUT WITH CATCH FOR HOUSING |
|
|
2.5 MM2 |
| 337D |
A 0005453726 |
PIN BUSHING |
|
Repalced by: A 0075458426
|
| 337D |
A 0075458426 |
PIN BUSHING |
|
|
WITH DETENT AND WITH CATCH FOR HOUSING |
|
|
2.5 MM2 |
| 337E |
A 0025450628 |
PLUG |
|
|
WITH DETENT AND WITH CATCH FOR HOUSING |
|
|
2.5 MM2 |
|
A 3805402681 |
PLUG SOCKET |
|
|
(PARTS KIT),BIPOLAR SCREW CONNECTION, FOR CORRUGATED TUBE |
|
|
M 24X1 |
|
A 3805402781 |
PLUG SOCKET |
|
|
(PARTS KIT),BIPOLAR SCREW CONNECTION, FOR CORRUGATED TUBE |
|
|
M 27X1 |
| 337F |
A 3805460135 |
BOOT |
|
|
TO M 27X1,M 24X1 |
| 337F |
A 3875460035 |
BOOT |
|
|
PRESSURE SWITCH SCREW-CONNECTION |
|
|
TO M 30X1 |
| 337H |
A 3879900054 |
NUT |
|
|
PRESSURE SWITCH SCREW-CONNECTION |
|
|
M 30X1 |
| 337H |
A 0009903654 |
NUT |
|
|
PRESSURE SWITCH SCREW-CONNECTION |
|
|
M 27X1 |
| 337H |
A 0009902054 |
NUT |
|
|
PRESSURE SWITCH SCREW-CONNECTION |
|
|
M 24X1 |
| 337K |
A 3879900140 |
WASHER |
|
|
PRESSURE SWITCH SCREW-CONNECTION |
|
|
TO M 30X1 |
| 337K |
A 3809900140 |
WASHER |
|
|
PRESSURE SWITCH SCREW-CONNECTION |
|
|
TO M 27X1 |
| 337K |
A 0009906840 |
WASHER |
|
|
PRESSURE SWITCH SCREW-CONNECTION |
|
|
TO M 24X1 |
| 337L |
A 3875450026 |
PLUG SOCKET |
|
|
PRESSURE SWITCH SCREW-CONNECTION |
|
|
TO M 30X1 |
| 337L |
A 3805450226 |
PLUG SOCKET |
|
|
PRESSURE SWITCH SCREW-CONNECTION |
|
|
TO M 27X1 |
| 337L |
A 3805450026 |
PLUG SOCKET |
|
|
PRESSURE SWITCH SCREW-CONNECTION |
|
|
TO M 24X1 |
| 337M |
A 0015454826 |
ROUND PIN BUSHING |
|
|
PRESSURE SWITCH SCREW-CONNECTION |
|
|
M 27X1,24X1,30X1 |
| 337N |
A 3075400181 |
PLUG SOCKET |
|
|
REPAIR VERSION; NOT FOR DANGER CATEGORY VEHICLES |
|
|
M 30X1 |
| 337N |
A 3805400281 |
PLUG SOCKET |
|
Repalced by: A 3805402281
|
| 337N |
A 3805402281 |
PLUG SOCKET |
|
|
REPAIR VERSION; NOT FOR DANGER CATEGORY VEHICLES |
|
|
M 27X1 |
| 337N |
A 3805400181 |
PLUG SOCKET |
|
Repalced by: A 3805402181
|
| 337N |
A 3805402181 |
PLUG SOCKET |
|
|
REPAIR VERSION; NOT FOR DANGER CATEGORY VEHICLES |
|
|
M 24X1 |
| 337P |
A 3879940042 |
LOCK |
|
|
INSULATING HOSE TO CABLE HARNESS |
|
|
8.5 MM |
| 337Q |
A 0005421572 |
NUT |
| 337R |
A 3019901440 |
WASHER |
| 337S |
A 3055460135 |
BOOT |
|
A 3875460235 |
BOOT |
| 337T |
A 0009970181 |
GROMMET |
| 337T |
A 0009970381 |
GROMMET |
| 337T |
A 0009970681 |
GROMMET |
| 337T |
A 0009970781 |
GROMMET |
| 337U |
A 0079973781 |
GROMMET |
| 337W |
A 0005461237 |
GROMMET |
| 337X |
A 3079970081 |
GROMMET |
| 337Y |
A 6019972381 |
GROMMET |
|
Repalced by: A 3819970881
|
|
A 3819970881 |
GROMMET |
| 337Z |
A 6019972081 |
GROMMET |
| 337ZB |
A 0019978390 |
LOOM TIE |
|
|
280 MM |
| 338 |
A 3055405010 |
CABLE HARNESS |
|
|
TO REAR CARRIAGE |
|
|
I |
| 340 |
A 3055405310 |
CABLE HARNESS |
|
|
TO REAR CARRIAGE |
|
|
II |
| 340B |
A 0015458328 |
PIN BUSHING HOUSING |
|
|
8-POLE |
| 340C |
A 0015454128 |
PIN BUSHING HOUSING |
|
|
4-POLE |
| 340D |
A 0015458228 |
PLUG HOUSING |
|
|
8-POLE |
| 340H |
A 0025451228 |
PLUG HOUSING |
|
|
4-POLE |
| 342 |
A 0005453726 |
PIN BUSHING |
|
Repalced by: A 0075458426
|
| 342 |
A 0075458426 |
PIN BUSHING |
|
|
WITH DETENT AND WITH CATCH FOR HOUSING |
|
|
2,5 |
| 342 |
A 0005453826 |
PIN BUSHING |
|
|
LESS DETENT,BUT WITH CATCH FOR HOUSING |
|
|
2.5 MM2 |
| 342D |
A 0005454026 |
PIN BUSHING |
|
|
LESS DETENT,BUT WITH CATCH FOR HOUSING |
|
|
4-6 MM |
| 342F |
A 0025450628 |
PLUG |
|
|
WITH DETENT AND WITH CATCH FOR HOUSING |
|
|
2,5 |
| 342FC |
A 0009970681 |
GROMMET |
| 342H |
A 0019978390 |
LOOM TIE |
|
|
280 MM |
|
A 3075409008 |
CABLE HARNESS |
|
|
REPAIR VERSION; CABLE HARNESSES IN ARTICULATION AREA |
|
A 3075409108 |
CABLE HARNESS |
|
|
REPAIR VERSION; CABLE HARNESSES IN ARTICULATION AREA |
| 342L |
A 3055405637 |
ELECTRIC CABLE |
|
|
SECONDARY INSTRUMENT PANEL CABLE HARNESS |
| 342L |
A 3055405637 |
ELECTRIC CABLE |
|
|
SECONDARY INSTRUMENT PANEL CABLE HARNESS |
| 342M |
A 3075403210 |
CABLE HARNESS |
|
|
FROM SECONDARY INSTRUMENT PANEL PLUGCONNECTION TO FUSES |
| 342M |
A 3075403210 |
CABLE HARNESS |
|
|
FROM SECONDARY INSTRUMENT PANEL PLUGCONNECTION TO FUSES |
| 342N |
A 3075403110 |
CABLE HARNESS |
|
|
FROM SECONDARY INSTRUMENT PANEL PLUGCONNECTION TO RELAYS |
| 342N |
A 3075403110 |
CABLE HARNESS |
|
|
FROM SECONDARY INSTRUMENT PANEL PLUGCONNECTION TO RELAYS |
| 342P |
A 0015458328 |
PIN BUSHING HOUSING |
|
|
8-POLE |
| 342Q |
A 0075450528 |
PIN BUSHING HOUSING |
|
|
6-POLE |
| 342R |
A 0065450728 |
PIN BUSHING HOUSING |
|
|
5-POLE |
| 342S |
A 0015454128 |
PIN BUSHING HOUSING |
|
|
4-POLE |
| 342T |
A 0015458728 |
PIN BUSHING HOUSING |
|
|
BIPOLAR |
| 342U |
A 0025451128 |
PIN BUSHING HOUSING |
|
|
UNIPOLAR |
| 342W |
A 3575450028 |
PLUG HOUSING |
|
|
8-POLE |
| 342X |
A 0025451228 |
PLUG HOUSING |
|
|
4-POLE |
| 342Y |
A 0025451328 |
PIN BUSHING HOUSING |
|
|
UNIPOLAR |
| 343 |
A 0005454026 |
PIN BUSHING |
|
|
LESS DETENT,BUT WITH CATCH FOR HOUSING |
|
|
4-6 MM2 |
| 343C |
A 0025454026 |
FLAT PIN BUSHING |
|
Repalced by: A 0035455326
|
| 343C |
A 0035455326 |
PIN BUSHING |
|
|
WITH DETENT AND WITH CATCH FOR HOUSING |
|
|
4-6 MM2 |
| 343E |
A 0005453826 |
PIN BUSHING |
|
|
LESS DETENT,BUT WITH CATCH FOR HOUSING |
|
|
2.5 MM2 |
| 343F |
A 0005453726 |
PIN BUSHING |
|
Repalced by: A 0075458426
|
| 343F |
A 0075458426 |
PIN BUSHING |
|
|
WITH DETENT AND WITH CATCH FOR HOUSING |
|
|
2.5 MM2 |
| 343H |
A 0025451428 |
PLUG |
|
|
LESS DETENT,BUT WITH CATCH FOR HOUSING |
|
|
4-6 MM2 |
| 343K |
A 0025450628 |
PLUG |
|
|
WITH DETENT AND WITH CATCH FOR HOUSING |
|
|
2.5 MM2 |
| 343L |
A 0015458628 |
PLUG |
|
|
LESS DETENT,BUT WITH CATCH FOR HOUSING |
|
|
2.5 MM2 |
| 343M |
A 0065451428 |
PIN BUSHING HOUSING |
|
|
RELAY |
| 343N |
A 0009970781 |
GROMMET |
| 343P |
A 1869970781 |
GROMMET |
| 343R |
A 0019978490 |
LOOM TIE |
|
|
376 MM |
| 343R |
A 0019978390 |
LOOM TIE |
|
|
280 MM |
| 344 |
N 916016032200 |
CLAMP |
|
|
ELECTRIC CABLES IN ARTICULATION AREA |
| 344B |
N 000933004011 |
SCREW |
|
|
ELECTRIC CABLES IN ARTICULATION AREA |
| 344D |
N 000934004006 |
NUT |
|
|
ELECTRIC CABLES IN ARTICULATION AREA |
| 344F |
N 000137004203 |
SPRING WASHER |
|
|
ELECTRIC CABLES IN ARTICULATION AREA |
| 346 |
N 916016035205 |
CLAMP |
|
|
ELECTRIC CABLES IN ARTICULATION AREA |
| 346D |
N 000933004011 |
SCREW |
|
|
ELECTRIC CABLES IN ARTICULATION AREA |
| 346F |
N 000934004006 |
NUT |
|
|
ELECTRIC CABLES IN ARTICULATION AREA |
| 346H |
N 000137004203 |
SPRING WASHER |
|
|
ELECTRIC CABLES IN ARTICULATION AREA |
| 348 |
N 916016045200 |
CLAMP |
|
|
ELECTRIC CABLES IN ARTICULATION AREA |
| 348B |
N 000933005035 |
SCREW |
|
|
ELECTRIC CABLES IN ARTICULATION AREA |
| 348D |
N 000934005008 |
NUT |
|
|
ELECTRIC CABLES IN ARTICULATION AREA |
| 348F |
N 000137005203 |
SPRING WASHER |
|
|
ELECTRIC CABLES IN ARTICULATION AREA |
| 348N |
N 916016010201 |
CLAMP |
|
Repalced by: N 916016010211
|
| 348N |
N 916016010211 |
CLAMP |
|
Repalced by: N 000000001045
|
| 348N |
N 000000001045 |
CLAMP |
|
|
ELECTRIC CABLES IN ARTICULATION AREA |
| 348S |
A 3058990199 |
RING |
|
|
ELECTRIC CABLES IN ARTICULATION AREA |
| 349 |
A 3055401773 |
BRACKET |
|
|
ELECTRIC CABLES IN ARTICULATION AREA |
| 349D |
N 912004010102 |
LOCK WASHER |
|
|
ELECTRIC CABLES IN ARTICULATION AREA |
| 349D |
N 912004006102 |
LOCK WASHER |
|
|
ELECTRIC CABLES IN ARTICULATION AREA |
| 349K |
N 000934010002 |
NUT |
|
|
ELECTRIC CABLES IN ARTICULATION AREA |
| 349N |
N 007985006193 |
SCREW |
|
|
ELECTRIC CABLES IN ARTICULATION AREA |
|
|
M 6X16 |
|
A 0005468041 |
CABLE CONNECTOR |
|
|
ELECTRIC CABLES IN ARTICULATION AREA |
|
N 007985004107 |
SCREW |
|
|
ELECTRIC CABLES IN ARTICULATION AREA |
|
|
M4X10 |
|
N 912004004102 |
LOCK WASHER |
|
|
ELECTRIC CABLES IN ARTICULATION AREA |
|
N 007985006161 |
SCREW |
|
Repalced by: N 007985006580
|
|
N 007985006580 |
SCREW |
|
|
ELECTRIC CABLES IN ARTICULATION AREA |
|
|
M6X10 |
|
N 912004006102 |
LOCK WASHER |
|
|
ELECTRIC CABLES IN ARTICULATION AREA |
| 350 |
A 3075401109 |
CABLE HARNESS |
|
|
ENGINE |
| 350 |
A 3075404709 |
CABLE HARNESS |
|
|
ENGINE |
| 350 |
A 3075404709 |
CABLE HARNESS |
|
|
ENGINE |
| 350 |
A 3055408209 |
CABLE HARNESS |
|
|
ENGINE |
| 351 |
A 3055401508 |
CABLE HARNESS |
|
|
ENGINE |
| 351 |
A 3055404207 |
CABLE HARNESS |
|
|
ENGINE |
| 351 |
A 3055404207 |
CABLE HARNESS |
|
|
ENGINE |
| 351 |
A 3055405937 |
ELECTRIC CABLE |
|
Repalced by: A 3175407008
|
| 351 |
A 3175407008 |
CABLE HARNESS |
|
|
ENGINE |
| 351 |
A 3175407008 |
CABLE HARNESS |
|
|
ENGINE |
| 351L |
A 0015458328 |
PIN BUSHING HOUSING |
|
|
8-POLE |
| 352 |
A 0015458128 |
PIN BUSHING HOUSING |
|
|
6-POLE |
| 354 |
A 0015458728 |
PIN BUSHING HOUSING |
|
|
BIPOLAR |
| 355 |
A 0015458228 |
PLUG HOUSING |
|
|
8-POLE |
| 356 |
A 0015456028 |
PLUG HOUSING |
|
|
6-POLE |
| 358 |
A 0045457528 |
PLUG |
|
|
REGULATOR CASE |
| 360 |
A 0015458628 |
PLUG |
|
|
LESS DETENT,BUT WITH CATCH FOR HOUSING |
|
|
2.5 MM2 |
| 360A |
A 0025450628 |
PLUG |
|
|
WITH DETENT AND WITH CATCH FOR HOUSING |
|
|
2.5 MM2 |
| 360B |
A 0025451428 |
PLUG |
|
|
LESS DETENT,BUT WITH CATCH FOR HOUSING |
|
|
4-6 M2 |
| 360D |
A 0025459528 |
PIN BUSHING HOUSING |
|
|
3-POLE |
| 360F |
A 0025451128 |
PIN BUSHING HOUSING |
|
|
UNIPOLAR |
| 362 |
A 0005453726 |
PIN BUSHING |
|
Repalced by: A 0075458426
|
| 362 |
A 0075458426 |
PIN BUSHING |
|
|
WITH DETENT AND WITH CATCH FOR HOUSING |
|
|
2.5 MM2 |
| 362 |
A 0005453826 |
PIN BUSHING |
|
|
LESS DETENT,BUT WITH CATCH FOR HOUSING |
|
|
2.5 MM2 |
| 362D |
A 0005454026 |
PIN BUSHING |
|
|
LESS DETENT,BUT WITH CATCH FOR HOUSING |
|
|
4-6 MM2 |
| 362F |
A 0005454526 |
PIN BUSHING |
|
Repalced by: A 0005453726
|
| 362F |
A 0005453726 |
PIN BUSHING |
|
Repalced by: A 0075458426
|
| 362F |
A 0075458426 |
PIN BUSHING |
|
|
WITH DETENT AND WITH CATCH FOR HOUSING |
|
|
2.5 MM2 |
| 362M |
A 0005451745 |
BOOT |
|
|
PIN BUSHING |
|
A 0005468240 |
CABLE SHOE |
|
|
ALTERNATOR |
| 363B |
A 0009970281 |
GROMMET |
|
Repalced by: A 0009970381
|
| 363B |
A 0009970381 |
GROMMET |
|
|
CABLE SHOE |
|
|
2.5X25 MM |
| 363B |
A 0009970381 |
GROMMET |
|
|
CABLE SHOE |
|
|
3X25 MM |
| 363B |
A 0009970581 |
GROMMET |
|
|
CABLE SHOE |
|
|
5X25 MM |
| 363B |
A 0009970781 |
GROMMET |
|
|
CABLE SHOE |
| 364 |
A 3079970081 |
GROMMET |
|
|
70 MM |
|
A 3149970381 |
GROMMET |
|
Repalced by: A 3359970081
|
| 366 |
A 3359970081 |
GROMMET |
| 366 |
A 0079975281 |
GROMMET |
| 368 |
A 3075400085 |
PROTECTIVE TUBE |
|
Repalced by: A 3075400185
|
| 368 |
A 3075400185 |
PROTECTIVE TUBE |
|
Repalced by: A 3575400285
|
| 368 |
A 3575400285 |
PROTECTIVE TUBE |
| 368B |
A 3055400185 |
PROTECTIVE TUBE |
| 368BB |
A 3055460785 |
PROTECTIVE TUBE |
|
Repalced by: A 3055400185
|
| 368BB |
A 3055400185 |
PROTECTIVE TUBE |
|
A 3055461643 |
BRACKET |
|
|
CABLE CONDUIT |
|
A 3055461743 |
BRACKET |
|
|
CABLE CONDUIT |
| 368BH |
N 916016035205 |
CLAMP |
|
|
CABLE CONDUIT |
| 368BL |
N 000933008153 |
SCREW |
|
Repalced by: N 304017008034
|
| 368BL |
N 304017008034 |
SCREW |
|
|
CABLE CONDUIT |
| 368BP |
N 912004008102 |
LOCK WASHER |
|
|
CABLE CONDUIT |
| 368BS |
N 000934008020 |
NUT |
|
|
CABLE CONDUIT |
| 368D |
A 0005461630 |
INSULATING HOSE |
|
|
10 MM |
| 368F |
A 0005461930 |
INSULATING HOSE |
|
|
23 MM |
|
A 3055462543 |
BRACKET |
|
|
ALTERNATOR BRANCH-OFF |
| 368L |
N 916016020201 |
CLAMP |
|
|
ALTERNATOR BRANCH-OFF |
| 368L |
N 916016028204 |
CLAMP |
|
|
ALTERNATOR BRANCH-OFF |
| 368N |
N 000000001147 |
SCREW |
|
|
ALTERNATOR BRANCH-OFF |
|
|
M 6X20 |
| 368P |
N 000934005008 |
NUT |
|
|
CABLE TO ALTERNATOR |
| 368P |
N 000934006007 |
NUT |
|
|
CABLE TO ALTERNATOR |
| 368P |
N 000934008010 |
NUT |
|
|
CABLE TO ALTERNATOR |
| 368Q |
N 000137005203 |
SPRING WASHER |
|
|
CABLE TO ALTERNATOR |
| 368Q |
N 000137006204 |
SPRING WASHER |
|
|
CABLE TO ALTERNATOR |
| 368Q |
N 000137008204 |
SPRING WASHER |
|
|
CABLE TO ALTERNATOR |
|
A 3055401627 |
ELECTRIC CABLE |
|
|
WEBASTO HEATER THERMOSTAT |
| 368R |
A 0025451228 |
PLUG HOUSING |
|
|
4-POLE |
| 368S |
A 0005453726 |
PIN BUSHING |
|
Repalced by: A 0075458426
|
| 368S |
A 0075458426 |
PIN BUSHING |
|
|
WITH DETENT AND WITH CATCH FOR HOUSING |
|
|
2.5 MM2 |
| 368T |
A 0015458628 |
PLUG |
|
|
LESS DETENT,BUT WITH CATCH FOR HOUSING |
|
|
2.5 MM2 |
| 368U |
A 0005451745 |
BOOT |
|
|
PIN BUSHING |
| 369 |
A 3025460275 |
CLAMP |
|
|
FRONT END MAIN CABLE HARNESS TO WINDOW SILL |
| 369B |
N 916016028204 |
CLAMP |
|
|
FRONT END MAIN CABLE HARNESS TO WINDOW SILL |
| 369D |
N 007981004233 |
SHEET METAL SCREW |
|
Repalced by: N 000000000460
|
| 369D |
N 000000000460 |
SHEET METAL SCREW |
|
|
FRONT END MAIN CABLE HARNESS TO WINDOW SILL |
|
A 3028323514 |
BRACKET |
|
|
MAIN CABLE HARNESS FROM TOP OF FRONT END TO INSTRUMENT PANEL |
| 369H |
N 007985006157 |
SCREW |
|
Repalced by: N 000000001145
|
| 369H |
N 000000001145 |
SCREW |
|
|
MAIN CABLE HARNESS FROM TOP OF FRONT END TO INSTRUMENT PANEL |
| 369K |
N 916016025201 |
CLAMP |
|
|
MAIN CABLE HARNESS FROM TOP OF FRONT END TO INSTRUMENT PANEL |
| 369M |
N 000084006197 |
SCREW |
|
|
MAIN CABLE HARNESS FROM TOP OF FRONT END TO INSTRUMENT PANEL |
| 369P |
N 912004006102 |
LOCK WASHER |
|
|
MAIN CABLE HARNESS FROM TOP OF FRONT END TO INSTRUMENT PANEL |
| 369R |
N 000934006007 |
NUT |
|
|
MAIN CABLE HARNESS FROM TOP OF FRONT END TO INSTRUMENT PANEL |
|
A 3075460443 |
BRACKET |
|
Repalced by: A 3055461443
|
|
A 3055461443 |
BRACKET |
|
|
STEERING COLUMN MOUNTED SWITCH PLUGCONNECTION TO WINDOW SILL |
| 370B |
N 007981005211 |
SHEET METAL SCREW |
|
|
STEERING COLUMN MOUNTED SWITCH PLUGCONNECTION TO WINDOW SILL |
| 370K |
A 3025460175 |
CLAMP |
|
|
FRONT END MAIN CABLE HARNESS TO WINDOW SILL |
| 370K |
A 3025460375 |
CLAMP |
|
|
FRONT END MAIN CABLE HARNESS TO WINDOW SILL |
| 370N |
N 007981004233 |
SHEET METAL SCREW |
|
Repalced by: N 000000000460
|
| 370N |
N 000000000460 |
SHEET METAL SCREW |
|
|
FRONT END MAIN CABLE HARNESS TO WINDOW SILL |
| 370R |
A 0019978390 |
LOOM TIE |
|
|
MAIN CABLE HARNESS BRANCH-OFF TOWARDS HORN/STOP LIGHT SWITCH TO SUBSTRUCTURE |
|
|
280 MM |
| 371 |
A 3055400673 |
BRACKET |
|
|
BRANCH-OFF TO OIL PRESSURE SENDER UNIT |
| 371B |
N 000933014033 |
SCREW |
|
|
CABLE HARNESS MOUNTING |
|
|
M 14X20 |
| 371D |
N 916016006208 |
CLAMP |
|
|
CABLE HARNESS MOUNTING |
|
|
6/15 |
| 371F |
N 914025006103 |
COMBINATION BOLT |
|
|
CABLE HARNESS MOUNTING |
| 371M |
A 0019978390 |
LOOM TIE |
|
|
CABLE HARNESS MOUNTING |
|
|
280 MM |
| 372 |
N 000933010129 |
SCREW |
|
Repalced by: N 304017010002
|
| 372 |
N 304017010002 |
SCREW |
|
|
REAR END CABLE AND GROUND CABLE TO LATTICE FRAME |
| 373 |
N 000125010518 |
WASHER |
|
Repalced by: N 000125010532
|
| 373 |
N 000125010532 |
WASHER |
|
|
REAR END CABLE AND GROUND CABLE TO LATTICE FRAME |
| 374 |
N 912006010000 |
LOCK WASHER |
|
|
REAR END CABLE AND GROUND CABLE TO LATTICE FRAME |
| 375 |
N 000934010035 |
NUT |
|
|
REAR END CABLE AND GROUND CABLE TO LATTICE FRAME |
| 375H |
N 000933012058 |
SCREW |
|
|
CABLE CONDUIT TO ENGINE UPPER SUSPENSION |
|
|
M12X20 |
| 375K |
N 000933014001 |
SCREW |
|
|
CABLE CONDUIT TO ENGINE UPPER SUSPENSION |
|
|
M14X25 |
| 376B |
N 000125013008 |
WASHER |
| 376D |
N 000125015013 |
WASHER |
|
Repalced by: N 000125015019
|
| 376D |
N 000125015019 |
WASHER |
|
|
CABLE CONDUIT TO ENGINE UPPER SUSPENSION |
| 377 |
N 916016035205 |
CLAMP |
|
|
CABLE TO STARTING MOTOR,TERMINAL 30 |
| 377B |
N 007985006193 |
SCREW |
|
|
CABLE TO STARTING MOTOR,TERMINAL 30 |
| 377D |
N 912004006102 |
LOCK WASHER |
|
|
CABLE TO STARTING MOTOR,TERMINAL 30 |
| 377F |
N 000934006007 |
NUT |
|
|
CABLE TO STARTING MOTOR,TERMINAL 30 |
| 378 |
A 3075460343 |
BRACKET |
|
|
STARTING MOTOR BRANCH-OFF TO TIMING CASE |
| 378B |
N 000125010518 |
WASHER |
|
Repalced by: N 000125010532
|
| 378B |
N 000125010532 |
WASHER |
|
|
STARTING MOTOR BRANCH-OFF TO TIMING CASE |
| 378D |
N 916016022206 |
CLAMP |
|
|
STARTING MOTOR BRANCH-OFF TO TIMING CASE |
| 378D |
N 916016022206 |
CLAMP |
|
|
STARTING CABLE |
| 378F |
N 000933006103 |
SCREW |
|
Repalced by: N 304017006018
|
| 378F |
N 304017006018 |
SCREW |
|
|
STARTING MOTOR BRANCH-OFF TO TIMING CASE |
|
|
M 6X12 |
| 378H |
N 000931010264 |
SCREW |
|
|
STARTING MOTOR BRANCH-OFF TO TIMING CASE |
|
|
M 10X45 |
| 378K |
N 912004006102 |
LOCK WASHER |
|
|
STARTING MOTOR BRANCH-OFF TO TIMING CASE |
|
|
A 6 |
| 378M |
N 000934006007 |
NUT |
|
|
STARTING MOTOR BRANCH-OFF TO TIMING CASE |
|
|
M 6 |
| 379 |
A 3144290240 |
BRACKET |
|
Repalced by: A 3812950440
|
| 379 |
A 3812950440 |
BRACKET |
| 379D |
N 916016038205 |
CLAMP |
|
|
ENGINE CABLE HARNESS BRANCH-OFF TO AUXILIARY INSTRUMENT PANEL |
| 379F |
N 916016022206 |
CLAMP |
|
|
ENGINE CABLE HARNESS BRANCH-OFF TO AUXILIARY INSTRUMENT PANEL |
| 379H |
N 000000001147 |
SCREW |
|
|
ENGINE CABLE HARNESS BRANCH-OFF TO AUXILIARY INSTRUMENT PANEL |
|
|
M 6X20 |
| 379L |
N 000125006421 |
WASHER |
|
|
ENGINE CABLE HARNESS BRANCH-OFF TO AUXILIARY INSTRUMENT PANEL |
| 379P |
N 912004006102 |
LOCK WASHER |
|
|
ENGINE CABLE HARNESS BRANCH-OFF TO AUXILIARY INSTRUMENT PANEL |
| 379S |
N 000934006007 |
NUT |
|
|
ENGINE CABLE HARNESS BRANCH-OFF TO AUXILIARY INSTRUMENT PANEL |
| 380 |
N 912006014001 |
LOCK WASHER |
|
|
GROUND CABLE TO ENGINE |
| 381 |
N 000933014033 |
SCREW |
|
|
GROUND CABLE TO ENGINE |
| 400 |
A 0005454008 |
SWITCH |
|
|
BATTERY MASTER SWITCH |
| 400 |
A 0005427219 |
RELAY |
|
|
BATTERY MASTER SWITCH |
| 403 |
N 000933008145 |
SCREW |
|
|
BATTERY MASTER SWITCH TO BATTERY CARRIAGE |
| 404 |
N 000137008204 |
SPRING WASHER |
|
|
BATTERY MASTER SWITCH TO BATTERY CARRIAGE |
|
X XXXXXXXXXXXX |
PART NAME MISSING |
|
|
MAIN INSTRUMENT PANEL |
| 420 |
A 0005452360 |
JUNCTION BOX |
|
|
SIXFOLD;CONNECTION OF AUTOMATIC FUSE HAVING 5-MM BALL PIN |
| 424 |
A 0005451660 |
JUNCTION BOX |
|
|
DOUBLE |
| 428 |
A 0005451460 |
JUNCTION BOX |
|
|
SIXFOLD |
| 428 |
A 0005453060 |
JUNCTION BOX |
|
|
AUTOMATIC FUSE |
| 428 |
A 0005453060 |
JUNCTION BOX |
|
|
AUTOMATIC FUSE |
| 428 |
A 0005453260 |
JUNCTION BOX |
|
|
AUTOMATIC FUSE |
| 428 |
A 0005453260 |
JUNCTION BOX |
|
|
AUTOMATIC FUSE |
| 431 |
N 000084005131 |
SCREW |
|
|
JUNCTION BOX TO SWITCHBOARD |
| 432 |
N 007981003214 |
SHEET METAL SCREW |
|
|
JUNCTION BOX TO SWITCHBOARD |
|
|
3.5X9.5 |
| 432 |
N 007981003203 |
SHEET METAL SCREW |
|
|
JUNCTION BOX TO SWITCHBOARD |
|
|
3.5X9.5 |
| 433 |
A 3055450302 |
CONTACT RAIL |
|
Repalced by: A 3055450602
|
| 433 |
A 3055450602 |
CONTACT RAIL |
|
Repalced by: A 6005450202
|
| 433 |
A 6005450202 |
CONTACT RAIL |
|
|
FUSE |
|
|
117 MM |
| 433D |
A 0005453726 |
PIN BUSHING |
|
Repalced by: A 0075458426
|
| 433D |
A 0075458426 |
PIN BUSHING |
|
|
FUSE-TO-FUSE CONNECTING LINE |
|
|
2.5 MM2 |
| 433Q |
A 0005453545 |
BOOT |
|
|
FUSE-TO-FUSE CONNECTING LINE |
| 434 |
N 007985004149 |
SCREW |
|
Repalced by: N 000000001933
|
| 434 |
N 000000001933 |
SCREW |
|
|
OVERLOAD PROTECTOR MOUNTING |
|
|
M 4X8 |
| 435 |
N 912004004102 |
LOCK WASHER |
|
|
OVERLOAD PROTECTOR MOUNTING |
| 436 |
A 0005454234 |
FUSE |
|
|
RANGE SELECTOR,AUTOMATIC TRANSMISSION |
|
|
2.5 A |
| 436 |
A 0005454234 |
FUSE |
|
|
CHARGE CONTROL & JACKKNIFING ANGLE LOCK |
|
|
2.5 A |
| 437 |
A 0005455934 |
FUSE |
|
|
BLINKER SYSTEM |
|
|
8A |
| 438 |
A 0005453934 |
FUSE |
|
|
EXCEPT FOR BLINKER SYSTEM |
|
|
8A |
| 438 |
A 0005454034 |
FUSE |
|
|
INTERIOR LIGHTING |
|
|
15 A |
| 438 |
A 0005454034 |
FUSE |
|
|
INTERIOR LIGHTING |
|
|
15 A |
| 438 |
A 0005456234 |
FUSE |
|
|
BATTERY NEG.TERMINAL 31A AND INTERIOR LIGHTING |
|
|
20 A |
| 440 |
A 0015452534 |
FUSE |
|
|
AUTOMATIC TRANSMISSION |
|
|
2.5 A |
| 440 |
A 0015452534 |
FUSE |
|
|
CHARGE CONTROL |
|
|
2.5 A |
| 440 |
A 0015452534 |
FUSE |
|
|
AUTOMATIC TRANSMISSION |
|
|
2.5 A |
|
A 0015455634 |
FUSE |
|
|
5 A |
| 440 |
A 0015452734 |
FUSE |
|
|
BLINKER |
|
|
8 A |
| 440 |
A 0015451034 |
FUSE |
|
|
8 A |
| 440 |
A 0015453134 |
FUSE |
|
|
INTERIOR LIGHTING |
|
|
16 A |
| 440 |
A 0015453134 |
FUSE |
|
|
FRONT END HEATING |
|
|
16 A |
| 440 |
A 0015453134 |
FUSE |
|
|
STARTING SWITCH |
|
|
16 A |
| 441 |
N 000084004151 |
SCREW |
|
|
AUTOMATIC FUSE |
| 441 |
N 000084004151 |
SCREW |
|
|
AUTOMATIC FUSE |
| 442 |
A 0015454707 |
SWITCH |
|
|
FRONT DOOR |
| 442 |
A 0015454707 |
SWITCH |
|
|
FRONT DOOR |
|
A 0015455107 |
SWITCH |
|
|
FRONT DOOR |
|
A 0015455107 |
SWITCH |
|
|
FRONT DOOR |
| 443 |
A 3055463243 |
BRACKET |
|
|
SWITCH |
| 443 |
A 3055463243 |
BRACKET |
|
|
SWITCH |
|
A 3055453940 |
BRACKET |
|
|
SWITCH |
|
A 3055453940 |
BRACKET |
|
|
SWITCH |
|
N 007985006161 |
SCREW |
|
Repalced by: N 007985006580
|
|
N 007985006580 |
SCREW |
|
|
BRACKET MOUNTING |
|
N 912004006102 |
LOCK WASHER |
|
|
BRACKET MOUNTING |
| 443L |
A 0015455605 |
RELAY |
|
|
TIME-LAG RELAY |
| 444 |
A 0005452545 |
BLIND PLUG |
| 450 |
A 0005455405 |
RELAY |
|
Repalced by: A 0035459605
|
| 450 |
A 0005458405 |
RELAY |
|
|
STARTING LOCK |
| 450 |
A 0005458405 |
RELAY |
|
|
BATTERY MASTER SWITCH |
| 450 |
A 0005458405 |
RELAY |
|
|
SERIES RESISTOR |
| 450 |
A 0005458405 |
RELAY |
|
|
TERMINAL |
| 450 |
A 0005458405 |
RELAY |
|
|
WINDSHIELD WIPER O F F O N |
| 450 |
A 0005458405 |
RELAY |
|
|
WINDSHIELD WIPER,"SLOW-FAST" |
| 450 |
A 0005458405 |
RELAY |
|
|
STOP SIGN |
| 450 |
A 0005458405 |
RELAY |
|
|
BUS STOP BRAKE |
| 450 |
A 0005458405 |
RELAY |
|
|
HEATING |
| 450 |
A 0005458405 |
RELAY |
|
|
REAR FOGLAMP |
| 450 |
A 0005458405 |
RELAY |
|
|
INTERIOR LIGHTING |
| 450 |
A 0005458405 |
RELAY |
|
|
JACKKNIFING ANGLE CONTROL |
| 450 |
A 0005458405 |
RELAY |
|
|
UNDERSEAT HEATING |
| 450 |
A 0005458405 |
RELAY |
| 450 |
A 0005458405 |
RELAY |
| 450 |
A 0005458405 |
RELAY |
|
|
CURRENT ECONOMY SWITCHING |
| 450 |
A 0005458405 |
RELAY |
| 450 |
A 0005458405 |
RELAY |
|
|
AUTOMATIC TRANSMISSION |
| 450 |
A 0005458405 |
RELAY |
|
|
COUNTER LIGHTING |
| 450 |
A 0005458405 |
RELAY |
|
|
ACCELERATOR PEDAL LOCK,BUS STOP BRAKE |
| 450 |
A 0005458405 |
RELAY |
|
|
DECLUTCHING START UNIT |
| 450 |
A 0005458405 |
RELAY |
|
|
BABY-CARRIAGE |
| 455 |
A 0005457205 |
RELAY |
|
|
BLINKER |
| 458 |
A 0005455805 |
RELAY |
|
Repalced by: A 0035459805
|
| 458 |
A 0035459805 |
RELAY |
|
|
ACCELERATOR PEDAL BLOCKING |
| 458 |
A 0035459805 |
RELAY |
|
|
RETARDER STAGE I & STOP LIGHT |
| 458 |
A 0035459805 |
RELAY |
|
|
RETARDER STAGE II |
| 460 |
A 0005459205 |
RELAY |
|
|
BUS STOP BRAKE |
|
|
"D29" |
| 460 |
A 0005459205 |
RELAY |
| 460 |
A 0005459205 |
RELAY |
| 460 |
A 0005459205 |
RELAY |
|
|
STANDSTILL SWITCH,BUS STOP BRAKE |
|
|
"D 40" |
| 460 |
A 0005459205 |
RELAY |
|
|
HEATING AND OIL REPLENISHMENT |
| 460 |
A 0005459205 |
RELAY |
|
|
ACCELERATOR PEDAL BLOCKING |
| 460 |
A 0015455405 |
RELAY |
|
|
AUTOMATIC TRANSMISSION SERVOMOTOR |
| 464 |
N 007985005504 |
SCREW |
|
|
RELAY SOCKET TO SWITCHBOARD |
| 466 |
N 000137005203 |
SPRING WASHER |
|
|
RELAY SOCKET TO SWITCHBOARD |
| 468 |
N 916016035205 |
CLAMP |
|
|
CABLE HARNESS TO SWITCHBOARD |
| 470 |
N 007985008123 |
SCREW |
|
|
CABLE HARNESS TO SWITCHBOARD |
| 470E |
A 0005468041 |
CABLE CONNECTOR |
|
|
AT BRACKET |
| 470M |
N 007985006161 |
SCREW |
|
Repalced by: N 007985006580
|
| 470M |
N 007985006580 |
SCREW |
|
|
AT BRACKET |
| 470M |
N 007985004179 |
SCREW |
|
|
CABLE CONNECTOR TO BRACKET |
| 470R |
N 912004006102 |
LOCK WASHER |
|
|
AT BRACKET |
| 471 |
N 000137008204 |
SPRING WASHER |
|
|
TERMINAL |
|
|
30 |
| 472 |
N 000934008010 |
NUT |
|
|
TERMINAL |
|
|
30 |
| 473 |
N 072571001033 |
CLAMP |
|
|
JACKKNIFING ANGLE SENDER UNIT TO SUBSTRUCTURE |
| 473B |
N 007981003246 |
SHEET METAL SCREW |
|
|
JACKKNIFING ANGLE SENDER UNIT TO SUBSTRUCTURE |
| 473D |
A 0009881678 |
CLIP |
|
|
JACKKNIFING ANGLE SENDER UNIT TO SUBSTRUCTURE |
| 475 |
A 0025440632 |
SENDER UNIT |
|
Repalced by: A 0025448132
|
| 475 |
A 0025448132 |
SENDER UNIT |
|
|
HAZARD WARNING LIGHT |
| 475 |
A 0025448032 |
SENDER UNIT |
|
|
HAZARD WARNING LIGHT |
| 476 |
A 0015448832 |
SENDER UNIT |
|
|
HAZARD WARNING LIGHT |
| 478 |
A 0055450624 |
SENDER UNIT |
|
Repalced by: A 0225452532
|
| 478 |
A 0225452532 |
CONTROL UNIT |
|
|
WIPER PULSE SENDER UNIT |
| 478 |
A 0055451424 |
SENDER UNIT |
|
|
WIPER PULSE SENDER UNIT |
| 478 |
A 0055451624 |
SENDER UNIT |
|
|
WIPER PULSE SENDER UNIT |
| 482 |
A 0005400924 |
CASE |
|
|
DIODES, CURRENT OVERLOAD PROTECTION |
|
|
TYP: AK 336.7 |
| 482 |
A 0005400924 |
CASE |
|
|
DIODES, CURRENT OVERLOAD PROTECTION |
|
|
TYP: AK 336.7 |
| 486 |
A 0005400424 |
CASE |
|
|
DIODES,STARTING LOCKING MECHANISM |
|
|
TYP: AK 336.1 |
| 486 |
A 0005400424 |
CASE |
|
|
DIODES,STARTING LOCKING MECHANISM |
|
|
TYP: AK 336.1 |
| 486 |
A 0005400424 |
CASE |
|
|
DIODES,STARTING LOCKING MECHANISM |
|
|
TYP: AK 336.1 |
| 486 |
A 0005400424 |
CASE |
|
|
DIODES,STARTING LOCKING MECHANISM |
|
|
TYP: AK 336.1 |
| 490 |
A 0005400824 |
DIODE |
|
Repalced by: A 0005400624
|
| 490 |
A 0005400624 |
DIODE CASE |
|
|
DIODES,TO TERMINAL 15 AND CENTRAL DOOR |
|
|
1A /1300V/1600V |
| 490 |
A 0005400624 |
DIODE CASE |
|
|
STANDSTILL SWITCH,BUS STOP BRAKE |
|
|
1A /1300V/1600V |
|
A 0005400124 |
CASE |
|
Repalced by: A 0005400024
|
|
Y YYYYYYYYYYYY |
PART NAME MISSING |
|
|
AK 335.2 |
| 491 |
A 0005400024 |
DIODE BOX |
|
|
DOOR RELEASE |
|
|
TYP: AK 336.1 |
| 491 |
A 0005400024 |
DIODE BOX |
|
|
DIODES,TO TERMINAL 15 AND CENTRAL DOOR |
|
|
TYP: AK 336.1 |
| 491 |
A 0005400024 |
DIODE BOX |
|
|
DOOR RELEASE |
|
|
V 10,V 11 |
| 491 |
A 0005400024 |
DIODE BOX |
|
|
STANDSTILL SWITCH,BUS STOP BRAKE |
|
|
TYP: AK 336.1 |
| 491 |
A 0005400024 |
DIODE BOX |
|
|
DOOR RELEASE |
|
|
TYP: AK 336.1 |
| 492 |
N 007985005157 |
SCREW |
|
|
SENDER UNIT,SWITCHES & DIODES TO SWITCHBOARD |
| 494 |
N 912004005103 |
LOCK WASHER |
|
|
SENDER UNIT,SWITCHES & DIODES TO SWITCHBOARD |
| 500 |
A 0005454705 |
RELAY |
|
Repalced by: A 0025422419
|
| 500 |
A 0025422419 |
RELAY |
|
|
RANGE SELECTOR,AUTOMATIC TRANSMISSION |
| 503 |
N 000933005058 |
SCREW |
|
|
RELAY TO SWITCHBOARD |
| 504 |
N 000137005203 |
SPRING WASHER |
|
|
RELAY TO SWITCHBOARD |
| 504N |
A 3058202214 |
BRACKET |
|
|
DIODES, CURRENT OVERLOAD PROTECTION |
| 505 |
A 0055456024 |
SWITCH,AUTOMATIC |
|
|
STANDSTILL SWITCH,BUS STOP BRAKE |
| 505 |
A 0065451724 |
SWITCH,AUTOMATIC |
|
Repalced by: A 0065450624
|
| 505 |
A 0065450624 |
SWITCH,AUTOMATIC |
|
|
(STANDSTILL SWITCH): |
|
|
3 KM/H |
| 505B |
N 007985004107 |
SCREW |
|
|
SWITCH TO BRACKET |
| 505Q |
N 912004004102 |
LOCK WASHER |
|
|
SWITCH TO BRACKET |
| 506 |
A 0008210324 |
PLUG SOCKET |
|
Repalced by: A 0008210624
|
| 506 |
A 0008210624 |
PLUG SOCKET |
|
|
HAND LAMP |
| 511 |
N 007985004136 |
SCREW |
|
|
PLUG SOCKET TO SWITCHBOARD |
| 512 |
N 912004004102 |
LOCK WASHER |
|
|
PLUG SOCKET TO SWITCHBOARD |
| 513 |
N 000934004006 |
NUT |
|
|
PLUG SOCKET TO SWITCHBOARD |
| 520 |
A 0015450418 |
RESISTOR |
|
|
FOR DIMMING STOP-SIGN TELL-TALE LAMP |
| 521 |
A 0005470801 |
CONDENSER |
|
|
STARTING LOCK |
| 522 |
A 0015450818 |
RESISTOR |
|
|
STARTING LOCK |
| 524 |
A 0015461041 |
CABLE CONNECTOR |
|
|
BIPOLAR |
| 526 |
N 007985004151 |
SCREW |
|
|
CABLE CONNECTOR TO SWITCHBOARD |
|
|
M 4X25 |
| 527 |
A 3055400542 |
PLATE |
|
|
JACKKNIFING ANGLE REGULATION |
| 527 |
A 3055400542 |
PLATE |
|
|
JACKKNIFING ANGLE REGULATION |
| 528 |
A 0015458228 |
PLUG HOUSING |
|
|
JACKKNIFING ANGLE REGULATION |
| 529 |
A 0015458628 |
PLUG |
|
|
JACKKNIFING ANGLE REGULATION |
|
|
2.5 MM2 |
| 530 |
A 3055400945 |
SWITCH |
|
|
JACKKNIFING ANGLE REGULATION |
| 534 |
N 007985008152 |
SCREW |
|
|
GROUND CABLE TO SHACKLE |
| 535 |
N 912004008102 |
LOCK WASHER |
|
|
GROUND CABLE TO SHACKLE |
| 536 |
N 000934008010 |
NUT |
|
|
GROUND CABLE TO SHACKLE |
| 540 |
A 0005468041 |
CABLE CONNECTOR |
|
|
BIPOLAR |
| 540 |
A 0005468041 |
CABLE CONNECTOR |
|
|
FRONT-END-TO-REAR-END CONNECTION |
| 546 |
N 912004006102 |
LOCK WASHER |
|
|
CABLE CONNECTOR TO SWITCHBOARD |
| 546 |
N 912004006102 |
LOCK WASHER |
|
|
CABLE CONNECTOR TO SWITCHBOARD |
| 546 |
N 912004004102 |
LOCK WASHER |
|
|
CABLE CONNECTOR TO SWITCHBOARD |
| 548 |
N 007985006161 |
SCREW |
|
Repalced by: N 007985006580
|
| 548 |
N 007985006580 |
SCREW |
|
|
CABLE CONNECTOR TO SWITCHBOARD |
| 548 |
N 007985006580 |
SCREW |
|
|
CABLE CONNECTOR TO SWITCHBOARD |
| 548 |
N 007985004107 |
SCREW |
|
|
CABLE CONNECTOR TO SWITCHBOARD |
| 562 |
A 3079970181 |
GROMMET |
|
|
ELECTRIC CABLE THRU PARTITION PANEL |
| 563 |
N 007331005209 |
RIVET |
|
|
GROMMET |
| 563L |
A 3079970281 |
GROMMET |
|
|
PASSAGE OF MAIN CABLE HARNESS |
| 563R |
A 0009870772 |
EDGE GUARD SECTION |
|
|
ELECTRICAL COMPARTMENT |
| 564 |
A 0005461243 |
BRACKET |
|
|
ELECTRIC CABLE TO SWITCHBOARD |
| 564B |
A 0019978390 |
LOOM TIE |
|
|
ELECTRIC CABLE TO SWITCHBOARD |
|
|
280 MM |
| 564D |
A 3055400019 |
MOUNTING BOW |
|
|
JACKKNIFING ANGLE SWITCH |
| 565 |
N 007985006161 |
SCREW |
|
Repalced by: N 007985006580
|
| 565 |
N 007985006580 |
SCREW |
|
|
JACKKNIFING ANGLE SWITCH |
| 565B |
N 912004006102 |
LOCK WASHER |
|
|
JACKKNIFING ANGLE SWITCH |
|
A 3055409534 |
CABLE HARNESS |
|
|
DIAGNOSIS |
|
A 3055409534 |
CABLE HARNESS |
|
|
DIAGNOSIS |
|
A 0005450349 |
FLANGE |
|
A 0005451766 |
CONTACT BREAKER POINT |
|
Repalced by: A 0115450628
|
|
A 0115450628 |
PLUG |
|
Repalced by: A 0325457628
|
|
A 0325457628 |
PLUG |
|
A 0015458328 |
PIN BUSHING HOUSING |
|
|
8-POLE |
|
A 0015458228 |
PLUG HOUSING |
|
|
8-POLE |
|
A 0005454026 |
PIN BUSHING |
|
|
LESS DETENT,BUT WITH CATCH FOR HOUSING |
|
|
4-6 MM2 |
|
A 0005453826 |
PIN BUSHING |
|
|
LESS DETENT,BUT WITH CATCH FOR HOUSING |
|
|
2.5 MM2 |
|
A 0015458628 |
PLUG |
|
|
LESS DETENT,BUT WITH CATCH FOR HOUSING |
|
|
2.5 MM2 |
|
A 3055452440 |
BRACKET |
|
|
DIAGNOSIS BOX |
|
N 000084003105 |
SCREW |
|
|
DIAGNOSIS BOX TO BRACKET |
|
N 912004003103 |
LOCK WASHER |
|
|
DIAGNOSIS BOX TO BRACKET |
|
N 000934003003 |
NUT |
|
Repalced by: N 304032003001
|
|
N 304032003001 |
NUT |
|
|
DIAGNOSIS BOX TO BRACKET |
|
N 000933005058 |
SCREW |
|
|
DIAGNOSIS BOX TO BRACKET |
|
N 912004005103 |
LOCK WASHER |
|
|
DIAGNOSIS BOX TO BRACKET |
|
N 000934005008 |
NUT |
|
|
DIAGNOSIS BOX TO BRACKET |
|
A 3055401081 |
PLUG SOCKET |
|
|
SHUNTING OF DIAGNOSIS PLUG SOCKET |
|
A 0069979248 |
SEAL RING |
|
|
PLUG TO DIAGNOSIS PLUG SOCKET |
| 566 |
A 0005450940 |
BRACKET |
|
|
LEAD SEALING OF ELECTRICAL COMPARTMENT CONNECTION POINT |
| 566 |
A 0005451640 |
BRACKET |
|
|
LEAD SEALING OF ELECTRICAL COMPARTMENT CONNECTION POINT |
| 568 |
A 3078270843 |
APPARATUS PANEL |
| 568 |
A 3078270843 |
APPARATUS PANEL |
|
A 3055450582 |
PLATE |
|
|
II |
|
A 3055400342 |
PLATE |
|
Repalced by: A 3055400642
|
| 570 |
A 3055400642 |
PLATE |
|
|
APPARATUS PLATE |
|
|
I |
| 570 |
A 3055400642 |
PLATE |
|
|
APPARATUS PLATE |
|
|
I |
| 570 |
A 3055400442 |
PLATE |
|
|
APPARATUS PLATE |
|
|
II |
| 570 |
A 3055400442 |
PLATE |
|
|
APPARATUS PLATE |
|
|
II |
| 575 |
N 007985006538 |
SCREW |
|
|
APPARATUS PLATE |
|
|
M 6X18 |
| 580 |
N 912004006102 |
LOCK WASHER |
|
|
APPARATUS PLATE |
| 600 |
A 0021540506 |
REGULATOR AND CUT-OUT |
|
|
ALTERNATOR |
| 600 |
A 0021540506 |
REGULATOR AND CUT-OUT |
|
|
SECONDARY SWITCHBOARD |
| 600B |
A 0005471301 |
CONDENSER |
|
|
ALTERNATOR |
| 601B |
N 007985006157 |
SCREW |
|
Repalced by: N 000000001145
|
| 601B |
N 000000001145 |
SCREW |
|
|
REGULATOR AND CUT-OUT TO SECONDARY INSTRUMENT PANEL |
| 602 |
N 000933006122 |
SCREW |
|
Repalced by: N 304017006034
|
| 602 |
N 304017006034 |
SCREW |
|
|
REGULATOR AND CUT-OUT TO SECONDARY INSTRUMENT PANEL |
| 602 |
N 000933006103 |
SCREW |
|
Repalced by: N 304017006018
|
| 602 |
N 304017006018 |
SCREW |
|
|
REGULATOR AND CUT-OUT TO SECONDARY INSTRUMENT PANEL |
| 603 |
N 912004006102 |
LOCK WASHER |
|
|
REGULATOR AND CUT-OUT TO SECONDARY INSTRUMENT PANEL |
| 605 |
A 0005454732 |
CONTROL UNIT |
|
Repalced by: A 0025457132
|
| 605 |
A 0025457132 |
CONTROL UNIT |
|
|
OVERLOAD PROTECTOR |
| 606 |
A 3055401473 |
BRACKET |
|
|
OVERLOAD PROTECTOR TO SECONDARY INSTRUMENT PANEL |
| 607 |
N 007985006161 |
SCREW |
|
Repalced by: N 007985006580
|
| 607 |
N 007985006580 |
SCREW |
|
|
OVERLOAD PROTECTOR TO SECONDARY INSTRUMENT PANEL |
| 608 |
N 912004006102 |
LOCK WASHER |
|
|
OVERLOAD PROTECTOR TO SECONDARY INSTRUMENT PANEL |
| 610 |
A 3068270614 |
BRACKET |
|
|
BRACKET TO APPARATUS PLATE |
|
A 0015455505 |
RELAY |
|
|
TIME-LAG RELAY |
|
|
0.5 |
|
A 0015455605 |
RELAY |
|
|
TIME-LAG RELAY |
|
|
0.7 |
| 620 |
A 0005426419 |
RELAY |
|
|
DECLUTCHING START UNIT |
| 622 |
A 0015424819 |
RELAY |
|
|
DECLUTCHING START UNIT |
| 623 |
A 3055401673 |
BRACKET |
|
|
DECLUTCHING START RELAY |
| 624 |
N 007985005504 |
SCREW |
|
|
RELAY TO SWITCHBOARD |
|
N 007985006126 |
SCREW |
|
|
RELAY TO SWITCHBOARD |
| 625 |
N 000137005203 |
SPRING WASHER |
|
|
RELAY TO SWITCHBOARD |
|
N 000137006204 |
SPRING WASHER |
|
|
RELAY TO SWITCHBOARD |
| 626 |
A 3055453240 |
BRACKET |
|
|
BRACKET TO APPARATUS PLATE |
| 627 |
N 007985004149 |
SCREW |
|
Repalced by: N 000000001933
|
| 627 |
N 000000001933 |
SCREW |
|
|
BRACKET MOUNTING |
|
|
M4X8 |
| 627Q |
N 912004004102 |
LOCK WASHER |
|
|
BRACKET MOUNTING |
| 628 |
A 3075400132 |
ELECTRIC CABLE |
|
|
RED |
|
|
6 MM2 |
| 630 |
A 3075400732 |
ELECTRIC CABLE |
|
|
RED |
|
|
4 MM2 |
| 640 |
A 0005453305 |
RELAY |
|
|
AUTOMATIC OIL REPLENISHMENT,TIME-LAG |
| 646 |
N 007985005504 |
SCREW |
|
|
SWITCH TO SWITCHBOARD |
| 647 |
N 000137005203 |
SPRING WASHER |
|
|
SWITCH TO SWITCHBOARD |
| 648 |
A 0135456128 |
PLUG |
|
Repalced by: A 0125451428
|
| 648 |
A 0125451428 |
PLUG |
|
|
SWITCH LIGHTING MULTIWAY CONNECTOR |
| 649 |
N 007981003260 |
SHEET METAL SCREW |
|
Repalced by: N 007981003323
|
| 649 |
N 007981003335 |
SHEET METAL SCREW |
|
Repalced by: N 007981003203
|
| 649 |
N 007981003203 |
SHEET METAL SCREW |
|
|
MULTIWAY CONNECTOR |
| 650 |
A 0005452260 |
JUNCTION BOX |
|
|
DOUBLE;CONNECTION OF AUTOMATIC FUSE HAVING 5-MM BALL PIN |
| 654 |
A 0005451660 |
JUNCTION BOX |
|
|
AUTOMATIC FUSE |
| 654 |
A 0005453260 |
JUNCTION BOX |
|
|
AUTOMATIC FUSE |
| 654 |
A 0005453360 |
JUNCTION BOX |
|
|
AUTOMATIC FUSE |
| 656 |
A 0005453060 |
JUNCTION BOX |
|
|
AUTOMATIC FUSE |
| 656 |
A 0005453060 |
JUNCTION BOX |
|
|
AUTOMATIC FUSE |
| 658 |
N 000084005131 |
SCREW |
|
|
JUNCTION BOX TO SWITCHBOARD |
| 658A |
N 000966005007 |
SCREW |
|
|
JUNCTION BOX TO SWITCHBOARD |
|
|
M 5X16 |
| 658B |
N 007981003214 |
SHEET METAL SCREW |
|
|
JUNCTION BOX TO SWITCHBOARD |
| 658M |
A 3055452140 |
BRACKET |
|
|
JUNCTION BOX TO SWITCHBOARD |
| 658S |
A 3055463143 |
BRACKET |
|
|
JUNCTION BOX TO SWITCHBOARD |
| 659 |
A 3055450302 |
CONTACT RAIL |
|
Repalced by: A 3055450602
|
| 659 |
A 3055450602 |
CONTACT RAIL |
|
Repalced by: A 6005450202
|
| 659 |
A 6005450202 |
CONTACT RAIL |
|
|
FUSE |
|
|
117 MM |
| 660 |
A 0005455934 |
FUSE |
|
|
HAZARD WARNING LIGHT |
|
|
8 A |
| 662 |
A 0005453934 |
FUSE |
|
|
WIRELESS PLANT |
|
|
8 A |
| 662 |
A 0005456834 |
FUSE |
|
|
AUTOMATIC OIL REPLENISHMENT |
|
|
0.5A |
| 662 |
A 0005456234 |
FUSE |
|
|
BATTERY NEG.TERMINAL 31A AND WEBASTO HEATER |
|
|
20A |
| 664 |
A 0015452534 |
FUSE |
|
|
TIME-LAG SWITCH |
|
|
2.5 A |
| 664 |
A 0015452434 |
FUSE |
|
|
AUTOMATIC OIL REPLENISHMENT |
|
|
0.5 A |
| 666 |
A 0015453234 |
FUSE |
|
|
WEBASTO HEATER |
|
|
20 A |
| 666 |
A 0015453234 |
FUSE |
|
|
WEBASTO HEATER |
|
|
20 A |
| 666 |
A 0015452734 |
FUSE |
|
|
HAZARD WARNING LIGHT |
|
|
8 A |
| 666 |
A 0015453134 |
FUSE |
|
|
WEBASTO HEATER |
|
|
16 A |
| 666 |
A 0015453134 |
FUSE |
|
|
WEBASTO HEATER |
|
|
16 A |
| 666 |
A 0015451034 |
FUSE |
|
|
WEBASTO HEATER |
|
|
8 A |
| 666 |
A 0015451034 |
FUSE |
|
|
WEBASTO HEATER |
|
|
8 A |
| 666 |
A 0015451034 |
FUSE |
|
|
UNDERSEAT HEATING |
|
|
8 A |
| 667 |
N 007985004149 |
SCREW |
|
Repalced by: N 000000001933
|
| 667 |
N 000000001933 |
SCREW |
|
|
OVERLOAD PROTECTOR MOUNTING |
|
|
M 4X8 |
| 668 |
N 912004004102 |
LOCK WASHER |
|
|
OVERLOAD PROTECTOR MOUNTING |
| 670 |
A 0005457701 |
FUSE BOX |
| 674 |
A 0005450334 |
FUSE |
|
|
80 A |
| 674 |
A 0005452534 |
FUSE |
|
|
50 A |
| 675 |
A 0015465741 |
CABLE CONNECTOR |
|
|
AT UPPER COOLING WATER LINE |
| 675 |
A 0015465741 |
CABLE CONNECTOR |
|
|
AT UPPER COOLING WATER LINE |
| 675E |
N 007985004130 |
SCREW |
|
|
CABLE CONNECTOR |
|
|
M 4X20 |
| 675H |
N 912004004102 |
LOCK WASHER |
|
|
CABLE CONNECTOR |
| 675L |
N 006797004232 |
TOOTHED WASHER |
|
|
CABLE CONNECTOR |
|
N 916016020201 |
CLAMP |
|
|
ALTERNATOR BRANCH-OFF |
|
N 000000001147 |
SCREW |
|
|
ALTERNATOR BRANCH-OFF |
|
|
M 6X20 |
| 676 |
N 000084006132 |
SCREW |
|
|
FUSE |
| 677 |
N 000137006204 |
SPRING WASHER |
|
|
FUSE |
| 681 |
N 000084005402 |
SCREW |
|
|
FUSE |
| 682 |
N 002093010100 |
DISC SPRING |
|
|
FUSE |
| 683 |
N 006902005100 |
WASHER |
|
Repalced by: N 000125006421
|
| 683 |
N 000125006421 |
WASHER |
|
|
FUSE |
|
A 0005461143 |
BRACKET |
|
|
CABLE HARNESS TO SWITCHBOARD |
| 690 |
A 0005463241 |
CABLE CONNECTOR |
| 693 |
N 007985004136 |
SCREW |
|
|
CABLE CONNECTOR TO SWITCHBOARD |
| 695 |
N 007985004136 |
SCREW |
|
|
CABLE HARNESS TO SWITCHBOARD |
| 696 |
N 912004004102 |
LOCK WASHER |
|
|
CABLE HARNESS TO SWITCHBOARD |
|
A 0005456026 |
PLUG SOCKET |
|
Repalced by: A 0005454426
|
| 700 |
A 0005454426 |
PLUG SOCKET |
|
Repalced by: A 0015458526
|
| 700 |
A 0005453926 |
PLUG SOCKET |
|
Repalced by: A 0015458526
|
| 700 |
A 0005453526 |
PLUG SOCKET |
|
Repalced by: A 0015458526
|
| 700 |
A 0015458526 |
PLUG SOCKET |
|
|
HAND LAMP |
| 702 |
A 0005450940 |
BRACKET |
|
|
LEAD SEALING |
|
X XXXXXXXXXXXX |
PART NAME MISSING |
|
|
SECONDARY SWITCHBOARD |
|
|
II |
| 704 |
A 0005454705 |
RELAY |
|
Repalced by: A 0025422419
|
| 704 |
A 0025422419 |
RELAY |
|
|
AUTOMATIC TRANSMISSION |
| 704 |
A 0025422419 |
RELAY |
|
|
AUTOMATIC TRANSMISSION |
| 705 |
N 007985005193 |
SCREW |
| 706 |
N 912004005103 |
LOCK WASHER |
| 707 |
N 007981004245 |
SHEET METAL SCREW |
|
Repalced by: N 007981004339
|
| 707 |
N 007981004339 |
SHEET METAL SCREW |
|
Repalced by: N 000000000459
|
| 707 |
N 000000000459 |
SCREW |
|
|
RELAY SOCKET TO APPARATUS PLATE |
| 708 |
A 0005455405 |
RELAY |
|
Repalced by: A 0035459605
|
| 708 |
A 0005458405 |
RELAY |
|
|
BATTERY MASTER SWITCH |
| 708 |
A 0005458405 |
RELAY |
|
|
UNDERSEAT HEATING |
| 708 |
A 0005458405 |
RELAY |
| 708 |
A 0005458405 |
RELAY |
| 720 |
A 0035458224 |
SWITCH,AUTOMATIC |
|
Repalced by: A 0035458424
|
| 720 |
A 0035458424 |
SWITCH,AUTOMATIC |
|
Repalced by: A 0055459024
|
| 720 |
A 0055459024 |
SWITCH,AUTOMATIC |
|
|
STEERING COLUMN MOUNTED |
|
A 0005455537 |
BUTTON |
|
|
TO 005 545 90 24 |
|
A 0005452637 |
BUTTON |
| 722 |
A 3055450073 |
LOCK |
|
|
PROTECTION AGAINST TORSION |
| 730 |
A 0035420520 |
HORN |
|
Repalced by: A 0045424420
|
| 730 |
A 0045424420 |
HORN |
|
|
SUPERTONE HORN |
| 734 |
N 000933010129 |
SCREW |
|
Repalced by: N 304017010002
|
| 734 |
N 304017010002 |
SCREW |
|
|
HORN TO SUBSTRUCTURE |
| 736 |
N 000125010518 |
WASHER |
|
Repalced by: N 000125010532
|
| 736 |
N 000125010532 |
WASHER |
|
|
HORN TO SUBSTRUCTURE |
| 738 |
N 000934010014 |
NUT |
|
|
HORN TO SUBSTRUCTURE |
| 739 |
N 912004010102 |
LOCK WASHER |
|
|
HORN TO SUBSTRUCTURE |
| 741 |
N 000084004151 |
SCREW |
|
|
ELECTRIC CABLE TO HORN |
| 742 |
N 912004004102 |
LOCK WASHER |
|
|
ELECTRIC CABLE TO HORN |
| 750 |
A 0015451614 |
SWITCH |
|
|
SPRING-LOADED-BRAKE SUPPLY PRESSURE |
|
|
6.3 BAR |
| 750 |
A 0005455414 |
SWITCH |
|
|
SPRING-LOADED BRAKE,RELEASE PRESSURE |
|
|
5.5 BAR |
| 750 |
A 0005455414 |
SWITCH |
|
|
SPRING-LOADED-BRAKE SUPPLY PRESSURE |
|
|
5.5 BAR |
| 750 |
A 0005455414 |
SWITCH |
|
|
5.5 BAR |
| 752 |
A 0005455209 |
SWITCH |
|
Repalced by: A 0005457909
|
| 752 |
A 0005457909 |
SWITCH |
|
Repalced by: A 0005459009
|
| 752 |
A 0005459009 |
SWITCH |
|
Repalced by: A 0015451109
|
| 752 |
A 0015451109 |
SWITCH |
|
Repalced by: A 0015452709
|
| 752 |
A 0015452709 |
SWITCH |
|
|
STOP LIGHT & RETARDER STAGE I |
| 754 |
N 007603012405 |
SEAL RING |
| 755 |
A 0015455714 |
SWITCH |
|
|
BUS STOP BRAKE CONTROL |
| 755 |
A 0015455714 |
SWITCH |
| 755 |
A 0015455714 |
SWITCH |
|
|
SPRING-LOADED-BRAKE EMERGENCY RELEASE PRESSURE |
| 755 |
A 0015455714 |
SWITCH |
|
|
EMERGENCY RELEASE FUSING |
| 760 |
A 0005456309 |
SWITCH |
|
|
STOP LIGHT AND RETARDER,STAGE II |
| 765 |
A 0005456209 |
SWITCH |
|
|
EXHAUST BRAKE |
| 770 |
A 0005453013 |
SWITCH |
|
|
(IGNITION AND LIGHT SWITH) |
| 772 |
A 0005450376 |
WASHER |
|
|
IGNITION SWITCH TO INSTRUMENT PANEL |
| 774 |
A 0005451072 |
NUT |
|
|
IGNITION SWITCH TO INSTRUMENT PANEL |
| 776 |
A 0005451235 |
KEY |
|
|
IGNITION AND LIGHT SWITCH |
|
A 0005830296 |
RING |
|
|
IGNITION AND LIGHT SWITCH |
| 780 |
A 0035423005 |
TEMPERATURE GAUGE |
|
Repalced by: A 0035426705
|
| 780 |
A 0035426705 |
TEMPERATURE GAUGE |
|
|
COOLING WATER |
|
A 0035423605 |
TEMPERATURE GAUGE |
|
Repalced by: A 0035426305
|
| 782 |
A 0035426305 |
TEMPERATURE GAUGE |
|
Repalced by: A 0035428605
|
| 782 |
A 0035428605 |
TEMPERATURE GAUGE |
|
|
TRANSMISSION OIL |
| 784 |
A 0015429502 |
OIL PRESSURE GAUGE |
|
|
ELECTRIC |
| 786 |
A 0015420008 |
AIR PRESSURE GAUGE |
|
|
FRONT AXLE BRAKE CIRCUIT |
| 786 |
A 0015420008 |
AIR PRESSURE GAUGE |
|
|
REAR AXLE BRAKE CIRCUIT |
| 788 |
A 0015421703 |
FUEL GAUGE DASH UNIT |
|
Repalced by: A 0025424203
|
| 788 |
A 0025424203 |
FUEL GAUGE DASH UNIT |
|
|
ELECTRIC |
| 790 |
A 0005456214 |
SWITCH |
|
|
FAILURE INDICATOR CONTROL |
| 800 |
A 0005459115 |
TELL-TALE LAMP |
|
|
PARKING BRAKE |
| 800 |
A 0005459115 |
TELL-TALE LAMP |
|
|
CHARGE CONTROL |
| 800 |
A 0005459115 |
TELL-TALE LAMP |
|
|
OIL SUPPLY |
| 800 |
A 0005459115 |
TELL-TALE LAMP |
|
|
DOOR RELEASE |
| 800 |
A 0005459115 |
TELL-TALE LAMP |
|
|
JACKKNIFING ANGLE CONTROL |
|
N 072601024801 |
BULB |
|
|
TELL-TALE LAMP |
|
|
2 W |
| 804 |
A 0005459315 |
TELL-TALE LAMP |
|
|
BLUE;BRIGHT LIGHT CONTROL |
| 806 |
A 0015451115 |
TELL-TALE LAMP |
|
|
BLINKER;GREEN |
| 808 |
A 0005459215 |
TELL-TALE LAMP |
|
|
BUS STOP BRAKE |
| 808 |
A 0005459215 |
TELL-TALE LAMP |
|
|
BABY-CARRIAGE |
| 810 |
A 0015453015 |
TELL-TALE LAMP |
|
|
LESS LENS |
| 812 |
A 0015452690 |
LENS |
|
|
RED;CENTRAL WARNING LAMP |
| 816 |
A 0015452790 |
LENS |
|
|
AMBER;STOP SIGN SYSTEM |
| 816B |
A 0015450615 |
TELL-TALE LAMP |
|
Repalced by: A 0005451630
|
| 816B |
A 0005451630 |
SHELL |
|
|
LESS LENS |
| 816B |
A 3075420032 |
TELL-TALE LAMP |
|
|
LESS LENS |
| 816C |
A 0005452319 |
SOCKET |
| 816D |
A 0025457090 |
LENS |
|
|
FAILURE |
| 816D |
A 0025459290 |
LENS |
|
|
FAILURE |
| 816F |
A 0025455990 |
LENS |
|
|
OIL SUPPLY |
| 816F |
A 0025458590 |
LENS |
|
|
OIL SUPPLY |
| 817 |
A 0005450190 |
LENS |
|
|
CHARGE CONTROL |
| 817 |
A 0025459790 |
LENS |
|
|
CHARGE CONTROL |
| 817B |
A 0005451190 |
LENS |
|
|
HIGH BEAM CONTROL |
| 817B |
A 0035450190 |
LENS |
|
|
HIGH BEAM |
| 817D |
A 0005451290 |
LENS |
|
|
BLINKER CONTROL |
| 817D |
A 0035450290 |
LENS |
|
|
BLINKER CONTROL |
| 817F |
A 0025455890 |
LENS |
|
|
STOP SIGN |
| 817F |
A 0025458390 |
LENS |
|
|
STOP SIGN |
| 817H |
A 0015450690 |
LENS |
|
|
SYMBOL: DOOR OPEN |
| 817H |
A 0025459990 |
LENS |
|
|
SYMBOL: DOOR OPEN |
| 817K |
A 0015450790 |
LENS |
|
|
SYMBOL: DOOR CLOSED |
| 817K |
A 0035450390 |
LENS |
|
Repalced by: A 0055453590
|
| 817M |
A 0025456190 |
LENS |
|
|
PARKING BRAKE |
| 817M |
A 0025458790 |
LENS |
|
|
PARKING BRAKE |
| 817P |
A 0025455790 |
LENS |
|
|
BABY-CARRIAGE |
| 817P |
A 0025458190 |
LENS |
|
|
BABY-CARRIAGE |
| 817R |
A 0025456090 |
LENS |
|
|
DOOR RELEASE |
| 817R |
A 0025458690 |
LENS |
|
Repalced by: A 0045457290
|
| 817T |
A 0025456290 |
LENS |
|
|
STARTING LOCK |
| 817T |
A 0025458890 |
LENS |
|
|
RED; SYMBOL: BUS STOP BRAKE |
| 817W |
A 0025454990 |
LENS |
|
|
JACKKNIFING ANGLE CONTROL |
| 817W |
A 0025457990 |
LENS |
|
|
JACKKNIFING ANGLE CONTROL |
| 817WC |
A 3075450090 |
LENS |
|
|
COVERING USED FOR LENS WITH SYMBOL |
| 817WL |
A 3075440094 |
BULB |
|
|
TELL-TALE LAMP |
|
|
24V 2W |
| 817X |
A 0009973535 |
PLUG |
|
|
TELL-TALE LAMP |
| 817Y |
A 3075450190 |
BLIND ELEMENT |
|
|
BLIND ELEMENT |
| 818 |
A 0018215751 |
SWITCH |
|
|
BATTERY MASTER SWITCH |
| 818 |
A 0018215751 |
SWITCH |
|
|
STARTING MOTOR |
| 819F |
A 0009872744 |
EXPANSION PLUG |
|
|
ENGINE SHUT-OFF |
| 819FN |
A 0015457414 |
SWITCH |
|
Repalced by: A 0045459614
|
| 819FN |
A 0045459614 |
SWITCH |
|
|
ENGINE STOP |
| 819FS |
A 0009979686 |
PLUG |
|
|
TO PLUG THE FREE BORES IN INSTRUMENT PANEL |
| 819H |
A 3169880135 |
CAP |
|
|
TO PLUG THE FREE HOLES IN INSTRUMENT PANEL |
| 819HL |
A 0009970203 |
PLUG |
|
|
TO PLUG SOLENOID VALVE CONNECTION |
| 819K |
A 0015457314 |
SWITCH |
|
Repalced by: A 0055451714
|
| 819K |
A 0055451714 |
SWITCH |
|
|
BATTERY MASTER SWITCH |
| 819K |
A 0015457514 |
SWITCH |
|
|
STARTING |
|
|
"START" |
| 820 |
A 0015450907 |
SWITCH |
| 820 |
A 0015450907 |
SWITCH |
|
|
FRONT END HEATING |
| 820 |
A 0015450907 |
SWITCH |
|
|
FRONT END HEATING |
| 820 |
A 0015450907 |
SWITCH |
|
|
SEAT HEATING |
| 824 |
A 0015451314 |
SWITCH |
|
|
DOOR OPERATION, OUTSIDE |
| 828 |
A 3055450022 |
SWITCH |
|
|
SPRING-LOADED-BRAKE EMERGENCY RELEASE PRESSURE |
|
A 0005451122 |
SWITCH |
|
Repalced by: A 3055450022
|
| 832 |
A 3055450022 |
SWITCH |
|
|
BUS STOP BRAKE EMERGENCY CONTROL |
| 834 |
A 0005455914 |
SWITCH |
|
Repalced by: A 0025455514
|
|
A 0025455514 |
SWITCH |
|
|
FRONT DOOR |
| 836 |
A 0005457414 |
SWITCH |
|
Repalced by: A 0045459914
|
| 836 |
A 0045459914 |
SWITCH |
|
|
CENTRAL DOOR |
|
A 0095458590 |
LENS |
|
|
NEUTRAL |
|
N 000000000439 |
BULB |
| 838 |
A 0005456014 |
SWITCH |
|
Repalced by: A 0025455614
|
| 838 |
A 0025455614 |
SWITCH |
|
|
REAR DOOR |
|
A 0005454737 |
BUTTON |
|
A 0005452272 |
NUT |
|
|
PUSH BUTTON SWITCH |
|
A 0015456507 |
SWITCH |
|
Repalced by: A 0015458107
|
| 839 |
A 0015458107 |
SWITCH |
|
|
BUS STOP BRAKE |
| 839L |
A 0005455237 |
BUTTON |
|
|
PUSH BUTTON SWITCH |
| 840 |
A 0045450224 |
SWITCH |
|
|
HAZARD WARNING LIGHT |
| 840 |
A 0045450224 |
SWITCH |
|
|
WEBASTO HEATER |
| 842 |
A 0005453637 |
BUTTON |
|
|
HAZARD WARNING LIGHT SWITCH |
| 844 |
A 0005453337 |
BUTTON |
|
Repalced by: A 0005454937
|
| 844 |
A 0005454937 |
BUTTON |
|
|
WEBASTO HEATER |
| 846 |
N 072601024801 |
BULB |
|
|
HAZARD WARNING LIGHT SWITCH |
|
|
2 W |
| 846 |
N 072601024900 |
BULB |
|
|
HAZARD WARNING LIGHT SWITCH |
|
|
4 W |
| 850 |
A 0015452007 |
SWITCH |
|
|
DOOR RELEASE |
| 850 |
A 0015452007 |
SWITCH |
|
|
DOOR WING II CHECKED |
| 850 |
A 0015452007 |
SWITCH |
|
|
UNIPOLAR |
| 850 |
A 0015452007 |
SWITCH |
|
|
FOGLAMP |
| 850 |
A 0015452007 |
SWITCH |
|
|
UNIPOLAR |
| 850 |
A 0015452007 |
SWITCH |
|
|
COUNTER LIGHTING |
| 850 |
A 0015452007 |
SWITCH |
|
|
INTERIOR LIGHTING |
| 850 |
A 0015452007 |
SWITCH |
|
|
UNIPOLAR |
| 850 |
A 0015452007 |
SWITCH |
|
|
WIPER INTERMITTENT ACTION |
| 850 |
A 0015452007 |
SWITCH |
|
|
UNIPOLAR |
| 850 |
A 0015452007 |
SWITCH |
|
|
WINDSHIELD WIPER,"SLOW-FAST" |
| 850 |
A 0015452007 |
SWITCH |
|
|
UNIPOLAR |
| 850 |
A 0015452007 |
SWITCH |
|
|
EXHAUST BRAKE,"ON/OFF" |
| 850 |
A 0015452007 |
SWITCH |
|
|
UNIPOLAR |
| 852 |
A 0015455807 |
SWITCH |
|
|
DOOR RELEASE |
| 855 |
A 0015455107 |
SWITCH |
|
|
COUNTER LIGHTING |
| 855 |
A 0015455107 |
SWITCH |
|
|
BIPOLAR |
| 855 |
A 0015455107 |
SWITCH |
|
|
WINDSHIELD WIPER O F F O N |
| 855 |
A 0015455107 |
SWITCH |
|
|
BIPOLAR |
| 855 |
A 0015455107 |
SWITCH |
|
|
BABY-CARRIAGE |
| 855 |
A 0015455107 |
SWITCH |
|
|
EXHAUST BRAKE DIRECT CONTROL |
| 855 |
A 0015455107 |
SWITCH |
|
|
BIPOLAR |
| 860 |
A 0015452107 |
BLIND ELEMENT |
| 860 |
A 0015452207 |
SWITCH |
|
|
PANE WASHER SYSTEM |
| 860 |
A 0015452207 |
SWITCH |
|
|
BABY-CARRIAGE |
| 860 |
A 0005481113 |
SWITCH |
|
|
BABY-CARRIAGE |
| 861 |
A 6115400066 |
ADAPTER FRAME |
|
|
(ROCKER SWITCH) |
| 861 |
A 6115400066 |
ADAPTER FRAME |
|
|
(ROCKER SWITCH) |
| 862 |
A 0025451207 |
SWITCH |
|
Repalced by: A 0025456907
|
| 862 |
A 0025456907 |
SWITCH |
|
|
EXHAUST BRAKE,"OFF" |
| 862 |
A 0025456907 |
SWITCH |
|
|
(ROCKER SWITCH) |
| 862 |
A 0025456907 |
SWITCH |
|
|
FOGLAMP |
| 862 |
A 0025456907 |
SWITCH |
|
|
(ROCKER SWITCH) |
| 862 |
A 0025456907 |
SWITCH |
|
|
INTERIOR LIGHTING |
| 862 |
A 0025456907 |
SWITCH |
|
|
(ROCKER SWITCH) |
| 862 |
A 0025456907 |
SWITCH |
|
|
WIPER INTERMITTENT ACTION |
| 862 |
A 0025456907 |
SWITCH |
|
|
(ROCKER SWITCH) |
| 862 |
A 0025456907 |
SWITCH |
|
|
COUNTER LIGHTING |
| 862 |
A 0025456907 |
SWITCH |
|
|
(ROCKER SWITCH) |
| 862 |
A 0025456907 |
SWITCH |
|
|
EXHAUST BRAKE DIRECT CONTROL |
| 862 |
A 0025456907 |
SWITCH |
|
|
(ROCKER SWITCH) |
| 862 |
A 0025456907 |
SWITCH |
|
|
WINDSHIELD WIPER O F F O N |
| 862 |
A 0025456907 |
SWITCH |
|
|
(ROCKER SWITCH) |
| 862 |
A 0025456907 |
SWITCH |
|
|
WINDSHIELD WIPER,"SLOW-FAST" |
| 862 |
A 0025456907 |
SWITCH |
|
|
(ROCKER SWITCH) |
| 862 |
A 0025456907 |
SWITCH |
|
|
DOOR WING II CHECKED |
| 862 |
A 0025456907 |
SWITCH |
|
|
(ROCKER SWITCH) |
| 862 |
A 0025451407 |
SWITCH |
|
Repalced by: A 0025457007
|
| 862 |
A 0025457007 |
SWITCH |
|
|
FRONT END BLOWER,STAGES 1 AND 2 |
| 862 |
A 0025457007 |
SWITCH |
|
|
FRONT END BLOWER,STAGES 1 AND 2 |
| 862 |
A 0025457007 |
SWITCH |
|
|
FLOOR HEATING |
| 862 |
A 0025457007 |
SWITCH |
|
|
FRONT END BLOWER,STAGES 1 AND 2 |
| 862 |
A 0025453007 |
SWITCH |
|
Repalced by: A 0025457407
|
| 862 |
A 0025457407 |
SWITCH |
|
Repalced by: A 0035453807
|
| 862 |
A 0035453807 |
SWITCH |
|
|
FRONT END BLOWER,STAGE 3 |
| 862 |
A 0035453807 |
SWITCH |
|
|
FRONT END BLOWER,STAGE 3 |
| 862 |
A 0025450607 |
SWITCH |
|
Repalced by: A 0025454407
|
| 862 |
A 0025454407 |
SWITCH |
|
|
PANE WASHER |
| 862 |
A 0025454407 |
SWITCH |
|
|
PANE WASHER |
| 862 |
A 0025454407 |
SWITCH |
|
|
BABY-CARRIAGE |
| 862 |
A 0025454407 |
SWITCH |
|
|
PANE WASHER |
| 862 |
A 0025452207 |
SWITCH |
|
Repalced by: A 0025457307
|
| 862 |
A 0025457307 |
SWITCH |
|
Repalced by: A 0025454407
|
| 862 |
A 0025454407 |
SWITCH |
|
|
"CANCEL BABY-CARRIAGE" |
| 862 |
A 0025454407 |
SWITCH |
|
|
"CANCEL BABY-CARRIAGE" |
| 862 |
A 0025454207 |
SWITCH |
|
Repalced by: A 0025457707
|
| 862 |
A 0025457707 |
SWITCH |
|
|
DOOR RELEASE |
| 862 |
A 0025457707 |
SWITCH |
|
|
DOOR RELEASE |
| 862C |
A 3575420090 |
BLIND CAP |
|
|
(ROCKER SWITCH) |
| 862C |
A 3575420090 |
BLIND CAP |
|
|
(ROCKER SWITCH) |
| 862E |
A 0045453190 |
LENS |
|
Repalced by: A 0045455790
|
| 862E |
A 0045455790 |
LENS |
|
|
EXHAUST BRAKE DIRECT CONTROL |
| 862E |
A 0045455790 |
LENS |
|
|
EXHAUST BRAKE DIRECT CONTROL |
| 862H |
A 0045450290 |
LENS |
|
|
EXHAUST BRAKE,"OFF" |
| 862H |
A 0045450290 |
LENS |
|
|
EXHAUST BRAKE,"OFF" |
| 862L |
A 0045452990 |
LENS |
|
Repalced by: A 0055455490
|
|
A 0055455490 |
LENS |
|
|
FOGLAMP |
|
A 0055455490 |
LENS |
|
|
FOGLAMP |
| 862N |
A 0045453390 |
LENS |
|
|
COUNTER LIGHTING |
| 862N |
A 0045453390 |
LENS |
|
|
COUNTER LIGHTING |
| 862Q |
A 0045450990 |
LENS |
|
|
INTERIOR LIGHTING |
| 862Q |
A 0045450990 |
LENS |
|
|
INTERIOR LIGHTING |
| 862S |
A 0045453490 |
LENS |
|
|
WINDSHIELD WIPER,"SLOW-FAST" |
| 862S |
A 0045453490 |
LENS |
|
|
WINDSHIELD WIPER,"SLOW-FAST" |
| 862U |
A 0045453590 |
LENS |
|
|
WINDSHIELD WIPER O F F O N |
| 862U |
A 0045453590 |
LENS |
|
|
WINDSHIELD WIPER O F F O N |
| 862Y |
A 0045453690 |
LENS |
|
Repalced by: A 0045455490
|
| 862Y |
A 0045455490 |
LENS |
|
|
WIPER INTERMITTENT ACTION |
| 862Y |
A 0045455490 |
LENS |
|
|
WIPER INTERMITTENT ACTION |
| 863 |
A 0045453790 |
LENS |
|
|
PANE WASHER |
| 863 |
A 0045453790 |
LENS |
|
|
PANE WASHER |
| 863C |
A 0045452690 |
LENS |
|
|
FRONT BLOWER |
| 863C |
A 0045452690 |
LENS |
|
|
FRONT BLOWER |
| 863E |
A 0045450490 |
LENS |
|
|
FLOOR HEATING |
| 863E |
A 0045450490 |
LENS |
|
|
FLOOR HEATING |
| 863M |
A 0045451590 |
LENS |
|
|
"CANCEL BABY-CARRIAGE" |
| 863M |
A 0045451590 |
LENS |
|
|
"CANCEL BABY-CARRIAGE" |
| 863Q |
A 0045451490 |
LENS |
|
|
BABY-CARRIAGE |
| 863Q |
A 0045451490 |
LENS |
|
|
BABY-CARRIAGE |
| 863U |
A 0045453890 |
LENS |
|
|
DOOR RELEASE |
| 863U |
A 0045453890 |
LENS |
|
|
DOOR RELEASE |
| 864 |
A 0045455690 |
LENS |
|
|
DOOR WING II CHECKED |
| 864 |
A 0045455690 |
LENS |
|
|
DOOR WING II CHECKED |
| 865 |
A 3055400544 |
SWITCH |
|
|
AUTOMATIC TRANSMISSION GEAR SELECTOR SWITCH |
| 865 |
A 3055400944 |
SWITCH |
|
|
AUTOMATIC TRANSMISSION GEAR SELECTOR SWITCH |
| 867 |
A 0015458228 |
PLUG HOUSING |
|
|
8-POLE |
| 869 |
A 0015458628 |
PLUG |
|
|
LESS DETENT,BUT WITH CATCH FOR HOUSING |
|
|
2.5 MM2 |
| 871 |
A 0005449894 |
BULB |
|
Repalced by: N 049846000001
|
| 871 |
N 049846000001 |
MINIATURE LAMP |
|
Repalced by: A 0025440594
|
| 871 |
A 0025440594 |
BULB |
|
Repalced by: A 0025441794
|
| 871 |
A 0025441794 |
BULB |
|
|
1 W |
| 873 |
A 0015450918 |
RESISTOR |
| 874 |
A 0115452428 |
PLUG |
|
|
4-POLE |
| 875 |
A 0115452528 |
PLUG |
|
|
5-POLE |
| 876 |
A 0005454483 |
CAP |
|
Repalced by: A 0005457383
|
| 876 |
A 0005457383 |
CAP |
| 876 |
A 0005454983 |
CAP |
|
|
(PUSHBUTTON CAP RETAINER),LOWER PART |
| 880 |
A 0025451190 |
LENS |
|
Repalced by: A 0035451090
|
| 882 |
A 0025451290 |
LENS |
|
Repalced by: A 0035451190
|
| 884 |
A 0025451390 |
LENS |
|
Repalced by: A 0035451290
|
| 886 |
A 0025451490 |
LENS |
|
Repalced by: A 0035451590
|
| 888 |
A 0025451590 |
LENS |
|
Repalced by: A 0035451490
|
| 889 |
A 0015457014 |
SWITCH |
|
|
AUTOMATIC TRANSMISSION GEAR SELECTOR SWITCH |
| 889B |
A 0035451090 |
LENS |
|
|
"1" |
| 889D |
A 0035451190 |
LENS |
|
|
"2" |
| 889F |
A 0035451290 |
LENS |
|
|
"3" |
| 889H |
A 0035451590 |
LENS |
|
|
"N" |
| 889K |
A 0035451490 |
LENS |
|
|
"R" |
| 890 |
A 3055450191 |
ORNAMENTAL COVER |
|
|
AUTOMATIC TRANSMISSION GEAR SELECTOR SWITCH |
| 890B |
N 007981003207 |
SHEET METAL SCREW |
| 890D |
N 007985003121 |
SCREW |
|
Repalced by: N 007985003150
|
| 890D |
N 007985003150 |
SCREW |
| 890F |
N 000934003003 |
NUT |
|
Repalced by: N 304032003001
|
| 890F |
N 304032003001 |
NUT |
| 890H |
A 3055400028 |
PRINTED CIRCUIT PLATE |
|
A 0005450048 |
ROD |
|
A 0005450148 |
ROD |
|
A 0005450179 |
DETENT |
| 891 |
A 3055450191 |
ORNAMENTAL COVER |
|
|
AUTOMATIC TRANSMISSION GEAR SELECTOR SWITCH |
| 893 |
N 007981003207 |
SHEET METAL SCREW |
|
|
AUTOMATIC TRANSMISSION GEAR SELECTOR SWITCH |
| 900 |
A 0005467941 |
CABLE CONNECTOR |
|
Repalced by: A 0015463341
|
| 900 |
A 0015463341 |
CABLE CONNECTOR |
|
Repalced by: A 0015463841
|
| 900 |
A 0015463841 |
CABLE CONNECTOR |
|
Repalced by: A 0015465441
|
| 900 |
A 0015465441 |
CABLE CONNECTOR |
|
|
GEAR SELECTOR SWITCH CABLE CONNECTION |
|
A 0005460283 |
ANGLE |
| 902 |
N 007981004233 |
SHEET METAL SCREW |
|
Repalced by: N 000000000460
|
| 902 |
N 000000000460 |
SHEET METAL SCREW |
|
|
CABLE CONNECTOR RO SUBSTRUCTURE |
| 910 |
A 0005423623 |
BUZZER |
|
|
JACKKNIFING ANGLE CONTROL |
| 912 |
A 3055420440 |
BRACKET |
|
|
BUZZER |
| 914 |
N 007516004106 |
TAPPING SCREW |
|
|
BRACKET TO WINDOW SILL GIRDER |
| 916 |
A 0005454926 |
PLUG SOCKET |
|
Repalced by: A 0005454426
|
|
A 0005456026 |
PLUG SOCKET |
|
Repalced by: A 0005454426
|
| 916 |
A 0005454426 |
PLUG SOCKET |
|
Repalced by: A 0015458526
|
| 916 |
A 0005453926 |
PLUG SOCKET |
|
Repalced by: A 0015458526
|
| 916 |
A 0005453526 |
PLUG SOCKET |
|
Repalced by: A 0015458526
|
| 916 |
A 0015458526 |
PLUG SOCKET |
| 920 |
A 0095427310 |
TACHOGRAPH |
|
|
MEASURING RANGE,125KM/H; ONE-DAY/DRIVER'S CHANGE REGISTRATION |
| 920 |
A 0105424710 |
TACHOGRAPH |
|
Repalced by: A 0125429110
|
| 920 |
A 0125429110 |
TACHOGRAPH |
|
|
MEASURING RANGE,125KM/H; ONE-DAY/DRIVER'S CHANGE REGISTRATION |
|
A 0005423394 |
DIAGRAM PAPER |
|
|
SET = 100 PIECES |
|
|
TO 009 542 73 10,010 542 47 10 |
| 924 |
N 072601024801 |
BULB |
|
|
2 W |
| 924 |
A 0015442694 |
BULB |
|
|
TACHOGRAPH ADJUSTABLE |
|
A 0005420390 |
BLIND CAP |
|
|
LEAD SEALING |
| 926 |
A 0005420285 |
PROTECTIVE PLATE |
|
|
LEAD SEALING |
| 927 |
N 007971002206 |
SHEET METAL SCREW |
|
|
LEAD SEALING |
| 928 |
A 0005451640 |
BRACKET |
|
|
TACHOGRAPH LEAD SEALING |
| 929 |
A 0005420481 |
GROMMET |
|
|
TACHOGRAFH TO INSTRUMENT PANEL |
| 930 |
A 0035422217 |
SENDER UNIT |
|
|
SPEEDOMETER |
| 932 |
A 0055429417 |
SENDER UNIT |
|
|
ELECTRONIC TACHOGRAPH |
| 934 |
A 0065424617 |
SENDER UNIT |
|
|
ELECTRONIC TACHOGRAPH |
| 940 |
A 3055280182 |
HOSE |
|
Repalced by: A 3025280082
|
| 940 |
A 3025280082 |
HOSE |
|
|
FROM ALTERNATOR INTAKE ELBOW TO INTAKE CASE |
| 942 |
N 916017060000 |
CLAMP |
|
Repalced by: N 000000000673
|
| 942 |
N 000000000673 |
CLAMP |
|
|
FROM INTAKE ELBOW TO INTAKE CASE |