| 005 |
A 3093504500 |
REAR AXLE |
|
|
WITH BRAKES;RATIO: |
|
|
41:10 |
| 005 |
A 3093504400 |
REAR AXLE |
|
|
WITH BRAKES;RATIO: |
|
|
41:10 |
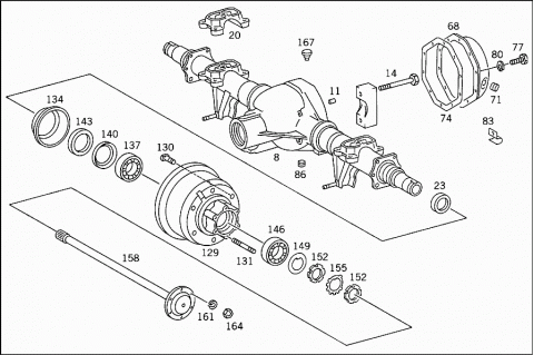
| 008 |
A 3093500920 |
AXLE HOUSING |
| 011 |
N 000007006205 |
CYLINDRICAL PIN |
|
|
AXLE HOUSING |
| 014 |
N 000931014024 |
SCREW |
|
|
BEARING COVER TO AXLE HOUSING |
| 017 |
A 3093570082 |
OIL COLLECTOR |
|
|
REAR AXLE TUBE |
| 020 |
A 3093250212 |
SPRING SADDLE |
|
|
REAR AXLE TUBE |
| 023 |
A 6673560115 |
THRUST RING |
|
|
LEFT |
| 023 |
A 6673560115 |
THRUST RING |
|
|
RIGHT |
| 026 |
A 3093503623 |
DIFFERENTIAL GEAR |
|
Repalced by: A 3093506323
|
| 026 |
A 3093506323 |
DIFFERENTIAL GEAR |
|
|
LESS RING GEAR AND PINION |
| 029 |
N 000933010202 |
SCREW |
|
Repalced by: N 304017010047
|
| 029 |
N 304017010047 |
SCREW |
|
|
COVER TO DIFFERENTIAL CASE |
| 032 |
A 3093530015 |
SIDE GEAR |
|
|
NUMBER OF TEETH: |
|
|
16 |
| 035 |
A 3095860035 |
REPAIR KIT |
|
|
DIFFERENTIAL GEAR |
| 035 |
A 3095860135 |
REPAIR KIT |
|
Repalced by: A 3093500040
|
| 035 |
A 3093500040 |
REPAIR KIT |
|
|
DIFFERENTIAL GEAR |
| 038 |
A 3193530624 |
SPHERICAL WASHER |
|
|
1.00 MM |
| 041 |
A 3193534352 |
SPACER WASHER |
|
|
AS REQUIRED |
|
|
1.50 MM |
| 041 |
A 3193534552 |
SPACER WASHER |
|
|
AS REQUIRED |
|
|
1.70 MM |
| 041 |
A 6693530062 |
THRUST WASHER |
|
Repalced by: A 6693531362
|
| 041 |
A 6693531362 |
THRUST WASHER |
|
|
AS REQUIRED |
|
|
1.30 MM |
| 041 |
A 6693530162 |
THRUST WASHER |
|
Repalced by: A 6693531362
|
| 041 |
A 6693531362 |
THRUST WASHER |
|
|
AS REQUIRED |
|
|
1.35 MM |
| 041 |
A 6693530262 |
THRUST WASHER |
|
Repalced by: A 6693531562
|
| 041 |
A 6693531562 |
THRUST WASHER |
|
|
AS REQUIRED |
|
|
1.40 MM |
| 041 |
A 6693530362 |
THRUST WASHER |
|
|
AS REQUIRED |
|
|
1.45 MM |
| 041 |
A 6693530462 |
THRUST WASHER |
|
Repalced by: A 6693531762
|
| 041 |
A 6693531762 |
THRUST WASHER |
|
|
AS REQUIRED |
|
|
1.50 MM |
| 041 |
A 6693530562 |
THRUST WASHER |
|
|
AS REQUIRED |
|
|
1.55 MM |
| 041 |
A 6693530662 |
THRUST WASHER |
|
Repalced by: A 6693531962
|
| 041 |
A 6693531962 |
THRUST WASHER |
|
|
AS REQUIRED |
|
|
1.60 MM |
| 041 |
A 6693530762 |
THRUST WASHER |
|
|
AS REQUIRED |
|
|
1.65 MM |
| 041 |
A 6693530862 |
THRUST WASHER |
|
Repalced by: A 6693532162
|
| 041 |
A 6693532162 |
THRUST WASHER |
|
|
AS REQUIRED |
|
|
1.70 MM |
| 041 |
A 6693530962 |
THRUST WASHER |
|
|
AS REQUIRED |
|
|
1.75 MM |
| 041 |
A 6693531062 |
THRUST WASHER |
|
Repalced by: A 6693532362
|
| 041 |
A 6693532362 |
THRUST WASHER |
|
|
AS REQUIRED |
|
|
1.80 MM |
| 041 |
A 6693531162 |
THRUST WASHER |
|
|
AS REQUIRED |
|
|
1.85 MM |
| 044 |
A 3093530020 |
DIFFERENTIAL SPIDER |
| 047 |
A 3093500839 |
RING GEAR AND PINION |
|
|
RATIO: |
|
|
41:10 |
| 047 |
A 3093501439 |
RING GEAR AND PINION |
|
|
RATIO: |
|
|
41:10 |
| 050 |
A 3199901901 |
SCREW |
|
Repalced by: A 6709900501
|
| 050 |
A 6709900501 |
SCREW |
|
|
RING GEAR TO DIFFERENTIAL CASE |
| 053 |
A 0019818905 |
TAPERED ROLLER BEARING |
|
|
DIFFERENTIAL GEAR BEARING |
| 053 |
A 0029811905 |
TAPERED ROLLER BEARING |
|
|
DIFFERENTIAL GEAR BEARING |
| 053 |
A 0029812205 |
TAPERED ROLLER BEARING |
|
|
DIFFERENTIAL GEAR BEARING |
| 053 |
A 0079815505 |
TAPERED ROLLER BEARING |
|
|
DIFFERENTIAL GEAR BEARING |
| 056 |
A 3193530825 |
SCREW COLLAR |
|
|
DIFFERENTIAL GEAR ADJUSTMENT |
| 059 |
A 6693530073 |
LOCK |
|
|
SCREW COLLAR |
| 062 |
N 000933008130 |
SCREW |
|
Repalced by: N 304017008039
|
| 062 |
N 304017008039 |
SCREW |
|
|
LOCK TO AXLE HOUSING |
| 065 |
N 006797008120 |
TOOTHED WASHER |
|
|
LOCK TO AXLE HOUSING |
| 068 |
A 6733500021 |
COVER |
|
Repalced by: A 6733510408
|
| 068 |
A 6733510408 |
COVER |
|
|
AXLE HOUSING |
| 071 |
A 3529970032 |
SCREW PLUG |
|
|
OIL FILLING |
| 074 |
A 3193510280 |
GASKET |
|
|
COVER TO AXLE HOUSING |
|
|
TO 309 350 00 21 |
| 074 |
A 6733510080 |
GASKET |
|
|
COVER TO AXLE HOUSING |
|
|
TO 673 350 00 21 |
| 077 |
N 000933010238 |
SCREW |
|
Repalced by: N 304017010028
|
| 077 |
N 304017010028 |
SCREW |
|
|
COVER TO AXLE HOUSING |
|
|
M 10X18,TO 309 350 00 21 |
| 077 |
N 914112010016 |
SCREW |
|
|
COVER TO AXLE HOUSING |
|
|
M 10X20,TO 673 350 00 21 |
| 080 |
N 912004010102 |
LOCK WASHER |
|
|
COVER TO AXLE HOUSING |
| 083 |
A 3129951020 |
CLAMP |
|
|
LINE MOUNTING |
| 086 |
A 3529970032 |
SCREW PLUG |
|
|
OIL DRAIN |
| 089 |
A 0029818505 |
TAPERED ROLLER BEARING |
|
|
DRIVE PINION BEARING |
| 089 |
A 0029819405 |
TAPERED ROLLER BEARING |
|
|
DRIVE PINION BEARING |
| 089 |
A 0059814505 |
TAPERED ROLLER BEARING |
|
|
DRIVE PINION BEARING |
| 092 |
A 3093530251 |
SPACER RING |
|
|
AS REQUIRED |
|
|
12.00 MM |
| 092 |
A 3093530151 |
SPACER RING |
|
|
AS REQUIRED |
|
|
12.60 MM |
| 095 |
A 3193530551 |
SPACER RING |
|
|
AS REQUIRED |
|
|
10.00 MM |
| 098 |
A 3193531025 |
SCREW COLLAR |
|
|
DRIVE PINION BEARING |
| 101 |
A 0009975146 |
SEAL RING |
|
Repalced by: A 0129973047
|
| 101 |
A 0129973047 |
SEAL RING |
|
|
SCREW COLLAR |
| 101 |
A 0119977347 |
SEAL RING |
|
|
SCREW COLLAR |
|
A 3093500045 |
FLANGE |
|
Repalced by: A 3093500345
|
| 104 |
A 3093500345 |
FLANGE |
|
|
DRIVE |
| 107 |
A 6013510072 |
NUT |
|
|
FLANGE TO DRIVE PINION |
| 110 |
A 3093530951 |
SPACER RING |
|
|
AS REQUIRED |
|
|
7.50 MM |
| 110 |
A 3093531151 |
SPACER RING |
|
|
AS REQUIRED |
|
|
7.55 MM |
| 110 |
A 3093531951 |
SPACER RING |
|
|
AS REQUIRED |
|
|
7.70 MM |
| 110 |
A 3093532151 |
SPACER RING |
|
|
AS REQUIRED |
|
|
7.75 MM |
| 110 |
A 3093532951 |
SPACER RING |
|
|
AS REQUIRED |
|
|
7,90 MM |
| 110 |
A 3093533151 |
SPACER RING |
|
|
AS REQUIRED |
|
|
7,95 MM |
| 113 |
A 3193534652 |
SPACER WASHER |
|
|
AS REQUIRED |
|
|
0.10 MM |
| 113 |
A 3193534752 |
SPACER WASHER |
|
|
AS REQUIRED |
|
|
0.25 MM |
| 113 |
A 3193536252 |
SPACER WASHER |
|
|
AS REQUIRED |
|
|
0.30 MM |
| 113 |
A 3193536352 |
SPACER WASHER |
|
|
AS REQUIRED |
|
|
0.45 MM |
| 113 |
A 3193534852 |
SPACER WASHER |
|
|
AS REQUIRED |
|
|
0.50 MM |
| 113 |
A 3193536552 |
SPACER WASHER |
|
|
AS REQUIRED |
|
|
1.00 MM |
| 116 |
A 3199810001 |
CYLINDR. ROLLER BEARING |
|
|
DRIVE PINION BEARING |
| 116 |
A 0039812101 |
CYLINDR. ROLLER BEARING |
|
|
DRIVE PINION BEARING |
| 116 |
A 0039812801 |
CYLINDR. ROLLER BEARING |
|
|
DRIVE PINION BEARING |
| 119 |
N 000471025001 |
LOCK RING |
|
|
DRIVE PINION BEARING |
| 122 |
A 3193530273 |
LOCK |
|
Repalced by: A 6693530073
|
| 122 |
A 6693530073 |
LOCK |
|
|
SCREW COLLAR |
| 125 |
N 006797008120 |
TOOTHED WASHER |
|
|
LOCK TO AXLE HOUSING |
| 128 |
N 000933008130 |
SCREW |
|
Repalced by: N 304017008039
|
| 128 |
N 304017008039 |
SCREW |
|
|
LOCK TO AXLE HOUSING |
| 129 |
A 3093501047 |
DRUM HUB |
|
Repalced by: A 3093560402
|
| 129 |
A 3093560402 |
DRUM HUB |
| 130 |
A 3194020471 |
WHEEL MOUNTING BOLT |
|
Repalced by: A 3094020271
|
| 130 |
A 3094020271 |
WHEEL MOUNTING BOLT |
|
|
WHEEL HUB |
| 131 |
A 3199900005 |
STUD |
|
|
WHEEL HUB |
| 134 |
A 3193560282 |
OIL COLLECTOR |
|
|
WHEEL BEARING |
| 137 |
A 0019818405 |
TAPERED ROLLER BEARING |
|
|
WHEEL BEARING |
|
|
55 MM |
| 137 |
A 0019818605 |
TAPERED ROLLER BEARING |
|
|
WHEEL BEARING |
|
|
55 MM |
| 137 |
A 0029812405 |
TAPERED ROLLER BEARING |
|
|
WHEEL BEARING |
|
|
55 MM |
| 137 |
A 0009804102 |
TAPERED ROLLER BEARING |
|
|
WHEEL BEARING |
|
|
60.325 MM |
| 137 |
A 0009804402 |
TAPERED ROLLER BEARING |
|
|
WHEEL BEARING |
|
|
60.325 MM |
| 137 |
A 0009804502 |
TAPERED ROLLER BEARING |
|
|
WHEEL BEARING |
|
|
60.325 MM |
| 137 |
A 0029816205 |
TAPERED ROLLER BEARING |
|
|
WHEEL BEARING |
|
|
60.325 MM |
| 140 |
A 3093560051 |
SPACER RING |
|
|
WHEEL BEARING |
| 143 |
A 0009971446 |
SEAL RING |
|
Repalced by: A 0199975847
|
| 143 |
A 0199975847 |
SEAL RING |
|
|
WHEEL BEARING |
| 146 |
A 0019818905 |
TAPERED ROLLER BEARING |
|
|
WHEEL BEARING |
| 146 |
A 0029811905 |
TAPERED ROLLER BEARING |
|
|
WHEEL BEARING |
| 146 |
A 0029812205 |
TAPERED ROLLER BEARING |
|
|
WHEEL BEARING |
| 149 |
A 3093560052 |
SPACER WASHER |
|
|
WHEEL HUB TO REAR AXLE TUBE |
| 152 |
A 3199900060 |
NUT |
|
|
WHEEL HUB TO REAR AXLE TUBE |
| 155 |
N 070952050102 |
LOCK PLATE |
|
|
WHEEL HUB TO REAR AXLE TUBE |
| 158 |
A 3093570401 |
REAR AXLE SHAFT |
| 161 |
N 912004010102 |
LOCK WASHER |
|
|
REAR AXLE SHAFT TO HUB |
| 164 |
N 000934010014 |
NUT |
|
|
REAR AXLE SHAFT TO HUB |
| 167 |
A 3833510065 |
FITTING |
|
|
AXLE BREATHING |