Pagrindinis meniu

Transporto priemonė: O 317; VIN numerio dalis: 317245
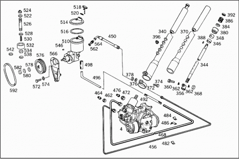
Grupė: 46 STEERING
53263
53264
53265
53266
53267
# Kodas Pavadinimas
A 3174600901 STEERING BOX ASSEMBLY
Repalced by: A 3174601001
004 A 3174601001 STEERING BOX ASSEMBLY
A 3174601301 STEERING BOX ASSEMBLY
014 A 0004612301 BOX
016 N 007603026100 SEAL RING
018 A 0009972430 SCREW PLUG
020 A 0009972530 SCREW PLUG
022 A 0009900015 SCREW
024 A 0009815910 NEEDLE BEARING
45X55X30 MM
026 A 0004612250 BUSHING
028 A 0009812810 NEEDLE BEARING
45X55X20 MM
030 A 0019970640 SEAL RING
032 N 000472060000 LOCK RING
034 A 0004620404 STEERING WORM
036 A 3049810084 CAGE
038 A 0009870746 SEALING CORD
040 A 0009810180 OUTER RACE
042 A 3049810080 OUTER RACE
044 A 0009870946 SEALING CORD
A 0009871046 SEALING CORD
Repalced by: A 0119973645
046 A 0119973645 SEAL RING
048 A 0004613852 SPACER WASHER
AS REQUIRED
0.10 MM
048 A 0004613952 SPACER WASHER
AS REQUIRED
0.12 MM
048 A 0004614052 SPACER WASHER
AS REQUIRED
0.15 MM
048 A 0004614152 SPACER WASHER
AS REQUIRED
0.30 MM
050 A 0004611405 COVER
N 000137012203 SPRING WASHER
N 000933012056 SCREW
Repalced by: N 304017012020
N 304017012020 SCREW
052 A 0004620852 SPACER WASHER
AS REQUIRED
1.0 MM
052 A 0004620952 SPACER WASHER
AS REQUIRED
1.1 MM
052 A 0004621052 SPACER WASHER
AS REQUIRED
1.2 MM
052 A 0004621152 SPACER WASHER
AS REQUIRED
1.3 MM
052 A 0004621252 SPACER WASHER
AS REQUIRED
1.4 MM
052 A 0004621352 SPACER WASHER
AS REQUIRED
1.5 MM
052 A 0004621452 SPACER WASHER
AS REQUIRED
1.6 MM
052 A 0004621552 SPACER WASHER
AS REQUIRED
1.7 MM
052 A 0004621652 SPACER WASHER
AS REQUIRED
1.8 MM
052 A 0004621752 SPACER WASHER
AS REQUIRED
1.9 MM
052 A 0004621852 SPACER WASHER
2.00 MM
056 N 006888008002 WOODRUFF KEY
A 0004620510 WORM GEAR
A 0004620810 WORM GEAR
058 A 0004620710 WORM GEAR
060 A 0004621952 SPACER WASHER
AS REQUIRED
1.0 MM
060 A 0004622052 SPACER WASHER
AS REQUIRED
1.1 MM
060 A 0004622152 SPACER WASHER
AS REQUIRED
1.2 MM
060 A 0004622252 SPACER WASHER
AS REQUIRED
1.3 MM
060 A 0004622352 SPACER WASHER
AS REQUIRED
1.4 MM
060 A 0004622452 SPACER WASHER
AS REQUIRED
1.5 MM
060 A 0004622552 SPACER WASHER
AS REQUIRED
1.6 MM
060 A 0004622652 SPACER WASHER
AS REQUIRED
1.7 MM
060 A 0004622752 SPACER WASHER
AS REQUIRED
1.8 MM
060 A 0004622852 SPACER WASHER
AS REQUIRED
1.9 MM
060 A 0004622952 SPACER WASHER
2.00 MM
062 N 000471024000 LOCK RING
066 A 0004620712 STEERG. WORM SECTOR SHAFT
070 A 0004620018 ROLLER
A 3049810087 NEEDLE
074 A 0004620016 PIN
076 N 000937035001 NUT
N 000094006013 COTTER PIN
080 A 0009901177 SCREW
082 A 0004623052 SPACER WASHER
2.00 MM
082 A 0004623152 SPACER WASHER
AS REQUIRED
2.1 MM
082 A 0004623252 SPACER WASHER
AS REQUIRED
2.2 MM
082 A 0004623352 SPACER WASHER
AS REQUIRED
2.3 MM
084 N 000472028000 LOCK RING
086 A 0009871146 SEALING CORD
088 N 000936016003 NUT
090 A 0009970410 PIN
N 000939010007 STUD BOLT
092 A 0004610905 COVER
094 A 0009812810 NEEDLE BEARING
096 A 0004620015 SLIDE
N 000137006204 SPRING WASHER
N 000933006103 SCREW
Repalced by: N 304017006018
N 304017006018 SCREW
099 A 0004611579 GASKET
N 000137010100 SPRING WASHER
COVER TO BOX
N 000931010034 SCREW
COVER TO BOX
N 000931010424 SCREW
COVER TO BOX
N 000934010014 NUT
COVER TO BOX
103 A 0004620017 CONICAL SLEEVE
106 A 0004623452 SPACER WASHER
AS REQUIRED
4.70 MM
106 A 0004623552 SPACER WASHER
AS REQUIRED
4.73 MM
106 A 0004623652 SPACER WASHER
AS REQUIRED
4.76 MM
106 A 0004623752 SPACER WASHER
AS REQUIRED
4.79 MM
106 A 0004623852 SPACER WASHER
AS REQUIRED
4.82 MM
106 A 0004623952 SPACER WASHER
AS REQUIRED
4.85 MM
106 A 0004624052 SPACER WASHER
AS REQUIRED
4.88 MM
106 A 0004624152 SPACER WASHER
AS REQUIRED
4.91 MM
106 A 0004624252 SPACER WASHER
AS REQUIRED
4.94 MM
106 A 0004624352 SPACER WASHER
AS REQUIRED
4.97 MM
106 A 0004624452 SPACER WASHER
AS REQUIRED
5.00 MM
106 A 0004624552 SPACER WASHER
AS REQUIRED
5.03 MM
110 A 0009871146 SEALING CORD
A 0004620183 PISTON
Repalced by: A 0004620283
A 0004620083 PISTON
Repalced by: A 0004620283
A 0004620283 PISTON
114 A 0004620483 PISTON
116 A 0004620098 CONNECTOR
N 007984008013 SCREW
TO 000 462 00 83,000 462 01 83
A 0004628152 SPACER WASHER
TO 000 462 02 83,000 462 04 83
N 000933008146 SCREW
TO 000 462 02 83,000 462 04 83
122 A 0009941851 LOCK
TO 000 462 00 83,000 462 01 83
124 A 0004620160 SEAL RING
126 A 0004620065 RING
128 A 0004620226 NUT
130 A 0009871246 SEALING CORD
133 A 0004610003 CYLINDER
A 0004620501 STEERING SHAFT
136 A 0004620001 STEERING SHAFT
138 A 0009812910 NEEDLE BEARING
50X62X25 MM
142 N 000625506007 GROOVED BALL BEARING
146 N 000471035000 LOCK RING
148 A 0004620045 FLANGE
152 A 0004620233 LOCK RING
154 A 0029972446 SEAL RING
156 N 000472047000 LOCK RING
A 0009871046 SEALING CORD
Repalced by: A 0119973645
158 A 0119973645 SEAL RING
162 A 0004620165 RING
164 A 0004624652 SPACER WASHER
AS REQUIRED
0.90 MM
164 A 0004624752 SPACER WASHER
AS REQUIRED
1.00 MM
164 A 0004624852 SPACER WASHER
AS REQUIRED
1.10 MM
164 A 0004624952 SPACER WASHER
AS REQUIRED
1.20 MM
164 A 0004625052 SPACER WASHER
AS REQUIRED
1.30 MM
164 A 0004625152 SPACER WASHER
AS REQUIRED
1.40 MM
168 N 000472062000 LOCK RING
Repalced by: A 0039945241
168 A 0039945241 LOCK
170 A 0004625252 SPACER WASHER
AS REQUIRED
2.50 MM
170 A 0004625352 SPACER WASHER
AS REQUIRED
2.60 MM
170 A 0004625452 SPACER WASHER
AS REQUIRED
2.70 MM
170 A 0004625552 SPACER WASHER
AS REQUIRED
2.80 MM
170 A 0004625652 SPACER WASHER
AS REQUIRED
2.90 MM
170 A 0004625752 SPACER WASHER
AS REQUIRED
3.00 MM
170 A 0004625852 SPACER WASHER
AS REQUIRED
3.10 MM
170 A 0004625952 SPACER WASHER
AS REQUIRED
3.20 MM
170 A 0004626052 SPACER WASHER
AS REQUIRED
3.30 MM
170 A 0004626152 SPACER WASHER
AS REQUIRED
3.40 MM
170 A 0004626252 SPACER WASHER
AS REQUIRED
3.50 MM
182 N 006888008002 WOODRUFF KEY
A 0004620410 WORM GEAR
A 0004620053 SPACER TUBE
186 A 0004620194 SNAP RING
192 A 0004626352 SPACER WASHER
AS REQUIRED
3.50 MM
192 A 0004626452 SPACER WASHER
AS REQUIRED
3.60 MM
192 A 0004626552 SPACER WASHER
AS REQUIRED
3.70 MM
192 A 0004626652 SPACER WASHER
AS REQUIRED
3.80 MM
192 A 0004626752 SPACER WASHER
AS REQUIRED
3.90 MM
192 A 0004626852 SPACER WASHER
AS REQUIRED
4.00 MM
192 A 0004626952 SPACER WASHER
AS REQUIRED
4.10 MM
192 A 0004627052 SPACER WASHER
AS REQUIRED
4.20 MM
192 A 0004627152 SPACER WASHER
AS REQUIRED
4.30 MM
192 A 0004627252 SPACER WASHER
AS REQUIRED
4.40 MM
192 A 0004627352 SPACER WASHER
AS REQUIRED
4.50 MM
196 A 0009813010 NEEDLE BEARING
202 A 0004620118 ROLLER
206 A 0004620153 SPACER TUBE
208 A 0004627452 SPACER WASHER
AS REQUIRED
2.30 MM
208 A 0004627552 SPACER WASHER
AS REQUIRED
2.40 MM
208 A 0004627652 SPACER WASHER
AS REQUIRED
2.50 MM
208 A 0004627752 SPACER WASHER
AS REQUIRED
2.60 MM
208 A 0004627852 SPACER WASHER
AS REQUIRED
2.70 MM
208 A 0004627952 SPACER WASHER
AS REQUIRED
2.80 MM
208 A 0004628052 SPACER WASHER
AS REQUIRED
2.90 MM
212 A 0009813110 NEEDLE BEARING
214 A 0004620036 LEVER
216 N 000471019000 LOCK RING
218 A 0004620326 NUT
222 A 0004620373 LOCK
224 A 0009870946 SEALING CORD
228 A 0004610104 BOX
232 A 0009871346 SEALING CORD
236 A 0009970016 THREADED CHUCK
238 A 0009871446 SEALING CORD
242 A 0009900977 SCREW
246 A 0004620473 LOCK
N 000125008418 WASHER
Repalced by: N 000125008443
N 000125008443 WASHER
N 000933008212 SCREW
Repalced by: N 304017008016
N 304017008016 SCREW
250 N 007603026100 SEAL RING
254 A 0009976172 FITTING
256 A 0004610082 VALVE
258 A 0009871346 SEALING CORD
262 A 0009871546 SEALING CORD
264 A 0004610182 VALVE
N 000471016001 LOCK RING
Repalced by: A 0079942041
A 0079942041 LOCK
266 A 0009871646 SEALING CORD
268 A 0009871746 SEALING CORD
272 A 0009871346 SEALING CORD
274 A 0009871846 SEALING CORD
276 A 0004610046 COVER
279 N 000137008204 SPRING WASHER
280 N 000933008152 SCREW
Repalced by: N 304017008027
280 N 304017008027 SCREW
281 N 000933008153 SCREW
Repalced by: N 304017008034
281 N 304017008034 SCREW
284 N 007603016401 SEAL RING
286 N 007627010001 SCREW FITTING
N 912004012100 LOCK WASHER
N 000931012018 SCREW
294 A 0004610824 LINE
296 A 0004610924 LINE
300 A 0004611024 LINE
LEFT
303 A 0004611124 LINE
RIGHT
306 A 0009871946 SEALING CORD
309 A 0009900863 HOLLOW SCREW
312 A 0004610089 RETAINING PLATE
316 A 0009950820 CLAMP
318 N 000137006204 SPRING WASHER
320 N 000934006007 NUT
340 A 3174600009 STEERING SHAFT
Repalced by: A 3174600109
340 A 3174600109 STEERING SHAFT
344 A 0004620401 STEERING SHAFT
Repalced by: A 0004622101
344 A 0004622101 STEERING SHAFT
346 A 0004621750 BUSHING
348 A 0004620028 BEARING RING
A 0004620078 COUPLING COLLAR
356 A 0004620178 COUPLING COLLAR
A 0009900014 SCREW
360 A 0009900614 SCREW
362 A 0009941215 LOCK
N 000934008020 NUT
A 0009902855 NUT
N 000094002008 COTTER PIN
368 A 0019902951 NUT
370 A 0004622720 STEER.COLUMN JACKET TUBE
372 A 0009950644 CLAMP
374 N 000931010331 SCREW
376 N 912004010102 LOCK WASHER
378 N 000934010014 NUT
380 A 3254620050 BUSHING
384 A 3254620051 RING
386 A 3259930101 SPRING
388 N 006888006001 WOODRUFF KEY
392 N 000936024000 NUT
396 A 0004640219 CONTACT PIECE
Repalced by: A 0004640319
396 A 0004640319 CONTACT PIECE
A 3174630101 PITMAN ARM
400 A 3174630501 PITMAN ARM
A 3174630401 PITMAN ARM
A 0059976982 HOSE
Repalced by: A 0079973082
450 A 0079973082 HOSE
456 A 3174600424 LINE
Repalced by: A 3174600624
456 A 3174600624 LINE
HIGH PRESSURE; FROM HOSE TO STEERING
A 3174600924 LINE
HIGH PRESSURE; FROM HOSE TO FITTING
A 3174600824 LINE
HIGH PRESSURE; FROM FITTING TO STEERING
N 915008010301 FITTING
462 N 915017012200 UNION NUT
464 N 915003010101 SEAL CONE
468 A 3174600524 LINE
LOW PRESSURE; FROM HOSE TO STEERING
A 3174600724 LINE
LOW PRESSURE; FROM HOSE TO STEERING
472 N 915017015200 UNION NUT
476 N 915003013102 SEAL CONE
482 A 3049951520 CLAMP
HIGH PRESSURE OIL LINE TO SUBSTRUCTURE
484 A 3129952420 CLAMP
Repalced by: A 1109950401
484 A 1109950401 CLAMP
LOW PRESSURE LINE TO SUBSTRUCTURE
486 A 3174660540 BRACKET
N 000933006102 SCREW
FOR DELIVERY LINE
N 912004006102 LOCK WASHER
FOR DELIVERY LINE
N 000934006007 NUT
FOR DELIVERY LINE
492 A 0059976782 HOSE
496 A 3174661165 LINE
LOW PRESSURE;FROM PIPE TO OIL TANK
498 A 0059976882 HOSE
N 916017020000 CLAMP
Repalced by: N 000000000667
N 000000000667 CLAMP
A 3174600280 HYDRAULIC PUMP
Repalced by: A 3174600780
A 3174600380 HYDRAULIC PUMP
Repalced by: A 3174600780
A 0002360155 FILTER
N 007603020404 SEAL RING
A 3179970471 FITTING
A 3174600480 HYDRAULIC PUMP
Repalced by: A 3174600780
A 3174600580 HYDRAULIC PUMP
Repalced by: A 3174600780
510 A 3174600780 HYDRAULIC PUMP
A 0004661902 TANK
A 0004663402 TANK
514 A 3174600082 COVER
516 A 0004660560 SEAL RING
518 A 0004600982 COVER
520 A 0004660660 SEAL RING
522 A 3174660360 SEAL RING
524 A 0009909551 NUT
526 A 0004660070 STUD
A 0009900398 COTTER PIN
Repalced by: N 000094002030
N 000094002030 COTTER PIN
528 A 0009909440 WASHER
530 A 0019938801 SPRING
532 A 0002360155 FILTER
534 A 0019900051 NUT
538 A 0004660760 SEAL RING
542 A 0004660860 SEAL RING
A 0004660680 GASKET
546 A 0009910167 WOODRUFF KEY
A 0004660108 COUPLING
A 0004660208 COUPLING
A 0005860946 REPAIR KIT
A 0005861046 REPAIR KIT
A 0005861146 REPAIR KIT
A 0005861246 REPAIR KIT
PUMP CARTRIDGE
A 0005861346 REPAIR KIT
PUMP CARTRIDGE
562 N 007603020404 SEAL RING
564 A 3179970471 FITTING
566 A 3174600135 BRACKET
572 A 0019905201 SCREW
Repalced by: A 0039901101
572 A 0039901101 SCREW
574 N 000137010201 SPRING WASHER
576 A 3172050910 PULLEY
578 N 000125013008 WASHER
580 N 000137012203 SPRING WASHER
582 A 3179900351 NUT
N 000960016052 SCREW
N 000960016244 SCREW
N 000125017010 WASHER
Repalced by: N 000125017016
N 000125017016 WASHER
N 912004016101 LOCK WASHER
N 000934016011 NUT
Repalced by: N 308673016001
N 308673016001 NUT
N 000933010095 SCREW
Repalced by: N 304017010030
N 304017010030 SCREW
N 000934010014 NUT
592 N 007753012511 NARROW V-BELT
12.5X1200
600 A 3174600203 STEERING WHEEL
IVORY
A 3174600703 STEERING WHEEL
BLACK
A 1204600245 PLATE
Repalced by: A 0004640417
A 1814640071 SCREW
608 A 0004640417 CONTACT PLATE
A 3204640034 BRACKET
Repalced by: A 3224640034
611 A 3224640034 BRACKET
613 N 912004004102 LOCK WASHER
614 N 000084004137 SCREW
Repalced by: N 007985004149
614 N 007985004149 SCREW
Repalced by: N 000000001933
614 N 000000001933 SCREW
A 3209950010 CLAMP
N 072573001006 CLAMP
N 000084004139 SCREW
N 912004004102 LOCK WASHER
N 000934004006 NUT
624 A 0009903220 SCREW
628 A 3204640053 SPACER TUBE
632 A 0009903320 SCREW
N 912004004102 LOCK WASHER
636 A 3224640050 BUSHING
640 A 1814640186 CONTACT CUP
642 A 1534640023 INSULATING PLATE
646 A 3209930201 SPRING
648 A 1814640028 CONTACT RING
650 A 3204640072 NUT
A 3209910055 PIN
A 3204600240 SIGNAL RING
Repalced by: A 3204640215
A 3224600040 SIGNAL RING
Repalced by: A 3204640215
A 3224600140 SIGNAL RING
Repalced by: A 3204640215
652 A 3204640215 SIGNAL RING
A 0004640437 PLATE
654 A 0004640139 LEVER
656 A 0004640290 SPRING
658 A 3214640062 THRUST WASHER
662 A 3204640182 RING
664 A 1839970540 SEAL RING
668 A 1874600244 BADGE
IVORY
A 1874600144 BADGE
BLACK
N 000933016007 SCREW
680 N 000933016014 SCREW
682 N 912004016101 LOCK WASHER
A 3174600329 STEERING BRACKET
Repalced by: A 3174610540
685 A 3174610540 STEERING SUPPORT
A 3174610640 STEERING SUPPORT
692 N 000961016108 SCREW
MOUNTING PLATE TO SUBSTRUCTURE
694 N 912004016101 LOCK WASHER
MOUNTING PLATE TO SUBSTRUCTURE
696 N 000934016013 NUT
Repalced by: N 308673016001
696 N 308673016001 NUT
MOUNTING PLATE TO SUBSTRUCTURE
A 3174600305 DRAG LINK
Repalced by: A 3174600905
700 A 3174600905 DRAG LINK
FRONT
A 3174603105 DRAG LINK
Repalced by: A 3174606305
A 3174603905 DRAG LINK
Repalced by: A 3174606305
A 3174606305 DRAG LINK
FRONT
A 3174606405 DRAG LINK
FRONT
A 3174601305 DRAG LINK
Repalced by: A 3174601105
A 3174601105 DRAG LINK
FRONT
A 3174602805 DRAG LINK
Repalced by: A 3174605705
A 3174603605 DRAG LINK
Repalced by: A 3174605705
A 3174605705 DRAG LINK
FRONT
A 3174605805 DRAG LINK
FRONT
A 3174603405 DRAG LINK
Repalced by: A 3174605305
A 3174605305 DRAG LINK
FRONT
A 3174605405 DRAG LINK
FRONT
A 3174601805 DRAG LINK
Repalced by: A 3174601905
A 3174601905 DRAG LINK
FRONT
A 3174602905 DRAG LINK
Repalced by: A 3174605905
A 3174603705 DRAG LINK
Repalced by: A 3174605905
A 3174605905 DRAG LINK
Repalced by: A 3174607105
A 3174607105 DRAG LINK
FRONT
A 3174606005 DRAG LINK
Repalced by: A 3174606905
A 3174606905 DRAG LINK
FRONT
A 3174603305 DRAG LINK
Repalced by: A 3174605105
A 3174605105 DRAG LINK
FRONT
A 3174605205 DRAG LINK
FRONT
A 3174602205 DRAG LINK
FRONT
A 3174602305 DRAG LINK
A 3174603005 DRAG LINK
Repalced by: A 3174606105
A 3174603805 DRAG LINK
Repalced by: A 3174606105
A 3174606105 DRAG LINK
FRONT
A 3174606205 DRAG LINK
FRONT
A 3174603505 DRAG LINK
Repalced by: A 3174605505
A 3174605505 DRAG LINK
FRONT
A 3174605605 DRAG LINK
FRONT
A 0004621796 BOOT
FIXED PART OF JOINT
N 000960010006 SCREW
N 000960012349 SCREW
N 000935010010 NUT
N 000935012003 NUT
N 000094002021 COTTER PIN
N 000094003219 COTTER PIN
TO 317 460 31 05,33 05-39 05
N 000094003226 COTTER PIN
TO 317 460 51 05,317 460 59 05
A 0003380645 CLAMP
TO 317 460 31 05,33 05-39 05,
A 0003380645 CLAMP
TO 317 460 51 05,317 460 59 05
A 0004630017 CLAMPING PIECE
Repalced by: A 0003380645
A 0004630218 DRAG LINK END
Repalced by: A 0004600348
A 0004630418 DRAG LINK END
Repalced by: A 0004600348
A 0004630518 DRAG LINK END
Repalced by: A 0004600348
A 0004630618 DRAG LINK END
Repalced by: A 0004600348
A 0003305235 JOINT
Repalced by: A 0004600348
710 A 0004600348 DRAG LINK END
Repalced by: A 0004602848
710 A 0004602848 DRAG LINK END
Repalced by: A 0014600848
710 A 0014600848 DRAG LINK END
Repalced by: A 0014602248
710 A 0014602248 DRAG LINK END
R.H. THREAD
LEMFOERDER 31 05,33 05-39 05
A 0019905451 NUT
LEMFOERDER
A 0004630730 HOUSING
A 0004631330 HOUSING
N 071412008101 GREASE NIPPLE
Repalced by: N 071412008102
N 071412008102 GREASE NIPPLE
A 0004632829 BALL JOINT
TO 317 460 51 05,59 05
A 0004630127 BALL SOCKET
A 3349910115 BALL PIVOT
A 3349910215 BALL PIVOT
A 0004630026 BALL SOCKET
Repalced by: A 0004630126
A 0004630126 BALL SOCKET
A 0004630126 BALL SOCKET
A 0004630393 SPRING
Repalced by: A 0004630493
A 0004630493 SPRING
A 0004630493 SPRING
A 0004630431 COVER
Repalced by: A 0004631856
A 0004631856 DUST CAP
TO 317 460 31 05,317 460 33 05-39 05
A 0004630931 COVER
Repalced by: A 0004631431
A 0004631431 COVER
TO 317 460 31 05,317 460 33 05-39 05
A 0004630831 COVER
A 0004631131 COVER
TO 317 460 31 05,317 460 33 05-39 05
A 0004631231 COVER
Repalced by: A 0004631331
A 0004631331 COVER
N 071412008101 GREASE NIPPLE
Repalced by: N 071412008102
N 071412008102 GREASE NIPPLE
A 0009940137 SNAP RING
A 0004630556 DUST CAP
N 000937024002 NUT
N 000937024002 NUT
TO 317 460 51 05,317 460 59 05
N 000094005045 COTTER PIN
N 000094005045 COTTER PIN
TO 317 460 51 05,317 460 59 05
A 3349910115 BALL PIVOT
A 3349910215 BALL PIVOT
A 0004630127 BALL SOCKET
BOTTOM
A 0004630627 BALL SOCKET
BOTTOM
TO 317 460 31 05,317 460 33 05-39 05
A 0004630126 BALL SOCKET
TOP
A 0004632156 DUST CAP
A 3354600096 BOOT
Repalced by: A 0004621796
A 0004621796 BOOT
TO 317 460 31 05,317 460 33 05-39 05
A 0004631496 BOOT
Repalced by: A 0004621796
A 0004621796 BOOT
TO 317 460 51 05,317 460 59 05
A 0005860533 REPAIR KIT
A 0005860733 REPAIR KIT
A 0005860833 REPAIR KIT
TO 317 460 31 05,317 460 33 05-39 05
A 0005860933 REPAIR KIT
TO 317 460 31 05,317 460 33 05-39 05
A 3174630110 STEERING INTERMEDIATE ARM
725 A 3174630510 STEERING INTERMEDIATE ARM
A 3174630410 STEERING INTERMEDIATE ARM
728 N 071412010200 GREASE NIPPLE
731 A 3174630011 TRUNNION BEARING
N 000961014043 SCREW
PIVOT BEARING TO SUBSTRUCTURE
N 000433015005 WASHER
PIVOT BEARING TO SUBSTRUCTURE
N 000935014004 NUT
PIVOT BEARING TO SUBSTRUCTURE
N 000094003226 COTTER PIN
PIVOT BEARING TO SUBSTRUCTURE
N 006504042101 RADIAL SEAL RING
736 N 006504042100 RADIAL SEAL RING
Repalced by: A 0079976446
736 A 0079976446 SEAL RING
740 A 3174630052 SPACER WASHER
744 N 000720030206 TAPERED ROLLER BEARING
746 N 000720030205 TAPERED ROLLER BEARING
Repalced by: A 0059819105
746 A 0059819105 TAPERED ROLLER BEARING
748 A 3174630062 THRUST WASHER
752 N 000937020001 NUT
N 000094004065 COTTER PIN
756 A 3214630033 CAP
A 3174600405 DRAG LINK
Repalced by: A 3174606505
A 3174601005 DRAG LINK
REAR
A 3174602105 DRAG LINK
REAR
A 3174603205 DRAG LINK
Repalced by: A 3174606505
A 3174604005 DRAG LINK
Repalced by: A 3174606505
760 A 3174606505 DRAG LINK
Repalced by: A 3174607205
760 A 3174607205 DRAG LINK
REAR
A 3174606605 DRAG LINK
Repalced by: A 3174607005
A 3174607005 DRAG LINK
REAR
A 3174603205 DRAG LINK
Repalced by: A 3174606705
A 3174604105 DRAG LINK
Repalced by: A 3174606705
A 3174606705 DRAG LINK
REAR
A 3174606805 DRAG LINK
REAR
A 0004600106 DRAG LINK TUBE
A 0004600406 DRAG LINK TUBE
N 071412008302 GREASE NIPPLE
A 0004630127 BALL SOCKET
A 3349910115 BALL PIVOT
A 3349910215 BALL PIVOT
A 0004630026 BALL SOCKET
Repalced by: A 0004630126
A 0004630126 BALL SOCKET
A 0004630393 SPRING
Repalced by: A 0004630493
A 0004630493 SPRING
A 0004630831 COVER
A 0004630431 COVER
Repalced by: A 0004631856
A 0004631856 DUST CAP
A 0004631856 DUST CAP
A 0009940137 SNAP RING
A 0004630556 DUST CAP
N 000937024002 NUT
N 000937024002 NUT
TO 317 460 65 05,317 460 67 05
N 000094005045 COTTER PIN
N 000094005045 COTTER PIN
TO 317 460 65 05,317 460 67 05
A 3349910115 BALL PIVOT
A 3349910215 BALL PIVOT
A 0004630127 BALL SOCKET
BOTTOM
A 0004630627 BALL SOCKET
BOTTOM
TO 317 460 32 05,40 05,41 05
A 0004630126 BALL SOCKET
TOP
A 0004632156 DUST CAP
A 3354600096 BOOT
Repalced by: A 0004621796
A 0004621796 BOOT
A 0004631496 BOOT
Repalced by: A 0004621796
A 0004621796 BOOT
TO 317 460 65 05,317 460 67 05
A 0005860533 REPAIR KIT
A 0005860733 REPAIR KIT
A 0005860833 REPAIR KIT
TO 317 460 32 05,40 05,41 05
A 0005860933 REPAIR KIT
TO 317 460 32 05,40 05,41 05
780 A 3174600031 STEERING COLUMN BRACKET
782 A 3209900005 STUD
N 000931010114 SCREW
STEERING COLUMN BRACKET TO STEERING COLUMN
N 912004010102 LOCK WASHER
STEERING COLUMN BRACKET TO STEERING COLUMN
N 000934010014 NUT
STEERING COLUMN BRACKET TO STEERING COLUMN
N 000933008153 SCREW
Repalced by: N 304017008034
N 304017008034 SCREW
STEERING COLUMN BRACKET TO STEERING COLUMN STAY
N 912004008102 LOCK WASHER
STEERING COLUMN BRACKET TO STEERING COLUMN STAY
N 000934008010 NUT
STEERING COLUMN BRACKET TO STEERING COLUMN STAY
788 A 3204620065 RING
A 3174630132 SHOCK ABSORBER
A 3174630232 SHOCK ABSORBER
A 3174630332 SHOCK ABSORBER
Repalced by: A 3024630432
800 A 3024630432 SHOCK ABSORBER
Repalced by: A 0004635932
800 A 0004635932 SHOCK ABSORBER
Repalced by: A 0004636132
800 A 0004636132 SHOCK ABSORBER
804 A 0004630065 RUBBER RING
Repalced by: A 0004630565
804 A 0004630565 RUBBER RING
808 A 0004630050 BUSHING
812 A 0004630165 RUBBER RING
A 0004630229 BALL JOINT
A 0004630329 BALL JOINT
A 0004631429 BALL JOINT
816 A 0004631729 BALL JOINT
N 071412010100 GREASE NIPPLE
820 A 0004631056 DUST CAP
824 N 001481003012 CLAMPING SLEEVE
A 0004630134 TUBE
826 A 0004630234 TUBE
A 0003300185 BOOT
Repalced by: A 0003300785
A 0003300785 BOOT
A 3179901301 SCREW
A 3179902501 SCREW
N 000937014001 NUT
N 000094003226 COTTER PIN
A 3174630240 BRACKET
830 A 3174630540 BRACKET
A 3174630640 BRACKET
832 N 912004012100 LOCK WASHER
N 000961012052 SCREW
Repalced by: N 308676012012
N 308676012012 SCREW
836 N 000960012079 SCREW
844 A 3179940109 LOCK
848 A 3174630172 NUT
N 000935014004 NUT
N 000094003226 COTTER PIN