Pagrindinis meniu

Transporto priemonė: O 317 FH: 317.222; VIN numerio dalis: 317222
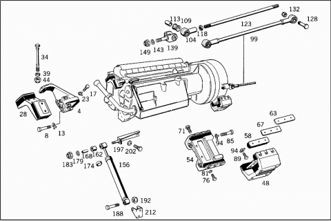
Grupė: 24 ENGINE SUSPENSION - 001 RUBBER MOUNTING TO ENGINE SUPPORT
16085
# Kodas Pavadinimas
004 A 3172410101 ENGINE SUPPORT
ENGINE FRONT SUSPENSION
008 A 3179900601 SCREW
ENGINE SUPPORT TO CYLINDER CRANKCASE
013 N 000463013002 LOCK PLATE
ENGINE SUPPORT TO CYLINDER CRANKCASE
017 N 000961012052 SCREW
Repalced by: N 308676012012
017 N 308676012012 SCREW
ENGINE FRONT MOUNTING TO ENGINE SUPPORT
023 N 000463013002 LOCK PLATE
ENGINE FRONT MOUNTING TO ENGINE SUPPORT
028 A 3172400101 ENGINE SUPPORT
Repalced by: A 3172400401
028 A 3172400401 ENGINE SUPPORT
ENGINE FRONT SUSPENSION
034 A 3172410271 SCREW
ENGINE SUPPORT TO SUBSTRUCTURE
039 A 3172410051 SPACER RING
ENGINE SUPPORT TO SUBSTRUCTURE
10.00 MM
039 A 3172410151 SPACER RING
ENGINE SUPPORT TO SUBSTRUCTURE
6.00 MM
044 N 000935016002 NUT
ENGINE SUPPORT TO SUBSTRUCTURE
N 000094004065 COTTER PIN
ENGINE SUPPORT TO SUBSTRUCTURE
048 A 3172400102 ENGINE SUPPORT
LEFT REAR
054 A 3172400202 ENGINE SUPPORT
RIGHT REAR
058 A 3172400065 STOP
Repalced by: A 3022400165
058 A 3022400165 STOP
ENGINE LEFT AND RIGHT SUPPORTS
063 A 3172420066 WASHER
ENGINE LEFT AND RIGHT SUPPORTS
5.00 MM
067 A 3172420266 WASHER
ENGINE LEFT AND RIGHT SUPPORTS
2.00 MM
067 A 3172420366 WASHER
ENGINE LEFT AND RIGHT SUPPORTS
1.00 MM
071 N 000933008147 SCREW
Repalced by: N 304017008021
071 N 304017008021 SCREW
ENGINE LEFT AND RIGHT SUPPORTS
M 8X20
076 N 000933008212 SCREW
Repalced by: N 304017008016
076 N 304017008016 SCREW
ENGINE LEFT AND RIGHT SUPPORTS
M 8X15
081 N 912004008102 LOCK WASHER
ENGINE LEFT AND RIGHT SUPPORTS
085 N 000931014026 SCREW
ENGINE REAR MOUNTING
M 14X90
089 N 000933014014 SCREW
ENGINE REAR MOUNTING
M 14X40
094 N 000463015002 LOCK PLATE
ENGINE REAR MOUNTING
N 000961014028 SCREW
ENGINE REAR MOUNTING
M 14X40
N 912004014100 LOCK WASHER
ENGINE REAR MOUNTING
N 000934014019 NUT
Repalced by: N 308673014001
N 308673014001 NUT
ENGINE REAR MOUNTING
099 A 3172400125 ROD
ENGINE ALONGSIDE FIXING
104 A 0009960040 ROD END
ENGINE ALONGSIDE FIXING
109 A 0002420050 BUSHING
ROD END,ENGINE ALONGSIDE MOUNTING
113 A 0002420150 BUSHING
ROD END,ENGINE ALONGSIDE MOUNTING
118 N 000936020010 NUT
ENGINE ALONGSIDE FIXING
123 A 3172420037 ROD
ENGINE ALONGSIDE FIXING
128 A 3172420070 STUD
ROD END TO BRACKET AT SUBSTRUCTURE AND TO BELL HOUSING
132 N 000937020001 NUT
ROD END TO BRACKET AT SUBSTRUCTURE AND TO BELL HOUSING
N 000094004065 COTTER PIN
ROD END TO BRACKET AT SUBSTRUCTURE AND TO BELL HOUSING
139 A 3172240040 BRACKET
ENGINE ALONGSIDE FIXING
143 N 000125019009 WASHER
ENGINE ALONGSIDE FIXING
149 N 000935018001 NUT
ENGINE ALONGSIDE FIXING
N 000094004065 COTTER PIN
ENGINE ALONGSIDE FIXING
156 A 0002410038 SHOCK ABSORBER
Repalced by: A 0002410138
156 A 0002410138 SHOCK ABSORBER
AT CRANKCASE FRONT SIDE
162 A 0004630065 RUBBER RING
Repalced by: A 0004630565
162 A 0004630565 RUBBER RING
ENGINE SHOCK ABSORBERS
168 A 0004630050 BUSHING
ENGINE SHOCK ABSORBERS
174 A 0004630165 RUBBER RING
ENGINE SHOCK ABSORBERS
179 A 3179901140 WASHER
SHOCK ABSORBER TO BRACKET
183 N 000979014001 NUT
SHOCK ABSORBER TO BRACKET
N 000094003226 COTTER PIN
SHOCK ABSORBER TO BRACKET
188 A 3179901301 SCREW
SHOCK ABSORBER TO BRACKET
192 N 000979014001 NUT
SHOCK ABSORBER TO BRACKET
N 000094003226 COTTER PIN
SHOCK ABSORBER TO BRACKET
197 A 3172400440 BRACKET
CRANKSHAFT,FRONT
202 N 000933016060 SCREW
Repalced by: N 304017016011
202 N 304017016011 SCREW
BRACKET TO CYLINDER CRANKCASE
208 N 912004016101 LOCK WASHER
BRACKET TO CYLINDER CRANKCASE
212 A 3172410040 BRACKET
SHOCK ABSORBER TO SUBSTRUCTURE