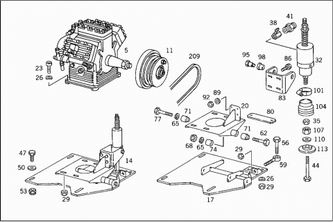
| 005 |
A 3731317401 |
COMPRESSOR |
|
|
REFRIGERANT COMPRESSOR |
|
|
"KONVEKTA" |
| 008 |
A 3735527008 |
COUPLING |
|
|
COMPRESSOR COUPLING |
| 011 |
A 3735527108 |
COUPLING |
|
|
COMPRESSOR COUPLING |
| 014 |
A 3735507138 |
SUPPORT |
| 017 |
A 3735527239 |
SUPPORTING PLATE |
| 020 |
A 3735507139 |
MOUNTING PLATE |
|
|
COMPRESSOR TO MOUNTING PLATE |
| 023 |
N 000912012114 |
SCREW |
|
|
COMPRESSOR TO MOUNTING PLATE |
| 026 |
N 000137012201 |
SPRING WASHER |
|
|
COMPRESSOR TO MOUNTING PLATE |
| 029 |
N 000934012004 |
NUT |
|
|
COMPRESSOR TO MOUNTING PLATE |
| 032 |
A 3735507107 |
CYLINDER |
|
|
BELT TIGHTENER |
| 035 |
H XB3739902751 |
NUT |
|
|
CYLINDER TO PLATE |
| 038 |
A 3734297031 |
SHUT-OFF COCK |
|
|
MANUEL ADJUSTMENT |
| 041 |
A 3734297036 |
CONNECTOR |
| 044 |
N 000931012149 |
SCREW |
|
|
CYLINDER |
|
|
M 12X55 |
| 047 |
N 000931012051 |
SCREW |
|
|
MOUNTING PLATE TO SUBSTRUCTURE |
|
|
M 12X40 |
| 050 |
N 009021013102 |
WASHER |
|
|
MOUNTING PLATE TO SUBSTRUCTURE |
| 053 |
N 913004012004 |
NUT |
|
Repalced by: N 913002012004
|
| 053 |
N 913002012004 |
NUT |
|
|
MOUNTING PLATE TO SUBSTRUCTURE |
| 056 |
H XB3739900801 |
SCREW |
| 059 |
H XB3739902951 |
NUT |
| 062 |
H XB3739900505 |
STUD |
|
|
BEARING TO PLATE |
| 065 |
H XB3739940745 |
LOCK |
|
|
BEARING TO PLATE |
| 068 |
H XB3739902551 |
NUT |
|
|
BEARING TO PLATE |
| 071 |
H XB3735520022 |
SELF-ALGN.ROLLER BEARING |
| 074 |
H XB3739910140 |
SPACER TUBE |
|
|
AT MOUNTING PLATE |
| 077 |
H XB3739900901 |
SCREW |
|
|
BEARING TO PLATE |
| 080 |
H XB3735520039 |
SUPPORTING PLATE |
| 083 |
H XB3735513740 |
BRACKET |
|
|
CYLINDER |
| 086 |
H XB3739901001 |
SCREW |
|
|
BRACKET TO PLATE |
| 089 |
H XB3739910225 |
WASHER |
|
|
BRACKET TO PLATE |
| 092 |
H XB3739902651 |
NUT |
|
|
BRACKET TO PLATE |
| 095 |
H XB3739900414 |
SCREW |
|
|
OPERATING CYLINDER TO BRACKET |
| 098 |
H XB3739920105 |
BUSHING |
|
|
OPERATING CYLINDER TO BRACKET |
| 101 |
H XB3739951901 |
CLAMP |
|
|
CYLINDER |
| 104 |
H XB3735520096 |
BOOT |
|
|
CYLINDER |
| 107 |
H XB3739902851 |
NUT |
|
|
CYLINDER TO PLATE |
| 110 |
H XB3739910325 |
WASHER |
|
|
CYLINDER TO PLATE |
| 113 |
H XB3739910045 |
RING |
|
|
CYLINDER TO PLATE |
| 116 |
N 000931010306 |
SCREW |
|
|
COMPRESSOR TO MOUNTING PLATE |
|
|
M 10X40 |
| 119 |
N 009021010202 |
WASHER |
|
Repalced by: N 009021010209
|
| 119 |
N 009021010209 |
WASHER |
|
|
COMPRESSOR TO MOUNTING PLATE |
| 122 |
N 913004010008 |
NUT |
|
|
COMPRESSOR TO MOUNTING PLATE |
| 125 |
A 3565500039 |
MOUNTING PLATE |
|
|
COMPRESSOR TO MOUNTING PLATE |
| 128 |
A 3565520422 |
SELF-ALGN.ROLLER BEARING |
|
|
PLATE TO BASE PLATE |
| 131 |
N 000933008130 |
SCREW |
|
|
PLATE TO BASE PLATE |
|
|
M 8X12 |
| 131 |
N 000933008212 |
SCREW |
|
Repalced by: N 304017008016
|
| 131 |
N 304017008016 |
SCREW |
|
|
PLATE TO BASE PLATE |
|
|
M 8X16 |
| 134 |
A 0005520176 |
WASHER |
|
|
PLATE TO BASE PLATE |
| 137 |
A 3565520839 |
SUPPORTING PLATE |
|
|
REFRIGERANT COMPRESSOR |
| 140 |
N 000933012071 |
SCREW |
|
|
COMPRESSOR TO SUPPORT |
|
|
M 12X40 |
| 143 |
N 009021013200 |
WASHER |
|
|
COMPRESSOR TO SUPPORT |
| 146 |
N 913004012004 |
NUT |
|
Repalced by: N 913002012004
|
| 146 |
N 913002012004 |
NUT |
|
|
COMPRESSOR TO SUPPORT |
| 149 |
A 3735507007 |
CYLINDER |
|
|
BELT TIGHTENER |
| 152 |
A 0005520303 |
UNIVERSAL JOINT |
|
|
CYLINDER |
| 155 |
A 0004301870 |
MUFFLER |
|
|
CYLINDER |
| 158 |
A 3565521518 |
BEARING BRACKET |
|
|
CYLINDER |
| 161 |
A 3565511340 |
BRACKET |
|
|
CYLINDER TO BEARING BRACKET |
| 164 |
N 000933008147 |
SCREW |
|
Repalced by: N 304017008021
|
| 164 |
N 304017008021 |
SCREW |
|
|
BRACKET TO BEARING BRACKET |
| 167 |
N 912004008102 |
LOCK WASHER |
|
|
BRACKET TO BEARING BRACKET |
| 170 |
A 3735517140 |
BRACKET |
|
|
BRACKET TO REFRIGERANT COMPRESSOR |
| 173 |
N 000931010272 |
SCREW |
|
|
BRACKET TO REFRIGERANT COMPRESSOR |
|
|
M 10X85 |
| 176 |
N 000125010518 |
WASHER |
|
Repalced by: N 000125010532
|
| 176 |
N 000125010532 |
WASHER |
|
|
BRACKET TO REFRIGERANT COMPRESSOR |
| 179 |
A 0005500659 |
HOSE |
| 182 |
A 0019955001 |
CLAMP |
|
Repalced by: N 916016012201
|
| 182 |
N 916016012201 |
CLAMP |
|
|
HOSE TO PLATE |
| 185 |
A 0004291831 |
SHUT-OFF COCK |
| 188 |
N 000912006044 |
SCREW |
|
Repalced by: N 007984006017
|
| 188 |
N 007984006017 |
SCREW |
|
|
SHUT-OFF COCK TO SUPPORT |
| 191 |
N 006797006145 |
TOOTHED WASHER |
|
|
SHUT-OFF COCK TO SUPPORT |
| 194 |
A 0044296744 |
VALVE |
|
|
(PRESSURE VALVE) |
| 197 |
A 0069978372 |
FITTING |
|
|
AT SHUT-OFF COCK |
| 200 |
A 0069978472 |
FITTING |
| 203 |
A 0029907968 |
FITTING |
| 206 |
A 0005520360 |
SEAL RING |
| 209 |
A 3739977192 |
V-BELT |
|
Repalced by: A 3739977292
|
| 209 |
A 3739977292 |
V-BELT |
|
Repalced by: A 0119978892
|
| 209 |
A 0119978892 |
V-BELT |
|
|
REFRIGERANT COMPRESSOR |