Pagrindinis meniu

Transporto priemonė: O 364,365; VIN numerio dalis: 364111
Grupė: 32 SPRINGS AND SUSPENSION
31634
31635
31636
31637
# Kodas Pavadinimas
004 A 3443210004 FRONT SPRING
009 A 3443200166 SPRING CLAMP
BOTTOM
014 N 001472010005 GROOVED PIN
019 A 3443200243 BRACKET
024 N 000127020202 LOCK WASHER
029 N 000960020078 SCREW
034 A 3213220144 RUBBER BUFFER
039 A 3443217433 SPRING CLAMP
044 A 3213210506 HELPER SPRING
FRONT SPRING
044 A 3643217006 HELPER SPRING
FRONT SPRING
049 A 3213250225 SPRING CLAMP
FOR HELPER SPRINGS
054 A 3213310143 BRACKET
FOR HELPER SPRINGS
059 A 3449900102 SCREW
FOR HELPER SPRINGS
064 A 3129901540 WASHER
FOR HELPER SPRINGS
069 N 000935020000 NUT
FOR HELPER SPRINGS
N 000094004065 COTTER PIN
FOR HELPER SPRINGS
079 A 3213310144 RUBBER BUFFER
084 A 3443200030 SHOCK ABSORBER
084 A 3643237300 SHOCK ABSORBER
094 A 3443230053 SPACER TUBE
099 A 3203230044 RUBBER BUFFER
104 A 3443230067 RETAINER
109 A 3443230072 NUT
N 000094004065 COTTER PIN
114 H 983445860032 REPAIR KIT
BOOT
119 H 983445860132 REPAIR KIT
PISTON
124 H 983445860232 REPAIR KIT
PISTON ROD
129 H 983445860332 REPAIR KIT
Repalced by: A 3445867032
129 A 3445867032 REPAIR KIT
VALVE
134 A 3443207043 BRACKET
FRONT SHOCK ABSORBERS
139 A 3443200056 SHIM
LEFT
A 3443200156 SHIM
RIGHT
144 A 3449940030 LOCK
FRONT AXLE SHOCK ABSORBER
149 N 000961012076 SCREW
FRONT AXLE SHOCK ABSORBER
154 A 3213230571 SCREW
SHOCK ABSORBER
159 N 000979020000 NUT
SHOCK ABSORBER
N 000094004065 COTTER PIN
SHOCK ABSORBER
A 3643207206 REAR SPRING
169 A 3643207106 REAR SPRING
A 3643207006 REAR SPRING
171 A 3643200293 SPRING LEAF
NO.1
A 3643200493 SPRING LEAF
NO.1
A 3643200093 SPRING LEAF
NO.1
173 A 3443220150 BUSHING
174 A 3209900151 NUT
175 A 3643200393 SPRING LEAF
NO.4
A 3643200593 SPRING LEAF
NO.4
A 3643200193 SPRING LEAF
NO.4
177 A 3443240233 SPRING CLAMP
A 3213240133 SPRING CLAMP
178 N 000124010003 RIVET
A 3643200693 SPRING LEAF
NO.9
A 3643247233 SPRING CLAMP
N 000124010023 RIVET
179 A 3643247112 SPRING LEAF
NO.2
A 3643247212 SPRING LEAF
NO.2
A 3643247012 SPRING LEAF
181 A 3643247113 SPRING LEAF
NO.3
A 3643247213 SPRING LEAF
NO.3
A 3643247013 SPRING LEAF
NO.3
A 3643247215 SPRING LEAF
NO.5
A 3643247216 SPRING LEAF
NO.6
A 3643247217 SPRING LEAF
NO.7
A 3643247218 SPRING LEAF
NO.8
A 3459877020 PLASTIC SECTION
184 N 004626012148 SPRING BOLT
N 004626012145 SPRING BOLT
N 004626012137 SPRING BOLT
189 N 000934012010 NUT
194 A 3443240053 SPACER TUBE
199 N 000931012080 SCREW
204 N 000934012010 NUT
209 A 3443250001 REAR SPRING BRACKET
FRONT
214 N 000961012058 SCREW
219 N 913004012006 NUT
T YYYYYYYYYYYY PART NAME MISSING
SEE FIG. NO.:
219
229 A 3443220130 SHACKLE PIN
234 N 071412010300 GREASE NIPPLE
239 N 000933008317 SCREW
244 N 912004008100 LOCK WASHER
249 A 3203220184 SHIM
254 A 3123220173 LOCK
259 A 3443250003 REAR SPRING BRACKET
REAR
264 A 3443200063 SHACKLE
REAR SPRING
269 A 3443220150 BUSHING
274 A 3209900151 NUT
279 A 3443220130 SHACKLE PIN
REAR SPRING TO REAR SPRING FRONT BRACKET
284 N 071412010300 GREASE NIPPLE
REAR SPRING TO REAR SPRING FRONT BRACKET
286 A 3203220184 SHIM
REAR SPRING TO REAR SPRING FRONT BRACKET
288 A 3123220173 LOCK
290 N 000933008317 SCREW
292 N 912004008100 LOCK WASHER
309 N 000961012058 SCREW
314 N 913004012006 NUT
T YYYYYYYYYYYY PART NAME MISSING
SEE FIG. NO.:
314
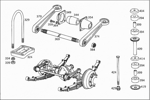
324 A 3443250031 PLATE
REAR AXLE TO TO REAR SPRINGS
329 A 3643510025 U-BOLT
REAR AXLE TO TO REAR SPRINGS
329 A 3643510125 U-BOLT
REAR AXLE TO TO REAR SPRINGS
329 A 3643510125 U-BOLT
REAR AXLE TO TO REAR SPRINGS
329 A 3643517225 U-BOLT
REAR AXLE TO TO REAR SPRINGS
334 A 3279970026 WASHER
REAR AXLE TO TO REAR SPRINGS
339 N 000934018002 NUT
REAR AXLE TO TO REAR SPRINGS
344 A 3213260081 RUBBER MOUNTING
TORSION BAR
349 A 3213260082 HOUSING
FRONT STABILIZER
354 A 3213260182 HOUSING
REAR STABILIZER
359 N 000961012106 SCREW
TORSION BAR TO FRAME
364 N 000127012201 LOCK WASHER
TORSION BAR TO FRAME
369 A 3443260165 TORSION BAR
REAR AXLE STABILIZER
374 A 3213260269 LEVER
ROD TO TORSION BAR
379 A 3213260369 LEVER
RIGHT STABILIZER
384 A 3449900055 NUT
N 000094006317 COTTER PIN
394 A 3203230044 RUBBER BUFFER
399 A 3219910340 SPACER TUBE
404 A 3213230167 RETAINER
409 A 3213200443 BRACKET
414 A 3213230467 RETAINER
419 A 3213230267 RETAINER
424 N 000960018038 SCREW
429 A 3219900155 NUT
N 000094004065 COTTER PIN
439 A 3643207031 SHOCK ABSORBER
439 A 3643267000 SHOCK ABSORBER
A 3643267067 RETAINER
TO 364 320 70 31
A 3173260167 RETAINER
TO 364 326 70 00
449 A 3529903501 SCREW
SHOCK ABSORBER TO SUBSTRUCTURE
454 N 000125017010 WASHER
SHOCK ABSORBER TO SUBSTRUCTURE
459 N 913004016004 NUT
Repalced by: N 913004016004
459 N 913004016004 NUT
SHOCK ABSORBER TO SUBSTRUCTURE
469 A 3643267053 SPACER TUBE
SHOCK ABSORBER TO REAR AXLE
474 A 3173260068 RUBBER BUFFER
SHOCK ABSORBER TO REAR AXLE
479 A 3173260167 RETAINER
SHOCK ABSORBER TO REAR AXLE
484 N 913001016000 NUT
Repalced by: N 913001016002
484 N 913001016002 NUT
SHOCK ABSORBER TO REAR AXLE
489 A 3643207044 RUBBER BUFFER
LEFT REAR,OR RIGHT FRONT,RESP.
A 3643207144 RUBBER BUFFER
RIGHT REAR
A 3643207244 RUBBER BUFFER
LEFT FRONT
504 N 000961012160 SCREW
RUBBER MOUNTING TO FRONT AXLE
509 N 000127012201 LOCK WASHER
RUBBER MOUNTING TO FRONT AXLE
514 N 000934012013 NUT
RUBBER MOUNTING TO FRONT AXLE
M12 X 1,5 MM
519 N 000961012106 SCREW
RUBBER MOUNTING
524 N 000127012201 LOCK WASHER
RUBBER MOUNTING
529 N 000934012013 NUT
RUBBER MOUNTING
M12 X 1,5 MM
534 N 000961012009 SCREW
RUBBER MOUNTING
539 N 000127012201 LOCK WASHER
RUBBER MOUNTING