Pereiti į pagrindinį turinį

http://www.iauto.lt/mokejimo-budu-paaiskinimas

automobilių detalių žinynas

Pasiūlymus siųskite: info@iauto.lt

KrepšelisViso detalių : 0
  • Registracija
  • Pamiršau slaptažodį
Paieška pagal kodą
Ieškoti
Mano miestas
Gamintojas
Modelis
Ieškoti
Mano auto
SAAB
9000 hečbekas
2.0 -16 Turbo CS (136kW)
TRIUMPH
TR 6
2.5 PI (105kW)
DAF
XF
FTG 460 (340kW)
MERCEDES-BENZ
ACTROS MP4
2451 LS (375kW)
PEUGEOT
3008
1.6 VTi (88kW)
Rodyti visus
VAG automobilių detalių brėžiniai, katalogas - žinynas (manualai) su orginaliais autodalių kodais
Paieška VAG kataloge
Mercedes brėžiniai
Paieška Mercedes kataloge
eMail
Skype
Phone

Pagrindinis meniu

  • Pradžia
  • Paieška
  • Pardavėjai
  • Gamintojai
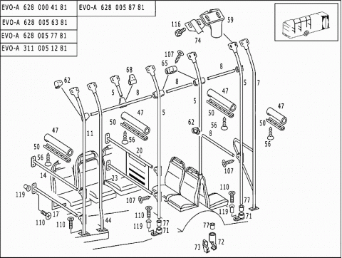
Transporto priemonė: O 530 GNUE3 EURO 2; VIN numerio dalis: 628201
Rinktis kitą modelį
Grupė: 81 APPOINTMENTS
Rinktis kitą grupę
Pasirinkite norimą pogrupį:
003 DESTINATION SIGN BOX AND NUMBER BOX 107213 107214 107215 107204 107234
030 REARVIEW MIRROR 107308 107312 107309 107400 107327
210 ROLLER BLIND,SUN VISOR,GRIP HANDLE 107889
360 GUIDE SIGNS 108096 108131 108133
380 ENTRANCE GRIP RAIL,AISLE FRONT BARRIER 108222
425 GRIP RAILS,COMMUNICATOR SYSTEM BUTTON, FRONT LEFT 108318 108319 108320 108321 108340 108322 108362
430 GRIP RAILS,COMMUNICATOR SYSTEM BUTTON, REAR LEFT 108373 108374 108375 108376 108377 108390 108414
434 GRIP RAILS,COMMUNICATOR SYSTEM BUTTON, FRONT RIGHT 108470 108471 108472 108473 108474 108500
439 GRIP RAILS,COMMUNICATOR SYSTEM BUTTON, REAR ON THE RIGTH 108530 108531 108532 108533 108537
460 TABLE 108677
465 GRIP RAILS ARTICULATION AREA 108693 108709
470 PARTITION PANE 108725 108727
480 PARCEL RACK 108786 108778 108787
Reklama
Kontaktai
Pasiūlymas
Skaitliukas
 


© 2010-2013 UAB "RPV" Paslaugų teikimo sąlygos - Privatumo politika - Kopijuoti ir naudoti komerciniais tikslais draudžiama