|
X XXXXXXXXXXXX |
PART NAME MISSING |
|
|
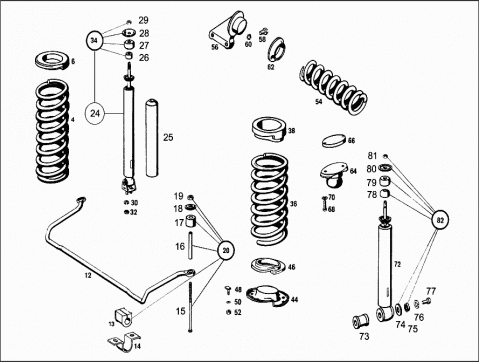
FRONT SPRING |
| 004 |
A 1133210204 |
FRONT SPRING |
|
Repalced by: A 1133210404
|
| 004 |
A 1103210804 |
FRONT SPRING |
|
Repalced by: A 1133210404
|
| 004 |
A 1133210404 |
FRONT SPRING |
|
|
15.60 MM |
| 006 |
A 1113220385 |
RUBBER MOUNTING |
|
|
AS REQUIRED |
|
|
20 MM |
| 006 |
A 1113220485 |
RUBBER MOUNTING |
|
|
AS REQUIRED |
|
|
22.5 MM |
| 006 |
A 1113220585 |
RUBBER MOUNTING |
|
|
AS REQUIRED |
|
|
25.0 MM |
| 006 |
A 1113220685 |
RUBBER MOUNTING |
|
|
AS REQUIRED |
|
|
27.5 MM |
| 006 |
A 1113220785 |
RUBBER MOUNTING |
|
|
AS REQUIRED |
|
|
30.0 MM |
| 006 |
A 1113220885 |
RUBBER MOUNTING |
|
|
AS REQUIRED |
|
|
32.5 MM |
|
X XXXXXXXXXXXX |
PART NAME MISSING |
|
|
TORSION BAR,FRONT |
| 012 |
A 1133230065 |
TORSION BAR |
|
Repalced by: A 1133230165
|
| 012 |
A 1133230165 |
TORSION BAR |
|
Repalced by: A 1133230265
|
| 012 |
A 1133230265 |
TORSION BAR |
|
|
FRONT |
|
|
22 MM |
| 013 |
A 1133230185 |
RUBBER MOUNTING |
|
|
TORSION BAR TO FRAME |
| 013 |
A 1133230185 |
RUBBER MOUNTING |
|
|
TORSION BAR TO FRAME |
| 013 |
A 1103230485 |
RUBBER MOUNTING |
|
|
TORSION BAR,FRONT |
| 013 |
A 1103230485 |
RUBBER MOUNTING |
| 014 |
A 1113231140 |
BRACKET |
|
|
TORSION BAR,FRONT |
| 015 |
A 1119900501 |
SCREW |
|
|
TORSION BAR TO FRONT AXLE |
| 016 |
A 1119911040 |
SPACER TUBE |
|
|
TORSION BAR TO FRONT AXLE |
| 017 |
A 1113230044 |
RUBBER BUFFER |
|
|
TORSION BAR TO FRONT AXLE |
| 018 |
A 1113230267 |
RETAINER |
|
|
TORSION BAR TO FRONT AXLE |
| 019 |
N 913002008004 |
NUT |
|
|
TORSION BAR TO FRONT AXLE |
| 020 |
A 1135860032 |
REPAIR KIT |
|
|
TORSION BAR,FRONT |
| 020 |
A 1103200047 |
REPAIR KIT |
|
|
TORSION BAR,FRONT |
| 020 |
A 1103200047 |
REPAIR KIT |
|
|
TORSION BAR,FRONT |
|
X XXXXXXXXXXXX |
PART NAME MISSING |
|
|
FRONT SHOCK ABSORBERS |
| 024 |
A 1113231700 |
SHOCK ABSORBER |
|
Repalced by: A 1133230000
|
| 024 |
A 1133230000 |
SHOCK ABSORBER |
|
Repalced by: A 1133200030
|
| 024 |
A 1133200030 |
SHOCK ABSORBER |
|
|
FRONT |
| 025 |
A 1113230138 |
DUST CAP |
| 026 |
A 1233230367 |
RETAINER |
|
|
SHOCK ABSORBER TO FRAME |
| 027 |
A 0003231285 |
RUBBER MOUNTING |
|
|
SHOCK ABSORBER TO FRAME |
| 028 |
A 1803260168 |
RUBBER BUFFER |
|
|
SHOCK ABSORBER TO FRAME |
| 029 |
N 308673010000 |
HEXAGON NUT |
|
|
SHOCK ABSORBER TO FRAME |
| 030 |
N 000127008203 |
LOCK WASHER |
|
Repalced by: N 912004008102
|
| 030 |
N 912004008102 |
LOCK WASHER |
|
|
SHOCK ABSORBER TO FRONT AXLE |
| 032 |
N 304032008006 |
NUT |
| 032 |
N 000934008013 |
NUT |
|
|
SHOCK ABSORBER TO FRONT AXLE |
| 034 |
A 1103200056 |
REPAIR KIT |
|
|
FRONT SHOCK ABSORBERS |
| 036 |
A 1133240104 |
REAR SPRING |
|
Repalced by: A 1133240404
|
| 036 |
A 1133240304 |
REAR SPRING |
|
Repalced by: A 1133240404
|
| 036 |
A 1133240404 |
REAR SPRING |
|
|
15.80 MM |
| 038 |
A 1103250285 |
BUSHING |
|
Repalced by: A 1083250185
|
| 038 |
A 1083250185 |
BUSHING |
|
|
AS REQUIRED |
|
|
30 MM |
| 038 |
A 1103250385 |
BUSHING |
|
Repalced by: A 1083250285
|
| 038 |
A 1083250285 |
BUSHING |
|
|
AS REQUIRED |
|
|
24 MM |
| 038 |
A 1103250485 |
BUSHING |
|
Repalced by: A 1083250385
|
| 038 |
A 1083250385 |
BUSHING |
|
|
AS REQUIRED |
|
|
18 MM |
| 044 |
A 1103250715 |
SPRING CASE |
| 046 |
A 1103250185 |
BUSHING |
| 048 |
A 1103250175 |
SCREW |
| 050 |
N 912004008102 |
LOCK WASHER |
| 052 |
N 304032008006 |
NUT |
| 052 |
N 000934008013 |
NUT |
| 054 |
A 1133290301 |
COMPENSATING SPRING |
|
|
11.90 MM |
| 056 |
A 1103202343 |
BRACKET |
| 058 |
A 1109900301 |
SCREW |
| 060 |
N 912004012100 |
LOCK WASHER |
| 062 |
A 1103290085 |
RUBBER RING |
|
|
AS REQUIRED |
|
|
18 MM |
| 062 |
A 1103290185 |
RUBBER RING |
|
|
AS REQUIRED |
|
|
21 MM |
| 064 |
A 1103200544 |
RUBBER BUFFER |
| 066 |
A 1133250184 |
SHIM |
| 068 |
N 304017008027 |
SCREW |
| 068 |
N 304017008027 |
SCREW |
| 068 |
N 000933008116 |
SCREW |
|
Repalced by: A 0099900101
|
| 068 |
A 0099900101 |
SCREW |
| 068 |
N 000933008152 |
SCREW |
| 070 |
N 000137008212 |
SPRING WASHER |
|
X XXXXXXXXXXXX |
PART NAME MISSING |
|
|
REAR SHOCK ABSORBERS |
| 072 |
A 1113260100 |
SHOCK ABSORBER |
|
Repalced by: A 1133260000
|
| 072 |
A 1133260000 |
SHOCK ABSORBER |
|
Repalced by: A 1133260200
|
| 072 |
A 1133260200 |
SHOCK ABSORBER |
|
Repalced by: A 1133200031
|
| 072 |
A 1133200031 |
SHOCK ABSORBER |
|
|
REAR |
| 073 |
A 1103260281 |
RUBBER MOUNTING |
|
|
SHOCK ABSORBER TO REAR AXLE |
|
A 1153230767 |
RETAINER |
|
Repalced by: A 1233230367
|
| 074 |
A 1103260067 |
RETAINER |
|
|
SHOCK ABSORBER TO REAR AXLE |
| 075 |
A 1103230585 |
RUBBER MOUNTING |
|
|
SHOCK ABSORBER TO REAR AXLE |
| 076 |
N 912004010102 |
SPRING LOCK WASHER |
|
|
SHOCK ABSORBER TO REAR AXLE |
| 077 |
N 304017010028 |
HEXAGON HEAD BOLT |
|
|
SHOCK ABSORBER TO REAR AXLE |
| 078 |
A 1803260168 |
RUBBER BUFFER |
|
|
SHOCK ABSORBER TO FRAME |
| 079 |
A 1109900240 |
WASHER |
|
|
SHOCK ABSORBER TO FRAME |
| 080 |
A 1233230367 |
RETAINER |
|
|
SHOCK ABSORBER TO FRAME |
| 081 |
N 308673010000 |
HEXAGON NUT |
|
|
SHOCK ABSORBER TO FRAME |
| 082 |
A 1103200156 |
REPAIR KIT |
|
|
REAR SHOCK ABSORBERS |