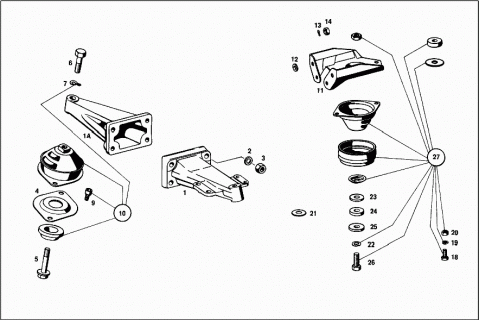
| # | Kodas | Pavadinimas |
|---|---|---|
| X XXXXXXXXXXXX | PART NAME MISSING | |
| ENGINE FRONT SUSPENSION | ||
| 001 | A 1272231204 | ENGINE SUPPORT |
| LEFT | ||
| 001A | A 1272231104 | ENGINE SUPPORT |
| RIGHT | ||
| 002 | N 000125010504 | WASHER |
| 003 | N 000934010005 | NUT |
| A 1802231012 | RUBBER MOUNTING | |
| 004 | A 1212230431 | PLATE |
| A 1219870339 | RUBBER BUFFER | |
| 005 | A 1272200071 | SCREW |
| 006 | N 000931012120 | SCREW |
| 007 | N 000137012203 | SPRING WASHER |
| Repalced by: N 000137012206 | ||
| 007 | N 000137012206 | SPRING WASHER |
| 009 | N 914019008000 | COMBINATION BOLT |
| 010 | A 1102200217 | REPAIR KIT |
| X XXXXXXXXXXXX | PART NAME MISSING | |
| ENGINE REAR SUSPENSION | ||
| 011 | A 1132420001 | ENGINE SUPPORT |
| A 1132420101 | ENGINE SUPPORT | |
| 012 | A 1801550851 | SPACER RING |
| 013 | N 000137008204 | SPRING WASHER |
| 014 | N 000934008010 | NUT |
| Repalced by: N 304032008006 | ||
| 014 | N 304032008006 | NUT |
| A 1202230412 | RUBBER MOUNTING | |
| A 1202230612 | RUBBER MOUNTING | |
| A 1112240082 | BOOT | |
| A 1212240084 | RETAINER | |
| 018 | N 000933008131 | SCREW |
| Repalced by: N 304017008016 | ||
| 018 | N 304017008016 | SCREW |
| 019 | N 000127008203 | LOCK WASHER |
| 020 | N 000934008010 | NUT |
| Repalced by: N 304032008006 | ||
| 020 | N 304032008006 | NUT |
| 021 | A 1362240166 | ADJUSTING WASHER |
| TO ADJUST PROPELLER SHAFT BALANCE | ||
| 022 | N 000137012203 | SPRING WASHER |
| Repalced by: N 000137012206 | ||
| 022 | N 000137012206 | SPRING WASHER |
| 023 | A 1362240366 | ADJUSTING WASHER |
| 024 | A 1362240566 | ADJUSTING WASHER |
| 025 | A 1362240566 | ADJUSTING WASHER |
| 026 | N 000933012056 | SCREW |
| Repalced by: N 304017012020 | ||
| 026 | N 304017012020 | SCREW |
| 027 | A 1132400018 | REPAIR KIT |