|
Q 000000000001 |
. |
|
|
THIS DESIGN GROUP COMPRISES SAFETY PARTS ONLY |
|
Q 000000000001 |
. |
|
|
DEFROSTING |
| 014 |
A 1168300519 |
DEFROSTER NOZZLE |
|
|
LEFT |
| 018 |
A 1168300619 |
DEFROSTER NOZZLE |
|
|
RIGHT |
|
Q 000000000001 |
. |
|
|
AIR CONDITIONER |
| 036 |
A 1168300562 |
HEATER CASE |
| 036 |
A 1168300662 |
HEATER CASE |
| 040 |
A 1168350106 |
RESISTOR |
| 042 |
A 1078000075 |
ELEMENT |
|
Repalced by: A 1078002375
|
| 042 |
A 1078002375 |
ELEMENT |
|
Repalced by: A 0008001175
|
| 042 |
A 0008001175 |
ELEMENT |
| 044 |
A 1078050374 |
ROD |
| 046 |
N 006799003202 |
LOCK PLATE |
| 048 |
N 007976005203 |
SHEET METAL SCREW |
| 050 |
N 000137006204 |
SPRING WASHER |
| 051 |
N 918002004000 |
CLAMPING SPRING |
| 051 |
N 918002004001 |
CLAMPING SPRING |
| 052 |
A 1078310941 |
COVERING |
|
Repalced by: A 1168310541
|
| 052 |
A 1168310541 |
COVERING |
|
|
LEFT |
| 052 |
A 1168310441 |
COVERING |
|
Repalced by: A 1168310641
|
| 052 |
A 1168310641 |
COVERING |
|
|
RIGHT |
| 053 |
N 007981004339 |
SHEET METAL SCREW |
|
Repalced by: N 000000000459
|
| 053 |
N 000000000459 |
SCREW |
| 054 |
A 1168350270 |
CONDENSER |
|
Repalced by: A 1168300870
|
| 054 |
A 1168300870 |
CONDENSER |
|
Repalced by: A 1168301470
|
| 056 |
A 1168301470 |
CONDENSER |
| 056 |
A 1168350670 |
CONDENSER |
|
Repalced by: A 1168301870
|
| 056 |
A 1168301870 |
CONDENSER |
| 060 |
A 1168350071 |
TANK |
| 060 |
A 1168350071 |
TANK |
| 060 |
A 1168350171 |
TANK |
|
|
BEHR |
| 060 |
A 1168300283 |
TANK |
|
Repalced by: A 1168300483
|
| 060 |
A 1168300483 |
TANK |
| 060 |
A 1168300383 |
TANK |
|
Repalced by: A 1168300583
|
| 060 |
A 1168300583 |
TANK |
| 064 |
A 0008202110 |
SWITCH |
|
Repalced by: A 0008202710
|
| 064 |
A 0008202710 |
SWITCH |
|
|
AT LIQUID TANK |
| 068 |
A 0009940645 |
LOCK |
|
|
LIQUID TANK TO CONDENSER |
| 072 |
N 007976005202 |
SHEET METAL SCREW |
|
|
CONDENSER TO STIFFENING AND TO FRONT CROSS MEMBER |
| 076 |
N 009021006205 |
WASHER |
|
Repalced by: N 009021006208
|
| 076 |
N 009021006208 |
WASHER |
|
|
CONDENSER TO STIFFENING AND TO FRONT CROSS MEMBER |
| 080 |
N 000933006103 |
SCREW |
|
|
CONDENSER TO STIFFENING AND TO FRONT CROSS MEMBER |
| 084 |
N 912004006102 |
LOCK WASHER |
|
|
CONDENSER TO STIFFENING AND TO FRONT CROSS MEMBER |
| 088 |
N 000125006421 |
WASHER |
|
|
CONDENSER TO STIFFENING AND TO FRONT CROSS MEMBER |
| 092 |
N 913008006300 |
SHEET METAL NUT |
|
|
CONDENSER TO STIFFENING AND TO FRONT CROSS MEMBER |
| 096 |
A 1168300762 |
HEATER CASE |
|
Repalced by: A 1168303062
|
| 096 |
A 1168303062 |
HEATER CASE |
| 096 |
A 1168300862 |
HEATER CASE |
|
Repalced by: A 1168303162
|
| 096 |
A 1168303162 |
HEATER CASE |
| 104 |
A 1078350574 |
EVAPORATOR |
|
Repalced by: A 1168350174
|
| 104 |
A 1168350174 |
EVAPORATOR |
|
Repalced by: A 1168300058
|
| 104 |
A 1168300058 |
EVAPORATOR |
|
Repalced by: A 1078300058
|
| 104 |
A 1078300058 |
EVAPORATOR |
|
Repalced by: A 0008304858
|
| 104 |
A 0008304858 |
EVAPORATOR |
| 104 |
A 1168350274 |
EVAPORATOR |
|
Repalced by: A 1168300158
|
| 104 |
A 1168300158 |
EVAPORATOR |
|
Repalced by: A 0008301358
|
| 104 |
A 0008301358 |
EVAPORATOR |
| 108 |
A 1158350072 |
VALVE |
| 112 |
A 1088350247 |
FILTER |
| 116 |
A 1168350297 |
HOSE |
|
|
CONDENSED WATER DRAIN IN AIR DUCT, CENTER |
| 120 |
A 1168350197 |
HOSE |
|
|
CONDENSED WATER DRAIN HOSE THRU TUNNEL |
| 124 |
A 1079970281 |
GROMMET |
|
|
CONDENSED WATER DRAIN HOSE TO TUNNEL |
| 128 |
A 1168350268 |
PIPE SOCKET |
| 130 |
N 040621013200 |
INSULATING HOSE |
|
|
REFRIGERANT LINE |
| 136 |
A 1168300015 |
PIPE LINE |
| 136 |
A 1168300615 |
PIPE LINE |
|
|
FROM COMPRESSOR TO EVAPORATOR |
| 140 |
A 1168300496 |
HOSE |
|
|
FROM COMPRESSOR TO EVAPORATOR |
| 140 |
A 1168302315 |
PIPE LINE |
|
|
FROM COMPRESSOR TO EVAPORATOR |
| 152 |
A 1168301415 |
PIPE LINE |
|
|
FROM COMPRESSOR TO CONDENSER |
| 156 |
A 1168302015 |
PIPE LINE |
|
|
FROM COMPRESSOR TO CONDENSER |
| 160 |
A 1109870541 |
RUBBER RING |
| 164 |
A 1169950201 |
CLAMP |
| 168 |
N 007976005203 |
SHEET METAL SCREW |
| 172 |
A 1169970281 |
GROMMET |
| 172 |
A 1169972481 |
GROMMET |
|
Repalced by: A 1119971381
|
| 172 |
A 1119971381 |
GROMMET |
| 180 |
A 0009972352 |
HOSE |
|
|
REFRIGERANT |
|
|
6000 MM |
| 184 |
A 0009971952 |
HOSE |
|
Repalced by: A 0189970582
|
| 184 |
A 0189970582 |
HOSE |
|
Repalced by: A 0189975882
|
| 184 |
A 0189975882 |
HOSE |
|
Repalced by: A 0009971752
|
| 184 |
A 0009971752 |
HOSE |
|
|
3500 MM |
| 188 |
A 0009979768 |
CONNECTOR |
|
|
5/8IN.;90 DEGS.;NOMINAL WIDTH,8MM |
| 192 |
A 0009979868 |
CONNECTOR |
|
|
5/8IN.;180 DEGS.;NOMINAL WIDTH,8MM |
| 192 |
A 0009971068 |
CONNECTOR |
|
|
3/4IN.;90 DEGS.;NOMINAL WIDTH,10MM |
| 200 |
A 0009972368 |
CONNECTOR |
|
|
7/8IN.;135 DEGS.;NOMINAL WIDTH,13MM |
| 204 |
A 0009975668 |
CONNECTOR |
|
|
7/8IN.;180 DEGS.;NOMINAL WIDTH,13MM |
| 208 |
A 0039880878 |
CLIP |
| 212 |
A 1169970790 |
LOOM TIE |
|
Repalced by: A 0019974190
|
| 212 |
A 0019974190 |
LOOM TIE |
| 212 |
A 0019974190 |
LOOM TIE |
| 212 |
A 1149970290 |
LOOM TIE |
|
Repalced by: A 1149970590
|
| 212 |
A 1149970590 |
LOOM TIE |
| 224 |
A 1109950065 |
CLAMP |
|
Repalced by: A 0004760436
|
| 224 |
A 0004760436 |
BRACKET |
| 228 |
A 1879950037 |
CLAMP |
| 232 |
N 007976004205 |
SHEET METAL SCREW |
|
Q 000000000001 |
. |
|
|
AUXILIARY FAN |
| 236 |
A 1168350014 |
BRACKET |
|
|
AUXILIARY FAN |
| 240 |
A 1168351314 |
BRACKET |
|
|
AUXILIARY FAN |
| 244 |
N 000933006102 |
SCREW |
|
|
BRACKET TO AUXILIARY FAN |
| 248 |
N 912004006102 |
LOCK WASHER |
|
|
BRACKET TO AUXILIARY FAN |
| 252 |
N 914004005001 |
COMBINATION BOLT |
|
|
BRACKET TO AUXILIARY FAN |
| 256 |
N 007976005202 |
SHEET METAL SCREW |
|
|
AUXILIARY FAN WITH BRACKET TO FRONT CROSS MEMBER |
| 260 |
N 009021006205 |
WASHER |
|
Repalced by: N 009021006208
|
| 260 |
N 009021006208 |
WASHER |
|
|
AUXILIARY FAN WITH BRACKET TO FRONT CROSS MEMBER |
| 264 |
A 1149950220 |
CLAMP |
|
|
BLOWER CASE TO STRUT |
| 266 |
N 000933006102 |
SCREW |
|
|
BLOWER CASE TO STRUT |
| 268 |
N 912004006102 |
LOCK WASHER |
|
|
BLOWER CASE TO STRUT |
| 270 |
N 000125006421 |
WASHER |
|
|
BLOWER CASE TO STRUT |
| 274 |
A 1239950001 |
CLAMP |
|
|
AUXILIARY FAN TO STRUT |
| 274 |
A 1169950201 |
CLAMP |
|
|
AUXILIARY FAN TO STRUT |
| 280 |
N 007976004207 |
SHEET METAL SCREW |
|
|
STRUT TO FRAME |
| 284 |
N 000125005312 |
WASHER |
|
|
STRUT TO FRAME |
| 288 |
A 0009940645 |
LOCK |
|
|
STRUT TO FRAME |
|
Q 000000000001 |
. |
|
|
AUTOMATIC AIR CONDITIONER |
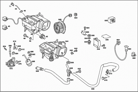
| 300 |
A 1168303362 |
HEATER CASE |
|
Repalced by: A 1168303762
|
| 300 |
A 1168303762 |
HEATER CASE |
| 304 |
A 1168300058 |
EVAPORATOR |
|
Repalced by: A 1078300058
|
| 304 |
A 1078300058 |
EVAPORATOR |
|
Repalced by: A 0008304858
|
| 304 |
A 0008304858 |
EVAPORATOR |
| 308 |
A 1158350072 |
VALVE |
| 312 |
A 1088350247 |
FILTER |
| 316 |
A 1168350101 |
HEAT EXCHANGER |
| 324 |
A 1168300125 |
PIPE SOCKET |
| 328 |
A 1168310788 |
HOSE |
| 332 |
A 0028210351 |
SWITCH |
|
Repalced by: A 1238210051
|
| 332 |
A 1238210051 |
SWITCH |
|
Repalced by: A 0028208310
|
| 332 |
A 0028208310 |
SWITCH |
|
Repalced by: A 0038202410
|
| 332 |
A 0038202410 |
SWITCH |
|
|
TEMPERATURE |
| 336 |
A 1168210076 |
INSULATION |
|
|
TEMPERATURE SWITCH |
| 340 |
N 007981003214 |
SHEET METAL SCREW |
| 344 |
A 0009871341 |
RUBBER RING |
| 348 |
A 0008002275 |
ELEMENT |
| 348 |
A 1168002175 |
ELEMENT |
| 356 |
A 1169870541 |
RUBBER RING |
| 360 |
A 0009949645 |
LOCK |
| 364 |
A 0009902692 |
RIVET |
| 368 |
A 1168350196 |
PAD |
|
|
VACUUM ELEMENT TO AIR CONDITIONER HOUSING |
| 376 |
A 1168300945 |
AIR DUCT |
|
|
UNDER HEATER CASE |
| 380 |
A 1168001975 |
ELEMENT |
| 384 |
N 910001003102 |
RIVET |
| 388 |
A 1168050003 |
CONNECTOR |
|
|
VACUUM LINE |
| 392 |
A 0009949645 |
LOCK |
|
|
VACUUM ELEMENT TO LEGROOM FLAP |
| 396 |
A 1078310134 |
SPRING |
|
|
AIR DUCT TO HEATER CASE |
| 396 |
A 1168310034 |
SPRING |
|
|
AIR DUCT TO HEATER CASE |
| 404 |
A 1168351414 |
BRACKET |
|
|
FOR ELECTRIC CHANGE-OVER VALVE AND VACUUM SOLENOID SWITCH |
| 408 |
N 000933006122 |
SCREW |
|
Repalced by: N 304017006034
|
| 408 |
N 304017006034 |
SCREW |
| 416 |
N 000137006204 |
SPRING WASHER |
| 420 |
A 0008000373 |
SWITCH |
|
Repalced by: A 0008000673
|
| 420 |
A 0008000673 |
SWITCH |
|
|
COLOR,GREEN |
| 420 |
A 0008000673 |
SWITCH |
|
|
COLOR,GREEN |
| 420 |
A 0008000273 |
SWITCH |
|
Repalced by: A 0008000573
|
| 420 |
A 0008000573 |
SWITCH |
|
|
COLOR,YELLOW |
| 420 |
A 0008000573 |
SWITCH |
|
|
COLOR,YELLOW |
| 428 |
A 0009948945 |
LOCK |
|
|
VACUUM/SOLENOID SWITCH TO BRACKET |
| 432 |
A 1239870441 |
RUBBER RING |
|
|
VACUUM/SOLENOID SWITCH TO BRACKET |
| 436 |
A 0015407097 |
VALVE |
|
Repalced by: A 0015408697
|
| 436 |
A 0015408697 |
VALVE |
|
|
AT AIR CONDITIONER CASE BRACKET |
| 436 |
A 0015408697 |
VALVE |
|
|
AT AIR CONDITIONER CASE BRACKET |
| 440 |
N 007985005125 |
SCREW |
| 444 |
N 000137005203 |
SPRING WASHER |
| 448 |
A 1168300014 |
BRACKET |
|
|
WATER PUMP |
| 452 |
A 0008300384 |
VALVE |
|
|
AUTOMATIC |
| 456 |
A 0008300198 |
REPAIR KIT |
| 460 |
A 0008203510 |
SWITCH |
| 464 |
A 1169901701 |
SCREW |
|
|
CONTROL VALVE TO BRACKET |
| 468 |
A 0008352564 |
PUMP |
|
Repalced by: A 0008356964
|
| 468 |
A 0008356964 |
PUMP |
| 472 |
A 0025452428 |
PLUG |
|
Repalced by: A 0095454028
|
| 472 |
A 0095454028 |
PLUG HOUSING |
|
|
DOUBLE |
| 476 |
A 0005860583 |
REPAIR KIT |
|
|
WATER PUMP |
| 480 |
A 1168350296 |
PAD |
|
|
WATER PUMP TO BRACKET |
| 484 |
N 916026045000 |
CLAMP |
| 488 |
N 000934006007 |
NUT |
|
|
CONTROL VALVE TO RIGHT WHEELHOUSE |
| 492 |
N 912004006102 |
LOCK WASHER |
|
|
CONTROL VALVE TO RIGHT WHEELHOUSE |
| 496 |
N 007976006204 |
SHEET METAL SCREW |
|
|
CONTROL VALVE TO RIGHT WHEELHOUSE |
| 500 |
A 1168301685 |
OPERATING UNIT |
| 504 |
A 1168330027 |
PLATE |
| 508 |
A 1168200710 |
SWITCH |
| 512 |
A 1168210058 |
KNOB |
| 516 |
A 1168200610 |
SWITCH |
|
|
TEMPERATURE |
| 520 |
A 0008211860 |
RESISTOR |
| 524 |
A 1168207715 |
ELECTRIC CABLE |
| 528 |
A 1168330106 |
FRAME |
| 532 |
A 1168300065 |
FRAME |
| 536 |
A 1168330740 |
OPERATING HANDLE |
| 540 |
A 1168311588 |
HOSE |
|
|
FROM HEATER CASE TO LOUVRE,CENTRAL |
| 544 |
A 1168300108 |
BLOWER |
| 548 |
A 0008350057 |
AMPLIFIER |
|
Repalced by: A 0008350157
|
| 548 |
A 0008350157 |
AMPLIFIER |
|
Repalced by: A 0008350057
|
| 548 |
A 0008350057 |
AMPLIFIER |
| 552 |
N 007981004330 |
SHEET METAL SCREW |
| 556 |
A 1168350019 |
COVERING |
| 560 |
A 0008000573 |
SWITCH |
|
|
COLOR,YELLOW |
| 560 |
A 0008000273 |
SWITCH |
|
Repalced by: A 0008000573
|
| 560 |
A 0008000573 |
SWITCH |
|
|
COLOR,YELLOW |
| 564 |
A 1239870441 |
RUBBER RING |
| 568 |
A 0009948945 |
LOCK |
| 572 |
A 0008001775 |
ELEMENT |
| 576 |
N 007976005203 |
SHEET METAL SCREW |
| 580 |
A 1168000380 |
CONTROL ROD |
| 584 |
N 006799003202 |
LOCK PLATE |
| 588 |
A 0008002275 |
ELEMENT |
| 592 |
A 0009949645 |
LOCK |
|
|
VACUUM ELEMENT TO BRACKET |
| 596 |
A 1169870541 |
RUBBER RING |
|
|
VACUUM ELEMENT TO BRACKET |
| 600 |
A 0008210247 |
RELAY |
| 604 |
N 007981004318 |
SHEET METAL SCREW |
| 608 |
A 1168331345 |
LEVER |
|
|
AT BLOWER HOUSING BRACKET |
| 612 |
N 006799004001 |
LOCK PLATE |
|
|
AT BLOWER HOUSING BRACKET |
| 612 |
N 006799004001 |
LOCK PLATE |
|
|
AT LEVER,FOR SPINDLE |
| 616 |
A 1168330168 |
SPRING |
|
|
AT BLOWER HOUSING BRACKET |
| 624 |
A 1168330268 |
SPRING |
|
|
AT LEVER,FOR SPINDLE |
| 628 |
A 1168050077 |
NOZZLE |
| 632 |
N 007976004212 |
SHEET METAL SCREW |
| 636 |
A 1169970681 |
GROMMET |
| 640 |
A 0028211851 |
SWITCH |
|
|
TEMPERATURE |
| 644 |
N 007981003323 |
SHEET METAL SCREW |
| 648 |
A 0008359802 |
MOTOR |
| 652 |
A 0025452428 |
PLUG |
|
Repalced by: A 0095454028
|
| 652 |
A 0095454028 |
PLUG HOUSING |
| 656 |
A 1168350206 |
RESISTOR |
|
|
BLOWER MOTOR |
| 660 |
A 0008350979 |
TEMPERATURE SENSOR |
|
|
INBOARD TEMPERATURE; UPPER PART; AT TOP OF INSTRUMENT PANEL |
| 664 |
A 0025452428 |
PLUG |
|
Repalced by: A 0095454028
|
| 664 |
A 0095454028 |
PLUG HOUSING |
|
|
DOUBLE |
| 668 |
A 0008351279 |
HOUSING |
|
|
INBOARD TEMPERATURE; LOWER PART; AT TOP OF INSTRUMENT PANEL |
| 672 |
A 0008351079 |
TEMPERATURE SENSOR |
|
|
OUTDOOR TEMPERATURE;AT CENTRAL INSIDE PART BELOW WINDSHIELD |
| 676 |
N 007976004207 |
SHEET METAL SCREW |
| 680 |
A 1168301796 |
HOSE |
|
|
BETWEEN TEMPERATURE SENSOR AND AIR NOZZLE |
| 684 |
A 1168310688 |
HOSE |
|
|
BETWEEN AIR-BLAST NOZZLE AND FRONT PANEL PILLAR |
| 688 |
A 1168350168 |
PIPE SOCKET |
|
|
AT FRONT PANEL PILLAR,RIGHT |
| 692 |
A 1168300715 |
PIPE LINE |
|
|
FEED,BETWEEN ENGINE AND WATER PUMP |
| 696 |
N 007976004205 |
SHEET METAL SCREW |
| 700 |
A 0009880527 |
GROMMET |
| 704 |
A 1168300815 |
PIPE LINE |
|
|
RETURN; BETWEEN CONTROL VALVE & HEAT EXCHANGER OR ENGINE,RESP. |
| 708 |
N 007976004205 |
SHEET METAL SCREW |
| 712 |
A 1168310694 |
HOSE |
|
|
BETWEEN WATER PUMP AND CONTROL VALVE |
| 716 |
A 1168310794 |
HOSE |
|
|
BETWEEN FEED LINE AND WATER PUMP |
| 720 |
A 1168310894 |
HOSE |
|
|
BETWEEN ENGINE AND FEED LINE |
| 724 |
A 1168313594 |
HOSE |
|
Repalced by: A 1168312894
|
| 724 |
A 1168312894 |
HOSE |
|
|
BETWEEN CONTROL VALVE AND HEAT EXCHANGER |
| 728 |
A 1168311094 |
HOSE |
|
|
BETWEEN HEAT EXCHANGER AND RETURN LINE |
| 732 |
A 1168311194 |
HOSE |
|
|
BETWEEN RETURN LINE AND CONTROL VALVE |
| 736 |
A 1168311294 |
HOSE |
|
|
BETWEEN CONTROL VALVE AND RETURN LINE TO ENGINE |
| 740 |
A 1168311394 |
HOSE |
|
|
BETWEEN RETURN LINE AND ENGINE RETURN PIPE |
| 744 |
A 1109870541 |
RUBBER RING |
|
|
BETWEEN FEED LINE AND WATER PUMP |
| 748 |
N 916026016001 |
CLAMP |
| 748 |
N 916026016001 |
CLAMP |
| 748 |
N 916026016001 |
CLAMP |
| 752 |
N 916026020001 |
CLAMP |
| 756 |
A 6171870190 |
CLAMP |
|
Repalced by: A 0005465143
|
| 756 |
A 0005465143 |
BRACKET |
| 768 |
A 1168302015 |
PIPE LINE |
|
|
FROM COMPRESSOR TO CONDENSER |
| 772 |
A 0009972352 |
HOSE |
|
|
N.W.:13 6000 MM |
| 776 |
A 0009971952 |
HOSE |
|
Repalced by: A 0189970582
|
| 776 |
A 0189970582 |
HOSE |
|
Repalced by: A 0189975882
|
| 776 |
A 0189975882 |
HOSE |
|
Repalced by: A 0009971752
|
| 776 |
A 0009971752 |
HOSE |
|
|
BLACK; I.D.: |
|
|
8 3500 MM |
| 780 |
A 0009979768 |
CONNECTOR |
|
|
5/8IN.;90 DEGS.;NOMINAL WIDTH,8MM |
| 784 |
A 0009979868 |
CONNECTOR |
|
|
5/8IN.;180 DEGS.;NOMINAL WIDTH,8MM |
| 788 |
A 0019970868 |
CONNECTOR |
|
Repalced by: A 0009972168
|
| 788 |
A 0009972168 |
CONNECTOR |
|
|
7/8IN.;90 DEGS.;NOMINAL WIDTH,13MM |
| 792 |
A 0008350298 |
SEAL |
|
Repalced by: A 0008356598
|
| 792 |
A 0008356598 |
SEAL |
|
|
5/8" |
| 796 |
A 0008350398 |
SEAL |
|
Repalced by: A 0008356798
|
| 796 |
A 0008356798 |
SEAL |
|
|
7/8" |
| 800 |
N 007976004215 |
SHEET METAL SCREW |
|
|
FROM COMPRESSOR TO CONDENSER |
| 804 |
N 009021005202 |
WASHER |
|
|
FROM COMPRESSOR TO CONDENSER |
| 808 |
A 1169972481 |
GROMMET |
|
Repalced by: A 1119971381
|
| 808 |
A 1119971381 |
GROMMET |
| 812 |
A 0019974390 |
LOOM TIE |
| 812 |
A 0019978390 |
LOOM TIE |
| 812 |
A 1149970290 |
LOOM TIE |
|
Repalced by: A 1149970590
|
| 812 |
A 1149970590 |
LOOM TIE |
| 812 |
A 1169970890 |
LOOM TIE |
| 812 |
A 0019974190 |
LOOM TIE |
| 832 |
A 1879950037 |
CLAMP |
| 836 |
A 0039880878 |
CLIP |
| 840 |
N 007976004205 |
SHEET METAL SCREW |
| 848 |
A 1168301470 |
CONDENSER |
| 852 |
A 1168300483 |
TANK |
| 856 |
A 0008204310 |
SWITCH |
|
Repalced by: A 1248205910
|
| 856 |
A 1248205910 |
SWITCH |
|
Repalced by: A 1248213651
|
| 856 |
A 1248213651 |
SWITCH |
|
Repalced by: A 1248208310
|
| 856 |
A 1248208310 |
SWITCH |
| 860 |
A 1239970740 |
SEAL RING |
|
Repalced by: A 1409971145
|
| 860 |
A 1409971145 |
SEAL RING |
| 864 |
N 914031004201 |
COMBINATION BOLT |
|
|
LIQUID TANK TO CONDENSER |
| 868 |
A 0009940645 |
LOCK |
|
|
LIQUID TANK TO CONDENSER |
| 872 |
A 0008350298 |
SEAL |
|
Repalced by: A 0008356598
|
| 872 |
A 0008356598 |
SEAL |
|
|
LIQUID TANK TO CONDENSER |
| 876 |
N 007976005202 |
SHEET METAL SCREW |
|
|
CONDENSER TO STIFFENING AND TO FRONT CROSS MEMBER |
| 880 |
N 009021006205 |
WASHER |
|
Repalced by: N 009021006208
|
| 880 |
N 009021006208 |
WASHER |
|
|
CONDENSER TO STIFFENING AND TO FRONT CROSS MEMBER |
| 884 |
N 000933006103 |
SCREW |
|
|
CONDENSER TO STIFFENING AND TO FRONT CROSS MEMBER |
| 888 |
N 912004006102 |
LOCK WASHER |
|
|
CONDENSER TO STIFFENING AND TO FRONT CROSS MEMBER |
| 892 |
N 000125006421 |
WASHER |
|
|
CONDENSER TO STIFFENING AND TO FRONT CROSS MEMBER |
| 896 |
N 913008006300 |
SHEET METAL NUT |
|
|
CONDENSER TO STIFFENING AND TO FRONT CROSS MEMBER |