Pereiti į pagrindinį turinį

http://www.iauto.lt/mokejimo-budu-paaiskinimas

automobilių detalių žinynas

Pasiūlymus siųskite: info@iauto.lt

KrepšelisViso detalių : 0
  • Registracija
  • Pamiršau slaptažodį
Paieška pagal kodą
Ieškoti
Mano miestas
Gamintojas
Modelis
Ieškoti
Mano auto
HYUNDAI
UNIVERSE
290 (213kW)
HINDUSTAN
PUSHPAK
2.0 D (38kW)
PEUGEOT MOTORCYCLES
103
103 SPR-D (1kW)
HARLEY-DAVIDSON MC
SPORTSTER
883 Sportster Custom 53 (24kW)
FIAT
PALIO universalas (373)
1.4 Flex (63kW)
Rodyti visus
VAG automobilių detalių brėžiniai, katalogas - žinynas (manualai) su orginaliais autodalių kodais
Paieška VAG kataloge
Mercedes brėžiniai
Paieška Mercedes kataloge
eMail
Skype
Phone

Pagrindinis meniu

  • Pradžia
  • Paieška
  • Pardavėjai
  • Gamintojai
Transporto priemonė: CL 500; VIN numerio dalis: 215375
Rinktis kitą modelį
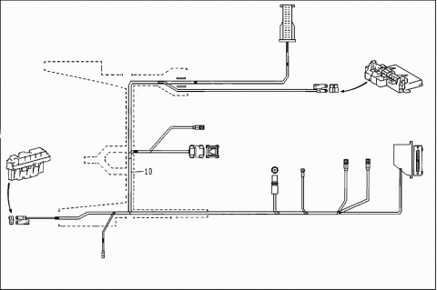
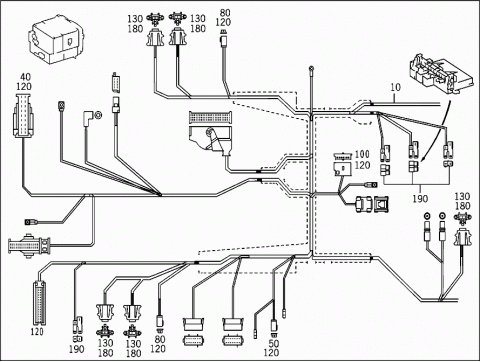
Grupė: 82 ELECTRICAL SYSTEM
Rinktis kitą grupę
Pasirinkite norimą pogrupį:
062 SWITCH IN INSTRUMENT PANEL AND CENTER CONSOLE 109842
064 SWITCH IN FRONT DOOR LINING 109966
108 CABLE COVERING & CABLE DUCTS 110243
120 WINDSHIELD WIPER 110353
165 INTERIOR LAMPS 110661
180 LIGHTING UNIT 110993
240 REAR LAMPS, ADDITIONAL STOP LIGHT, AND LICENSE PLATE LAMP 111308
287 BELT LOCKING RETRACTOR, AIRBAG AND SIDEBAG 111447
305 RADIO SET, REMOTE CONTROL, AMPLIFIER, CD-PLAYER, LOUDSPEAKER 111565
325 CONTROL DISPLAY SYSTEM OMS 111863
326 CABLE HARNESS FOR COMTROL DISPLAY SYSTEM OMS 111886 111887
336 CAR PHONE, VOICE CONTROL SYSTEM AND EMERGENCY CALL 112167
338 CABLE HARNESS AUTOMOBILE TELEPHONE 112290 112268
345 ANTENNA 112435
347 FIBER OPTICAL CABLE WIRING HARNESS (D2B AND MOST) 112566
445 REAR WINDOW ROLLER BLIND 113008
530 ANTI-THEFT WARNING SYSTEM,TOW-AWAY PROTECTION,PASSENGER COMP.PROTECTION 113735
605 DOOR CABLE HARNESSES & PROTECTIVE HOSES 113981
610 PARKTRONIC SYSTEM (PTS) 114105
615 KEYLESS GO 114271
617 REMOTE TRUNK RELEASE 114321
870 CENTRAL GATEWAY/SYSTEM DIAGNOSIS 115123
Reklama
Kontaktai
Pasiūlymas
Skaitliukas
 


© 2010-2013 UAB "RPV" Paslaugų teikimo sąlygos - Privatumo politika - Kopijuoti ir naudoti komerciniais tikslais draudžiama