| 005 |
A 1632800500 |
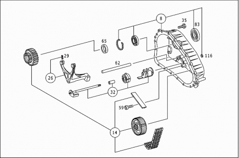
TRANSFER CASE |
|
Repalced by: A 1632800600
|
| 005 |
A 1632800600 |
TRANSFER CASE |
|
Repalced by: A 1632800800
|
| 005 |
A 1632800800 |
TRANSFER CASE |
| 005 |
A 1632800800 |
TRANSFER CASE |
| 008 |
A 1632800003 |
HOUSING |
| 011 |
A 1632800038 |
PLANETARY CARRIER |
| 014 |
A 1632830013 |
GEAR |
| 017 |
A 1632820087 |
INTERMEDIATE RING |
| 020 |
A 1632820051 |
SPACER RING |
| 023 |
A 1632800030 |
HOUSING |
| 026 |
A 1632800031 |
SHIFTING FORK |
| 029 |
A 1632800032 |
GUIDE |
| 032 |
A 1632800056 |
SHIFTING ROD |
| 035 |
A 0049902912 |
SCREW |
| 038 |
A 1632820045 |
COUPLING FLANGE |
| 041 |
A 1632800103 |
HOUSING |
| 044 |
A 1632800138 |
PLANETARY CARRIER |
|
Repalced by: A 1632820002
|
| 044 |
A 1632800238 |
PLANETARY CARRIER |
| 047 |
A 0039941835 |
SNAP RING |
| 050 |
A 1632820082 |
HUB |
|
Repalced by: A 1632820002
|
| 050 |
A 1632820182 |
HUB |
| 053 |
A 1632820151 |
SPACER RING |
|
Repalced by: A 1632820002
|
| 053 |
A 1632820251 |
SPACER RING |
| 056 |
N 001481013007 |
CLAMPING SLEEVE |
| 059 |
N 000000001181 |
SCREW |
|
|
MBN 10226-M5X16-8.8 |
| 062 |
A 1632840032 |
SHAFT |
| 065 |
A 0069903840 |
WASHER |
| 068 |
A 1632770098 |
LIFTING MAGNET |
| 071 |
A 1632800024 |
COUNTERSHAFT |
|
Repalced by: A 1632820002
|
| 071 |
A 1632800124 |
COUNTERSHAFT |
| 074 |
A 0039941935 |
SNAP RING |
| 077 |
A 1632800095 |
OIL FILTER |
| 080 |
A 1632840360 |
SEAL RING |
| 083 |
A 1632840060 |
SEAL RING |
| 086 |
A 1632830045 |
COUPLING FLANGE |
| 089 |
A 1632840160 |
SEAL RING |
| 092 |
A 1632820062 |
THRUST WASHER |
| 095 |
A 1632830072 |
NUT |
| 098 |
A 1632810086 |
PLUG |
| 099 |
A 1632820002 |
DRIVE SHAFT |
| 101 |
A 1635400488 |
ELECTRIC MOTOR |
|
Repalced by: A 1635400588
|
| 101 |
A 1635400588 |
ELECTRIC MOTOR |
|
Repalced by: A 1635400688
|
| 101 |
A 1635400688 |
ELECTRIC MOTOR |
|
Repalced by: A 1635400888
|
| 101 |
A 1635400888 |
ELECTRIC MOTOR |
| 104 |
N 304017006016 |
SCREW |
| 107 |
N 006902006102 |
WASHER |
| 110 |
A 1632810040 |
BRACKET |
| 113 |
N 304017006026 |
SCREW |
| 116 |
A 1632840260 |
SEAL RING |
| 119 |
A 1635455032 |
CONTROL UNIT |
|
Repalced by: A 1635457932
|
| 119 |
A 1635457932 |
CONTROL UNIT |
| 119 |
A 1635457932 |
CONTROL UNIT |
| 122 |
N 914021006014 |
COMBINATION BOLT |
|
|
M6X16 |
| 125 |
A 1639900104 |
SCREW |
|
|
TRANSFER CASE TO TRANSMISSION |
| 128 |
A 1639900005 |
STUD |
|
|
TRANSFER CASE ON ENGINE MOUNT, REAR |
| 131 |
A 1639900050 |
NUT |
|
|
TRANSFER CASE ON ENGINE MOUNT, REAR |
| 134 |
A 1632800167 |
VIBRATION ABSORBER |
| 134 |
A 1632800267 |
VIBRATION ABSORBER |
| 134 |
A 1632800467 |
VIBRATION ABSORBER |
| 137 |
N 914145008307 |
SCREW |
|
|
VIBRATION ABSORBER |
|
|
M 8X20 |
|
Repalced by: N 304017008021
|
| 137 |
N 304017008021 |
HEXAGON HEAD BOLT |
|
|
VIBRATION ABSORBER |
|
|
M8X20 |
| 140 |
A 1636823271 |
SCREENING |
|
|
SERVOMOTOR TRANSFER CASE |
| 143 |
N 304017008021 |
HEXAGON HEAD BOLT |
|
|
TO TRANSFER CASE |
| 146 |
N 910106006004 |
HEXAGON HEAD BOLT |
|
|
TO TRANSFER CASE |
|
|
M6X16 |
|
X XXXXXXXXXXXX |
PART NAME MISSING |
|
|
UNIT BREATHING |
| 149 |
A 1632800082 |
BREATHER |
| 152 |
A 1639940048 |
LOCK |