|
X XXXXXXXXXXXX |
PART NAME MISSING |
|
|
FOR KICK-DOWN SWITCH, SEE GROUP: |
|
|
54 |
| 005 |
A 1703000004 |
ACCELERATOR PEDAL |
| 008 |
A 2103010072 |
NUT |
|
|
ACCELERATOR PEDAL TO FIRE WALL |
| 009 |
A 0029945545 |
LOCK |
|
|
ACCELERATOR PEDAL TO FIRE WALL |
| 011 |
A 1403010374 |
PIN |
|
|
ACCELERATOR PEDAL TO LEVER |
| 014 |
A 1703010120 |
LEVER |
|
|
ACCELERATOR PEDAL |
| 017 |
A 1403010620 |
LEVER |
|
Repalced by: A 1403001725
|
| 017 |
A 1403001725 |
LEVER |
|
|
BOWDEN CABLE TO ACCELERATOR PEDAL LEVER |
| 023 |
A 2103010018 |
BEARING |
|
|
ACCELERATOR PEDAL BEARING |
| 026 |
A 2103010174 |
PIN |
|
|
PEDAL LEVER TO BEARING |
| 029 |
N 914031006208 |
COMBINATION BOLT |
|
|
BEARING TO FIRE WALL |
| 032 |
A 1409931910 |
SPRING |
|
|
ACCELERATOR PEDAL |
| 035 |
A 1243000141 |
STOP |
|
|
ACCELERATOR PEDAL |
| 041 |
A 1703000030 |
WIRE CABLE |
| 041 |
A 1703000130 |
WIRE CABLE |
| 047 |
A 2013010285 |
RUBBER BUFFER |
|
|
WIRE CABLE TO FIRE WALL |
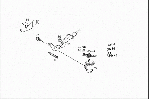
| 053 |
A 1403010240 |
BRACKET |
| 056 |
A 1403010340 |
BRACKET |
| 059 |
A 0115428717 |
SENDER UNIT |
| 059 |
A 0125423317 |
SENDER UNIT |
| 062 |
A 1403000128 |
REVERSING LEVER |
|
Repalced by: A 1403000528
|
| 065 |
A 1403000528 |
REVERSING LEVER |
| 065 |
A 1403000828 |
REVERSING LEVER |
| 068 |
A 2103010011 |
ROLLER |
| 071 |
N 006799005009 |
LOCK PLATE |
|
|
ROLLER TO LEVER |
| 074 |
N 006799007007 |
LOCK PLATE |
| 077 |
N 304017006009 |
SCREW |
|
Repalced by: N 304017006016
|
| 077 |
N 304017006016 |
SCREW |
|
|
REVERSING LEVER TO BRACKET |
| 080 |
A 6019930810 |
SPRING |
| 083 |
A 1403010043 |
CLAMPING PIECE |
|
|
AT REVERSING LEVER |
| 086 |
A 1409930620 |
SPRING |
|
|
AT REVERSING LEVER |
| 086 |
A 1409930920 |
SPRING |
|
|
AT REVERSING LEVER |
| 089 |
N 304032006002 |
NUT |
|
Repalced by: N 913023006001
|
| 089 |
N 913023006001 |
NUT |
|
|
BRACKET TO CONSOLE |