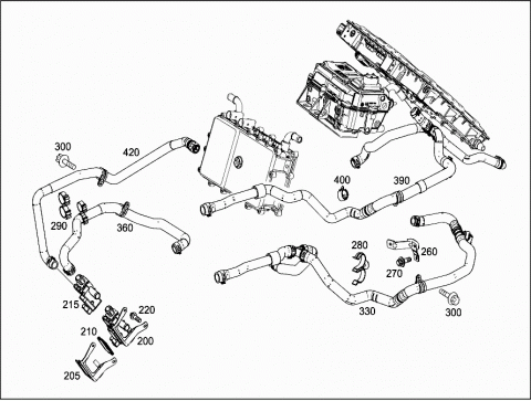
| # | Kodas | Pavadinimas |
|---|---|---|
| 010 | A 1322030602 | COOLANT LINE |
| RADIATOR TO AUXILIARY WATER PUMP | ||
| 020 | A 1322030702 | COOLANT LINE |
| WATER PUMP AT ELECTRIC MOTOR | ||
| 030 | A 1322030802 | COOLANT LINE |
| ELECTRIC MOTOR AT CHARGER | ||
| 040 | A 1322030902 | COOLANT LINE |
| CHARGER AT COOLER | ||
| 050 | A 1322010100 | WATER PUMP |
| COOLING WATER | ||
| 060 | A 1322010040 | BRACKET |
| FOR PUMP | ||
| 070 | A 0009060400 | FAN |
| 080 | A 4515010501 | COOLANT RADIATOR |
| 090 | N 910143006000 | HEXALOBULAR BOLT |
| M6X12 | ||
| 100 | A 0009902603 | BOLT |
| 110 | A 2119970290 | CABLE STRAP |
| 200 | A 4515000140 | CHANGE-OVER VALVE |
| MAJOR ASSEMBLY COOLING | ||
| 205 | A 4515040040 | BRACKET |
| CHANGE-OVER VALVE | ||
| 210 | A 0005011680 | ELASTOMER-MOLDED SEAL |
| CHANGE-OVER VALVE | ||
| 215 | A 0005001940 | CHANGE-OVER VALVE |
| MAJOR ASSEMBLY COOLING | ||
| 220 | N 000000001115 | HEXALOBULAR BOLT |
| BRACKET | ||
| 260 | A 4515040840 | BRACKET |
| COOLING WATER HOSE | ||
| 270 | N 910143006001 | HEXALOBULAR BOLT |
| M6X16 | ||
| 280 | A 0039954777 | LINE FASTENER |
| 290 | A 0089972490 | CLAMP |
| 300 | N 910143006002 | HEXALOBULAR BOLT |
| M6X20 | ||
| 330 | A 4515012482 | COOLANT HOSE |
| 360 | A 4515012582 | COOLANT HOSE |
| 390 | A 4515012782 | COOLANT HOSE |
| 390 | A 4515012982 | COOLANT HOSE |
| 400 | A 2208320314 | BRACKET |
| 420 | A 4515012682 | COOLANT HOSE |
| 420 | A 4515012882 | COOLANT HOSE |