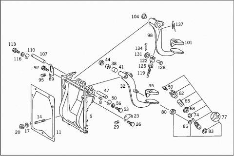
| 005 |
A 6732903119 |
BEARING BRACKET |
|
|
(PEDAL BEARING BRACKET) |
| 005 |
A 6732903219 |
BEARING BRACKET |
|
|
(PEDAL BEARING BRACKET) |
| 008 |
N 900421008002 |
THREADED INSERT |
| 011 |
A 6732940180 |
GASKET |
|
|
BEARING BRACKET TO CAB |
| 014 |
A 6732940270 |
STUD |
|
|
BEARING BRACKET TO CAB |
| 017 |
N 007349008003 |
WASHER |
|
|
BEARING BRACKET TO CAB |
|
N 000125008418 |
WASHER |
|
Repalced by: N 000125008443
|
|
N 000125008443 |
WASHER |
|
|
BEARING BRACKET TO CAB |
| 020 |
N 913004008004 |
NUT |
|
Repalced by: N 913004008001
|
| 020 |
N 913004008001 |
NUT |
|
|
BEARING BRACKET TO CAB |
| 023 |
A 6732910130 |
STOP |
|
|
CLUTCH PEDAL |
| 026 |
N 000933006103 |
SCREW |
|
Repalced by: N 304017006018
|
| 026 |
N 304017006018 |
SCREW |
|
|
STOP TO BEARING BRACKET |
| 029 |
A 6732910286 |
STOP |
|
|
CLUTCH PEDAL |
| 032 |
A 6732900816 |
PEDAL |
|
|
CLUTCH |
| 032 |
A 6732901016 |
PEDAL |
|
|
CLUTCH |
| 035 |
A 1072910182 |
PAD |
|
|
CLUTCH PEDAL |
| 038 |
A 0019816310 |
NEEDLE BEARING |
|
|
CLUTCH PEDAL |
| 038 |
A 0139814610 |
NEEDLE BEARING |
|
|
CLUTCH PEDAL |
| 041 |
A 6732910053 |
SPACER TUBE |
|
|
CLUTCH PEDAL |
| 044 |
A 6732910076 |
WASHER |
|
|
CLUTCH PEDAL TO BEARING BRACKET |
| 047 |
A 6732940074 |
PIN |
|
|
CLUTCH PEDAL TO BEARING BRACKET |
| 050 |
A 3852920073 |
LOCK |
|
Repalced by: A 6732920073
|
| 050 |
A 6732920073 |
LOCK |
|
|
CLUTCH PEDAL TO BEARING BRACKET |
| 053 |
N 000933006183 |
SCREW |
|
Repalced by: N 304017006016
|
| 053 |
N 304017006016 |
SCREW |
|
|
CLUTCH PEDAL TO BEARING BRACKET |
| 056 |
N 912004006102 |
LOCK WASHER |
|
|
CLUTCH PEDAL TO BEARING BRACKET |
|
X XXXXXXXXXXXX |
PART NAME MISSING |
|
|
FOR CONNECTING PARTS AND PNEUMATIC LINES SEE GROUP 26 |
| 059 |
A 6732910074 |
PIN |
|
|
CLUTCH PEDAL RESET |
| 062 |
A 6732910191 |
SPRING RETAINER |
|
|
CLUTCH PEDAL RESET |
| 065 |
A 6739930601 |
SPRING |
|
|
CLUTCH PEDAL RESET |
| 068 |
A 6732910291 |
SPRING RETAINER |
|
|
CLUTCH PEDAL RESET |
|
A 6732900339 |
ROD |
|
|
CLUTCH PEDAL RESET |
| 074 |
N 913021010001 |
NUT |
|
Repalced by: N 304035010001
|
| 074 |
N 304035010001 |
NUT |
| 077 |
A 6742900093 |
REPAIR KIT |
|
|
DEAD CENTER SPRING |
| 080 |
A 6732910186 |
STOP |
|
|
ROD TO CLUTCH PEDAL |
| 083 |
N 006799007007 |
LOCK PLATE |
|
|
ROD TO CLUTCH PEDAL |
| 086 |
N 000125010518 |
WASHER |
|
Repalced by: N 000125010532
|
| 086 |
N 000125010532 |
WASHER |
|
|
ROD TO CLUTCH PEDAL |
|
X XXXXXXXXXXXX |
PART NAME MISSING |
|
|
FOR CYLINDERS & HYDRAULIC LINES, SEE GROUP / TU: |
|
|
25/360 |
| 089 |
A 6732920030 |
STOP |
|
|
BRAKE PEDAL |
| 092 |
N 000933006103 |
SCREW |
|
Repalced by: N 304017006018
|
| 092 |
N 304017006018 |
SCREW |
|
|
STOP TO BEARING BRACKET |
| 095 |
A 1232910286 |
STOP |
|
|
BRAKE PEDAL |
| 098 |
A 6732900118 |
PEDAL |
|
|
BRAKE |
| 098 |
A 6732900318 |
PEDAL |
|
|
BRAKE |
| 101 |
A 1072910182 |
PAD |
|
|
BRAKE PEDAL |
| 104 |
A 1102910550 |
BUSHING |
|
Repalced by: A 1242920050
|
| 104 |
A 1242920050 |
BUSHING |
|
|
BRAKE PEDAL |
| 107 |
A 6732940174 |
PIN |
|
|
BRAKE PEDAL TO BEARING BRACKET |
| 110 |
A 6732920073 |
LOCK |
|
|
BRAKE PEDAL TO BEARING BRACKET |
| 113 |
N 000933006183 |
SCREW |
|
Repalced by: N 304017006016
|
| 113 |
N 304017006016 |
SCREW |
|
|
BRAKE PEDAL TO BEARING BRACKET |
| 116 |
N 912004006102 |
LOCK WASHER |
|
|
BRAKE PEDAL TO BEARING BRACKET |
| 119 |
A 6732920032 |
ROD |
|
|
BRAKE ACTUATION |
| 122 |
A 6209960001 |
YOKE |
|
|
BRAKE ACTUATION |
| 125 |
N 000439008211 |
NUT |
|
Repalced by: N 304035008001
|
| 125 |
N 304035008001 |
NUT |
|
|
BRAKE ACTUATION |
| 128 |
A 3852920174 |
PIN |
|
|
ROD TO BRAKE PEDAL |
| 131 |
N 000433008406 |
WASHER |
|
|
ROD TO BRAKE PEDAL |
| 134 |
N 000094002059 |
COTTER PIN |
|
|
ROD TO BRAKE PEDAL |
|
Repalced by: N 000094002060
|
| 134 |
N 000094002060 |
COTTER PIN |
|
|
ROD TO BRAKE PEDAL |
| 137 |
A 6739930110 |
SPRING |
|
|
BRAKE PEDAL RELEASE SPRING |
|
X XXXXXXXXXXXX |
PART NAME MISSING |
|
|
FOR SERVICE BRAKE VALVE,SEE GROUP/TU: |
|
|
42/360 |