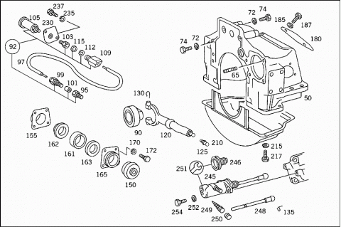
| 005 |
A 0022507004 |
CLUTCH PRESSURE PLATE |
|
|
CLUTCH |
| 005 |
A 0032506504 |
CLUTCH PRESSURE PLATE |
|
|
CLUTCH |
| 010 |
N 912004008102 |
LOCK WASHER |
|
|
CLUTCH TO FLYWHEEL |
| 015 |
N 000933008317 |
SCREW |
|
|
CLUTCH TO FLYWHEEL |
| 020 |
A 0092501203 |
CLUTCH DISC |
|
|
ASBESTOS-FREE |
| 020 |
A 0092501303 |
CLUTCH DISC |
|
|
ASBESTOS-FREE |
| 020 |
A 0032508203 |
CLUTCH DISC |
|
Repalced by: A 0032508603
|
| 020 |
A 0022500403 |
CLUTCH DISC |
|
Repalced by: A 0032508603
|
| 020 |
A 0052500603 |
CLUTCH DISC |
|
Repalced by: A 0032508603
|
| 020 |
A 0052500703 |
CLUTCH DISC |
|
Repalced by: A 0032508603
|
| 020 |
A 0032508603 |
CLUTCH DISC |
|
A 0002522019 |
LEAF SPRING |
| 025 |
A 0012525010 |
CLUTCH LINING |
|
|
ASBESTOS-FREE |
| 025 |
A 0002525210 |
CLUTCH LINING |
|
Repalced by: A 0002529010
|
| 025 |
A 0002529010 |
CLUTCH LINING |
| 027 |
A 0002521475 |
RIVET |
|
Repalced by: A 0002523875
|
| 027 |
A 0002523875 |
RIVET |
|
|
LINING WITH INTERMEDIATE SPRING |
| 029 |
A 0002522175 |
RIVET |
|
|
LEAF SPRING TO CLUTCH DISC |
| 050 |
A 3812510101 |
BELL HOUSING |
|
Repalced by: A 3812510501
|
| 050 |
A 3812510301 |
BELL HOUSING |
|
Repalced by: A 3812510501
|
| 050 |
A 3812510501 |
BELL HOUSING |
| 065 |
A 0009902605 |
STUD |
|
|
BELL HOUSING |
| 072 |
N 912004012100 |
LOCK WASHER |
|
|
BELL HOUSING TO CYLINDER CRANKCASE |
| 074 |
N 900170012005 |
SCREW |
|
Repalced by: A 0029906804
|
| 074 |
A 0029906804 |
SCREW |
|
|
BELL HOUSING TO CYLINDER CRANKCASE |
|
|
M12X35 |
| 074 |
N 000931012152 |
SCREW |
|
|
BELL HOUSING TO CYLINDER CRANKCASE |
|
|
M12X135 |
| 074 |
N 000931012206 |
SCREW |
|
|
BELL HOUSING TO CYLINDER CRANKCASE |
|
|
M 12X145 |
| 090 |
A 0002504015 |
RELEASE BEARING |
|
Repalced by: A 0002504615
|
| 090 |
A 0002503115 |
RELEASE BEARING |
|
Repalced by: A 0002504615
|
| 090 |
A 0002504615 |
RELEASE BEARING |
|
Repalced by: A 0012509315
|
| 090 |
A 0012509315 |
RELEASE BEARING |
| 090 |
A 0002504215 |
RELEASE BEARING |
| 092 |
A 6209970288 |
GREASE NIPPLE |
|
|
(PARTS KIT) RELEASE BEARING LUBRICATION |
| 095 |
N 071428004102 |
SCREW-IN FITTING |
|
|
RELEASE BEARING LUBRICATION |
| 097 |
A 3059971982 |
HOSE |
|
|
RELEASE BEARING LUBRICATION |
| 099 |
N 003871004102 |
UNION SCREW |
|
|
RELEASE BEARING LUBRICATION |
| 101 |
N 003862004001 |
DOUBLE TAPER RING |
|
|
RELEASE BEARING LUBRICATION |
| 103 |
N 071428004102 |
SCREW-IN FITTING |
|
|
RELEASE BEARING LUBRICATION |
| 105 |
N 003411002001 |
GREASE CUP |
|
Repalced by: A 6209880135
|
| 105 |
A 6209880135 |
CAP |
|
|
RELEASE BEARING LUBRICATION |
| 109 |
A 3072510208 |
INTERMEDIATE PIECE |
|
Repalced by: A 6209970088
|
| 109 |
A 6209970088 |
GREASE NIPPLE |
|
|
RELEASE BEARING LUBRICATION |
| 112 |
N 912004014100 |
LOCK WASHER |
|
|
RELEASE BEARING LUBRICATION |
| 115 |
N 000936014010 |
NUT |
|
Repalced by: N 308675014000
|
| 115 |
N 308675014000 |
NUT |
|
Repalced by: N 308675014002
|
| 115 |
N 308675014002 |
NUT |
|
|
RELEASE BEARING LUBRICATION |
| 120 |
A 3812500113 |
RELEASE LEVER |
|
Repalced by: A 3812540108
|
| 120 |
A 3812540108 |
RELEASE LEVER |
| 120 |
A 3812540208 |
RELEASE LEVER |
| 125 |
A 3029910015 |
BALL PIVOT |
|
|
RELEASE LEVER |
| 125 |
A 3529910415 |
BALL PIVOT |
|
|
RELEASE LEVER |
| 130 |
A 3402540013 |
SPRING LOCK |
|
|
RELEASE LEVER TO RELEASE BEARING |
| 130 |
A 3812540113 |
SPRING LOCK |
|
|
RELEASE LEVER TO RELEASE BEARING |
| 135 |
N 071805016402 |
SECURING CLIP |
|
|
CLUTCH SLAVE CYLINDER TO LEVER |
| 150 |
A 3522540097 |
BOOT |
|
Repalced by: A 3142540197
|
| 150 |
A 3142540197 |
BOOT |
|
|
RELEASE LEVER |
| 150 |
A 3812540097 |
BOOT |
|
Repalced by: A 6152540097
|
| 150 |
A 6152540097 |
BOOT |
|
|
RELEASE LEVER |
| 155 |
A 3812540040 |
BRACKET |
|
Repalced by: A 3522540040
|
| 155 |
A 3522540040 |
BRACKET |
|
|
INSIDE |
| 155 |
A 3812540540 |
BRACKET |
|
|
INSIDE |
| 161 |
A 3522540135 |
BEARING |
|
Repalced by: A 3802540035
|
| 161 |
A 3802540035 |
BEARING |
|
|
OUTSIDE |
| 161 |
A 3802540135 |
BEARING |
|
|
OUTSIDE |
| 162 |
A 3802540059 |
SEAL RING |
|
|
SOFT |
| 162 |
A 3802540259 |
SEAL RING |
|
|
SOFT |
| 163 |
A 3802540159 |
SEAL RING |
|
|
HARD |
| 163 |
A 3802540359 |
SEAL RING |
|
|
HARD |
| 165 |
A 3812500043 |
BRACKET |
|
Repalced by: A 3522500243
|
| 165 |
A 3522500243 |
BRACKET |
|
|
OUTSIDE |
| 165 |
A 3812500243 |
BRACKET |
|
|
OUTSIDE |
| 170 |
N 912004008102 |
LOCK WASHER |
|
|
BRACKET TO BELL HOUSING |
| 172 |
N 000933008147 |
SCREW |
|
Repalced by: N 304017008021
|
| 172 |
N 304017008021 |
SCREW |
|
|
BRACKET TO BELL HOUSING |
| 180 |
A 3602510004 |
END COVER |
|
|
TOP |
| 180 |
A 3812510204 |
END COVER |
|
|
TOP |
| 185 |
N 000137006204 |
SPRING WASHER |
|
|
END COVER TO BELL HOUSING |
| 187 |
N 000933006122 |
SCREW |
|
Repalced by: N 304017006034
|
| 187 |
N 304017006034 |
SCREW |
|
|
END COVER TO BELL HOUSING |
| 195 |
A 3122511006 |
PROTECTIVE PLATE |
|
Repalced by: A 3522500055
|
| 195 |
A 3522500055 |
PROTECTIVE PLATE |
|
Repalced by: A 3522510106
|
| 195 |
A 3522510106 |
PROTECTIVE PLATE |
|
|
BELL HOUSING |
| 200 |
N 000137006204 |
SPRING WASHER |
|
|
PROTECTIVE PLATE TO BELL HOUSING |
| 202 |
N 914125006306 |
SCREW |
|
Repalced by: N 910106006006
|
| 202 |
N 910106006006 |
SCREW |
|
Repalced by: N 000000002270
|
| 202 |
N 000000002270 |
SCREW |
|
|
PROTECTIVE PLATE TO BELL HOUSING |
| 210 |
A 3812510102 |
BELL HOUSING |
|
Repalced by: A 3522503105
|
| 210 |
A 3522503105 |
HOUSING |
|
Repalced by: A 3522510202
|
| 210 |
A 3522510202 |
BELL HOUSING |
|
|
LOWER PART |
| 210 |
A 3812501005 |
HOUSING |
|
Repalced by: A 6762500105
|
| 210 |
A 6762500105 |
HOUSING |
|
Repalced by: A 6762510002
|
| 210 |
A 6762510002 |
BELL HOUSING |
|
|
LOWER PART |
| 215 |
N 000137006204 |
SPRING WASHER |
|
|
BELL HOUSING LOWER PART TO BELL HOUSING |
| 217 |
N 000933006122 |
SCREW |
|
Repalced by: N 304017006034
|
| 217 |
N 304017006034 |
SCREW |
|
|
BELL HOUSING LOWER PART TO BELL HOUSING |
|
|
M 6X10 |
| 217 |
N 914125006306 |
SCREW |
|
Repalced by: N 910106006006
|
| 217 |
N 910106006006 |
SCREW |
|
Repalced by: N 000000002270
|
| 217 |
N 000000002270 |
SCREW |
|
|
BELL HOUSING LOWER PART TO BELL HOUSING |
|
|
M 6X10 |
| 230 |
A 3102500155 |
COVER |
|
|
LATERAL |
| 235 |
N 912004008102 |
LOCK WASHER |
|
|
COVER TO BELL HOUSING |
| 237 |
N 000933008212 |
SCREW |
|
Repalced by: N 304017008016
|
| 237 |
N 304017008016 |
SCREW |
|
|
COVER TO BELL HOUSING |
| 245 |
A 0002957207 |
SLAVE CYLINDER |
|
|
CLUTCH |
| 246 |
A 0002952983 |
BOOT |
|
A 0002950673 |
LOCK |
| 248 |
A 0002950233 |
ROD |
| 249 |
A 0004202155 |
BLEEDER VALVE |
|
Repalced by: A 0004310265
|
| 249 |
A 0004310265 |
VALVE |
|
Repalced by: A 3075530107
|
| 249 |
A 3075530107 |
VALVE |
| 250 |
A 3164210187 |
PROTECTIVE CAP |
|
Repalced by: A 0004210887
|
| 250 |
A 0004210887 |
PROTECTIVE CAP |
|
Repalced by: A 0004217187
|
| 250 |
A 0004217187 |
PROTECTIVE CAP |
|
Repalced by: A 0004210887
|
| 250 |
A 0004210887 |
PROTECTIVE CAP |
| 251 |
A 0005864329 |
REPAIR KIT |
|
Repalced by: A 0002900811
|
| 251 |
A 0002900811 |
REPAIR KIT |
|
|
CLUTCH SLAVE CYLINDER |
| 252 |
N 912004010102 |
LOCK WASHER |
|
|
CLUTCH SLAVE CYLINDER TO BRACKET |
| 254 |
N 000933010157 |
SCREW |
|
|
CLUTCH SLAVE CYLINDER TO BRACKET |
|
A 3835460543 |
BRACKET |
|
|
STARTING CABLE |