Pagrindinis meniu

Transporto priemonė: 1213 AS; VIN numerio dalis: 381150
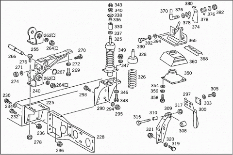
Grupė: 31 FRAME
28954
28955
28956
29109
29110
29111
29112
# Kodas Pavadinimas
005 A 3813100101 FRAME
005 A 3813100201 FRAME
005 A 3813100301 FRAME
005 A 3813100401 FRAME
005 A 3803109101 FRAME
005 A 3813100501 FRAME
005 A 3813100601 FRAME
005 A 3813100701 FRAME
005 A 3813100801 FRAME
005 A 3813106501 FRAME
005 A 3813100901 FRAME
010 A 3813102701 FRAME
010 A 3813102901 FRAME
020 A 3873100422 CROSS MEMBER
FRONT
022 A 3853121187 GUSSET PLATE
LEFT
022 A 3853121287 GUSSET PLATE
RIGHT
025 A 3853121987 GUSSET PLATE
Repalced by: A 3853122187
025 A 3853122187 GUSSET PLATE
LEFT
025 A 3853122087 GUSSET PLATE
Repalced by: A 3853122287
025 A 3853122287 GUSSET PLATE
RIGHT
027 N 000961012106 SCREW
CROSS MEMBER AND GUSSET PLATE TO FRAME SIDE MEMBERS
028 N 910113012002 NUT
CROSS MEMBER AND GUSSET PLATE TO FRAME SIDE MEMBERS
030 A 3813100036 CROSS MEMBER
Repalced by: A 3853100436
030 A 3853100436 CROSS MEMBER
Repalced by: A 3813120015
030 A 3813100336 CROSS MEMBER
Repalced by: A 3813120015
030 A 3813120015 CROSS MEMBER
NO.2
032 A 3853120152 ANGLE
LEFT TOP
032 A 3813120652 ANGLE
LEFT TOP
032 A 3853120252 ANGLE
RIGHT TOP
032 A 3813120752 ANGLE
RIGHT TOP
035 A 3813120252 ANGLE
LEFT BOTTOM
035 A 3813120352 ANGLE
RIGHT BOTTOM
037 N 000933010128 SCREW
ANGLE TO CROSS MEMBER
037 N 000961012052 SCREW
Repalced by: N 308676012012
037 N 308676012012 SCREW
ANGLE TO CROSS MEMBER
037 N 308676012012 SCREW
TOP GUSSET PLATE TO CROSS MEMBER
038 N 913004010008 NUT
Repalced by: N 910113010000
038 N 910113010000 NUT
ANGLE TO CROSS MEMBER
038 N 910113012002 NUT
ANGLE TO CROSS MEMBER
038 N 910113012002 NUT
TOP GUSSET PLATE TO CROSS MEMBER
040 A 3813100136 CROSS MEMBER
NO.3
045 A 3853100036 CROSS MEMBER
NO.4
045 A 3853100036 CROSS MEMBER
NO.3
050 A 3813120017 CROSS MEMBER
NO.3
050 A 3813120017 CROSS MEMBER
NO.4
050 A 3813120017 CROSS MEMBER
NO.5
Y YYYYYYYYYYYY PART NAME MISSING
FOR SHOCK ABSORBER CROSS MEMBER, SEE GROUP 32
055 A 3833120360 REINFORCEMENT
AT CROSS MEMBER
060 A 3813120021 CROSS MEMBER
Repalced by: A 6173120117
060 A 6173120117 CROSS MEMBER
NO.4
060 A 6173120117 CROSS MEMBER
NO.5
060 A 6173120117 CROSS MEMBER
NO.6
061 A 3833120360 REINFORCEMENT
AT CROSS MEMBER
062 A 3523120125 CROSS MEMBER
062 A 3523120125 CROSS MEMBER
NO.4,NO.5
062 A 3523120125 CROSS MEMBER
NO.5,NO.6
063 A 3523120060 REINFORCEMENT
AT CROSS MEMBER
064 A 3853110253 ANGLE
LEFT
064 A 3853110353 ANGLE
RIGHT
066 N 000961012106 SCREW
CROSS MEMBER TO REINFORCEMENTS AND TO SIDE MEMBERS
M 12X32
066 N 000961012122 SCREW
CROSS MEMBER TO REINFORCEMENTS AND TO SIDE MEMBERS
M 12X40
067 N 910113012002 NUT
CROSS MEMBER TO REINFORCEMENTS AND TO SIDE MEMBERS
070 A 3833100246 CROSS MEMBER
NO.4
070 A 3833100246 CROSS MEMBER
NO.5
070 A 3833100246 CROSS MEMBER
NO.6
070 A 3833100246 CROSS MEMBER
REAR
NO.4
070 A 3833100246 CROSS MEMBER
NO.7
080 A 3213120087 GUSSET PLATE
TOP LEFT, BOTTOM RIGHT
080 A 3213120087 GUSSET PLATE
TOP LEFT, BOTTOM RIGHT
080 A 3213120087 GUSSET PLATE
TOP RIGHT, BOTTOM LEFT
080 A 3213120087 GUSSET PLATE
TOP LEFT
080 A 3213120087 GUSSET PLATE
TOP RIGHT
080 A 3833120487 GUSSET PLATE
LEFT BOTTOM
080 A 3833120487 GUSSET PLATE
RIGHT BOTTOM
080 A 3803120187 GUSSET PLATE
TOP LEFT
080 A 3803120187 GUSSET PLATE
RIGHT BOTTOM
085 A 3213120187 GUSSET PLATE
TOP RIGHT, BOTTOM LEFT
085 A 3213120187 GUSSET PLATE
TOP RIGHT, BOTTOM LEFT
085 A 3213120187 GUSSET PLATE
TOP LEFT, BOTTOM RIGHT
085 A 3213120187 GUSSET PLATE
TOP RIGHT
085 A 3213120187 GUSSET PLATE
TOP LEFT
085 A 3833120587 GUSSET PLATE
RIGHT BOTTOM
085 A 3833120587 GUSSET PLATE
LEFT BOTTOM
085 A 3803120087 GUSSET PLATE
LEFT BOTTOM
085 A 3803120087 GUSSET PLATE
TOP RIGHT
090 N 000961012107 SCREW
Repalced by: N 308676012011
090 N 308676012011 SCREW
095 N 910113012002 NUT
GUSSET PLATES AND REAR CROSS MEMBER TO SIDE MEMBERS
110 A 3523220201 FRONT SPRING BRACKET
FRONT AND REAR
110 A 3523220201 FRONT SPRING BRACKET
FRONT (NO.2)
110 A 3833220101 FRONT SPRING BRACKET
REAR (NO.3)
110 A 3523220301 FRONT SPRING BRACKET
FRONT
110 A 3833220001 FRONT SPRING BRACKET
REAR
110 A 3833220001 FRONT SPRING BRACKET
FRONT AND REAR
111 A 3589900314 SCREW
SPRING BRACKET TO SIDE MEMBER
111 A 3589900414 SCREW
SPRING BRACKET TO SIDE MEMBER
112 N 000934014020 NUT
SPRING BRACKET TO SIDE MEMBER
115 A 3833220131 PLATE
HELPER SPRING
115 A 3833220231 PLATE
HELPER SPRING
120 A 3833110253 ANGLE
LEFT REINFORCEMENT
120 A 3833110353 ANGLE
RIGHT REINFORCEMENT
130 A 3523250101 REAR SPRING BRACKET
FRONT AND REAR
131 A 3589901214 SCREW
SPRING BRACKET TO SIDE MEMBER
131 A 3589900714 SCREW
SPRING BRACKET TO SIDE MEMBER
131 A 3589900414 SCREW
SPRING BRACKET TO SIDE MEMBER
132 N 000934010009 NUT
Repalced by: N 304032010002
132 N 304032010002 NUT
SPRING BRACKET TO SIDE MEMBER
132 N 000934014020 NUT
SPRING BRACKET TO SIDE MEMBER
135 A 3523250041 STIFFENING
Repalced by: A 3813250041
135 A 3813250041 STIFFENING
HELPER SPRING BRACKET TO SIDE MEMBER
140 A 3523250417 HELPER SPRING BRACKET
Repalced by: A 3893250117
140 A 3893250117 HELPER SPRING BRACKET
Repalced by: A 6843250017
140 A 6843250017 HELPER SPRING BRACKET
HELPER SPRING
150 A 3853110053 ANGLE
AT LEFT SIDE MEMBER
150 A 3853110153 ANGLE
AT RIGHT SIDE MEMBER
155 N 000961012164 SCREW
ANGLE TO SIDE MEMBER
160 N 910113012002 NUT
ANGLE TO SIDE MEMBER
X XXXXXXXXXXXX PART NAME MISSING
MOUNTING USED FOR FRAME CONNECTION PARTS
Y YYYYYYYYYYYY PART NAME MISSING
DIMENSIONS ARE INDICATED IN THE FOLLOWING ORDER:
Y YYYYYYYYYYYY PART NAME MISSING
THREAD X SHANK DIA. X SHANK LENGTH X TOTAL LENGTH
Y YYYYYYYYYYYY PART NAME MISSING
165 N 000609010004 FITTED SCREW
M 10X11X14X28
165 N 000610010003 FITTED SCREW
M 10X11X25X38
165 N 000609010014 FITTED SCREW
M 10X11X24X40
165 A 3859900514 SCREW
M 10X11X26,5X46
Y YYYYYYYYYYYY PART NAME MISSING
165 A 3859900714 SCREW
M 12X12X10X25
165 A 3859901414 SCREW
M 12X12X11X26
165 A 0039900901 SCREW
Repalced by: A 0029908201
165 A 0029908201 SCREW
M 12X12X12X28
165 A 3859901514 SCREW
M 12X12X13X28
165 A 0029908201 SCREW
M 12X12X14X30
165 A 3859902114 SCREW
M 12X12X15X30
165 A 0029908301 SCREW
Repalced by: N 308676012013
165 N 308676012013 SCREW
M 12X12X16X32
165 A 3859902214 SCREW
M 12X12X17X32
Y YYYYYYYYYYYY PART NAME MISSING
165 A 6209900114 SCREW
M 12X13X12X29
165 A 3969900314 SCREW
M 12X13X13X30
165 A 3589901914 SCREW
M 12X13X15X32
165 A 3559900014 SCREW
M 12X13X18X35
165 A 3589900614 SCREW
M 12X13X21X38
165 A 6179900114 SCREW
M 12X13X23X40
165 A 6249900014 SCREW
M 12X13X25X42
165 A 3859900214 SCREW
M 12X13X35X52
165 A 6689900114 SCREW
M 12X13X58X80
165 A 6689900014 SCREW
M 12X13X63X85
Y YYYYYYYYYYYY PART NAME MISSING
165 A 3859900814 SCREW
Repalced by: A 3229903101
165 A 3229903101 SCREW
M 14X14X18X32
165 A 3859902014 SCREW
M 14X14X18X34
165 A 3559900114 SCREW
M 12X14X13X35
165 A 3219901601 SCREW
M 14X14X17X35
165 A 3219901901 SCREW
M 14X14X22X40
165 A 3559900501 SCREW
M 14X14X24X42
165 A 3409900201 SCREW
M 14X14X27X45
165 A 3609902001 SCREW
M 14X14X32X50
Y YYYYYYYYYYYY PART NAME MISSING
165 A 3589900114 SCREW
M 14X15X15X32
165 A 3589900814 SCREW
M 14X15X17X34
165 A 6459900014 SCREW
M 14X15X18X35
165 A 3589901014 SCREW
M 14X15X19X36
165 A 3589900214 SCREW
M 14X15X21X38
165 A 3589900414 SCREW
M 14X15X25X42
165 A 3589900714 SCREW
M 14X15X27X44
165 A 3589900914 SCREW
M 14X15X29X46
165 A 3859900414 SCREW
M 14X15X31X48
165 A 3859900314 SCREW
M 14X15X35X52
Y YYYYYYYYYYYY PART NAME MISSING
165 A 3859900914 SCREW
Repalced by: N 308676016020
165 N 308676016020 SCREW
M 16X16X18X36
165 A 3859901714 SCREW
M 16X16X20X38
165 A 3859901014 SCREW
M 16X16X22X40
165 A 3859901114 SCREW
M 16X16X24X42
165 A 0029909901 SCREW
Repalced by: A 3959900501
165 A 3959900501 SCREW
M 16X16X20X45
165 A 3859901814 SCREW
M 16X16X30X48
165 A 3859901914 SCREW
M 16X16X32X50
165 A 6259900301 SCREW
M 16X16X38X90
Y YYYYYYYYYYYY PART NAME MISSING
165 A 3589900514 SCREW
M 16X17X22X42
165 A 6459900714 SCREW
M 16X17X24X44
165 A 3609900114 SCREW
M 16X17X28X48
Y YYYYYYYYYYYY PART NAME MISSING
165 A 3469900014 SCREW
M 16X18X18X40
165 A 3859902314 SCREW
M 18X18X23X45
165 A 6209900014 SCREW
M 16X18X26X48
165 A 3469900114 SCREW
M 16X18X31X50
A 3859902414 SCREW
M 18X18X33X55
A 6229900014 SCREW
M 16X18X38X60
A 3919900014 SCREW
M 16X18X63X85
Y YYYYYYYYYYYY PART NAME MISSING
N 000610018004 FITTED SCREW
M 18X19X25X45
N 000610018009 FITTED SCREW
M 18X19X33X55
N 000610018006 FITTED SCREW
M 18X19X38X60
N 000609018000 FITTED SCREW
M 18X19X57X85
Y YYYYYYYYYYYY PART NAME MISSING
170 N 913004010011 NUT
170 N 913004012009 NUT
Repalced by: N 910113012003
170 N 910113012003 NUT
170 N 913004014005 NUT
Repalced by: N 910113014000
170 N 910113014000 NUT
170 N 913004016005 NUT
Repalced by: N 910113016001
170 N 910113016001 NUT
170 N 913004018004 NUT
Y YYYYYYYYYYYY PART NAME MISSING
175 N 910005010012 RIVET
10X24 MM
175 N 910005010014 RIVET
10X26 MM
175 N 910005010016 RIVET
10X28 MM
175 N 910005010022 RIVET
10X34 MM
175 N 910005012012 RIVET
12X26 MM
175 N 910005012073 RIVET
12X28 MM
175 N 910005012080 RIVET
12X42 MM
175 N 910005014056 RIVET
14X45 MM
175 N 910005014057 RIVET
14X48 MM
175 N 910005014059 RIVET
14X50 MM
180 N 000961014100 SCREW
ANGLE TO CROSS AND SIDE MEMBERS
185 N 913004014002 NUT
Repalced by: N 910113014001
185 N 910113014001 NUT
ANGLE TO CROSS AND SIDE MEMBERS
190 A 3873150006 COUPLING PIN
FOR COUPLING MOUTH
190 A 3873150106 COUPLING PIN
FOR COUPLING MOUTH
195 A 0009874346 SEALING CORD
FOR COUPLING MOUTH
197 A 3353150031 LOCKING SPRING
FOR COUPLING MOUTH
199 N 000933008153 SCREW
Repalced by: N 304017008034
199 N 304017008034 SCREW
LOCK SPRING TO CROSS MEMBER
201 N 000125008418 WASHER
Repalced by: N 000125008443
201 N 000125008443 WASHER
LOCK SPRING TO CROSS MEMBER
203 N 912004008102 LOCK WASHER
LOCK SPRING TO CROSS MEMBER
205 N 304032008006 NUT
LOCK SPRING TO CROSS MEMBER
207 A 3813100037 CROSS MEMBER
TRANSFER CASE
NO.3
209 A 3813120852 ANGLE
TRANSFER CASE WITH CROSS MEMBER TO FRAME
211 N 000933010164 SCREW
TRANSFER CASE WITH CROSS MEMBER TO FRAME
M 10X22
212 N 000933010105 SCREW
TRANSFER CASE WITH CROSS MEMBER TO FRAME
M 10X25
213 N 000961012052 SCREW
Repalced by: N 308676012012
213 N 308676012012 SCREW
TRANSFER CASE WITH CROSS MEMBER TO FRAME
214 N 000961014050 SCREW
Repalced by: N 308676014020
214 N 308676014020 SCREW
TRANSFER CASE WITH CROSS MEMBER TO FRAME
215 N 000125010518 WASHER
Repalced by: N 000125010532
215 N 000125010532 WASHER
TRANSFER CASE WITH CROSS MEMBER TO FRAME
216 N 913004010008 NUT
Repalced by: N 910113010000
216 N 910113010000 NUT
TRANSFER CASE WITH CROSS MEMBER TO FRAME
217 N 910113012002 NUT
TRANSFER CASE WITH CROSS MEMBER TO FRAME
218 N 913004014002 NUT
Repalced by: N 910113014001
218 N 910113014001 NUT
TRANSFER CASE WITH CROSS MEMBER TO FRAME
219 A 3853250340 BRACKET
Repalced by: A 3853200643
219 A 3853200643 BRACKET
RUBBER MOUNTING
220 N 007991010007 SCREW
BRACKET TO FRAME
M 10X25
220 N 000933010105 SCREW
BRACKET TO FRAME
M 10X25
220 N 000933010105 SCREW
BRACKET TO FRAME
M 10X25
221 N 913004010008 NUT
Repalced by: N 910113010000
221 N 910113010000 NUT
BRACKET TO FRAME
221 N 910113010000 NUT
BRACKET TO FRAME
222 A 3853300175 RUBBER MOUNTING
Repalced by: A 3853300275
222 A 3853300275 RUBBER MOUNTING
STOP TO REAR AXLE
222 A 6173300175 RUBBER MOUNTING
STOP TO REAR AXLE
223 N 913004008004 NUT
Repalced by: N 913004008001
223 N 913004008001 NUT
RUBBER MOUNTING TO BRACKET
225 A 3878910531 CONSOLE
Repalced by: A 3878912631
225 A 3878912631 CONSOLE
CAB MOUNTING,FRONT
225 A 3878912631 CONSOLE
CAB MOUNTING,FRONT
228 A 3873170423 STRUT
BUMPER AT TORSION BAR
228 A 3873170423 STRUT
BUMPER AT TORSION BAR
228 A 3873100153 STRUT
BUMPER,LEFT
228 A 3873100253 STRUT
BUMPER,RIGHT
230 N 000961014101 SCREW
Repalced by: N 308676014012
230 N 308676014012 SCREW
CONSOLE AND STRUT TO FRAME
M 14X45
232 N 000961014063 SCREW
Repalced by: A 9429901304
232 A 9429901304 SCREW
CONSOLE AND STRUT TO FRAME
M 14X40
234 N 000125015013 WASHER
Repalced by: N 000125015019
234 N 000125015019 WASHER
CONSOLE AND STRUT TO FRAME
236 N 913004014005 NUT
Repalced by: N 910113014000
236 N 910113014000 NUT
CONSOLE AND STRUT TO FRAME
240 A 3813106409 BRACKET
CAB SUSPENSION,FRONT LEFT
240 A 3813106509 BRACKET
CAB SUSPENSION,FRONT LEFT
240 A 3813106609 BRACKET
CAB SUSPENSION,FRONT RIGHT
A 3813171512 RUBBER BUFFER
A 3813171412 RUBBER BUFFER
255 A 3878902903 MOUNTING
A 3813172174 PIN
262 N 007349017002 WASHER
264 N 913004016004 NUT
Repalced by: N 910113016002
264 N 910113016002 NUT
266 A 3813172274 PIN
267 N 000471018001 LOCK RING
268 A 3815860031 REPAIR KIT
CAB SUSPENSION,FRONT
269 N 000961014028 SCREW
LEFT AND RIGHT BEARING BRACKETS TO CAB
M 14X40
270 N 000961014064 SCREW
LEFT AND RIGHT BEARING BRACKETS TO CAB
M 14X50
271 A 3209901840 WASHER
LEFT AND RIGHT BEARING BRACKETS TO CAB
272 N 912004014100 LOCK WASHER
LEFT AND RIGHT BEARING BRACKETS TO CAB
274 N 913004014002 NUT
Repalced by: N 910113014001
274 N 910113014001 NUT
LEFT AND RIGHT BEARING BRACKETS TO CAB
276 N 000961014063 SCREW
Repalced by: A 9429901304
276 A 9429901304 SCREW
CAB TO FRAME
M 14X40
276 N 000961014101 SCREW
Repalced by: N 308676014012
276 N 308676014012 SCREW
CAB TO FRAME
M 14X45
A 3878910698 SHIM
278 N 913004014005 NUT
Repalced by: N 910113014000
278 N 910113014000 NUT
CAB TO FRAME
290 A 3813100263 CONSOLE
Repalced by: A 3813170601
290 A 3813170601 CONSOLE
VIBRATION ABSORBER TO FRAME
290 A 3813171201 CONSOLE
VIBRATION ABSORBER TO FRAME
293 N 000961014050 SCREW
Repalced by: N 308676014020
293 N 308676014020 SCREW
CONSOLE TO FRAME
M 14X35
293 N 308676014020 SCREW
CONSOLE TO FRAME
M 14X35
293 N 000961014028 SCREW
CONSOLE TO FRAME
M 14X40
293 N 000961014028 SCREW
CONSOLE TO FRAME
M 14X40
294 N 912004014100 LOCK WASHER
CONSOLE TO FRAME
295 N 913004014002 NUT
Repalced by: N 910113014001
295 N 910113014001 NUT
CONSOLE TO FRAME
297 A 3813171526 GUIDE
CAB SUSPENSION,REAR LEFT
297 A 3813171926 GUIDE
CAB SUSPENSION,REAR LEFT
297 A 3813171626 GUIDE
CAB SUSPENSION,REAR RIGHT
297 A 3813172026 GUIDE
CAB SUSPENSION,REAR RIGHT
300 A 3873170084 SHIM
GUIDE TO CAB
303 N 912004012100 LOCK WASHER
GUIDE TO CAB
305 N 000960012301 SCREW
GUIDE TO CAB
308 A 3813170750 BUSHING
LEFT AND RIGHT
309 A 3813177540 BRACKET
MOUNTING
310 A 3813170553 SPACER TUBE
LEFT AND RIGHT BUSHINGS TO FENDER BRACKETS
315 N 000960012230 SCREW
LEFT AND RIGHT BUSHINGS TO FENDER BRACKETS
317 N 910113012002 NUT
LEFT AND RIGHT BUSHINGS TO FENDER BRACKETS
319 N 000961012097 SCREW
Repalced by: N 308676012026
319 N 308676012026 SCREW
MOUNTING TO BRACKET
319 N 000961012122 SCREW
MOUNTING TO BRACKET
320 N 000125013008 WASHER
321 N 910113012002 NUT
MOUNTING TO BRACKET
325 A 3878901019 SHOCK ABSORBER
Repalced by: A 3878901619
325 A 3878901619 SHOCK ABSORBER
Repalced by: A 3878901319
325 A 3878901319 SHOCK ABSORBER
CAB SUSPENSION,REAR
325 A 3878901319 SHOCK ABSORBER
CAB SUSPENSION,REAR
325 A 3878901219 SHOCK ABSORBER
Repalced by: A 3878901519
325 A 3878901519 SHOCK ABSORBER
CAB SUSPENSION,REAR
325 A 3878901519 SHOCK ABSORBER
CAB SUSPENSION,REAR
326 A 0008910851 SPRING
Repalced by: A 0008910751
326 A 0008910751 SPRING
Repalced by: A 0008910451
326 A 0008910451 SPRING
326 A 0008910151 SPRING
328 A 0008910201 RUBBER MOUNTING
TO 387 890 16 19
328 A 0008910301 RUBBER MOUNTING
TO 387 890 13 19
328 A 0008910301 RUBBER MOUNTING
TO 387 890 13 19
330 A 3813170753 SPACER TUBE
336 N 002093028201 DISC SPRING
Repalced by: A 3275045082
336 A 3275045082 RUBBER RING
SHOCK ABSORBER TO CAB
337 N 000433015005 WASHER
SHOCK ABSORBER TO CAB
337 N 007349015003 WASHER
SHOCK ABSORBER TO CAB
338 A 3878912010 WASHER
SHOCK ABSORBER TO CAB
340 N 000934012022 NUT
SHOCK ABSORBER TO CAB
340 N 910113012002 NUT
SHOCK ABSORBER TO CAB
343 N 001587012008 CAP NUT
Repalced by: N 001587012010
343 N 001587012010 CAP NUT
SHOCK ABSORBER TO CAB
A 3813170684 SHIM
SHOCK ABSORBER TO CAB
346 N 009021008205 WASHER
Repalced by: N 009021008213
346 N 009021008213 WASHER
SHOCK ABSORBER TO CAB
347 N 912004008102 LOCK WASHER
SHOCK ABSORBER TO CAB
348 N 000933008147 SCREW
Repalced by: N 304017008021
348 N 304017008021 SCREW
SHOCK ABSORBER TO CAB
349 N 913004008004 NUT
Repalced by: N 913004008001
349 N 913004008001 NUT
SHOCK ABSORBER TO CAB
350 A 3813176140 BRACKET
Repalced by: A 3813177840
350 A 3813177840 BRACKET
VIBRATION ABSORBER TO CAB,LEFT
350 A 3813176240 BRACKET
Repalced by: A 3813177940
350 A 3813177940 BRACKET
VIBRATION ABSORBER TO CAB,RIGHT
354 N 000433010505 WASHER
Repalced by: N 000433010510
354 N 000433010510 WASHER
BRACKET TO CAB
356 N 912004010102 LOCK WASHER
BRACKET TO CAB
358 N 000933010105 SCREW
BRACKET TO CAB
360 A 3813170097 BOOT
BRACKET TO CAB
365 A 3813101875 LOCKING MECHANISM
CAB SUSPENSION,REAR LEFT
365 A 3813102075 LOCKING MECHANISM
CAB SUSPENSION,REAR LEFT
365 A 3813101775 LOCKING MECHANISM
CAB SUSPENSION,REAR RIGHT
365 A 3813101975 LOCKING MECHANISM
CAB SUSPENSION,REAR RIGHT
368 A 3813170119 LATCH
370 A 3813172374 PIN
374 A 3813170924 LEVER
376 A 3813170676 WASHER
378 A 0009935426 DISC SPRING
380 N 001481006041 CLAMPING SLEEVE
382 N 910113012002 NUT
A 3813170221 PLATE
CAB LOCKING MECHANISM,RIGHT
A 3813170421 PLATE
CAB LOCKING MECHANISM,LEFT
390 N 000933010105 SCREW
LOCKING MECHANISM TO CAB
392 N 912004010102 LOCK WASHER
LOCKING MECHANISM TO CAB
394 N 000125010518 WASHER
Repalced by: N 000125010532
394 N 000125010532 WASHER
LOCKING MECHANISM TO CAB
397 A 3878913720 MOUNTING
THREE-PART
397 A 3878916020 MOUNTING
Repalced by: A 6558910320
397 A 6558910320 MOUNTING
CAB SUSPENSION,FRONT LEFT
397 A 3878916120 MOUNTING
Repalced by: A 6558910420
397 A 6558910420 MOUNTING
CAB SUSPENSION,FRONT RIGHT
398 A 3878916420 MOUNTING
CAB SUSPENSION,FRONT LEFT
398 A 3878913820 MOUNTING
CAB SUSPENSION,FRONT RIGHT
398 A 3878916520 MOUNTING
CAB SUSPENSION,FRONT RIGHT
400 A 3878910551 SPRING
LOCKING MECHANISM TO CAB
A 3813171712 RUBBER BUFFER
Repalced by: A 6205860031
A 3813171412 RUBBER BUFFER
Repalced by: A 6205860031
403 A 3638910617 BUSHING
CAB SUSPENSION,FRONT
406 N 071412008200 GREASE NIPPLE
FOR SPRING
410 A 3878911156 LEVER
Repalced by: A 3878912556
410 A 3878912156 LEVER
Repalced by: A 3878912556
410 A 3878912556 LEVER
(TILTING LEVER),CAB
410 A 3878911256 LEVER
Repalced by: A 3878912856
410 A 3878912256 LEVER
Repalced by: A 3878912856
410 A 3878912456 LEVER
Repalced by: A 3878912856
410 A 3878912856 LEVER
(TILTING LEVER),CAB
414 A 3879920003 BUSHING
LEVER TO BEARING BRACKET
414 A 3879920203 BUSHING
LEVER TO BEARING BRACKET
417 A 0009817231 JOINT BEARING
Repalced by: A 6208910017
417 A 0019810431 JOINT BEARING
Repalced by: A 6208910017
417 A 0019810531 JOINT BEARING
Repalced by: A 6208910017
417 A 6208910017 BUSHING
(TILTING LEVER),CAB
A 0029943741 LOCK
Repalced by: A 6208910017
421 A 3638910023 BUFFER
CAB SUSPENSION,FRONT
426 A 3873170674 PIN
Repalced by: A 3875860131
426 A 3875860131 REPAIR KIT
Repalced by: A 3873100077
426 A 3873100077 REPAIR KIT
CAB SUSPENSION,FRONT
428 N 000417008004 HEADLESS SETSCREW
PIN TO BEARING
429 A 3873170874 PIN
Repalced by: A 6205860031
429 A 6205860031 REPAIR KIT
CAB SUSPENSION,FRONT
430 A 3873170376 WASHER
STABILIZER TO BEARING BRACKET
431 N 007349017002 WASHER
STABILIZER TO BEARING BRACKET
432 N 913004016004 NUT
Repalced by: N 910113016002
432 N 910113016002 NUT
STABILIZER TO BEARING BRACKET
433 A 3878905303 MOUNTING
STABILIZER,LEFT
A 3878905603 MOUNTING
RIGHT STABILIZER
434 A 3348910072 MOUNTING
(RUBBER BUFFER)
437 A 3878910914 BRACKET
RUBBER BUFFER
439 N 000961012097 SCREW
Repalced by: N 308676012026
439 N 308676012026 SCREW
BRACKET TO FRAME
M 12X35
441 N 000961012151 SCREW
BRACKET TO FRAME
M 12X30
443 N 910113012002 NUT
BRACKET TO FRAME
444 N 000933008153 SCREW
Repalced by: N 304017008034
444 N 304017008034 SCREW
BRACKET TO FRAME
446 N 009021008205 WASHER
Repalced by: N 009021008213
446 N 009021008213 WASHER
BRACKET TO FRAME
448 N 913004008004 NUT
Repalced by: N 913004008001
448 N 913004008001 NUT
BRACKET TO FRAME
450 A 3878900404 STABILIZER
CAB SUSPENSION,FRONT
453 A 0009810731 JOINT BEARING
Repalced by: A 0009817231
453 A 0009810931 JOINT BEARING
Repalced by: A 0009817331
453 A 0009817331 JOINT BEARING
Repalced by: A 0009817231
453 A 0009817231 JOINT BEARING
Repalced by: A 0019814631
453 A 0019814631 JOINT BEARING
453 A 0019814831 JOINT BEARING
458 N 071412008200 GREASE NIPPLE
A 3878910717 BUSHING
Repalced by: A 3875860531
463 N 000906010000 SCREW PLUG
A 3878910272 MOUNTING
Repalced by: A 3875860531
470 A 3878910831 CONSOLE
Repalced by: A 6208910631
470 A 6208910631 CONSOLE
CAB SUSPENSION,FRONT LEFT
470 A 3878910931 CONSOLE
Repalced by: A 6208910731
470 A 6208910731 CONSOLE
CAB SUSPENSION,FRONT RIGHT
472 N 000961012069 SCREW
Repalced by: N 308676012015
472 N 308676012015 SCREW
LEFT AND RIGHT CONSOLES TO CAB
M 12X45
473 N 000960012189 SCREW
Repalced by: N 308676012031
473 N 308676012031 SCREW
Repalced by: N 308676012011
473 N 308676012011 SCREW
LEFT AND RIGHT BEARING BRACKETS TO CAB
M 12X50
475 N 006912012013 SCREW
LEFT AND RIGHT CONSOLES TO CAB
M 12X30
476 N 000961014028 SCREW
LEFT AND RIGHT BEARING BRACKETS TO CAB
M 14X40
478 N 000961014050 SCREW
Repalced by: N 308676014020
478 N 308676014020 SCREW
LEFT AND RIGHT CONSOLES TO CAB
M 14X35
479 N 000961014054 SCREW
LEFT AND RIGHT BEARING BRACKETS TO CAB
M 14X45
481 N 912004012100 LOCK WASHER
LEFT AND RIGHT CONSOLES TO CAB
481 N 912004012100 LOCK WASHER
LEFT AND RIGHT BEARING BRACKETS TO CAB
483 N 912004014100 LOCK WASHER
LEFT AND RIGHT CONSOLES TO CAB
483 N 912004014100 LOCK WASHER
LEFT AND RIGHT BEARING BRACKETS TO CAB
484 N 000125015013 WASHER
Repalced by: N 000125015019
484 N 000125015019 WASHER
LEFT AND RIGHT BEARING BRACKETS TO CAB
485 N 000960014167 SCREW
Repalced by: N 000961014064
485 N 000961014064 SCREW
LEFT AND RIGHT BEARING BRACKETS TO CAB
486 A 3609900940 WASHER
LEFT AND RIGHT CONSOLES TO CAB
487 A 3209901840 WASHER
LEFT AND RIGHT BEARING BRACKETS TO CAB
490 A 3878910957 PIN
Repalced by: A 3875860531
490 A 3875860531 REPAIR KIT
CAB FRONT SUSPENSION STABILIZER
492 N 913004014002 NUT
Repalced by: N 910113014001
492 N 910113014001 NUT
STABILIZER TO BEARING BRACKET
492 N 910113014001 NUT
LEFT AND RIGHT BEARING BRACKETS TO CAB
495 A 3878911910 WASHER
BEARING BRACKET TO CAB
498 N 000961014050 SCREW
Repalced by: N 308676014020
498 N 308676014020 SCREW
BEARING BRACKET TO CAB
M 14X35
498 N 000961014084 SCREW
Repalced by: N 000961014148
498 N 000961014148 SCREW
BEARING BRACKET TO CAB
M 14X45
505 N 007349015003 WASHER
BEARING BRACKET TO CAB
508 N 912004014100 LOCK WASHER
BEARING BRACKET TO CAB
510 N 000933008153 SCREW
Repalced by: N 304017008034
510 N 304017008034 SCREW
BEARING BRACKET TO CAB
511 N 913004008004 NUT
Repalced by: N 913004008001
511 N 913004008001 NUT
BEARING BRACKET TO CAB
514 A 0008911905 SHOCK ABSORBER
Repalced by: A 0008911805
514 A 0008911805 SHOCK ABSORBER
CAB SUSPENSION,FRONT
518 A 0008910401 RUBBER MOUNTING
Repalced by: A 0008910501
518 A 0008910501 RUBBER MOUNTING
520 A 0008910317 BUSHING
Repalced by: A 0008910617
520 A 0008910617 BUSHING
521 A 3873170176 WASHER
Repalced by: A 6203170176
521 A 6203170176 WASHER
SHOCK ABSORBER TO CONSOLE AND TO CAB
524 A 3873170276 WASHER
Repalced by: N 000125013008
524 N 000125013008 WASHER
528 N 910113012002 NUT
SHOCK ABSORBER TO CAB
531 A 3878913220 MOUNTING
Repalced by: A 6208901603
531 A 6208901603 MOUNTING
TILTING LEVER TO CAB SIDE MEMBER
533 N 000933010105 SCREW
MOUNTING TO CAB
533 N 000961012052 SCREW
Repalced by: N 308676012012
533 N 308676012012 SCREW
MOUNTING TO CAB
533 N 308676012012 SCREW
MOUNTING TO CAB
535 N 912004010102 LOCK WASHER
MOUNTING TO CAB
535 N 912004012100 LOCK WASHER
MOUNTING TO CAB
540 N 000960014229 SCREW
CAB ON CONSOLE AT FRAME
547 A 3878910498 SHIM
CAB ON CONSOLE AT FRAME
550 N 912004014100 LOCK WASHER
CAB ON CONSOLE AT FRAME
553 N 000961014088 SCREW
Repalced by: N 308676014008
553 N 308676014008 SCREW
CAB ON CONSOLE AT FRAME
556 N 913004014005 NUT
Repalced by: N 910113014000
556 N 910113014000 NUT
CAB ON CONSOLE AT FRAME
559 N 007349015003 WASHER
CAB SUSPENSION,FRONT
560 A 3638910223 BUFFER
CAB SUSPENSION,FRONT
562 A 3638910047 FLANGE
BUFFER TO FRAME
564 A 3638910517 BUSHING
CAB SUSPENSION,FRONT
566 A 3878912210 WASHER
Repalced by: A 4432610076
566 A 4432610076 WASHER
CAB SUSPENSION,FRONT
568 N 000933010129 SCREW
Repalced by: N 304017010002
568 N 304017010002 SCREW
CAB SUSPENSION,FRONT
570 N 912004010102 LOCK WASHER
CAB SUSPENSION,FRONT
572 A 3878911731 CONSOLE
CAB MOUNTING,REAR
574 N 000961014050 SCREW
Repalced by: N 308676014020
574 N 308676014020 SCREW
CONSOLE TO FRAME
576 N 913004014002 NUT
Repalced by: N 910113014001
576 N 910113014001 NUT
CONSOLE TO FRAME
578 A 3878910024 STRUT
Repalced by: A 6558910224
578 A 6558910224 STRUT
CAB MOUNTING,REAR
580 A 3878910198 SHIM
CAB MOUNTING,REAR
582 N 912004012100 LOCK WASHER
STRUT TO CONSOLE
584 N 000961012052 SCREW
Repalced by: N 308676012012
584 N 308676012012 SCREW
STRUT TO CONSOLE
586 A 3878911051 SPRING
CAB SUSPENSION,REAR
588 A 3638910717 BUSHING
SPRING TO STRUT
590 A 3638910218 TUBE
SPRING TO STRUT
594 A 3638910010 WASHER
SPRING TO STRUT
596 N 000960012153 SCREW
SPRING TO STRUT
598 N 009021013200 WASHER
SPRING TO STRUT
600 N 910113012002 NUT
SPRING TO STRUT
610 A 3878900522 RAIL
Repalced by: A 6558900122
610 A 6558900122 RAIL
CAB SUSPENSION,REAR
613 N 000007012201 CYLINDRICAL PIN
616 A 3638910123 BUFFER
Repalced by: A 3878910323
616 A 3878910323 BUFFER
(RUBBER BUFFER)
619 A 3878910072 MOUNTING
CAB,REAR
622 N 000933008161 SCREW
Repalced by: N 304017008028
622 N 304017008028 SCREW
BUFFER AND MOUNTING TO RAIL
M 8X50
625 N 000084008148 SCREW
BUFFER AND MOUNTING TO RAIL
M 8X45
629 N 912004008102 LOCK WASHER
BUFFER AND MOUNTING TO RAIL
633 N 000433008406 WASHER
BUFFER AND MOUNTING TO RAIL
636 N 000125008418 WASHER
Repalced by: N 000125008443
636 N 000125008443 WASHER
BUFFER AND MOUNTING TO RAIL
A 3204290052 SPACER WASHER
BUFFER AND MOUNTING TO RAIL
642 A 3803100184 SHIM
BUFFER AND MOUNTING TO RAIL
645 A 3878917920 MOUNTING
CAB,REAR
649 A 3878911057 PIN
CAB,REAR
653 N 000471025002 LOCK RING
CAB,REAR
654 N 000931010258 SCREW
BEARING BRACKET AND PLATE TO SPRING
655 N 912004010102 LOCK WASHER
BEARING BRACKET AND PLATE TO SPRING
656 A 0008911905 SHOCK ABSORBER
Repalced by: A 0008911805
656 A 0008911805 SHOCK ABSORBER
CAB SUSPENSION,REAR
656 A 0008912205 SHOCK ABSORBER
CAB SUSPENSION,REAR
658 A 0008910617 BUSHING
660 A 0008910401 RUBBER MOUNTING
Repalced by: A 0008910501
660 A 0008910501 RUBBER MOUNTING
662 A 3578910453 SPACER TUBE
SHOCK ABSORBER TO CONSOLE
664 N 000960018125 SCREW
Repalced by: N 000960018072
664 N 000960018072 SCREW
SHOCK ABSORBER TO CONSOLE
664 N 000960018072 SCREW
Repalced by: N 308765018004
664 N 308765018004 SCREW
SHOCK ABSORBER TO CONSOLE
666 N 913004018003 NUT
Repalced by: N 910113018004
666 N 910113018004 NUT
SHOCK ABSORBER TO CONSOLE
670 N 000960018040 SCREW
Repalced by: N 000960018142
670 N 000960018142 SCREW
SHOCK ABSORBER TO RAIL
672 N 913004018003 NUT
Repalced by: N 910113018004
672 N 910113018004 NUT
SHOCK ABSORBER TO RAIL
680 A 3815000927 SUPPORT
Repalced by: A 3815001227
680 A 3815001227 SUPPORT
EXPANSION TANK
682 N 000961014050 SCREW
Repalced by: N 308676014020
682 N 308676014020 SCREW
SUPPORT TO FRAME
684 N 913004014002 NUT
Repalced by: N 910113014001
684 N 910113014001 NUT
SUPPORT TO FRAME
686 N 000961012151 SCREW
SUPPORT TO FRAME
688 N 910113012002 NUT
SUPPORT TO FRAME
691 A 0008900089 FASTENER
Repalced by: A 0008902389
691 A 0008901389 FASTENER
Repalced by: A 0008902389
691 A 0008902389 FASTENER
CAB MOUNTING
694 A 3878910170 ROD
CAB LOCKING MECHANISM
694 A 6208910170 ROD
CAB LOCKING MECHANISM
697 N 001444008202 PIN
PULL TO FASTENER
700 N 000433008406 WASHER
PULL TO FASTENER
701 N 000094002059 COTTER PIN
PULL TO FASTENER
703 A 3878911131 CONSOLE
CENTRAL LOCK
705 N 000933010128 SCREW
CENTRAL LOCK TO CAB
M 10X20
707 N 000933010105 SCREW
CENTRAL LOCK TO CAB
M 10X25
709 N 912004010102 LOCK WASHER
CENTRAL LOCK TO CAB
710 N 000125010518 WASHER
Repalced by: N 000125010532
710 N 000125010532 WASHER
CENTRAL LOCK TO CAB
711 N 913004010008 NUT
Repalced by: N 910113010000
711 N 910113010000 NUT
CENTRAL LOCK TO CAB
712 A 3878910814 BRACKET
ROD THRU CAB
715 A 3878910085 SEAL
ROD THRU CAB
719 N 007346005003 CLAMPING SLEEVE
CAB LOCKING MECHANISM
722 A 3878911956 LEVER
CAB LOCKING MECHANISM
722 A 6208910056 LEVER
CAB LOCKING MECHANISM
725 A 3638910317 BUSHING
LEVER TO CAB
728 A 3638910073 HANDLE
Repalced by: A 6208910073
728 A 6208910073 HANDLE
CAB LOCKING MECHANISM
730 N 007985008142 SCREW
LEVER AND BUSHING TO CAB
732 N 913004008004 NUT
Repalced by: N 913004008001
732 N 913004008001 NUT
LEVER AND BUSHING TO CAB
736 N 007346005004 CLAMPING SLEEVE
Repalced by: N 001481005039
736 N 001481005039 CLAMPING SLEEVE
CAB LOCKING MECHANISM
740 N 000125015013 WASHER
Repalced by: N 000125015019
740 N 000125015019 WASHER
CAB LOCKING MECHANISM
743 N 900055014400 LOCK RING
CAB LOCKING MECHANISM
746 N 001444008233 PIN
PULL ROD TO LEVER
751 N 000433008406 WASHER
PULL ROD TO LEVER
755 N 000094002059 COTTER PIN
PULL ROD TO LEVER
A 3815840038 GUMMED LABEL
LEFT