| 003 |
A 3833200302 |
FRONT SPRING |
|
|
8-LEAF |
|
A 3833200694 |
SPRING LEAF |
|
Repalced by: A 3833201394
|
|
A 3833201394 |
SPRING LEAF |
|
|
NO.1 |
| 009 |
A 3523220050 |
BUSHING |
| 009 |
A 3853220050 |
BUSHING |
|
A 3833210312 |
SPRING LEAF |
|
Repalced by: A 3833211912
|
|
A 3833211912 |
SPRING LEAF |
|
|
NO.2 |
|
A 3833200794 |
SPRING LEAF |
|
|
NO.3 |
| 021 |
A 3123213333 |
SPRING CLAMP |
|
Repalced by: A 3123240633
|
| 021 |
A 3123240633 |
SPRING CLAMP |
|
N 910006008024 |
RIVET |
|
A 3833210314 |
SPRING LEAF |
|
|
NO.4 |
| 027 |
A 3123213333 |
SPRING CLAMP |
|
Repalced by: A 3123240633
|
| 027 |
A 3123240633 |
SPRING CLAMP |
|
|
FOR SPRING LEAF NO. 7 |
|
N 910006008024 |
RIVET |
|
|
SPRING CLAMP TO SPRING LEAF NO.7 |
| 035 |
A 0003212353 |
SPACER TUBE |
|
Repalced by: A 0003213253
|
| 035 |
A 0003213253 |
SPACER TUBE |
|
|
SPRING CLAMP TO SPRING LEAF NO.7 |
| 036 |
N 000931008326 |
SCREW |
|
Repalced by: N 304014008009
|
| 036 |
N 304014008009 |
SCREW |
|
|
SPRING CLAMP TO SPRING LEAF NO.7 |
| 037 |
N 913004008004 |
NUT |
|
Repalced by: N 913004008001
|
| 037 |
N 913004008001 |
NUT |
|
|
SPRING CLAMP TO SPRING LEAF NO.7 |
| 038 |
A 3523220384 |
SHIM |
|
|
FRONT SPRING |
| 039 |
N 004626012120 |
SPRING BOLT |
|
|
FRONT SPRING |
|
|
M 12X145 |
| 040 |
N 913004012007 |
NUT |
|
Repalced by: N 910113012005
|
| 040 |
N 910113012005 |
NUT |
|
|
FRONT SPRING |
| 042 |
A 3523220030 |
SHACKLE PIN |
|
Repalced by: A 3853220030
|
| 042 |
A 3853220030 |
SHACKLE PIN |
|
Repalced by: A 3855860332
|
| 044 |
A 3855860332 |
REPAIR KIT |
|
Repalced by: A 3853200165
|
| 044 |
A 3853200165 |
SHACKLE PIN |
|
|
(PARTS KIT) |
| 046 |
A 3523200063 |
SHACKLE |
|
Repalced by: A 6173200163
|
| 046 |
A 6173200163 |
SHACKLE |
|
|
FRONT SPRING TO SPRING BRACKET |
| 049 |
A 3523220050 |
BUSHING |
|
|
FRONT SPRING |
| 049 |
A 3853220050 |
BUSHING |
|
|
FRONT SPRING |
|
N 071412010100 |
GREASE NIPPLE |
|
|
FRONT SPRING |
| 054 |
N 071412010100 |
GREASE NIPPLE |
|
|
FRONT SPRING |
| 055 |
N 071412010300 |
GREASE NIPPLE |
| 056 |
A 3523230376 |
WASHER |
|
|
SPRING SEAT |
|
|
4.00 MM |
| 056 |
A 3523230476 |
WASHER |
|
|
SPRING SEAT |
|
|
4.20 MM |
| 056 |
A 3523230576 |
WASHER |
|
|
SPRING SEAT |
|
|
4.30 MM |
| 060 |
A 0029973140 |
SEAL RING |
|
|
SHACKLE PIN TO SPRING BRACKET |
| 064 |
A 3529900337 |
BOLT |
|
|
SHACKLE PIN TO SPRING BRACKET |
| 067 |
N 000125010518 |
WASHER |
|
Repalced by: N 000125010532
|
| 067 |
N 000125010532 |
WASHER |
|
|
SHACKLE PIN TO SPRING BRACKET |
| 071 |
N 913004010008 |
NUT |
|
Repalced by: N 910113010000
|
| 071 |
N 910113010000 |
NUT |
|
|
SHACKLE PIN TO SPRING BRACKET |
| 075 |
A 3833220031 |
PLATE |
|
|
FRONT SPRINGS TO FRONT AXLE |
| 078 |
A 3833240008 |
HELPER SPRING |
|
|
RUBBER BUFFER |
| 081 |
A 3403510325 |
U-BOLT |
|
Repalced by: A 3603310125
|
| 081 |
A 3603310125 |
U-BOLT |
|
|
FRONT SPRINGS TO FRONT AXLE |
|
|
200 MM |
| 081 |
A 3603310025 |
U-BOLT |
|
|
FRONT SPRINGS TO FRONT AXLE |
|
|
220 MM |
| 083 |
N 000934018006 |
NUT |
|
|
FRONT SPRINGS TO FRONT AXLE |
| 165 |
A 3523231463 |
BEARING BRACKET |
|
|
TORSION BAR TO FRONT AXLE |
| 167 |
A 3523230283 |
HOUSING |
|
|
TORSION BAR TO FRONT AXLE |
| 169 |
A 3603230085 |
RUBBER MOUNTING |
|
|
TORSION BAR |
| 173 |
A 3603230065 |
TORSION BAR |
| 176 |
A 3603230151 |
SPACER RING |
|
|
TORSION BAR |
| 178 |
N 000933010145 |
SCREW |
|
|
HOUSING TO BEARING BRACKET |
| 179 |
N 913004010008 |
NUT |
|
Repalced by: N 910113010000
|
| 179 |
N 910113010000 |
NUT |
|
|
HOUSING TO BEARING BRACKET |
| 180 |
A 3603230869 |
LEVER |
|
|
TORSION BAR,FRONT |
| 182 |
N 000937030000 |
NUT |
|
|
LEVER TO TORSION BAR |
|
N 000094006317 |
COTTER PIN |
|
|
LEVER TO TORSION BAR |
| 185 |
A 3813200589 |
ROD |
|
Repalced by: A 6173200089
|
| 185 |
A 3813200789 |
ROD |
|
Repalced by: A 6173200089
|
| 187 |
A 6173200189 |
ROD |
|
Repalced by: A 6173200089
|
| 187 |
A 6173200089 |
ROD |
|
|
TORSION BAR |
|
A 0003300085 |
BOOT |
|
Repalced by: A 0004631396
|
|
A 0004631396 |
BOOT |
|
|
TO 381 320 07 89,617 320 00 89 |
| 188 |
A 3813230263 |
BEARING BRACKET |
|
Repalced by: A 6173200089
|
| 188 |
A 6173200089 |
ROD |
|
|
TO 381 320 05 89 |
| 190 |
A 3813230060 |
SEAL RING |
|
|
TO 381 320 05 89 |
| 192 |
A 3813230158 |
SEAL HOLDER |
|
|
TO 381 320 05 89 |
| 194 |
A 3813230171 |
SCREW |
|
|
ROD TO FRAME |
|
|
TO 381 320 05 89 |
| 196 |
N 000961012097 |
SCREW |
|
Repalced by: N 308676012026
|
| 196 |
N 308676012026 |
SCREW |
|
|
ROD TO FRAME |
|
|
M12X35 |
|
N 000961012179 |
SCREW |
|
|
ROD TO FRAME |
|
|
M12X38 |
| 198 |
N 000125013008 |
WASHER |
|
N 000125015013 |
WASHER |
|
Repalced by: N 000125015019
|
|
N 000125015019 |
WASHER |
|
|
ROD TO FRAME |
|
N 006796016102 |
CONICAL SPRING WASHER |
|
|
ROD TO FRAME |
| 199 |
N 910113012002 |
NUT |
|
|
ROD TO FRAME |
| 199 |
N 910113012002 |
NUT |
|
|
ROD TO FRAME |
|
N 913004014002 |
NUT |
|
Repalced by: N 910113014001
|
|
N 910113014001 |
NUT |
|
|
ROD TO FRAME |
|
N 913004016004 |
NUT |
|
Repalced by: N 910113016002
|
|
N 910113016002 |
NUT |
|
|
ROD TO FRAME |
| 202 |
A 0009810731 |
JOINT BEARING |
|
Repalced by: A 0009817231
|
| 202 |
A 0009810931 |
JOINT BEARING |
|
Repalced by: A 0009817331
|
| 202 |
A 0009817331 |
JOINT BEARING |
|
Repalced by: A 0009817231
|
| 202 |
A 0009817231 |
JOINT BEARING |
|
Repalced by: A 0019814631
|
| 202 |
A 0019814631 |
JOINT BEARING |
|
A 0019814831 |
JOINT BEARING |
| 205 |
N 007993035200 |
SNAP RING |
| 207 |
A 3603230460 |
SEAL RING |
|
|
ARTICULATED ROD TO LEVER |
| 209 |
A 3603230274 |
PIN |
|
Repalced by: A 3605860032
|
| 211 |
A 3603230153 |
SPACER TUBE |
|
|
ARTICULATED ROD TO LEVER |
| 213 |
N 006797021201 |
TOOTHED WASHER |
|
|
ARTICULATED ROD TO LEVER |
| 215 |
N 006797021101 |
TOOTHED WASHER |
|
|
ARTICULATED ROD TO LEVER |
| 217 |
N 000936020010 |
NUT |
|
|
ARTICULATED ROD TO LEVER |
| 218 |
N 071412010100 |
GREASE NIPPLE |
| 220 |
A 3605860032 |
REPAIR KIT |
|
Repalced by: A 3603200041
|
| 220 |
A 3603200041 |
REPAIR KIT |
|
|
TORSION BAR,FRONT |
| 250 |
A 0033231000 |
SHOCK ABSORBER |
|
Repalced by: A 0043236500
|
| 250 |
A 0043236500 |
SHOCK ABSORBER |
|
|
FRONT AXLE |
| 250 |
A 0033231100 |
SHOCK ABSORBER |
|
Repalced by: A 0043233600
|
| 250 |
A 0043233600 |
SHOCK ABSORBER |
|
|
FRONT AXLE |
| 255 |
A 0003230453 |
SPACER TUBE |
|
Repalced by: A 0003233150
|
| 255 |
A 0003232550 |
BUSHING |
|
Repalced by: A 0003233150
|
| 255 |
A 0003233150 |
BUSHING |
|
|
TO 003 323 10 00,004 323 65 00, |
|
Y YYYYYYYYYYYY |
PART NAME MISSING |
|
|
003 323 11 00 |
| 255 |
A 0003235250 |
BUSHING |
|
|
TO 004 323 36 00 |
| 258 |
A 0003232444 |
RUBBER BUFFER |
|
Repalced by: A 0003232885
|
| 258 |
A 0003232885 |
RUBBER MOUNTING |
|
|
TO 003 323 10 00,004 323 65 00, |
|
Y YYYYYYYYYYYY |
PART NAME MISSING |
|
|
003 323 11 00 |
| 258 |
A 0003233044 |
RUBBER BUFFER |
|
Repalced by: A 0003233144
|
| 258 |
A 0003233144 |
RUBBER BUFFER |
|
|
TO 004 323 36 00 |
| 260 |
A 3833200043 |
BRACKET |
|
|
LEFT |
| 263 |
A 3833200143 |
BRACKET |
|
|
RIGHT |
| 270 |
A 3833200278 |
CONSOLE |
|
Repalced by: A 6173200078
|
| 270 |
A 6173200078 |
CONSOLE |
|
|
LEFT |
|
A 3833200378 |
CONSOLE |
|
Repalced by: A 6173200178
|
|
A 6173200178 |
CONSOLE |
|
|
RIGHT |
| 275 |
A 3819900243 |
PLATE |
| 278 |
N 000961012151 |
SCREW |
|
|
BEARING BRACKET TO FRAME AND TO CONSOLE |
|
|
M 12X30 |
| 278 |
N 000961012122 |
SCREW |
|
|
BEARING BRACKET TO FRAME AND TO CONSOLE |
|
|
M 12X40 |
| 279 |
N 007349013003 |
WASHER |
|
Repalced by: N 007349013005
|
| 279 |
N 007349013005 |
WASHER |
|
|
BEARING BRACKET TO FRAME AND TO CONSOLE |
|
N 000961012052 |
SCREW |
|
Repalced by: N 308676012012
|
|
N 308676012012 |
SCREW |
|
|
BEARING BRACKET TO FRAME AND TO CONSOLE |
|
|
M 12X25 |
| 284 |
N 910113012002 |
NUT |
|
|
BEARING BRACKET TO FRAME AND TO CONSOLE |
| 284 |
N 910113012002 |
NUT |
|
|
BEARING BRACKET TO FRAME AND TO CONSOLE |
| 290 |
N 000960016244 |
SCREW |
|
|
SHOCK ABSORBER TO UPPER BEARING BRACKET |
| 294 |
N 913004016004 |
NUT |
|
Repalced by: N 910113016002
|
| 294 |
N 910113016002 |
NUT |
|
|
SHOCK ABSORBER TO UPPER BEARING BRACKET |
| 300 |
A 3833231863 |
BEARING BRACKET |
|
|
SHOCK ABSORBER,BOTTOM |
| 302 |
N 912004012101 |
LOCK WASHER |
|
|
BEARING BRACKET TO FRONT AXLE |
| 303 |
N 000961012052 |
SCREW |
|
Repalced by: N 308676012012
|
| 303 |
N 308676012012 |
SCREW |
|
|
BEARING BRACKET TO FRONT AXLE |
| 310 |
N 000960016164 |
SCREW |
|
|
SHOCK ABSORBER TO LOWER BEARING BRACKET |
| 314 |
N 913004016004 |
NUT |
|
Repalced by: N 910113016002
|
| 314 |
N 910113016002 |
NUT |
|
|
SHOCK ABSORBER TO LOWER BEARING BRACKET |
| 340 |
A 0023265200 |
SHOCK ABSORBER |
|
Repalced by: A 3853260000
|
|
A 0023232500 |
SHOCK ABSORBER |
|
Repalced by: A 3853260000
|
|
A 0003232550 |
BUSHING |
|
Repalced by: A 0003233150
|
|
A 0003233150 |
BUSHING |
|
A 0003232444 |
RUBBER BUFFER |
|
Repalced by: A 0003232885
|
|
A 0003232885 |
RUBBER MOUNTING |
| 342 |
A 3853260000 |
SHOCK ABSORBER |
|
|
(PARTS KIT) |
| 350 |
A 3543260068 |
RUBBER BUFFER |
|
|
SHOCK ABSORBER TO UPPER BEARING BRACKET |
|
A 3523230253 |
SPACER TUBE |
|
Repalced by: A 3179911240
|
|
A 3179911240 |
SPACER TUBE |
|
|
SHOCK ABSORBER TO UPPER BEARING BRACKET |
| 358 |
A 3173230344 |
RUBBER BUFFER |
|
|
SHOCK ABSORBER TO UPPER BEARING BRACKET |
| 362 |
A 3609902401 |
SCREW |
|
Repalced by: A 3529903501
|
| 362 |
A 3529903501 |
SCREW |
|
|
SHOCK ABSORBER TO LOWER BEARING BRACKET |
| 366 |
N 913004016004 |
NUT |
|
Repalced by: N 910113016002
|
| 366 |
N 910113016002 |
NUT |
|
|
SHOCK ABSORBER TO LOWER BEARING BRACKET |
|
A 3833200335 |
PLATE |
|
|
REAR AXLE |
| 385 |
A 3873200518 |
PISTON |
|
Repalced by: A 3873200818
|
| 385 |
A 3873200818 |
PISTON |
|
|
REAR AXLE PNEUMATIC SUSPENSION |
| 390 |
N 007603012405 |
SEAL RING |
| 392 |
A 0004290456 |
SCREW PLUG |
| 395 |
N 912004016100 |
LOCK WASHER |
|
|
SPRING-LOADED PISTON TO AIR-SPRINGBELLOWS SUPPORT |
| 397 |
N 000960016066 |
SCREW |
|
|
SPRING-LOADED PISTON TO AIR-SPRINGBELLOWS SUPPORT |
|
A 3833270053 |
SPACER TUBE |
|
|
SPRING-LOADED PISTON TO FRAME |
|
N 308675022001 |
NUT |
|
|
SPRING-LOADED PISTON TO FRAME |
| 400 |
A 3603280039 |
RUBBER BUFFER |
|
|
(RUBBER STOP),EMERGENCY RUNNING |
| 405 |
A 3873280001 |
AIR SPRING BELLOWS |
| 405 |
A 3873280101 |
AIR SPRING BELLOWS |
| 410 |
A 3853520441 |
BEARING BODY |
|
|
CONTROL ARM |
| 412 |
N 000960014190 |
SCREW |
|
|
BEARING BRACKET TO CROSS MEMBER |
| 413 |
N 913004014005 |
NUT |
|
Repalced by: N 910113014000
|
| 413 |
N 910113014000 |
NUT |
|
|
BEARING BRACKET TO CROSS MEMBER |
| 416 |
N 000960018098 |
SCREW |
|
|
BEARING BRACKET TO SIDE MEMBER |
| 417 |
N 913004018004 |
NUT |
|
|
BEARING BRACKET TO SIDE MEMBER |
| 440 |
A 3933505205 |
CONTROL ARM |
|
Repalced by: A 3933505405
|
| 440 |
A 3933505405 |
CONTROL ARM |
|
Repalced by: A 6553500305
|
| 440 |
A 6553500305 |
CONTROL ARM |
|
|
REAR AXLE,TOP |
| 440 |
A 3933505305 |
CONTROL ARM |
|
Repalced by: A 3933505505
|
| 440 |
A 3933505505 |
CONTROL ARM |
|
Repalced by: A 6583500005
|
| 440 |
A 6583500005 |
CONTROL ARM |
|
|
REAR AXLE,TOP |
| 440A |
A 0003500313 |
JOINT |
|
|
(CENTRAL JOINT) |
|
|
TO 393 350 53 05;393 350 55 05; |
| 440A |
A 0003500713 |
JOINT |
|
|
(CENTRAL JOINT) |
|
|
TO 393 350 54 05;LEMFOERDER |
| 440A |
A 0003500813 |
JOINT |
|
|
(CENTRAL JOINT) |
|
|
TO 658 350 00 05;EHRENREICH |
|
Y YYYYYYYYYYYY |
PART NAME MISSING |
|
|
EHRENREICH |
| 440B |
A 0003500213 |
JOINT |
|
|
WITH BALL PIVOT |
|
|
TO 393 350 52 05;393 350 54 05; |
|
Y YYYYYYYYYYYY |
PART NAME MISSING |
|
|
655 350 03 05;LEMFOERDER |
| 440B |
A 0005861433 |
REPAIR KIT |
|
|
WITH BALL PIVOT |
|
|
TO 393 350 53 05;393 350 55 05; |
|
Y YYYYYYYYYYYY |
PART NAME MISSING |
|
|
658 350 00 05;EHRENREICH |
| 440E |
A 0005860135 |
REPAIR KIT |
|
|
CENTRAL JOINT;WITH BALL PIVOT |
|
|
TO 393 350 52 05;393 350 54 05; |
|
Y YYYYYYYYYYYY |
PART NAME MISSING |
|
|
LEMFOERDER |
| 440E |
A 0003500405 |
REPAIR KIT |
|
|
CENTRAL JOINT;WITH BALL PIVOT |
|
|
TO 658 350 00 05;EHRENREICH |
| 440E |
A 0005861933 |
REPAIR KIT |
|
Repalced by: A 0005861833
|
| 440E |
A 0005861833 |
REPAIR KIT |
|
Repalced by: A 0003500405
|
| 440E |
A 0003500405 |
REPAIR KIT |
|
|
CENTRAL JOINT;WITH BALL PIVOT |
|
|
TO 393 350 53 05;393 350 55 05; |
|
Y YYYYYYYYYYYY |
PART NAME MISSING |
|
|
EHRENREICH |
| 441 |
A 3839910020 |
BALL PIVOT |
|
Repalced by: A 3839910120
|
| 441 |
A 3839910120 |
BALL PIVOT |
| 450 |
A 3833270153 |
SPACER TUBE |
|
|
CONTROL ARM TO BEARING BRACKET |
| 452 |
N 000960020143 |
SCREW |
|
|
CONTROL ARM TO BEARING BRACKET |
| 454 |
N 912004020101 |
LOCK WASHER |
|
|
CONTROL ARM TO BEARING BRACKET |
|
N 000137020202 |
SPRING WASHER |
|
Repalced by: N 000137020205
|
|
N 000137020205 |
SPRING WASHER |
|
|
CONTROL ARM TO BEARING BRACKET |
| 456 |
N 000960020093 |
SCREW |
|
Repalced by: N 308765020014
|
| 456 |
N 308765020014 |
SCREW |
|
|
LONGITUDINAL CONTROL ARM TO BEARING BRACKET |
| 458 |
N 913004020004 |
NUT |
|
Repalced by: N 913004020003
|
| 458 |
N 913004020003 |
NUT |
|
|
LONGITUDINAL CONTROL ARM TO BEARING BRACKET |
| 460 |
A 3933280152 |
SPACER WASHER |
|
|
LONGITUDINAL CONTROL ARM TO BEARING BRACKET |
|
|
0.50 MM |
| 460 |
A 3933280252 |
SPACER WASHER |
|
|
LONGITUDINAL CONTROL ARM TO BEARING BRACKET |
|
|
1.00 MM |
| 460 |
A 3933280352 |
SPACER WASHER |
|
|
LONGITUDINAL CONTROL ARM TO BEARING BRACKET |
|
|
2.00 MM |
| 460 |
A 3933280452 |
SPACER WASHER |
|
|
LONGITUDINAL CONTROL ARM TO BEARING BRACKET |
|
|
4.00 MM |
| 462 |
N 000125021006 |
WASHER |
|
|
LONGITUDINAL CONTROL ARM TO BEARING BRACKET |
| 475 |
A 3813500606 |
CONTROL ARM |
|
Repalced by: A 6533500106
|
| 475 |
A 6533500106 |
CONTROL ARM |
|
Repalced by: A 6523500306
|
| 475 |
A 6523500306 |
CONTROL ARM |
|
|
REAR AXLE,BOTTOM LEFT AND RIGHT |
| 476 |
A 0003500213 |
JOINT |
|
|
WITH BALL PIVOT |
|
|
TO 381 350 06 06 |
| 476 |
A 0003500505 |
CONTROL ARM |
|
Repalced by: A 0003500305
|
| 476 |
A 0003500305 |
REPAIR KIT |
|
Repalced by: A 0003500213
|
| 476 |
A 0003500213 |
REPAIR KIT |
|
|
WITH BALL PIVOT |
|
|
TO 653 350 01 06 |
| 478 |
A 0005861035 |
REPAIR KIT |
|
|
WITH SPHERICAL PIECE |
|
|
TO 381 350 06 06 |
| 478 |
A 0003500205 |
REPAIR KIT |
|
|
WITH SPHERICAL PIECE |
|
|
TO 653 350 01 06 |
| 480 |
N 000961020027 |
SCREW |
|
|
LINK TO SUPPORT |
| 482 |
N 913004020004 |
NUT |
|
Repalced by: N 913004020003
|
| 482 |
N 913004020003 |
NUT |
|
|
LINK TO SUPPORT |
| 495 |
A 3833200389 |
ROD |
|
|
FROM FRAME TO TORSION BAR |
| 497 |
A 3833260940 |
BRACKET |
|
|
ROD TO FRAME |
|
A 3933260174 |
PIN |
|
Repalced by: N 000960016247
|
| 499 |
N 000960016285 |
SCREW |
|
|
BRACKET TO TORSION BAR |
|
|
M 16X115 |
| 500 |
A 3853230453 |
SPACER TUBE |
|
|
BRACKET TO TORSION BAR |
| 501 |
A 3853230353 |
SPACER TUBE |
|
|
BRACKET TO TORSION BAR |
| 503 |
A 3933230160 |
SEAL RING |
|
Repalced by: A 3803230260
|
| 503 |
A 3803230260 |
SEAL RING |
|
|
BRACKET TO TORSION BAR |
| 505 |
N 000125023006 |
WASHER |
|
|
BRACKET TO TORSION BAR |
| 505 |
N 007349017002 |
WASHER |
|
|
BRACKET TO TORSION BAR |
| 507 |
N 913004022002 |
NUT |
|
|
BRACKET TO TORSION BAR |
| 507 |
N 913004016005 |
NUT |
|
Repalced by: N 910113016001
|
| 507 |
N 910113016001 |
NUT |
|
|
BRACKET TO TORSION BAR |
| 509 |
N 000961018020 |
SCREW |
|
|
ROD TO FRAME |
| 511 |
N 913004018004 |
NUT |
|
|
ROD TO FRAME |
| 525 |
A 3933260281 |
RUBBER MOUNTING |
|
|
TORSION BAR,REAR |
| 526 |
A 3805860032 |
REPAIR KIT |
|
Repalced by: A 3803200028
|
| 526 |
A 3803200028 |
REPAIR KIT |
|
|
STABILIZER MOUNTING |
| 528 |
A 3933250419 |
SPRING SEAT |
|
|
ROD TO TORSION BAR |
| 532 |
N 000960016269 |
SCREW |
|
Repalced by: N 308765016010
|
| 532 |
N 308765016010 |
SCREW |
|
|
ROD TO TORSION BAR |
| 533 |
N 913004016005 |
NUT |
|
Repalced by: N 910113016001
|
| 533 |
N 910113016001 |
NUT |
|
|
ROD TO TORSION BAR |
| 550 |
A 3833282041 |
SUPPORT |
|
|
AIR SPRING BELLOWS,LEFT |
|
A 3833282141 |
SUPPORT |
|
|
AIR SPRING BELLOWS,RIGHT |
| 560 |
A 0009816131 |
JOINT BEARING |
|
|
AIR-SPRING-BELLOWS SUPPORT |
| 560 |
A 0009817431 |
JOINT BEARING |
|
|
AIR-SPRING-BELLOWS SUPPORT |
| 570 |
N 000472055000 |
LOCK RING |
|
|
AIR-SPRING-BELLOWS SUPPORT |
| 572 |
N 071412008302 |
GREASE NIPPLE |
|
|
AIR-SPRING-BELLOWS SUPPORT |
| 574 |
A 3833280184 |
SHIM |
|
|
AIR-SPRING-BELLOWS SUPPORT |
| 578 |
A 3873510325 |
U-BOLT |
|
|
AIR-SPRING-BELLOWS SUPPORT TO REAR AXLE |
| 582 |
N 913004024004 |
NUT |
|
|
AIR-SPRING-BELLOWS SUPPORT TO REAR AXLE |
| 600 |
N 000961014063 |
SCREW |
|
Repalced by: A 9429901304
|
| 600 |
A 9429901304 |
SCREW |
|
|
SHIM TO REAR AXLE |
| 604 |
N 912004014100 |
LOCK WASHER |
|
|
SHIM TO REAR AXLE |
| 630 |
A 3833260063 |
BEARING BRACKET |
|
|
SHOCK ABSORBER |
| 635 |
N 912004012100 |
LOCK WASHER |
|
|
BEARING BRACKET TO AIR-SPRING-BELLOWS SUPPORT |
| 639 |
N 000961012052 |
SCREW |
|
Repalced by: N 308676012012
|
| 639 |
N 308676012012 |
SCREW |
|
|
BEARING BRACKET TO AIR-SPRING-BELLOWS SUPPORT |
| 650 |
A 3833260265 |
TORSION BAR |
|
|
REAR AXLE |
| 655 |
A 3853230353 |
SPACER TUBE |
|
|
TORSION BAR TO AIR-SPRING-BELLOWS SUPPORT |
| 660 |
A 3933230160 |
SEAL RING |
|
Repalced by: A 3803230160
|
| 660 |
A 3803230160 |
SEAL RING |
|
|
TORSION BAR TO AIR-SPRING-BELLOWS SUPPORT |
| 668 |
A 3939900040 |
WASHER |
|
|
TORSION BAR TO AIR-SPRING-BELLOWS SUPPORT |
| 672 |
N 913004022002 |
NUT |
|
|
TORSION BAR TO AIR-SPRING-BELLOWS SUPPORT |
|
N 000961016039 |
SCREW |
|
|
AIR-SPRING-BELLOWS SUPPORT TO REAR AXLE |
|
N 000439016206 |
NUT |
|
Repalced by: N 308675016001
|
|
N 308675016001 |
NUT |
|
|
AIR-SPRING-BELLOWS SUPPORT TO REAR AXLE |
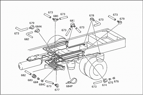
| 673 |
A 0089979082 |
HOSE |
|
|
SHIFT VALVE,TWO-WAY VALVE,TEST CONNECTION |
|
|
6X8 MM |
|
A 0039978972 |
FITTING |
|
Repalced by: A 0029905971
|
|
A 0029905971 |
FITTING |
|
|
(PARTS KIT),LINE RUPTURE |
| 674 |
N 915017008100 |
UNION NUT |
|
|
LINE CONNECTIONS |
| 675 |
N 003861008005 |
GLAND |
|
|
LINE CONNECTIONS |
| 676 |
A 0007630043 |
SLEEVE |
|
Repalced by: N 915062006000
|
| 676 |
N 915062006000 |
SLEEVE |
|
|
LINE CONNECTIONS |
| 677 |
N 915052006014 |
BANJO UNION |
|
|
HOSE WIDTH, / I.D., |
|
|
6/16 MM |
| 678 |
N 915052006021 |
BANJO UNION |
|
|
HOSE WIDTH, / I.D., |
|
|
6/14 MM |
| 679 |
A 0009906688 |
BANJO UNION |
|
Repalced by: N 915052006013
|
| 679 |
N 915052006013 |
BANJO UNION |
|
|
HOSE WIDTH, / I.D., |
|
|
6/12 MM |
| 680 |
A 0009907378 |
CONNECTOR |
|
|
DOUBLE |
|
|
14 MM |
| 681 |
A 0009909488 |
BANJO UNION |
|
|
DOUBLE |
|
|
16 MM |
| 682 |
A 0089976082 |
HOSE |
|
Repalced by: A 0009872627
|
| 682 |
A 0009872627 |
PLASTIC PIPE |
|
|
FROM TEST CONNECTION TO VALVE |
|
|
4X6 MM |
|
A 0039979172 |
FITTING |
|
|
(PARTS KIT),LINE RUPTURE |
| 683 |
N 915017006100 |
UNION NUT |
|
|
LINE CONNECTIONS |
| 684 |
N 003861006007 |
GLAND |
|
Repalced by: A 0019901667
|
| 684 |
A 0019901667 |
SEAL CONE |
|
|
LINE CONNECTIONS |
| 684C |
A 0009920105 |
BUSHING |
|
Repalced by: N 915062004000
|
| 684C |
N 915062004000 |
SLEEVE |
|
|
SHIFT VALVE,TWO-WAY VALVE,TEST CONNECTION |
| 684K |
A 0009903888 |
BANJO UNION |
|
Repalced by: N 915052004006
|
| 684K |
N 915052004015 |
BANJO UNION |
|
|
HOSE WIDTH, / I.D., |
|
|
4/12 MM |
| 684P |
A 0019978390 |
LOOM TIE |
|
|
LINE MOUNTING |
| 685 |
A 0003275725 |
VALVE |
|
Repalced by: A 0003290425
|
| 685 |
A 0003290425 |
VALVE |
|
Repalced by: A 0003290825
|
| 685 |
A 0003290825 |
VALVE |
|
|
(SHIFT VALVE) |
|
|
KNORR |
| 685 |
A 0003290725 |
VALVE |
|
|
(SHIFT VALVE) |
|
|
GRAU |
| 686 |
A 0003270192 |
BOOT |
|
A 0003290193 |
PROTECTIVE CAP |
|
|
TO 000 329 04 25,000 329 08 25 |
|
A 0003290293 |
PROTECTIVE CAP |
|
Repalced by: A 0003290092
|
|
A 0003290092 |
BOOT |
|
|
TO 000 329 04 25,000 329 08 25 |
| 687 |
A 0029973690 |
LOOM TIE |
|
A 0005840129 |
OPERATING PLATE |
| 689 |
A 0003270159 |
PROTECTIVE CAP |
| 689E |
A 0009973377 |
HANDLE |
|
A 0009973177 |
HANDLE |
|
|
TO 000 329 04 25,000 329 08 25 |
|
A 0003200058 |
VALVE |
|
|
TO 000 329 04 25,000 329 08 25 |
| 690 |
A 0005860832 |
REPAIR KIT |
|
|
CONTROL VALVE |
|
|
KNORR |
|
A 0005861132 |
REPAIR KIT |
|
|
CONTROL VALVE |
|
|
KNORR SV 3111-I/73100 |
|
A 0003200767 |
REPAIR KIT |
|
|
CONTROL VALVE |
|
|
KNORR SV 3111-I/83153 |
| 694 |
A 0003200567 |
REPAIR KIT |
|
|
CONTROL VALVE |
|
|
GRAU |
| 696 |
N 074317012200 |
FITTING |
|
Repalced by: A 0009907470
|
| 696 |
A 0009907470 |
T-FITTING |
|
|
SHIFT VALVE,CONNECTION: |
|
|
"1.1" |
|
N 915039012206 |
HOLLOW SCREW FITTING |
|
|
SHIFT VALVE,CONNECTION: |
|
|
"1,1" |
| 696C |
A 0009971548 |
SEAL RING |
|
|
SHIFT VALVE,CONNECTION: |
|
|
"1.1" |
|
N 007603016401 |
SEAL RING |
|
|
SHIFT VALVE,CONNECTION: |
|
|
"1.1" |
| 696E |
A 0004290927 |
THRUST RING |
|
|
SHIFT VALVE,CONNECTION: |
|
|
"1.1" |
| 696H |
N 080705016003 |
NUT |
|
|
SHIFT VALVE,CONNECTION: |
|
|
"1.1" |
| 696K |
A 0019902171 |
ELBOW FITTING |
|
|
SHIFT VALVE,CONNECTION: |
|
|
"1.1" |
| 696L |
N 074313008104 |
FITTING |
|
Repalced by: A 0029979572
|
| 696L |
A 0029979572 |
FITTING |
|
|
CONNECTION "3" |
| 696M |
N 007603016401 |
SEAL RING |
|
|
CONNECTION "3" |
| 696R |
N 915036012203 |
HOLLOW SCREW |
|
|
SHIFT VALVE,CONNECTIONS: |
|
|
"1.2"; "1.3"; "2.2"; "2.3"; |
| 696R |
N 915036012203 |
HOLLOW SCREW |
|
|
SHIFT VALVE,CONNECTIONS: |
|
|
"1.2"; "1.3"; "2.2"; "2.3"; |
| 696S |
N 007603016401 |
SEAL RING |
|
|
SHIFT VALVE,CONNECTIONS: |
|
|
"1.2"; "1.3"; "2.2"; "2.3"; |
| 698 |
N 913004008004 |
NUT |
|
Repalced by: N 913004008001
|
| 698 |
N 913004008001 |
NUT |
|
|
SHIFT VALVE TO BRACKET |
|
N 000933008153 |
SCREW |
|
Repalced by: N 304017008034
|
|
N 304017008034 |
SCREW |
|
|
SHIFT VALVE TO BRACKET |
| 710 |
A 0004312031 |
TEST CONNECTION |
|
|
AT SELF-LEVELLING DEVICE BRACKET |
| 710 |
A 0004312031 |
TEST CONNECTION |
|
|
AT SELF-LEVELLING DEVICE BRACKET |
| 710 |
A 0004314531 |
TEST CONNECTION |
|
|
AT SELF-LEVELLING DEVICE BRACKET |
| 710 |
A 0004314531 |
TEST CONNECTION |
|
|
AT SELF-LEVELLING DEVICE BRACKET |
| 710 |
A 0004314831 |
TEST CONNECTION |
|
|
AT SELF-LEVELLING DEVICE BRACKET |
| 710 |
A 0004314831 |
TEST CONNECTION |
|
|
AT SELF-LEVELLING DEVICE BRACKET |
| 710 |
A 0004316131 |
TEST CONNECTION |
|
|
AT SELF-LEVELLING DEVICE BRACKET |
| 710 |
A 0004316131 |
TEST CONNECTION |
|
|
AT SELF-LEVELLING DEVICE BRACKET |
|
A 0009979486 |
PLUG |
| 715 |
N 003911006100 |
FITTING |
|
Repalced by: A 0019904071
|
| 715 |
A 0019904071 |
ELBOW FITTING |
|
|
TEST CONNECTION |
| 718 |
N 080705012003 |
NUT |
|
|
TEST CONNECTION |
| 718 |
N 080705012003 |
NUT |
|
|
TEST CONNECTION |
| 722 |
N 912004012100 |
LOCK WASHER |
|
|
TEST CONNECTION |
| 722 |
N 912004012100 |
LOCK WASHER |
|
|
TEST CONNECTION |
| 725 |
A 3935840721 |
GUIDE SIGN |
|
|
AIR SPRING BELLOWS,LEFT AND RIGHT |
|
A 3185840621 |
GUIDE SIGN |
|
|
SUPPLY |
|
A 3875840055 |
ADHESIVE FOIL |
|
|
SUPPLY |
|
A 0019908168 |
FITTING |
|
|
TEST CONNECTION |
|
N 915036008202 |
HOLLOW SCREW |
|
|
TEST CONNECTION |
|
N 915047008202 |
HOLLOW SCREW |
|
|
TEST CONNECTION |
|
N 007603012405 |
SEAL RING |
|
|
TEST CONNECTION |
| 730 |
A 3873200343 |
BRACKET |
|
|
TEST CONNECTION |
| 730 |
A 3873200443 |
BRACKET |
|
|
TEST CONNECTION |
| 732 |
N 000961012097 |
SCREW |
|
Repalced by: N 308676012026
|
| 732 |
N 308676012026 |
SCREW |
|
|
BRACKET TO SIDE MEMBER |
|
N 000961012122 |
SCREW |
|
|
BRACKET TO SIDE MEMBER |
| 733 |
N 910113012002 |
NUT |
|
|
BRACKET TO SIDE MEMBER |
| 735 |
A 3609970681 |
GROMMET |
|
|
LINE THRU FRAME |
| 750 |
A 0003283130 |
VALVE |
|
Repalced by: A 0003283230
|
| 750 |
A 0003283230 |
VALVE |
|
|
SELF-LEVELLING DEVICE |
|
|
KNORR |
|
A 0003280192 |
BOOT |
|
Repalced by: A 0003280292
|
| 751 |
A 0003280292 |
BOOT |
|
A 0005861332 |
REPAIR KIT |
|
Repalced by: A 0003201067
|
| 752 |
A 0003201067 |
REPAIR KIT |
|
|
AIR SPRING VALVE |
|
|
KNORR SV-1280-I/80093 |
|
Y YYYYYYYYYYYY |
PART NAME MISSING |
|
|
KNORR SV 1280-I/80093 |
| 753B |
N 074313008104 |
FITTING |
|
Repalced by: A 0029979572
|
| 753B |
A 0029979572 |
FITTING |
|
|
CONNECTION "1.2",LEFT |
| 753C |
N 007603016401 |
SEAL RING |
|
|
CONNECTION "1.2",LEFT |
| 753E |
A 0009971572 |
FITTING |
|
Repalced by: A 0019972572
|
| 753E |
A 0019972572 |
FITTING |
|
|
CONNECTION "2.1",FRONT LEFT |
| 753F |
N 007603012405 |
SEAL RING |
|
|
CONNECTION "2.1",FRONT LEFT |
| 753H |
N 000908012003 |
SCREW PLUG |
|
Repalced by: N 000908012009
|
| 753H |
N 000908012009 |
SCREW PLUG |
|
|
CONNECTION "2.1",REAR LEFT |
| 753K |
N 007603012405 |
SEAL RING |
|
|
CONNECTION "2.1",REAR LEFT |
|
A 0009903563 |
HOLLOW SCREW |
|
Repalced by: N 915047008100
|
| 753M |
N 915047008202 |
HOLLOW SCREW |
|
|
CONNECTION "1.1",LEFT |
| 753R |
N 007603012405 |
SEAL RING |
|
|
CONNECTION "1.1",LEFT |
| 753S |
N 915036012203 |
HOLLOW SCREW |
|
|
CONNECTION "2.3",LEFT |
| 753T |
N 007603016401 |
SEAL RING |
|
|
CONNECTION "2.3",LEFT |
| 754 |
N 915036012203 |
HOLLOW SCREW |
|
|
CONNECTION "1.2",RIGHT |
| 754D |
N 007603016401 |
SEAL RING |
|
|
CONNECTION "1.2",RIGHT |
|
A 0009971572 |
FITTING |
|
Repalced by: A 0019972572
|
|
A 0019972572 |
FITTING |
|
|
CONNECTION "2.1",FRONT RIGHT |
|
N 007603012405 |
SEAL RING |
|
|
CONNECTION "2.1",FRONT RIGHT |
|
N 000908012003 |
SCREW PLUG |
|
Repalced by: N 000908012009
|
|
N 000908012009 |
SCREW PLUG |
|
|
CONNECTION "2.1",REAR RIGHT |
|
N 007603012405 |
SEAL RING |
|
|
CONNECTION "2.1",REAR RIGHT |
| 754M |
N 915039008202 |
HOLLOW SCREW FITTING |
|
|
CONNECTION "1.1",RIGHT |
| 754P |
N 007603012405 |
SEAL RING |
|
|
CONNECTION "1.1",RIGHT |
|
N 915036012203 |
HOLLOW SCREW |
|
|
CONNECTION "2.3",RIGHT |
|
N 007603016401 |
SEAL RING |
|
|
CONNECTION "2.3",RIGHT |
| 755 |
A 3603200927 |
LEVER |
|
|
AIR SPRING VALVE |
| 760 |
N 071803013208 |
BALL PIVOT |
| 765 |
N 000933008212 |
SCREW |
|
Repalced by: N 304017008016
|
| 765 |
N 304017008016 |
SCREW |
|
|
LEVER TO AIR SPRING VALVE |
| 768 |
N 912004008102 |
LOCK WASHER |
|
|
LEVER TO AIR SPRING VALVE |
| 773 |
N 000931008228 |
SCREW |
|
Repalced by: N 000933008134
|
| 773 |
N 000933008134 |
SCREW |
|
|
AIR SPRING VALVE TO FRAME SIDE MEMBER |
| 775 |
N 913004008004 |
NUT |
|
Repalced by: N 913004008001
|
| 775 |
N 913004008001 |
NUT |
|
|
AIR SPRING VALVE TO FRAME SIDE MEMBER |
|
A 3873200289 |
ROD |
|
|
LEVEL ADJUSTMENT VALVE CONTROL |
| 780 |
N 900331008427 |
PULL ROD |
|
|
LEVEL ADJUSTMENT VALVE CONTROL |
| 782 |
A 0004310667 |
YOKE |
|
|
LEVEL ADJUSTMENT VALVE CONTROL |
| 784 |
A 0004310767 |
YOKE |
|
|
LEVEL ADJUSTMENT VALVE CONTROL |
| 785 |
N 000439008211 |
NUT |
|
Repalced by: N 304035008001
|
| 785 |
N 304035008001 |
NUT |
|
|
R.H. THREAD |
| 786 |
N 000439008203 |
NUT |
|
Repalced by: N 304035008002
|
| 786 |
N 304035008002 |
NUT |
|
|
L.H. THREAD |
| 787 |
N 913004008004 |
NUT |
|
Repalced by: N 913004008001
|
| 787 |
N 913004008001 |
NUT |
|
|
LEVEL ADJUSTMENT VALVE CONTROL |
| 790 |
A 0014292444 |
VALVE |
|
|
(SHUTTLE VALVE) AUTOMATIC LOAD-DEPENDING BRAKE |
|
|
WABCO |
| 790 |
A 0034291144 |
VALVE |
|
|
(SHUTTLE VALVE) AUTOMATIC LOAD-DEPENDING BRAKE |
|
|
VOSS |
|
A 0004290682 |
VALVE |
|
Repalced by: A 0004290782
|
| 792 |
A 0004290782 |
VALVE |
|
Repalced by: A 0004291182
|
| 792 |
A 0004291182 |
VALVE BODY |
|
|
PISTONS |
|
|
WABCO |
| 793 |
A 0029810485 |
BALL |
|
|
VOSS |
| 794 |
A 0004290180 |
GASKET |
|
|
VOSS |
| 795 |
A 0009870446 |
SEALING CORD |
|
|
AUTOMATIC LOAD-DEPENDING BRAKE SHUTTLE VALVE |
| 797 |
A 0004290227 |
THRUST RING |
|
|
AUTOMATIC LOAD-DEPENDING BRAKE SHUTTLE VALVE |
| 799 |
A 0009904468 |
FITTING |
|
|
AUTOMATIC LOAD-DEPENDING BRAKE SHUTTLE VALVE |
| 803 |
N 007603012405 |
SEAL RING |
|
|
AUTOMATIC LOAD-DEPENDING BRAKE SHUTTLE VALVE |
| 806 |
A 0009903563 |
HOLLOW SCREW |
|
Repalced by: N 915047008100
|
| 806 |
N 915047008202 |
HOLLOW SCREW |
|
|
AUTOMATIC LOAD-DEPENDING BRAKE SHUTTLE VALVE |
|
A 3099900054 |
NUT |
|
|
AUTOMATIC LOAD-DEPENDING BRAKE SHUTTLE VALVE |
| 855 |
A 0004290227 |
THRUST RING |
|
|
AUTOMATIC LOAD-DEPENDING BRAKE SHUTTLE VALVE |
| 859 |
N 915036010204 |
HOLLOW SCREW |
|
Repalced by: N 915036010108
|
| 859 |
N 915036010108 |
HOLLOW SCREW |
|
|
AUTOMATIC LOAD-DEPENDING BRAKE SHUTTLE VALVE |
| 863 |
N 007603012405 |
SEAL RING |
|
|
AUTOMATIC LOAD-DEPENDING BRAKE SHUTTLE VALVE |
| 867 |
A 0009870446 |
SEALING CORD |
|
|
AUTOMATIC LOAD-DEPENDING BRAKE SHUTTLE VALVE |
|
N 915039008202 |
HOLLOW SCREW FITTING |
|
|
AUTOMATIC LOAD-DEPENDING BRAKE SHUTTLE VALVE |
| 870 |
A 0009904468 |
FITTING |
|
|
AUTOMATIC LOAD-DEPENDING BRAKE SHUTTLE VALVE |
| 880 |
A 3603282140 |
BRACKET |
|
Repalced by: A 3183281840
|
| 880 |
A 3183281840 |
BRACKET |
|
Repalced by: A 3094921819
|
| 880 |
A 3094921819 |
BRACKET |
|
|
AUTOMATIC LOAD-DEPENDING BRAKE SHUTTLE VALVE |
| 882 |
N 000933008147 |
SCREW |
|
Repalced by: N 304017008021
|
| 882 |
N 304017008021 |
SCREW |
|
|
BRACKET TO CROSS MEMBER |
| 883 |
N 913004008004 |
NUT |
|
Repalced by: N 913004008001
|
| 883 |
N 913004008001 |
NUT |
|
|
BRACKET TO CROSS MEMBER |
| 890 |
A 0019973836 |
VALVE |
|
Repalced by: A 0004342501
|
| 890 |
A 0004342501 |
VALVE |
|
|
(CHANGE-OVER VALVE) AUTOMATIC LOAD-DEPENDING BRAKE |
|
|
WABCO |
| 890C |
A 0079972548 |
SEAL RING |
|
|
WABCO 463 013 118 0 |
| 890D |
A 0079972448 |
SEAL RING |
|
|
WABCO 463 013 118 0 |
| 891 |
A 0004340586 |
CUP |
|
|
WABCO 463 013 118 0 |
| 892 |
A 0009972177 |
HANDLE |
|
|
WABCO 463 013 118 0 |
| 894 |
A 0005869743 |
REPAIR KIT |
|
|
AUTOMATIC LOAD-DEPENDING BRAKE CHANGEOVER VALVE |
|
|
WABCO 463 013 018 0 |
| 894 |
A 0025869843 |
REPAIR KIT |
|
|
AUTOMATIC LOAD-DEPENDING BRAKE CHANGEOVER VALVE |
|
|
WABCO 463 013 118 0 |
| 895 |
N 074305026202 |
NUT |
|
|
VALVE TO BRACKET |
| 898 |
N 000093028001 |
LOCK PLATE |
|
|
VALVE TO BRACKET |
| 905 |
A 3603281540 |
BRACKET |
|
|
AUTOMATIC LOAD-DEPENDING BRAKE CHANGEOVER VALVE |
| 910 |
A 3633280039 |
RUBBER BUFFER |
|
|
AUTOMATIC LOAD-DEPENDING BRAKE CHANGEOVER VALVE |
| 913 |
N 000931008047 |
SCREW |
|
Repalced by: N 304017008018
|
| 913 |
N 304017008018 |
SCREW |
|
|
BRACKET TO SIDE MEMBER |
| 914 |
N 913004008004 |
NUT |
|
Repalced by: N 913004008001
|
| 914 |
N 913004008001 |
NUT |
|
|
BRACKET TO SIDE MEMBER |
| 916 |
A 0009971572 |
FITTING |
|
Repalced by: A 0019972572
|
| 916 |
A 0019972572 |
FITTING |
|
|
AUTOMATIC LOAD-DEPENDING BRAKE CHANGEOVER VALVE |
| 918 |
N 007603012405 |
SEAL RING |
|
|
AUTOMATIC LOAD-DEPENDING BRAKE CHANGEOVER VALVE |
| 918 |
N 007603012405 |
SEAL RING |
|
|
AUTOMATIC LOAD-DEPENDING BRAKE CHANGEOVER VALVE |
| 920 |
A 0024292444 |
VALVE |
|
|
(TEST VALVE) |
| 921 |
A 0039974348 |
SEAL RING |
|
|
TEST VALVE |
| 921C |
A 0039974448 |
SEAL RING |
|
|
TEST VALVE |
| 921E |
A 0039974548 |
SEAL RING |
|
|
TEST VALVE |
| 921F |
N 915017008100 |
UNION NUT |
|
|
TEST VALVE |
| 921H |
N 003861008005 |
GLAND |
|
|
TEST VALVE |
|
N 915039008202 |
HOLLOW SCREW FITTING |
|
|
TEST VALVE |
| 922 |
A 0024293344 |
VALVE |
|
|
(CHECK VALVE) |
| 924 |
N 007603012405 |
SEAL RING |
|
|
CONNECTION "1" |
| 926 |
N 915039008202 |
HOLLOW SCREW FITTING |
|
|
CONNECTION "3" |
| 928 |
N 007603012405 |
SEAL RING |
|
|
CONNECTION "3" |
| 932 |
A 3604292040 |
BRACKET |
|
Repalced by: A 3604292940
|
| 932 |
A 3604292940 |
BRACKET |
|
|
LINE TO FRAME |
| 934 |
N 000933008147 |
SCREW |
|
Repalced by: N 304017008021
|
| 934 |
N 304017008021 |
SCREW |
|
|
BRACKET TO CROSS MEMBER |
| 936 |
N 913004008004 |
NUT |
|
Repalced by: N 913004008001
|
| 936 |
N 913004008001 |
NUT |
|
|
BRACKET TO CROSS MEMBER |
| 938 |
A 0019978490 |
LOOM TIE |
|
|
LINE MOUNTING |