Pagrindinis meniu

Transporto priemonė: 1217 LS; VIN numerio dalis: 381252
Grupė: 40 WHEELS
40222
40220
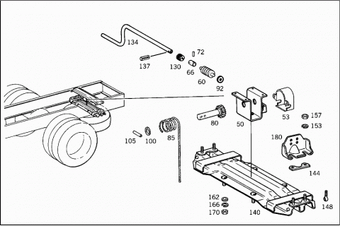
# Kodas Pavadinimas
010 A 3814000902 DISC WHEEL
Repalced by: A 0004017005
010 A 0004017005 RIM
6,00X22,5
010 A 3834000602 DISC WHEEL
Repalced by: A 0004017305
010 A 0004017305 RIM
7,50X22,5
010 A 0004018605 RIM
Repalced by: A 0004014602
010 A 0004014602 DISC WHEEL
7.50X22.5
010 A 0004019705 RIM
7.50X22.5
010 A 0034012601 DISC WHEEL
Repalced by: A 0004017205
010 A 0004017205 RIM
6.75X22.5
010 A 0004018505 RIM
Repalced by: A 0004002802
010 A 0004002802 DISC WHEEL
6.75X22.5
010 A 0004019605 RIM
6.75X22.5
020 A 0004012913 VALVE
Repalced by: A 0004017113
020 A 0004017113 VALVE
27 DEGREES
A 0004010272 NUT
VALVE TO DISC WHEEL
025 A 3854010013 VALVE
EXTENSION
025 A 3854010113 VALVE
EXTENSION
N 007757008600 VALVE CAP
035 A 3854000124 WHEEL NUT
Repalced by: A 0004010672
035 A 6174000024 WHEEL NUT
Repalced by: A 0004010672
035 A 0004010672 NUT
DISC WHEELS TO FRONT AND REAR AXLES
050 A 3834000039 BRACKET
Repalced by: A 3834000639
050 A 3834000739 BRACKET
Repalced by: A 3834000639
050 A 3834000639 SPARE WHEEL HOIST
053 A 3854000020 COVERING
N 000933006130 SCREW
COVER PLATE TO BRACKET
N 009021006205 WASHER
Repalced by: N 009021006208
N 009021006208 WASHER
COVER PLATE TO BRACKET
N 913004006002 NUT
Repalced by: N 913004006001
N 913004006001 NUT
COVER PLATE TO BRACKET
060 A 3814030185 WORM
Repalced by: A 6204030085
060 A 6204030085 WORM
066 A 3814030250 BUSHING
072 N 001481006027 CLAMPING SLEEVE
080 A 3834030183 STOP GEAR
Repalced by: A 6204030383
080 A 6204030383 STOP GEAR
A 3814030036 CABLE
Repalced by: N 083331008500
085 N 083331008500 WIRE CABLE
Repalced by: N 083334008000
085 N 083334008000 WIRE CABLE
SPARE WHEEL HOIST
2700 MM
092 A 3149900440 WASHER
WORM AND SHAFT TO BRACKET
100 A 3819900140 WASHER
WORM AND SHAFT TO BRACKET
105 N 001481008038 CLAMPING SLEEVE
Repalced by: N 308752008000
105 N 308752008000 CLAMPING PIN
WORM AND SHAFT TO BRACKET
N 002093031201 DISC SPRING
WORM AND SHAFT TO BRACKET
N 000933010128 SCREW
SPARE WHEEL HOIST TO CROSS MEMBER
N 913004010008 NUT
Repalced by: N 910113010000
N 910113010000 NUT
SPARE WHEEL HOIST TO CROSS MEMBER
130 A 3834030050 BUSHING
A 3814000045 CRANK
Repalced by: A 3814030045
134 A 3814030045 CRANK
137 N 001481006027 CLAMPING SLEEVE
A 3814001139 BRACKET
Repalced by: A 3814002039
A 3814002039 BRACKET
SPARE WHEEL CARRIER
140 A 3814002239 BRACKET
Repalced by: A 3814002639
140 A 3814002639 BRACKET
SPARE WHEEL CARRIER
144 A 3874030319 BASE BLOCK
A 3634030074 PIN
SPARE WHEEL CARRIER
A 3874030074 PIN
SPARE WHEEL CARRIER
148 N 000444016322 EYEBOLT
SPARE WHEEL CARRIER TO FRAME
148 N 000444016104 EYEBOLT
SPARE WHEEL CARRIER TO FRAME
A 3859900023 SCREW
Repalced by: A 6519900023
A 6519900023 SCREW
SPARE WHEEL CARRIER TO FRAME
153 N 912004016101 LOCK WASHER
SPARE WHEEL CARRIER TO FRAME
153 N 912004016101 LOCK WASHER
SPARE WHEEL CARRIER TO FRAME
157 N 000934016012 NUT
SPARE WHEEL CARRIER TO FRAME
157 N 000934016012 NUT
SPARE WHEEL CARRIER TO FRAME
157 N 000934016011 NUT
Repalced by: N 308673016001
157 N 308673016001 NUT
SPARE WHEEL CARRIER TO FRAME
N 000094004023 COTTER PIN
SPARE WHEEL CARRIER TO FRAME
N 000094004023 COTTER PIN
SPARE WHEEL CARRIER TO FRAME
N 007346004016 CLAMPING SLEEVE
SPARE WHEEL CARRIER TO FRAME
162 N 007349017002 WASHER
SUPPORT TO SPARE WHEEL CARRIER
162 N 007349019002 WASHER
SUPPORT TO SPARE WHEEL CARRIER
162 N 007349021001 WASHER
SUPPORT TO SPARE WHEEL CARRIER
166 N 912004016101 LOCK WASHER
SUPPORT TO SPARE WHEEL CARRIER
166 N 912004018101 LOCK WASHER
SUPPORT TO SPARE WHEEL CARRIER
166 N 912004020100 LOCK WASHER
SUPPORT TO SPARE WHEEL CARRIER
170 N 000934016011 NUT
Repalced by: N 308673016001
170 N 308673016001 NUT
SUPPORT TO SPARE WHEEL CARRIER
170 N 000934018006 NUT
SUPPORT TO SPARE WHEEL CARRIER
170 N 000934020008 NUT
Repalced by: N 308673020002
170 N 308673020002 NUT
Repalced by: N 308674020000
170 N 308674020000 NUT
SUPPORT TO SPARE WHEEL CARRIER
A 3354031301 SUPPORT
180 A 3874030701 SUPPORT
N 000961012151 SCREW
N 910113012002 NUT
N 910005012080 RIVET
CONSOLE TO FRAME
A 3609902201 SCREW
Repalced by: A 3529900802
A 3529900802 SCREW
SPARE WHEEL TO CROSS MEMBER
A 3529900802 SCREW
SPARE WHEEL TO CROSS MEMBER
A 3529900802 SCREW
SPARE WHEEL TO CROSS MEMBER
N 000440014100 WASHER
SPARE WHEEL TO CROSS MEMBER
N 000440014100 WASHER
SPARE WHEEL TO CROSS MEMBER
N 000440014100 WASHER
SPARE WHEEL TO CROSS MEMBER
N 910113012002 NUT
SPARE WHEEL TO CROSS MEMBER
N 910113012002 NUT
SPARE WHEEL TO CROSS MEMBER
N 910113012002 NUT
SPARE WHEEL TO CROSS MEMBER