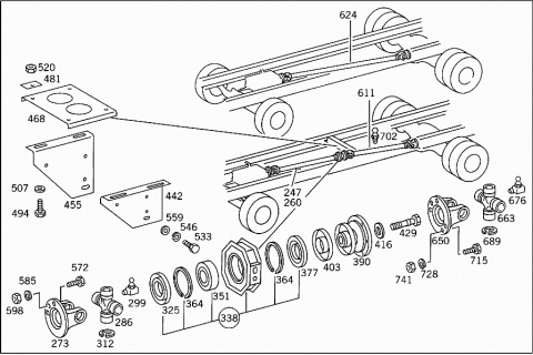
| 013 |
A 3854106407 |
PROPELLER SHAFT |
|
|
FROM TRANSMISSION TO TRANSFER CASE |
|
|
590 MM |
| 026 |
A 3854111711 |
DRIVE FLANGE |
| 039 |
A 3814100231 |
UNIVERSAL JOINT CROSS |
|
Repalced by: A 9734100031
|
| 039 |
A 9734100031 |
UNIVERSAL JOINT CROSS |
|
|
WITH BUSHINGS |
| 052 |
N 071412008302 |
GREASE NIPPLE |
| 065 |
A 0069940841 |
LOCK |
|
|
AS REQUIRED |
|
|
1.70 MM |
| 065 |
N 000472048000 |
LOCK RING |
|
|
AS REQUIRED |
|
|
1.75 MM |
| 065 |
A 0069941241 |
LOCK |
|
|
AS REQUIRED |
|
|
1.80 MM |
| 065 |
A 0069941441 |
LOCK |
|
|
AS REQUIRED |
|
|
1.85 MM |
| 065 |
A 0039943641 |
LOCK |
|
|
AS REQUIRED |
|
|
1.90 MM |
|
A 3854110059 |
SEAL RING |
|
|
PROTECTIVE TUBE |
| 078 |
N 071412008101 |
GREASE NIPPLE |
|
Repalced by: N 071412008102
|
| 078 |
N 071412008102 |
GREASE NIPPLE |
| 091 |
A 3609901901 |
SCREW |
|
Repalced by: A 3609903001
|
| 091 |
A 3609903001 |
SCREW |
|
|
PROPELLER SHAFT TO TRANSMISSION AND TO TRANSFER CASE |
| 104 |
N 912004012100 |
LOCK WASHER |
|
|
PROPELLER SHAFT TO TRANSMISSION AND TO TRANSFER CASE |
| 117 |
N 000934012034 |
NUT |
|
|
PROPELLER SHAFT TO TRANSMISSION AND TO TRANSFER CASE |
| 130 |
A 6744102102 |
PROPELLER SHAFT |
|
|
FROM TRANSFER CASE TO FRONT AXLE |
|
|
1151 MM |
| 143 |
A 3814110811 |
DRIVE FLANGE |
| 156 |
A 6174100031 |
UNIVERSAL JOINT CROSS |
|
Repalced by: A 0004104031
|
| 156 |
A 0004104031 |
UNIVERSAL JOINT CROSS |
|
|
WITH BUSHINGS |
| 169 |
N 071412008302 |
GREASE NIPPLE |
| 182 |
A 0059949441 |
LOCK |
|
Repalced by: N 000472042001
|
| 182 |
N 000472042001 |
LOCK RING |
|
|
AS REQUIRED |
|
|
1.750 MM |
| 182 |
A 0059949941 |
LOCK |
|
|
AS REQUIRED |
|
|
1.875 MM |
| 182 |
A 0069940441 |
LOCK |
|
|
AS REQUIRED |
|
|
2.000 MM |
|
A 3814110559 |
SEAL RING |
|
|
PROTECTIVE TUBE |
|
|
77X14.5 MM |
|
A 0004110059 |
SEAL RING |
|
|
PROTECTIVE TUBE |
|
|
74.5X22 MM |
| 195 |
N 071412008101 |
GREASE NIPPLE |
|
Repalced by: N 071412008102
|
| 195 |
N 071412008102 |
GREASE NIPPLE |
| 208 |
A 3529900401 |
SCREW |
|
Repalced by: A 3529904701
|
| 208 |
A 3529904701 |
SCREW |
|
Repalced by: A 0079901001
|
| 208 |
A 0079901001 |
SCREW |
|
|
PROPELLER SHAFT TO TRANSFER CASE AND TO FRONT AXLE |
| 221 |
N 912004010102 |
LOCK WASHER |
|
|
PROPELLER SHAFT TO TRANSFER CASE AND TO FRONT AXLE |
| 234 |
N 000934010010 |
NUT |
|
|
PROPELLER SHAFT TO TRANSFER CASE AND TO FRONT AXLE |
| 247 |
A 6744100804 |
PROPELLER SHAFT |
|
|
FROM TRANSMISSION TO INTERMEDIATE BEARING |
|
|
1284 MM |
| 247 |
A 6744100104 |
PROPELLER SHAFT |
|
|
FROM TRANSMISSION TO INTERMEDIATE BEARING |
|
|
1325 MM |
| 247 |
A 6744101104 |
PROPELLER SHAFT |
|
|
FROM TRANSMISSION TO INTERMEDIATE BEARING |
|
|
1693 MM |
| 247 |
A 6164100204 |
PROPELLER SHAFT |
|
|
FROM TRANSMISSION TO INTERMEDIATE BEARING |
|
|
2032 MM |
| 260 |
A 3854106304 |
PROPELLER SHAFT |
|
|
FROM TRANSMISSION TO INTERMEDIATE BEARING |
|
|
1272 MM |
| 260 |
A 3854106404 |
PROPELLER SHAFT |
|
|
FROM TRANSMISSION TO INTERMEDIATE BEARING |
|
|
1672 MM |
| 260 |
A 6164100004 |
PROPELLER SHAFT |
|
|
FROM TRANSMISSION TO INTERMEDIATE BEARING |
|
|
2022 MM |
| 273 |
A 3814110811 |
DRIVE FLANGE |
| 273 |
A 3854111711 |
DRIVE FLANGE |
| 286 |
A 6174100031 |
UNIVERSAL JOINT CROSS |
|
Repalced by: A 0004104031
|
| 286 |
A 0004104031 |
UNIVERSAL JOINT CROSS |
|
|
WITH BUSHINGS |
| 286 |
A 3814100231 |
UNIVERSAL JOINT CROSS |
|
Repalced by: A 9734100031
|
| 286 |
A 9734100031 |
UNIVERSAL JOINT CROSS |
|
|
WITH BUSHINGS |
| 299 |
N 071412008302 |
GREASE NIPPLE |
|
A 0069940641 |
LOCK |
|
|
AS REQUIRED |
|
|
1.65 MM |
| 312 |
A 0069940841 |
LOCK |
|
|
AS REQUIRED |
|
|
1.70 MM |
| 312 |
N 000472048000 |
LOCK RING |
|
|
AS REQUIRED |
|
|
1.75 MM |
| 312 |
A 0059949441 |
LOCK |
|
Repalced by: N 000472042001
|
| 312 |
N 000472042001 |
LOCK RING |
|
|
AS REQUIRED |
|
|
1.750 MM |
| 312 |
A 0069941241 |
LOCK |
|
|
AS REQUIRED |
|
|
1.80 MM |
| 312 |
A 0069941441 |
LOCK |
|
|
AS REQUIRED |
|
|
1.85 MM |
| 312 |
A 0059949941 |
LOCK |
|
|
AS REQUIRED |
|
|
1.875 MM |
| 312 |
A 0039943641 |
LOCK |
|
|
AS REQUIRED |
|
|
1.90 MM |
| 312 |
A 0069940441 |
LOCK |
|
|
AS REQUIRED |
|
|
2.000 MM |
| 325 |
A 3814130261 |
PROTECTIVE CAP |
| 325 |
A 3814130461 |
PROTECTIVE CAP |
| 325 |
A 3854130161 |
PROTECTIVE CAP |
| 325 |
A 3854130461 |
PROTECTIVE CAP |
| 338 |
A 3814100222 |
INTERMEDIATE BEARING |
|
Repalced by: A 3814101222
|
| 338 |
A 3814101222 |
INTERMEDIATE BEARING |
|
Repalced by: A 3814101522
|
| 338 |
A 3814101522 |
INTERMEDIATE BEARING |
|
|
PROPELLER SHAFT |
| 338 |
A 3854100122 |
INTERMEDIATE BEARING |
|
Repalced by: A 3854100922
|
| 338 |
A 3854100922 |
INTERMEDIATE BEARING |
|
Repalced by: A 3854101722
|
| 338 |
A 3854101722 |
INTERMEDIATE BEARING |
|
Repalced by: A 9734100022
|
| 338 |
A 9734100022 |
INTERMEDIATE BEARING |
|
|
PROPELLER SHAFT |
| 351 |
A 0019818625 |
BALL BEARING |
|
|
PROPELLER SHAFT BEARING |
| 351 |
A 0019818125 |
BALL BEARING |
|
Repalced by: A 0079818525
|
| 351 |
A 0079818525 |
BALL BEARING |
|
|
PROPELLER SHAFT BEARING |
| 364 |
A 0019948141 |
LOCK |
|
|
PROPELLER SHAFT BEARING |
| 364 |
N 912009100200 |
SNAP RING |
|
|
PROPELLER SHAFT BEARING |
| 377 |
A 3814130161 |
PROTECTIVE CAP |
|
|
PROPELLER SHAFT BEARING |
| 377 |
A 3854130061 |
PROTECTIVE CAP |
|
|
PROPELLER SHAFT BEARING |
|
A 9734110052 |
SPACER WASHER |
|
|
PROPELLER SHAFT BEARING |
| 390 |
A 3814100130 |
CENTERING FLANGE |
|
Repalced by: A 3814110145
|
|
A 3814110145 |
FLANGE |
|
|
PROPELLER SHAFT BEARING |
| 390 |
A 3854100030 |
CENTERING FLANGE |
|
Repalced by: A 3854110045
|
|
A 3854110045 |
FLANGE |
|
|
PROPELLER SHAFT BEARING |
| 403 |
A 3854130161 |
PROTECTIVE CAP |
| 403 |
A 3854130461 |
PROTECTIVE CAP |
| 403 |
A 3814130261 |
PROTECTIVE CAP |
| 403 |
A 3814130461 |
PROTECTIVE CAP |
| 416 |
A 3832820262 |
THRUST WASHER |
|
|
FOLLOWER FLANGE TO PROPELLER SHAFT |
| 416 |
A 3894110162 |
THRUST WASHER |
|
|
FOLLOWER FLANGE TO PROPELLER SHAFT |
| 429 |
A 3839900019 |
SCREW |
|
|
FOLLOWER FLANGE TO PROPELLER SHAFT |
| 442 |
A 3854137242 |
BRACKET |
|
|
PROPELLER SHAFT BEARING,LEFT |
| 442 |
A 3974130042 |
BRACKET |
|
|
PROPELLER SHAFT BEARING,LEFT |
| 442 |
A 3854135842 |
BRACKET |
|
|
PROPELLER SHAFT BEARING,LEFT |
| 442 |
A 3854134442 |
BRACKET |
|
|
PROPELLER SHAFT BEARING,LEFT |
| 442 |
A 3854137042 |
BRACKET |
|
|
PROPELLER SHAFT BEARING,LEFT |
| 442 |
A 3834130242 |
BRACKET |
|
|
PROPELLER SHAFT BEARING,LEFT |
| 455 |
A 3854137342 |
BRACKET |
|
|
PROPELLER SHAFT BEARING,RIGHT |
| 455 |
A 3974130142 |
BRACKET |
|
|
PROPELLER SHAFT BEARING,RIGHT |
| 455 |
A 3854135942 |
BRACKET |
|
|
PROPELLER SHAFT BEARING,RIGHT |
| 455 |
A 3854134542 |
BRACKET |
|
|
PROPELLER SHAFT BEARING,RIGHT |
| 455 |
A 3854137142 |
BRACKET |
|
|
PROPELLER SHAFT BEARING,RIGHT |
| 455 |
A 3834130342 |
BRACKET |
|
|
PROPELLER SHAFT BEARING,RIGHT |
| 468 |
A 3854130011 |
REINFORCEMENT |
|
|
BRACKET TO CROSS MEMBER |
| 481 |
A 3854130111 |
REINFORCEMENT |
|
|
BRACKET TO CROSS MEMBER |
| 494 |
N 000960010026 |
SCREW |
|
Repalced by: N 000961010031
|
| 494 |
N 000961010031 |
SCREW |
|
Repalced by: N 308676010023
|
| 494 |
N 308676010023 |
SCREW |
|
|
BRACKET TO CROSS MEMBER |
| 507 |
N 007349010003 |
WASHER |
|
Repalced by: N 007349010007
|
| 507 |
N 007349010007 |
WASHER |
|
|
BRACKET TO CROSS MEMBER |
| 520 |
N 913002010010 |
NUT |
|
|
BRACKET TO CROSS MEMBER |
| 533 |
N 000931010282 |
SCREW |
|
|
BRACKET TO HOUSING |
|
|
M 10X40 |
| 533 |
N 000931010282 |
SCREW |
|
|
BRACKET TO HOUSING |
|
|
M 10X40 |
| 533 |
N 000933010105 |
SCREW |
|
|
BRACKET TO HOUSING |
|
|
M 10X25 |
| 533 |
N 000933010105 |
SCREW |
|
|
BRACKET TO HOUSING |
|
|
M 10X25 |
| 546 |
N 912004010102 |
LOCK WASHER |
|
|
BRACKET TO HOUSING |
| 559 |
N 007349010003 |
WASHER |
|
Repalced by: N 007349010007
|
| 559 |
N 007349010007 |
WASHER |
|
|
BRACKET TO HOUSING |
| 572 |
A 3529900401 |
SCREW |
|
Repalced by: A 3529904701
|
| 572 |
A 3529904701 |
SCREW |
|
Repalced by: A 0079901001
|
| 572 |
A 0079901001 |
SCREW |
|
|
PROPELLER SHAFT TO TRANSMISSION |
| 572 |
A 3609901901 |
SCREW |
|
Repalced by: A 3609903001
|
| 572 |
A 3609903001 |
SCREW |
|
|
PROPELLER SHAFT TO TRANSMISSION |
| 585 |
N 912004010102 |
LOCK WASHER |
|
|
PROPELLER SHAFT TO TRANSMISSION |
| 585 |
N 912004012100 |
LOCK WASHER |
|
|
PROPELLER SHAFT TO TRANSMISSION |
| 598 |
N 000934010010 |
NUT |
|
|
PROPELLER SHAFT TO TRANSMISSION |
| 598 |
N 000934012034 |
NUT |
|
|
PROPELLER SHAFT TO TRANSMISSION |
| 611 |
A 6744101502 |
PROPELLER SHAFT |
|
|
FROM INTERMEDIATE BEARING TO REAR AXLE |
|
|
1108 MM |
| 611 |
A 6744100402 |
PROPELLER SHAFT |
|
|
FROM INTERMEDIATE BEARING TO REAR AXLE |
|
|
1108 MM |
| 611 |
A 6164100102 |
PROPELLER SHAFT |
|
|
FROM INTERMEDIATE BEARING TO REAR AXLE |
|
|
1918 MM |
| 611 |
A 6164100002 |
PROPELLER SHAFT |
|
|
FROM INTERMEDIATE BEARING TO REAR AXLE |
|
|
1970 MM |
| 611 |
A 3974100207 |
PROPELLER SHAFT |
|
|
FROM INTERMEDIATE BEARING TO REAR AXLE |
|
|
1035 MM |
| 611 |
A 3854107207 |
PROPELLER SHAFT |
|
|
FROM INTERMEDIATE BEARING TO REAR AXLE |
|
|
1620 MM |
| 611 |
A 3854103107 |
PROPELLER SHAFT |
|
|
FROM INTERMEDIATE BEARING TO REAR AXLE |
|
|
1825 MM |
| 611 |
A 6164100302 |
PROPELLER SHAFT |
|
|
FROM INTERMEDIATE BEARING TO REAR AXLE |
|
|
1867 MM |
| 624 |
A 6164100007 |
PROPELLER SHAFT |
|
|
FROM TRANSMISSION TO REAR AXLE |
|
|
1951 MM |
| 637 |
A 3854105307 |
PROPELLER SHAFT |
|
|
FROM TRANSFER CASE TO REAR AXLE |
|
|
1250 MM |
| 637 |
A 3854106207 |
PROPELLER SHAFT |
|
|
FROM TRANSFER CASE TO REAR AXLE |
|
|
815 MM |
| 650 |
A 3814110811 |
DRIVE FLANGE |
| 650 |
A 3854111711 |
DRIVE FLANGE |
| 663 |
A 6174100031 |
UNIVERSAL JOINT CROSS |
|
Repalced by: A 0004104031
|
| 663 |
A 0004104031 |
UNIVERSAL JOINT CROSS |
|
|
WITH BUSHINGS |
| 663 |
A 3814100231 |
UNIVERSAL JOINT CROSS |
|
Repalced by: A 9734100031
|
| 663 |
A 9734100031 |
UNIVERSAL JOINT CROSS |
|
|
WITH BUSHINGS |
| 676 |
N 071412008302 |
GREASE NIPPLE |
|
A 0069940641 |
LOCK |
|
|
AS REQUIRED |
|
|
1.65 MM |
| 689 |
A 0069940841 |
LOCK |
|
|
AS REQUIRED |
|
|
1.70 MM |
| 689 |
N 000472048000 |
LOCK RING |
|
|
AS REQUIRED |
|
|
1.75 MM |
| 689 |
A 0059949441 |
LOCK |
|
Repalced by: N 000472042001
|
| 689 |
N 000472042001 |
LOCK RING |
|
|
AS REQUIRED |
|
|
1.750 MM |
| 689 |
A 0069941241 |
LOCK |
|
|
AS REQUIRED |
|
|
1.80 MM |
| 689 |
A 0069941441 |
LOCK |
|
|
AS REQUIRED |
|
|
1.85 MM |
| 689 |
A 0059949941 |
LOCK |
|
|
AS REQUIRED |
|
|
1.875 MM |
| 689 |
A 0039943641 |
LOCK |
|
|
AS REQUIRED |
|
|
1.90 MM |
| 689 |
A 0069940441 |
LOCK |
|
|
AS REQUIRED |
|
|
2.000 MM |
|
A 3814110559 |
SEAL RING |
|
|
PROTECTIVE TUBE |
|
|
77X14.5 MM |
|
A 0004110059 |
SEAL RING |
|
|
PROTECTIVE TUBE |
|
|
74.5X22 MM |
|
A 3854110059 |
SEAL RING |
|
|
PROTECTIVE TUBE |
| 702 |
N 071412008101 |
GREASE NIPPLE |
|
Repalced by: N 071412008102
|
| 702 |
N 071412008102 |
GREASE NIPPLE |
| 715 |
A 3529900401 |
SCREW |
|
Repalced by: A 3529904701
|
| 715 |
A 3529904701 |
SCREW |
|
Repalced by: A 0079901001
|
| 715 |
A 0079901001 |
SCREW |
|
|
PROPELLER SHAFT TO PROPELLER SHAFT BEARING AND TO REAR AXLE |
| 715 |
A 3609901901 |
SCREW |
|
Repalced by: A 3609903001
|
| 715 |
A 3609903001 |
SCREW |
|
|
PROPELLER SHAFT TO PROPELLER SHAFT BEARING AND TO REAR AXLE |
| 715 |
A 3609903001 |
SCREW |
|
|
PROPELLER SHAFT TO TRANSMISSION AND TO REAR AXLE |
| 715 |
A 3609903001 |
SCREW |
|
|
PROPELLER SHAFT TO TRANSFER CASE AND TO REAR AXLE |
| 728 |
N 912004010102 |
LOCK WASHER |
|
|
PROPELLER SHAFT TO PROPELLER SHAFT BEARING AND TO REAR AXLE |
| 728 |
N 912004012100 |
LOCK WASHER |
|
|
PROPELLER SHAFT TO PROPELLER SHAFT BEARING AND TO REAR AXLE |
| 728 |
N 912004012100 |
LOCK WASHER |
|
|
PROPELLER SHAFT TO TRANSMISSION AND TO REAR AXLE |
| 728 |
N 912004012100 |
LOCK WASHER |
|
|
PROPELLER SHAFT TO TRANSFER CASE AND TO REAR AXLE |
| 741 |
N 000934010010 |
NUT |
|
|
PROPELLER SHAFT TO PROPELLER SHAFT BEARING AND TO REAR AXLE |
| 741 |
N 000934012034 |
NUT |
|
|
PROPELLER SHAFT TO PROPELLER SHAFT BEARING AND TO REAR AXLE |
| 741 |
N 000934012034 |
NUT |
|
|
PROPELLER SHAFT TO TRANSMISSION AND TO REAR AXLE |
| 741 |
N 000934012034 |
NUT |
|
|
PROPELLER SHAFT TO TRANSFER CASE AND TO REAR AXLE |