Pagrindinis meniu

Transporto priemonė: 1417 MBSA; VIN numerio dalis: 383017
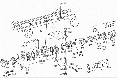
Grupė: 41 PROPELLER SHAFT
41149
41150
41151
41152
# Kodas Pavadinimas
030 A 3814101504 PROPELLER SHAFT
FROM TRANSMISSION TO INTERMEDIATE BEARING
1845 MM
030 A 3854106404 PROPELLER SHAFT
FROM TRANSMISSION TO INTERMEDIATE BEARING
1690 MM
030 A 3854106304 PROPELLER SHAFT
FROM TRANSMISSION TO INTERMEDIATE BEARING I
1290 MM
030 A 3974100104 PROPELLER SHAFT
FROM TRANSMISSION TO INTERMEDIATE BEARING
1690 MM
030 A 3974100304 PROPELLER SHAFT
FROM TRANSMISSION TO INTERMEDIATE BEARING I
1290 MM
040 A 3854106504 PROPELLER SHAFT
FROM INTERMEDIATE BEARING I TO INTERMEDIATE BEARING II
1451 MM
040 A 3974100204 PROPELLER SHAFT
FROM INTERMEDIATE BEARING I TO INTERMEDIATE BEARING II
1451 MM
050 A 3524110011 DRIVE FLANGE
050 A 3854111711 DRIVE FLANGE
050 A 3974110011 DRIVE FLANGE
065 A 3854100231 UNIVERSAL JOINT CROSS
WITH BUSHINGS
065 A 3814100231 UNIVERSAL JOINT CROSS
Repalced by: A 9734100031
065 A 9734100031 UNIVERSAL JOINT CROSS
WITH BUSHINGS
D 48X126 MM
065 A 0004100731 UNIVERSAL JOINT CROSS
WITH BUSHINGS
D 48X116.5 MM
070 N 071412008300 GREASE NIPPLE
M 8X1
070 N 071412010300 GREASE NIPPLE
M 10X1
090 A 3129941135 SNAP RING
AS REQUIRED
2.50 MM
090 A 3129941635 SNAP RING
AS REQUIRED
2.55 MM
090 A 3129941335 SNAP RING
AS REQUIRED
2.60 MM
090 A 3129941435 SNAP RING
AS REQUIRED
2.65 MM
090 A 3129941535 SNAP RING
AS REQUIRED
2.70 MM
105 A 0029941341 LOCK
Repalced by: A 0069940841
105 A 0069940841 LOCK
AS REQUIRED
1.70 MM
105 A 0029941741 LOCK
Repalced by: A 0069941241
105 A 0069941241 LOCK
AS REQUIRED
1.80 MM
105 A 0029941841 LOCK
Repalced by: A 0069941441
105 A 0069941441 LOCK
AS REQUIRED
1.85 MM
115 A 3814130261 PROTECTIVE CAP
115 A 3854130161 PROTECTIVE CAP
125 A 3814100030 CENTERING FLANGE
125 A 3854100030 CENTERING FLANGE
135 A 3814130261 PROTECTIVE CAP
OUTSIDE
135 A 3854130161 PROTECTIVE CAP
OUTSIDE
145 A 3529900150 NUT
150 A 3894110162 THRUST WASHER
155 A 3839900019 SCREW
160 A 3814100222 INTERMEDIATE BEARING
Repalced by: A 3814101222
160 A 3814101222 INTERMEDIATE BEARING
160 A 3854100922 INTERMEDIATE BEARING
170 A 0019818625 BALL BEARING
170 A 0019818125 BALL BEARING
180 A 0019948141 LOCK
180 N 912009100200 SNAP RING
195 A 3814130161 PROTECTIVE CAP
INSIDE
195 A 3854130161 PROTECTIVE CAP
INSIDE
210 A 3834130242 BRACKET
PROPELLER SHAFT BEARING TO CROSS MEMBER, LEFT FRONT
210 A 3834130042 BRACKET
PROPELLER SHAFT BEARING TO CROSS MEMBER, LEFT FRONT
225 A 3854134242 BRACKET
PROPELLER SHAFT BEARING TO CROSS MEMBER, LEFT FRONT
235 A 3854134842 BRACKET
PROPELLER SHAFT BEARING TO CROSS MEMBER,LEFT CENTRAL
240 A 3834130342 BRACKET
PROPELLER SHAFT BEARING TO CROSS MEMBER,RIGHT FRONT
240 A 3834130142 BRACKET
PROPELLER SHAFT BEARING TO CROSS MEMBER,RIGHT FRONT
250 A 3854134342 BRACKET
PROPELLER SHAFT BEARING TO CROSS MEMBER,RIGHT FRONT
255 A 3854134942 BRACKET
PROPELLER SHAFT BEARING TO CROSS MEMBER,RIGHT CENTRAL
260 A 3854130011 REINFORCEMENT
BRACKET TO CROSS MEMBER
265 A 3854130111 REINFORCEMENT
BRACKET TO CROSS MEMBER
270 N 000960010026 SCREW
BRACKET TO CROSS MEMBER
275 N 007349010007 WASHER
BRACKET TO CROSS MEMBER
280 N 913002010010 NUT
BRACKET TO CROSS MEMBER
285 N 007349010007 WASHER
FRONT PROPELLER SHAFT TO BRACKET
290 N 912004010102 LOCK WASHER
FRONT PROPELLER SHAFT TO BRACKET
295 N 000931010282 SCREW
FRONT PROPELLER SHAFT TO BRACKET
300 A 3974100007 PROPELLER SHAFT
FROM TRANSMISSION TO REAR AXLE
1884 MM
300 A 3974102502 PROPELLER SHAFT
FROM TRANSMISSION TO REAR AXLE
1890 MM
300 A 3854103107 PROPELLER SHAFT
FROM TRANSMISSION TO REAR AXLE
1825 MM
300 A 3974101502 PROPELLER SHAFT
FROM TRANSMISSION TO REAR AXLE
1828 MM
A 3814103402 PROPELLER SHAFT
Repalced by: A 6744101702
320 A 6744101702 PROPELLER SHAFT
FROM INTERMEDIATE BEARING I TO REAR AXLE
1762 MM
320 A 3854104807 PROPELLER SHAFT
FROM INTERMEDIATE BEARING I TO REAR AXLE
1670 MM
320 A 3974107502 PROPELLER SHAFT
FROM INTERMEDIATE BEARING I TO REAR AXLE
1670 MM
340 A 3974100207 PROPELLER SHAFT
FROM INTERMEDIATE BEARING II TO REAR AXLE
1035 MM
340 A 3974102002 PROPELLER SHAFT
FROM INTERMEDIATE BEARING II TO REAR AXLE
1035 MM
345 A 3524110011 DRIVE FLANGE
345 A 3814110811 DRIVE FLANGE
345 A 3854111711 DRIVE FLANGE
345 A 3974110011 DRIVE FLANGE
345 A 3974110311 DRIVE FLANGE
365 A 3854100231 UNIVERSAL JOINT CROSS
WITH BUSHINGS
365 A 6174100031 UNIVERSAL JOINT CROSS
WITH BUSHINGS
365 A 3814100231 UNIVERSAL JOINT CROSS
Repalced by: A 9734100031
365 A 9734100031 UNIVERSAL JOINT CROSS
WITH BUSHINGS
D 48X126 MM
365 A 0004100731 UNIVERSAL JOINT CROSS
D 48X116.5 MM
365 A 0004100631 UNIVERSAL JOINT CROSS
WITH BUSHINGS
D 42X104.5 MM
380 N 071412008300 GREASE NIPPLE
M 8X1
380 N 071412010300 GREASE NIPPLE
M 10X1
395 A 3129941135 SNAP RING
AS REQUIRED
2.50 MM
395 A 3129941635 SNAP RING
AS REQUIRED
2.55 MM
395 A 3129941335 SNAP RING
AS REQUIRED
2.60 MM
395 A 3129941435 SNAP RING
AS REQUIRED
2.65 MM
395 A 3129941535 SNAP RING
AS REQUIRED
2.70 MM
400 A 0059949441 LOCK
Repalced by: N 000472042001
400 N 000472042001 LOCK RING
AS REQUIRED
42X1.750 MM
400 N 000472042001 LOCK RING
AS REQUIRED
42X1.750 MM
400 A 0059949941 LOCK
AS REQUIRED
42X1.875 MM
400 A 0059949941 LOCK
AS REQUIRED
42X1.875 MM
400 A 0069940441 LOCK
AS REQUIRED
42X2.000 MM
400 A 0069940441 LOCK
AS REQUIRED
42X2.000 MM
400 A 0029941341 LOCK
Repalced by: A 0069940841
400 A 0069940841 LOCK
AS REQUIRED
48X1.700 MM
400 A 0029941741 LOCK
Repalced by: A 0069941241
400 A 0069941241 LOCK
AS REQUIRED
48X1.800 MM
400 A 0029941841 LOCK
Repalced by: A 0069941441
400 A 0069941441 LOCK
AS REQUIRED
48X1.850 MM
415 N 071412008100 GREASE NIPPLE
420 A 3814100180 BOOT
425 A 3214110053 WIRE RING
430 N 916002078100 CLAMP
78 MM
435 N 916002098100 CLAMP
98 MM
440 A 3529900401 SCREW
Repalced by: A 3529904701
440 A 3529904701 SCREW
TO MOUNT THE PROPELLER SHAFTS
445 A 3609901901 SCREW
Repalced by: A 3609903001
445 A 3609903001 SCREW
TO MOUNT THE PROPELLER SHAFTS
450 N 912004010102 LOCK WASHER
TO MOUNT THE PROPELLER SHAFTS
455 N 912004012100 LOCK WASHER
TO MOUNT THE PROPELLER SHAFTS
460 N 000934010010 NUT
TO MOUNT THE PROPELLER SHAFTS
465 N 000934012035 NUT
TO MOUNT THE PROPELLER SHAFTS
A 3834105602 PROPELLER SHAFT
Repalced by: A 6744102202
470 A 6744102202 PROPELLER SHAFT
FROM TRANSMISSION TO TRANSFER CASE
640 MM
470 A 3974100702 PROPELLER SHAFT
FROM TRANSMISSION TO TRANSFER CASE
675 MM
480 A 3544110011 DRIVE FLANGE
480 A 3814110811 DRIVE FLANGE
480 A 3974110211 DRIVE FLANGE
490 A 3854100131 UNIVERSAL JOINT CROSS
WITH BUSHINGS
490 A 6174100031 UNIVERSAL JOINT CROSS
WITH BUSHINGS
D 42X106 MM
490 A 0004100631 UNIVERSAL JOINT CROSS
WITH BUSHINGS
D 42X104.5 MM
495 N 071412008300 GREASE NIPPLE
M 8X1
495 N 071412010300 GREASE NIPPLE
M 10X1
510 A 3379945035 SNAP RING
AS REQUIRED
2.80 MM
510 A 3379945435 SNAP RING
AS REQUIRED
2.85 MM
510 A 3379945135 SNAP RING
AS REQUIRED
2.90 MM
510 A 3379945235 SNAP RING
AS REQUIRED
2.95 MM
510 A 3379945335 SNAP RING
AS REQUIRED
3.00 MM
515 A 0059949441 LOCK
Repalced by: N 000472042001
515 N 000472042001 LOCK RING
AS REQUIRED
1.750 MM
515 A 0059949941 LOCK
AS REQUIRED
1.875 MM
515 A 0069940441 LOCK
AS REQUIRED
2.000 MM
520 A 3814100180 BOOT
525 A 3214110053 WIRE RING
530 N 916002078100 CLAMP
78 MM
535 N 916002098100 CLAMP
98 MM
540 A 3854104607 PROPELLER SHAFT
FROM TRANSFER CASE TO REAR AXLE
1190 MM
540 A 3974102102 PROPELLER SHAFT
FROM TRANSFER CASE TO REAR AXLE
1200 MM
550 A 3854111711 DRIVE FLANGE
550 A 3974110011 DRIVE FLANGE
560 A 3814100231 UNIVERSAL JOINT CROSS
Repalced by: A 9734100031
560 A 9734100031 UNIVERSAL JOINT CROSS
WITH BUSHINGS
D 48X126 MM
560 A 0004100731 UNIVERSAL JOINT CROSS
WITH BUSHINGS
D 48X116.5 MM
570 N 071412008300 GREASE NIPPLE
M 8X1
570 N 071412010300 GREASE NIPPLE
M 10X1
580 A 0029941341 LOCK
Repalced by: A 0069940841
580 A 0069940841 LOCK
AS REQUIRED
1.70 MM
580 A 0029941741 LOCK
Repalced by: A 0069941241
580 A 0069941241 LOCK
AS REQUIRED
1.80 MM
580 A 0029941841 LOCK
Repalced by: A 0069941441
580 A 0069941441 LOCK
AS REQUIRED
1.85 MM
585 N 071412008100 GREASE NIPPLE
A 3814106902 PROPELLER SHAFT
Repalced by: A 6744101502
590 A 6744101502 PROPELLER SHAFT
FROM TRANSFER CASE TO FRONT AXLE
1108 MM
590 A 3974100802 PROPELLER SHAFT
FROM TRANSFER CASE TO FRONT AXLE
1125 MM
600 A 3524110011 DRIVE FLANGE
600 A 3814110811 DRIVE FLANGE
600 A 3974110211 DRIVE FLANGE
610 A 3854100231 UNIVERSAL JOINT CROSS
WITH BUSHINGS
610 A 6174100031 UNIVERSAL JOINT CROSS
WITH BUSHINGS
D 42X106 MM
610 A 0004100631 UNIVERSAL JOINT CROSS
WITH BUSHINGS
D 42X104.5 MM
620 N 071412008300 GREASE NIPPLE
M 8X1
620 N 071412010300 GREASE NIPPLE
M 10X1
630 A 3129941135 SNAP RING
AS REQUIRED
2.50 MM
630 A 3129941635 SNAP RING
AS REQUIRED
2.55 MM
630 A 3129941335 SNAP RING
AS REQUIRED
2.60 MM
630 A 3129941435 SNAP RING
AS REQUIRED
2.65 MM
630 A 3129941535 SNAP RING
AS REQUIRED
2.70 MM
630 A 3129941735 SNAP RING
AS REQUIRED
2.75 MM
635 A 0059949441 LOCK
Repalced by: N 000472042001
635 N 000472042001 LOCK RING
AS REQUIRED
1.750 MM
635 A 0059949941 LOCK
AS REQUIRED
1.875 MM
635 A 0069940441 LOCK
AS REQUIRED
2.000 MM
640 A 3814100180 BOOT
645 A 3214110053 WIRE RING
650 N 916002078100 CLAMP
78 MM
655 N 916002098100 CLAMP
98 MM
670 A 3609901901 SCREW
Repalced by: A 3609903001
670 A 3609903001 SCREW
PROPELLER SHAFT TO TRANSFER CASE AND TO REAR AXLE
680 N 912004012100 LOCK WASHER
PROPELLER SHAFT TO TRANSFER CASE AND TO REAR AXLE
690 N 000934012034 NUT
PROPELLER SHAFT TO TRANSFER CASE AND TO REAR AXLE
700 A 3529900401 SCREW
Repalced by: A 3529904701
700 A 3529904701 SCREW
PROPELLER SHAFT TO TRANSMISSION, TRANSFER CASE & FRONT AXLE
10X30 MM
710 N 912004010102 LOCK WASHER
PROPELLER SHAFT TO TRANSMISSION, TRANSFER CASE & FRONT AXLE
720 N 000934010010 NUT
PROPELLER SHAFT TO TRANSMISSION, TRANSFER CASE & FRONT AXLE