Pagrindinis meniu

Transporto priemonė: 1419 AS; VIN numerio dalis: 383154
Grupė: 42 BRAKES
44157
44158
44159
44160
44161
44162
44163
44164
44165
44166
# Kodas Pavadinimas
T YYYYYYYYYYYY PART NAME MISSING
FOR FRONT WHEEL BRAKE,SEE UNIT PARTS LIST:
730.0
T YYYYYYYYYYYY PART NAME MISSING
FOR FRONT WHEEL BRAKE,SEE UNIT PARTS LIST:
731.4
T YYYYYYYYYYYY PART NAME MISSING
FOR REAR WHEEL BRAKE, SEE PARTS LIST:
740.1
010 A 0004294338 ELBOW FITTING
010 A 0004294338 ELBOW FITTING
012 N 074305026202 NUT
012 N 074305026202 NUT
014 A 0004290527 THRUST RING
014 A 0004290527 THRUST RING
A 0039973848 SEAL RING
A 0039973848 SEAL RING
020 A 0004291401 LINE
15 MM
025 N 915018015000 UNION NUT
027 N 003861015004 GLAND
029 N 915065015101 THRUST RING
031 A 0004292084 SEAL RING
Repalced by: N 915045012100
031 N 915045012100 SEAL RING
Repalced by: N 007603012121
031 N 007603012121 SEAL RING
N 074298022203 DOUBLE FITTING
035 A 0009909671 ELBOW FITTING
Repalced by: A 0029901271
035 A 0029901271 ELBOW FITTING
FITTING TO FRAME SIDE MEMBER
N 003941015101 FITTING
FITTING TO FRAME SIDE MEMBER
037 N 074305022202 NUT
FITTING TO FRAME SIDE MEMBER
A 3609952001 CLAMP
Repalced by: A 6739950001
A 6739950001 CLAMP
BRACKET TO ENGINE
N 000000001147 SCREW
BRACKET TO ENGINE
M 6X20
N 912004006102 LOCK WASHER
BRACKET TO ENGINE
N 913004006002 NUT
Repalced by: N 913004006001
N 913004006001 NUT
BRACKET TO ENGINE
A 3859901540 WASHER
040 A 0004292101 LINE
12 MM
045 N 003870012014 UNION NUT
047 N 003861012007 GLAND
Repalced by: A 0019901967
047 A 0019901967 SEAL CONE
049 N 074317012300 FITTING
051 A 0109975982 HOSE
Repalced by: A 0009872827
051 A 0009872827 PLASTIC PIPE
12 MM
A 0049971772 FITTING
Repalced by: A 0029906171
A 0029906171 FITTING
(PARTS KIT),LINE RUPTURE
TO 010 997 17 72
N 040621013200 INSULATING HOSE
BLACK
13X0.8 MM
N 040621010200 INSULATING HOSE
BLACK
10X0.7 MM
053 N 915017012100 UNION NUT
055 N 003861012007 GLAND
Repalced by: A 0019901967
055 A 0019901967 SEAL CONE
058 A 0009921505 BUSHING
Repalced by: N 915062009000
058 N 915062009000 SLEEVE
N 915052009009 BANJO UNION
N 074317012300 FITTING
N 074313012304 FITTING
N 080705018002 NUT
070 A 0089979082 HOSE
8 MM
072 N 040621008207 INSULATING HOSE
RED
8 MM
N 040621008206 INSULATING HOSE
BLUE
8 MM
080 N 915017008100 UNION NUT
082 N 003861008005 GLAND
084 N 915062006000 SLEEVE
086 N 915052006021 BANJO UNION
HOSE WIDTH, / I.D.,
6/14 MM
N 915052006014 BANJO UNION
HOSE WIDTH, / I.D.,
6/16 MM
A 0019976772 FITTING
Repalced by: N 915059006000
N 915059006002 FITTING
095 A 0089976082 HOSE
Repalced by: A 0009872627
095 A 0009872627 PLASTIC PIPE
BLACK
4X6 MM
097 N 040621006203 INSULATING HOSE
RED
6 MM
100 N 915017006100 UNION NUT
102 N 003861006007 GLAND
Repalced by: A 0019901667
102 A 0019901667 SEAL CONE
104 A 0009920105 BUSHING
Repalced by: N 915062004000
104 N 915062004000 SLEEVE
A 0019978490 LOOM TIE
A 3854311840 BRACKET
MOUNTING USED FOR COMPRESSED AIR LINES
A 3604292940 BRACKET
MOUNTING USED FOR COMPRESSED AIR LINES
N 304014008004 SCREW
Repalced by: N 304014008001
N 304014008001 SCREW
MOUNTING USED FOR COMPRESSED AIR LINES
N 000125008418 WASHER
Repalced by: N 000125008443
N 000125008443 WASHER
MOUNTING USED FOR COMPRESSED AIR LINES
N 913004008004 NUT
Repalced by: N 913004008001
N 913004008001 NUT
MOUNTING USED FOR COMPRESSED AIR LINES
A 3874292740 BRACKET
PRESSURE GAUGE LINE TO BRACKET
107 A 3874291540 BRACKET
PRESSURE GAUGE LINE TO BRACKET
110 A 3874291140 BRACKET
FUEL LINE TO CAB CONSOLE
112 N 000933008147 SCREW
Repalced by: N 304017008021
112 N 304017008021 SCREW
FUEL LINE TO CAB CONSOLE
113 N 913004008004 NUT
Repalced by: N 913004008001
113 N 913004008001 NUT
FUEL LINE TO CAB CONSOLE
115 A 3874292540 BRACKET
LEFT
A 3874292640 BRACKET
RIGHT
116 N 000933008145 SCREW
117 N 913004008004 NUT
Repalced by: N 913004008001
117 N 913004008001 NUT
A 3609952001 CLAMP
Repalced by: A 6739950001
A 6739950001 CLAMP
MOUNTING USED FOR COMPRESSED AIR LINES
N 007985006193 SCREW
Repalced by: N 000000001146
N 000000001146 SCREW
MOUNTING USED FOR COMPRESSED AIR LINES
N 913004006002 NUT
Repalced by: N 913004006001
N 913004006001 NUT
MOUNTING USED FOR COMPRESSED AIR LINES
A 3524281740 BRACKET
Repalced by: A 3184280240
A 3184280240 BRACKET
MOUNTING USED FOR COMPRESSED AIR LINES
N 000933008153 SCREW
Repalced by: N 304017008034
N 304017008034 SCREW
MOUNTING USED FOR COMPRESSED AIR LINES
N 913004008004 NUT
Repalced by: N 913004008001
N 913004008001 NUT
MOUNTING USED FOR COMPRESSED AIR LINES
118 A 3274925419 BRACKET
Repalced by: A 6205240340
118 A 6205240340 BRACKET
PLASTIC LINE TO FRONT CROSS MEMBER
118B N 000933008153 SCREW
Repalced by: N 304017008034
118B N 304017008034 SCREW
PLASTIC LINE TO FRONT CROSS MEMBER
118C N 913004008004 NUT
Repalced by: N 913004008001
118C N 913004008001 NUT
PLASTIC LINE TO FRONT CROSS MEMBER
118D N 000125008418 WASHER
Repalced by: N 000125008443
118D N 000125008443 WASHER
PLASTIC LINE TO FRONT CROSS MEMBER
119 A 0004290086 PROTECTIVE TUBE
Repalced by: A 0004290286
119 A 0004290286 PROTECTIVE TUBE
PLASTIC LINE TO FRONT CROSS MEMBER
A 3604292940 BRACKET
PLASTIC LINES TO FRAME
N 000933008147 SCREW
Repalced by: N 304017008021
N 304017008021 SCREW
PLASTIC LINES TO FRAME
N 913004008004 NUT
Repalced by: N 913004008001
N 913004008001 NUT
PLASTIC LINES TO FRAME
120 A 3854200244 PROTECTIVE PLATE
Repalced by: A 3854200644
120 A 3854200644 PROTECTIVE PLATE
Repalced by: A 3854201544
120 A 3854201544 PROTECTIVE PLATE
HEAT INSULATION; PLASTIC LINES; ON THE LEFT
120 A 3854200244 PROTECTIVE PLATE
Repalced by: A 3854200744
120 A 3854200744 PROTECTIVE PLATE
Repalced by: A 3854201444
120 A 3854201444 PROTECTIVE PLATE
HEAT INSULATION;PLASTIC LINES;ON THE RIGHT
N 000933008153 SCREW
Repalced by: N 304017008034
N 304017008034 SCREW
HEAT SHIELD TO SIDE MEMBER
N 000125008418 WASHER
Repalced by: N 000125008443
N 000125008443 WASHER
HEAT SHIELD TO SIDE MEMBER
N 913004008004 NUT
Repalced by: N 913004008001
N 913004008001 NUT
HEAT SHIELD TO SIDE MEMBER
A 0004294137 DISTRIBUTOR
125 A 0004294037 DISTRIBUTOR
126 N 000125006421 WASHER
DISTRIBUTOR TO CAB
127 N 304017006026 SCREW
Repalced by: N 304017006026
127 N 304017006026 SCREW
DISTRIBUTOR TO CAB
128 N 913004006002 NUT
Repalced by: N 913004006001
128 N 913004006001 NUT
DISTRIBUTOR TO CAB
A 6204295240 BRACKET
AT CAB FLOOR
N 913004006002 NUT
Repalced by: N 913004006001
N 913004006001 NUT
AT CAB FLOOR
130 A 0009971572 FITTING
Repalced by: A 0019972572
130 A 0019972572 FITTING
N 915036012203 HOLLOW SCREW
AT DISTRIBUTOR
N 915039008202 HOLLOW SCREW FITTING
DISTRIBUTOR,CONNECTIONS:
"10,20,30"
N 915047008202 HOLLOW SCREW
DISTRIBUTOR,CONNECTION:
"10"
N 007603016401 SEAL RING
AT DISTRIBUTOR
135 N 007603012405 SEAL RING
AT DISTRIBUTOR
137 N 000908012003 SCREW PLUG
Repalced by: N 000908012009
137 N 000908012009 SCREW PLUG
AT DISTRIBUTOR
138 A 3404201529 LINE
FROM BRAKE MASTER CYLINDER TO TEST CONNECTION
900 MM
138 A 3404201529 LINE
FROM BRAKE MASTER CYLINDER TO TEST CONNECTION
900 MM
139 A 3404204029 LINE
FROM MASTER CYLINDER TO FRONT AXLE TEST CONNECTION
2600 MM
A 3404203529 LINE
FROM MASTER CYLINDER TO FRONT AXLE TEST CONNECTION
1900 MM
A 3404204229 LINE
FROM MASTER CYLINDER TO FRONT AXLE TEST CONNECTION
3000 MM
139B A 3404200529 LINE
FROM TEST CONNECTION TO VALVE
400 MM
140 A 3879970181 GROMMET
BRAKE LINE
A 0039973481 GROMMET
BRAKE LINE
A 3859970381 GROMMET
BRAKE LINE
A 0004290437 DISTRIBUTOR
148 A 0004312231 TEST CONNECTION
FRONT AXLE BRAKE CIRCUIT I
A 0004316531 TEST CONNECTION
FRONT AXLE BRAKE CIRCUIT I
149 A 0004311231 TEST CONNECTION
FRONT AXLE BRAKE CIRCUIT I
149 A 0004316631 TEST CONNECTION
FRONT AXLE BRAKE CIRCUIT I
A 3604292440 BRACKET
Repalced by: A 3604292940
A 3604292940 BRACKET
BRACKET TO CROSS MEMBER BEHIND CAB
N 000933008153 SCREW
Repalced by: N 304017008034
N 304017008034 SCREW
BRACKET TO CROSS MEMBER BEHIND CAB
N 000931008246 SCREW
Repalced by: N 304017008028
N 304017008028 SCREW
TEST CONNECTION TO BRACKET
N 913004008004 NUT
Repalced by: N 913004008001
N 913004008001 NUT
150 A 3604280243 ANGLE
BRAKE LINE TO CROSS MEMBER BEHIND CAB
152 N 000933008147 SCREW
Repalced by: N 304017008021
152 N 304017008021 SCREW
BRAKE LINE TO CROSS MEMBER BEHIND CAB
M 8X20
154 N 913004008004 NUT
Repalced by: N 913004008001
154 N 913004008001 NUT
BRAKE LINE TO CROSS MEMBER BEHIND CAB
A 3604300143 CLAMP
Repalced by: N 916016008200
N 916016008200 CLAMP
BRAKE LINE TO CROSS MEMBER BEHIND CAB
N 000000001147 SCREW
BRAKE LINE TO CROSS MEMBER BEHIND CAB
M 6X20
N 913004006002 NUT
Repalced by: N 913004006001
N 913004006001 NUT
BRAKE LINE TO CROSS MEMBER BEHIND CAB
A 1801550053 SPACER TUBE
TEST CONNECTION TO BRACKET
155 A 0004314513 VALVE
PRESSURE REGULATOR
155 A 0004314613 VALVE
PRESSURE REGULATOR
A 0019970341 SEAL RING
TO 000 431 46 13
A 0019970441 SEAL RING
TO 000 431 46 13
A 0209975948 SEAL RING
TO 000 431 46 13
A 0069974548 SEAL RING
Repalced by: A 0019975945
A 0019975945 SEAL RING
25 X 2.5,TO 000 431 46 13
A 0000600178 VALVE
Repalced by: A 3075530107
A 3075530107 VALVE
TO 000 431 46 13
155B A 0004280032 SCREW PLUG
CONNECTIONS:
"1","2"
155D N 000931008251 SCREW
REGULATING VALVE TO BRACKET
155E N 913004008004 NUT
Repalced by: N 913004008001
155E N 913004008001 NUT
REGULATING VALVE TO BRACKET
A 3854315540 BRACKET
(REGULATING VALVE)
155K N 000933008153 SCREW
Repalced by: N 304017008034
155K N 304017008034 SCREW
VALVE TO CROSS MEMBER
155L N 913004008004 NUT
Repalced by: N 913004008001
155L N 913004008001 NUT
VALVE TO CROSS MEMBER
155N N 000933010105 SCREW
VALVE TO CROSS MEMBER
155P N 913004010008 NUT
Repalced by: N 910113010000
155P N 910113010000 NUT
VALVE TO CROSS MEMBER
156 A 3404203829 LINE
FROM TEST CONNECTION TO BRAKE HOSE, FRONT AXLE
2200 MM
157 A 3404202929 LINE
FROM VALVE TO LEFT FRONT WHEEL
1600 MM
A 3404202329 LINE
FROM TEST CONNECTION TO LEFT FRONT WHEEL BRAKE HOSE
1300 MM
A 3404202529 LINE
FROM TEST CONNECTION TO LEFT FRONT WHEEL BRAKE HOSE
1400 MM
A 3404202729 LINE
FROM TEST CONNECTION TO LEFT FRONT WHEEL BRAKE HOSE
1500 MM
158 A 3404203129 LINE
FROM TEST CONNECTION TO BRAKE HOSE, FRONT AXLE
1700 MM
159 A 3404204129 LINE
FROM TEST CONNECTION TO RIGHT FRONT WHEEL BRAKE HOSE
2800 MM
A 3404203929 LINE
FROM TEST CONNECTION TO RIGHT FRONT WHEEL BRAKE HOSE
2400 MM
A 3404202929 LINE
FROM TEST CONNECTION TO RIGHT FRONT WHEEL BRAKE HOSE
1600 MM
159D A 3404200729 LINE
FROM VALVE TO TEST CONNECTION
500 MM
160 A 3859970081 GROMMET
A 3854280040 BRACKET
Repalced by: A 3854280240
165 A 3854280240 BRACKET
LEFT BRAKE HOSE
A 3854280340 BRACKET
RIGHT BRAKE HOSE
165B A 3854280140 BRACKET
BRAKE HOSE,FRONT
166 N 000933008147 SCREW
Repalced by: N 304017008021
166 N 304017008021 SCREW
BRACKET TO SIDE MEMBER
M 8X20
166 N 000933008153 SCREW
Repalced by: N 304017008034
166 N 304017008034 SCREW
BRACKET TO SIDE MEMBER
M 8X25
167 N 913004008004 NUT
Repalced by: N 913004008001
167 N 913004008001 NUT
BRACKET TO SIDE MEMBER
167B A 0014282935 BRAKE HOSE
Repalced by: A 0004288935
167B A 0004288935 BRAKE HOSE
650 MM
167B A 0014284835 BRAKE HOSE
650 MM
A 0024280135 BRAKE HOSE
700 MM
167B A 0024280235 BRAKE HOSE
700 MM
A 0004280473 BRACKET
Repalced by: A 6525040038
167D A 6525040038 MOUNTING PLATE
167F A 3404201129 LINE
FROM BRAKE MASTER CYLINDER TO TEST CONNECTION
700 MM
167F A 3404201129 LINE
FROM MASTER CYLINDER TO CONNECTOR
700 MM
A 3404201929 LINE
FROM BRAKE MASTER CYLINDER TO TEST CONNECTION
1100 MM
A 3404201929 LINE
FROM MASTER CYLINDER TO CONNECTOR
1100 MM
167H A 0004292736 CONNECTOR
167K A 3404204329 LINE
FROM CONNECTOR TO TEST CONNECTION
3200 MM
167K A 3404204529 LINE
FROM CONNECTOR TO TEST CONNECTION
3600 MM
167K A 3404204829 LINE
FROM CONNECTOR TO TEST CONNECTION
4200 MM
167K A 3404205129 LINE
FROM CONNECTOR TO TEST CONNECTION
4800 MM
167K A 3404205329 LINE
FROM CONNECTOR TO TEST CONNECTION
5200 MM
168 A 0004311231 TEST CONNECTION
REAR AXLE BRAKE CIRCUIT
168 A 0004316631 TEST CONNECTION
REAR AXLE BRAKE CIRCUIT
A 3854310153 SPACER TUBE
Repalced by: A 4409910040
A 4409910040 SPACER TUBE
TEST CONNECTION TO SIDE MEMBER
N 000931008251 SCREW
TEST CONNECTION TO SIDE MEMBER
M 8X75
169 A 1801550053 SPACER TUBE
TEST CONNECTION TO SIDE MEMBER
170 N 000931008322 SCREW
TEST CONNECTION TO SIDE MEMBER
M 8X80
171 N 000125008418 WASHER
Repalced by: N 000125008443
171 N 000125008443 WASHER
TEST CONNECTION TO SIDE MEMBER
172 N 913004008004 NUT
Repalced by: N 913004008001
172 N 913004008001 NUT
TEST CONNECTION TO SIDE MEMBER
179 A 3404204129 LINE
FROM TEST CONNECTION TO BRAKE POWER REGULATOR
2800 MM
179 A 3404204329 LINE
FROM TEST CONNECTION TO BRAKE POWER REGULATOR
3200 MM
179 A 3404204629 LINE
FROM TEST CONNECTION TO BRAKE POWER REGULATOR
3800 MM
179 A 3404204929 LINE
FROM TEST CONNECTION TO BRAKE POWER REGULATOR
4400 MM
179 A 3404205129 LINE
FROM TEST CONNECTION TO BRAKE POWER REGULATOR
4800 MM
179B A 3404201729 LINE
FROM TEST CONNECTION TO BRAKE POWER REGULATOR
1000 MM
A 3834310340 BRACKET
Repalced by: A 3834300039
180 A 3834300039 SUPPORT
BRAKE POWER REGULATOR
N 000961012097 SCREW
Repalced by: N 308676012026
N 308676012026 SCREW
BRAKE POWER REGULATOR TO RIGHT SIDE MEMBER
N 000961012122 SCREW
BRACKET TO RIGHT SIDE MEMBER
N 910113012002 NUT
185 A 0004314312 BRAKE PRESSURE REGULATOR
185 A 0004314312 BRAKE PRESSURE REGULATOR
A 0004314412 BRAKE PRESSURE REGULATOR
A 0004317512 BRAKE PRESSURE REGULATOR
A 0004312339 LEVER
TOOTHED
A 0004312339 LEVER
TOOTHED
A 0004312439 LEVER
186 A 0004312713 GUIDE BUSHING
TO 000 431 43 12,000 431 44 12
187 A 0004316583 PISTON
TO 000 431 43 12,000 431 44 12
188 A 0109975845 SEAL RING
TO 000 431 43 12,000 431 44 12
189 A 0004310949 GUIDE BUSHING
TO 000 431 43 12,000 431 44 12
190 A 0004318760 FELT STRIP
TO 000 431 43 12,000 431 44 12
191 A 0089975646 SEAL RING
TO 000 431 43 12,000 431 44 12
192 A 0004318560 SEAL RING
TO 000 431 43 12,000 431 44 12
193 A 0004310968 VALVE PART
Repalced by: A 0004311068
193 A 0004311068 VALVE PART
TO 000 431 43 12,44 12,75 12
A 0014315793 SPRING
TO 000 431 44 12,43 12,75 12
A 0004311049 GUIDE BUSHING
TO 000 431 43 12,000 431 44 12
A 0029937201 SPRING
TO 000 431 43 12,000 431 44 12
194E N 007603018101 SEAL RING
TO 000 431 43 12,44 12,75 12
194C A 0004310465 VALVE
Repalced by: A 0004310265
194C A 0004310265 VALVE
Repalced by: A 3075530107
194C A 3075530107 VALVE
TO 000 431 43 12,44 12,75 12
194E N 000931010258 SCREW
194F N 913004010008 NUT
Repalced by: N 910113010000
194F N 910113010000 NUT
195 A 3834310140 BRACKET
195 A 3834310140 BRACKET
A 3834310440 BRACKET
METAL SPRING BELLOWS
A 3834310440 BRACKET
METAL SPRING BELLOWS
A 3854317840 BRACKET
METAL SPRING BELLOWS
200 A 3554310484 SHIM
A 3859901940 WASHER
202 N 000933010128 SCREW
BRACKET TO REAR AXLE HOUSING
202 N 000933010128 SCREW
BRACKET TO REAR AXLE HOUSING
202 N 000933010128 SCREW
BRACKET TO REAR AXLE HOUSING
N 000961012151 SCREW
BRACKET TO REAR AXLE HOUSING
203 N 912004010102 LOCK WASHER
BRACKET TO REAR AXLE HOUSING
203 N 912004010102 LOCK WASHER
BRACKET TO REAR AXLE HOUSING
203 N 912004010102 LOCK WASHER
BRACKET TO REAR AXLE HOUSING
N 912004012100 LOCK WASHER
BRACKET TO REAR AXLE HOUSING
A 3854230025 WEB
N 000933008147 SCREW
Repalced by: N 304017008021
N 304017008021 SCREW
N 000125008418 WASHER
Repalced by: N 000125008443
N 000125008443 WASHER
N 913004008004 NUT
Repalced by: N 913004008001
N 913004008001 NUT
A 0004311418 METAL SPRING BELLOWS
Repalced by: A 0004311718
A 0004311718 METAL SPRING BELLOWS
N 000933012058 SCREW
METAL SPRING BELLOWS TO BRACKET
N 000961012056 SCREW
Repalced by: N 308676012038
N 308676012038 SCREW
METAL SPRING BELLOWS TO BRACKET
N 912004012100 LOCK WASHER
METAL SPRING BELLOWS TO BRACKET
210 A 3534300792 ROD
Repalced by: N 900331008427
A 3814300092 ROD
Repalced by: N 900331008427
211 N 900331008427 PULL ROD
212 A 0004310567 YOKE
Repalced by: A 0004310467
212 A 0004310467 YOKE
Repalced by: A 0004310667
212 A 0004310667 YOKE
R.H. THREAD
212 A 0004310867 YOKE
L.H. THREAD
214 N 304032008006 NUT
R.H. THREAD
214 N 000934008035 NUT
L.H. THREAD
215 N 913004008004 NUT
Repalced by: N 913004008001
215 N 913004008001 NUT
222 A 3404200729 LINE
FROM BRAKE POWER REGULATOR TO REAR BRAKE HOSE
500 MM
222 A 3404200729 LINE
BRAKE POWER REGULATOR TO RIGHT SIDE MEMBER
500 MM
222B A 3404201229 LINE
FROM BRAKE POWER REGULATOR TO DISTRIBUTOR
750 MM
222D A 0004290437 DISTRIBUTOR
REAR AXLE
222D A 0004294337 DISTRIBUTOR
REAR AXLE
222F N 000933008168 SCREW
DISTRIBUTOR TO BRACKET
222H N 913004008004 NUT
Repalced by: N 913004008001
222H N 913004008001 NUT
DISTRIBUTOR TO BRACKET
222L A 3604292940 BRACKET
DISTRIBUTOR
222M N 000933008153 SCREW
Repalced by: N 304017008034
222M N 304017008034 SCREW
BRACKET TO RIGHT SIDE MEMBER
222N N 913004008004 NUT
Repalced by: N 913004008001
222N N 913004008001 NUT
BRACKET TO RIGHT SIDE MEMBER
222P A 0014311612 BRAKE PRESSURE REGULATOR
222P A 0014311712 BRAKE PRESSURE REGULATOR
222R N 000933008131 SCREW
BRAKE POWER REGULATOR TO BRACKET
222S N 912004008102 LOCK WASHER
BRAKE POWER REGULATOR TO BRACKET
222U A 3804310340 BRACKET
BRACKET TO REAR AXLE
222W A 3404204329 LINE
FROM DISTRIBUTOR TO VALVE
3200 MM
222W A 3404204529 LINE
FROM DISTRIBUTOR TO VALVE
3600 MM
222W A 3404204829 LINE
FROM DISTRIBUTOR TO VALVE
4200 MM
222W A 3404205129 LINE
FROM DISTRIBUTOR TO VALVE
4800 MM
222W A 3404205329 LINE
FROM DISTRIBUTOR TO VALVE
5200 MM
A 3404201929 LINE
FROM DISTRIBUTOR TO BRAKE HOSE ON REAR AXLE
1100 MM
222X A 3404200929 LINE
FROM DISTRIBUTOR TO BRAKE POWER REGULATOR
600 MM
222Z A 3404200729 LINE
FROM BRAKE POWER REGULATOR TO REAR BRAKE HOSE
1250 MM
223 A 3224280140 BRACKET
224 N 000933008147 SCREW
Repalced by: N 304017008021
224 N 304017008021 SCREW
225 N 913004008004 NUT
Repalced by: N 913004008001
225 N 913004008001 NUT
233 A 0004284335 BRAKE HOSE
Repalced by: A 0024280735
233 A 0024280635 BRAKE HOSE
Repalced by: A 0024280735
233 A 0014283135 BRAKE HOSE
Repalced by: A 0024280735
233 A 0014282935 BRAKE HOSE
Repalced by: A 0024280735
233 A 0024280735 BRAKE HOSE
600 MM
233 A 0024280735 BRAKE HOSE
600 MM
233 A 0024280535 BRAKE HOSE
500 MM
233 A 0014285535 BRAKE HOSE
500 MM
233 A 0004289035 BRAKE HOSE
Repalced by: A 0024280935
233 A 0014284735 BRAKE HOSE
Repalced by: A 0024280935
233 A 0024280935 BRAKE HOSE
Repalced by: A 0024280135
233 A 0024280135 BRAKE HOSE
700 MM
A 0004280473 BRACKET
Repalced by: A 6525040038
A 6525040038 MOUNTING PLATE
240 A 0004312231 TEST CONNECTION
240 A 0004316531 TEST CONNECTION
N 000933008150 SCREW
Repalced by: N 304017008018
N 304017008018 SCREW
TEST CONNECTION TO BRACKET
N 304017008018 SCREW
TEST CONNECTION TO BRACKET
N 000933008153 SCREW
Repalced by: N 304017008034
N 304017008034 SCREW
TEST CONNECTION TO BRACKET
N 913004008004 NUT
Repalced by: N 913004008001
N 913004008001 NUT
TEST CONNECTION TO BRACKET
A 3382930053 SPACER TUBE
Repalced by: A 3872640974
A 3872640974 PIN
TEST CONNECTION TO BRACKET
A 3872640974 PIN
TEST CONNECTION TO BRACKET
A 3814312140 BRACKET
TEST CONNECTION
N 000961012034 SCREW
BRACKET TO AXLE HOUSING
N 912004012100 LOCK WASHER
BRACKET TO AXLE HOUSING
A 3854280043 ANGLE
Repalced by: A 3604280243
245 A 3604280243 ANGLE
MOUNTING USED FOR COMPRESSED AIR LINES
248 A 3604300143 CLAMP
Repalced by: N 916016008200
248 N 916016008200 CLAMP
250 A 3609950601 CLAMP
252 A 3852670040 BRACKET
256 A 3854291740 BRACKET
259 N 000933008153 SCREW
Repalced by: N 304017008034
259 N 304017008034 SCREW
260 N 913004008004 NUT
Repalced by: N 913004008001
260 N 913004008001 NUT
262 N 000933006121 SCREW
Repalced by: N 304017006020
262 N 304017006020 SCREW
N 000933006121 SCREW
Repalced by: N 304017006020
N 304017006020 SCREW
LINE TO AXLE HOUSING
M 6X20
N 304017006020 SCREW
LINE TO AXLE HOUSING
M 6X20
N 000933006127 SCREW
LINE TO AXLE HOUSING
M 6X25
N 000933006127 SCREW
LINE TO AXLE HOUSING
M 6X25
264 N 913004006002 NUT
Repalced by: N 913004006001
264 N 913004006001 NUT
A 3854294040 BRACKET
Repalced by: A 3812711640
A 3812711640 BRACKET
BRAKE LINE TO REAR AXLE
N 000933008212 SCREW
Repalced by: N 304017008016
N 304017008016 SCREW
BRAKE LINE TO REAR AXLE
M 8X16
N 912004008102 LOCK WASHER
BRAKE LINE TO REAR AXLE
A 3129951020 CLAMP
266 A 3859950020 CLAMP
LINE TO AXLE HOUSING
268 A 3129973482 HOSE
LINE TO AXLE HOUSING
A 3209901340 WASHER
LINE TO AXLE HOUSING
N 000961012052 SCREW
Repalced by: N 308676012012
N 308676012012 SCREW
LINE TO AXLE HOUSING
M 12X1,5X25
270 N 000933008131 SCREW
M 8X15
271 N 912004008103 LOCK WASHER
275 A 3404202429 LINE
FROM TEST CONNECTION TO LEFT WHEEL CYLINDER
1350 MM
275 A 3404202429 LINE
FROM TEST CONNECTION TO LEFT WHEEL CYLINDER
1350 MM
275 A 3404202329 LINE
FROM TEST CONNECTION TO LEFT WHEEL CYLINDER
1300 MM
278 A 3404201129 LINE
FROM TEST CONNECTION TO RIGHT WHEEL CYLINDER
700 MM
278 A 3404201129 LINE
FROM TEST CONNECTION TO RIGHT WHEEL CYLINDER
700 MM
278 A 3404201229 LINE
FROM TEST CONNECTION TO RIGHT WHEEL CYLINDER
750 MM
332 A 3835840021 GUIDE SIGN
LOAD-DEPENDING BRAKE
332 A 3835840021 GUIDE SIGN
LOAD-DEPENDING BRAKE
332 A 3835840821 GUIDE SIGN
LOAD-DEPENDING BRAKE
332 A 3835843621 GUIDE SIGN
LOAD-DEPENDING BRAKE
332 A 3835840921 GUIDE SIGN
LOAD-DEPENDING BRAKE
332 A 3835840921 GUIDE SIGN
LOAD-DEPENDING BRAKE
332 A 3835840221 GUIDE SIGN
LOAD-DEPENDING BRAKE
332 A 3835841621 GUIDE SIGN
LOAD-DEPENDING BRAKE
332 A 3835841521 GUIDE SIGN
LOAD-DEPENDING BRAKE
A 3875840055 ADHESIVE FOIL
335 A 0014310006 PRESSURE REGULATOR
Repalced by: A 0024314906
336 A 0014310606 PRESSURE REGULATOR
Repalced by: A 0024313406
336 A 0024313406 PRESSURE REGULATOR
Repalced by: A 0024314306
336 A 0014313406 PRESSURE REGULATOR
Repalced by: A 0024314306
336 A 0024314306 PRESSURE REGULATOR
BOSCH
336 A 0014311206 PRESSURE REGULATOR
Repalced by: A 0024314906
336 A 0024314906 PRESSURE REGULATOR
WABCO
336 A 0024318306 PRESSURE REGULATOR
KNORR
340 A 0015864343 REPAIR KIT
Repalced by: A 0004301107
340 A 0004301107 REPAIR KIT
TO 001 431 00 06,WABCO 975 300 110 0
A 0024304681 REPAIR KIT
VALVE KIT
TO 001 431 00 06,WABCO 975 300 110 0
A 0014304960 REPAIR KIT
TO 002 431 49 06,WABCO 975 303 460 0
341 A 0015868543 REPAIR KIT
Repalced by: A 0004301407
341 A 0004301407 REPAIR KIT
TO 001 431 06 06,BOSCH 0 481 039 101
A 0025866743 REPAIR KIT
TO 001 431 12 06,KNORR 3200
A 0025866043 REPAIR KIT
TO 001 431 34 06,GRAU 312 017 014
346 A 0004301768 REPAIR KIT
DIAPHRAGM
TO 002 431 34 06,BOSCH 0 481 039 221
346 A 0004301768 REPAIR KIT
DIAPHRAGM
TO 002 431 43 06,BOSCH 0 481 039 201
348 A 0004307960 REPAIR KIT
TIRE INFLATING CONNECTION
TO 002 431 34 06,BOSCH 0 481 039 221
348 A 0004307960 REPAIR KIT
TIRE INFLATING CONNECTION
TO 002 431 43 06,BOSCH 0 481 039 201
A 0004300407 REPAIR KIT
TO 002 431 83 06,KNORR 90309
350 N 074301022203 ELBOW FITTING
PRESSURE REGULATOR,CONNECTION:
"1"
350 N 074301022203 ELBOW FITTING
PRESSURE REGULATOR,CONNECTION:
"1"
A 0009905871 ELBOW FITTING
PRESSURE REGULATOR,CONNECTION:
"1"
A 0009905871 ELBOW FITTING
PRESSURE REGULATOR,CONNECTION:
"1"
A 3859901540 WASHER
PRESSURE REGULATOR,CONNECTION:
"1"
355 N 074305022202 NUT
PRESSURE REGULATOR,CONNECTION:
"1"
357 A 0004290227 THRUST RING
PRESSURE REGULATOR,CONNECTION:
"1"
359 A 0009870446 SEALING CORD
PRESSURE REGULATOR,CONNECTION:
"1"
365 A 0019972172 FITTING
PRESSURE REGULATOR,CONNECTION:
"21"
A 0019972372 FITTING
PRESSURE REGULATOR,CONNECTION:
"21"
367 N 007603022102 SEAL RING
PRESSURE REGULATOR,CONNECTION:
"21"
367 A 0004290227 THRUST RING
PRESSURE REGULATOR,CONNECTION:
"21"
A 0009870446 SEALING CORD
PRESSURE REGULATOR,CONNECTION:
"21"
368 A 0004310173 BREATHER PIPE
PRESSURE REGULATOR,CONNECTION:
"3"
369 N 916026020001 CLAMP
Repalced by: N 000000000667
369 N 000000000667 CLAMP
PRESSURE REGULATOR,CONNECTION:
"3"
369B A 0004300170 MUFFLER
PRESSURE REGULATOR,CONNECTION:
"3"
369C N 916017032000 CLAMP
Repalced by: N 000000000670
369C N 000000000670 CLAMP
PRESSURE REGULATOR,CONNECTION:
"3"
A 0159975082 HOSE
PRESSURE REGULATOR,CONNECTION:
"3"
369E A 0004310151 SPACER RING
PRESSURE REGULATOR,CONNECTION:
"3"
369F A 3854310153 SPACER TUBE
Repalced by: A 4409910040
369F A 4409910040 SPACER TUBE
PRESSURE REGULATOR TO BATTERY SUPPORT
369H N 000931008281 SCREW
PRESSURE REGULATOR TO BATTERY SUPPORT
369K N 913004008004 NUT
Repalced by: N 913004008001
369K N 913004008001 NUT
PRESSURE REGULATOR TO BATTERY SUPPORT
N 000931008251 SCREW
PRESSURE REGULATOR TO BRACKET
N 000125008418 WASHER
Repalced by: N 000125008443
N 000125008443 WASHER
PRESSURE REGULATOR TO BRACKET
N 913004008004 NUT
Repalced by: N 913004008001
N 913004008001 NUT
PRESSURE REGULATOR TO BRACKET
A 3814311240 BRACKET
PRESSURE REGULATOR
N 000933010105 SCREW
N 913004010008 NUT
Repalced by: N 910113010000
N 910113010000 NUT
A 0004312515 ANTI-FREEZE DEVICE
Repalced by: A 0004312615
A 0004312615 ANTI-FREEZE DEVICE
A 0039979848 SEAL RING
A 0004316787 PROTECTIVE CAP
A 0004321107 VALVE
ANTI-FREEZE DEVICE DRAIN
A 0004314476 WASHER
ANTI-FREEZE DEVICE DRAIN
A 0009890679 WICK
PARTS KIT
A 0004312156 SCREW PLUG
WITH DIPSTICK
A 0025861143 REPAIR KIT
TO 000 431 25 15,000 431 26 15,
Y YYYYYYYYYYYY PART NAME MISSING
432 199 015 0,432 199 030 1,WABCO
N 074301022203 ELBOW FITTING
A 0019972172 FITTING
N 007603022102 SEAL RING
N 074305022202 NUT
N 074305022202 NUT
A 0004290227 THRUST RING
A 0004290227 THRUST RING
A 0009870446 SEALING CORD
A 0009870446 SEALING CORD
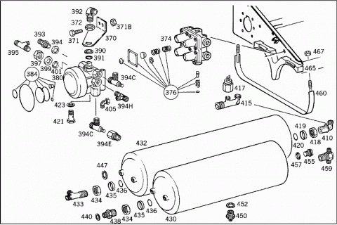
A 3854312240 BRACKET
FOUR-CIRCUIT PROTECTIVE VALVE
370 A 3854313440 BRACKET
FOUR-CIRCUIT PROTECTIVE VALVE
A 3814312040 BRACKET
FOUR-CIRCUIT PROTECTIVE VALVE
N 000931008209 SCREW
FOUR-CIRCUIT PROTECTIVE VALVE
N 000125008418 WASHER
Repalced by: N 000125008443
N 000125008443 WASHER
FOUR-CIRCUIT PROTECTIVE VALVE
N 913004008004 NUT
Repalced by: N 913004008001
N 913004008001 NUT
FOUR-CIRCUIT PROTECTIVE VALVE
N 000933008153 SCREW
Repalced by: N 304017008034
N 304017008034 SCREW
BRACKET TO CROSS MEMBER
N 913004008004 NUT
Repalced by: N 913004008001
N 913004008001 NUT
BRACKET TO CROSS MEMBER
371 N 000933008147 SCREW
Repalced by: N 304017008021
371 N 304017008021 SCREW
BRACKET TO BATTERY/APPARATUS SUPPORT
371B N 913004008004 NUT
Repalced by: N 913004008001
371B N 913004008001 NUT
BRACKET TO BATTERY/APPARATUS SUPPORT
372 N 074305022202 NUT
VALVE TO BRACKET
374 A 0014313506 VALVE
Repalced by: A 0014318406
374 A 0014318406 VALVE
FOUR-CIRCUIT PROTECTIVE VALVE
KNORR
376 A 0015863842 REPAIR KIT
TO 001 431 35 06,KNORR
A 0014314706 VALVE
FOUR-CIRCUIT PROTECTIVE VALVE
WABCO
A 0014316806 VALVE
Repalced by: A 0024312906
A 0024312906 VALVE
Repalced by: A 0024319306
A 0024319306 VALVE
FOUR-CIRCUIT PROTECTIVE VALVE
GRAU
380 A 0014313806 VALVE
Repalced by: A 0024310406
380 A 0024310406 VALVE
FOUR-CIRCUIT PROTECTIVE VALVE
BOSCH
A 0014310986 CUP
TO 002 431 04 06,BOSCH
A 0009934905 SPRING
Repalced by: A 0009935205
A 0009935205 SPRING
TO 002 431 04 06,BOSCH
A 0014311860 SEAL RING
34X2.3 MM,TO 001 431 68 06,GRAU
A 0024298844 VALVE
TO 001 431 68 06,GRAU 37001
A 0099972448 SEAL RING
19.3X2.4MM,TO 001 431 68 06,GRAU 37001
A 0059973248 SEAL RING
25.3X2.4MM,TO 001 431 68 06,GRAU 37001
A 0004313188 VALVE SEAT
TO 001 431 68 06,GRAU 37001
A 0014311960 SEAL RING
Repalced by: A 0009971548
A 0009971548 SEAL RING
15X2 MM, TO 001 431 68 06,GRAU 19001
384 A 0015868443 REPAIR KIT
SEAL RING
TO 001 431 38 06,GRAU
A 0004302906 GASKET KIT
BOOT
TO 002 431 04 06,BOSCH
A 0025861743 REPAIR KIT
BOOT
TO 001 431 38 06,GRAU
A 0004303160 REPAIR KIT
TO 001 431 84 06,KNORR
A 0034300881 REPAIR KIT
TO 002 431 93 06 GRAU 74001
A 0025860643 REPAIR KIT
Repalced by: A 0025862843
A 0025862843 REPAIR KIT
TO 001 431 47 06,WABCO 2100
A 0004300468 REPAIR KIT
TO 001 431 47 06,WABCO 2210
390 A 0004290227 THRUST RING
FOUR-CIRCUIT PROTECTIVE VALVE, CONNECTION:
"1"
391 A 0009870446 SEALING CORD
FOUR-CIRCUIT PROTECTIVE VALVE, CONNECTION:
"1"
392 N 074301022203 ELBOW FITTING
FOUR-CIRCUIT PROTECTIVE VALVE, CONNECTION:
"1"
392 N 074301022203 ELBOW FITTING
FOUR-CIRCUIT PROTECTIVE VALVE, CONNECTION:
"1"
A 0004293838 ELBOW FITTING
Repalced by: A 0004294638
A 0004294638 ELBOW FITTING
FOUR-CIRCUIT PROTECTIVE VALVE, CONNECTION:
"1"
393 A 0019972372 FITTING
FOUR-CIRCUIT PROTECTIVE VALVE, CONNECTION:
"1"
N 007603022102 SEAL RING
FOUR-CIRCUIT PROTECTIVE VALVE, CONNECTION:
"1"
394 A 0004290227 THRUST RING
FOUR-CIRCUIT PROTECTIVE VALVE, CONNECTION:
"1"
N 007603016401 SEAL RING
FOUR-CIRCUIT PROTECTIVE VALVE, CONNECTION:
"22"
A 0009870446 SEALING CORD
FOUR-CIRCUIT PROTECTIVE VALVE, CONNECTION:
"1"
A 0029971572 FITTING
FOUR-CIRCUIT PROTECTIVE VALVE, CONNECTION:
"22"
A 0029971572 FITTING
FOUR-CIRCUIT PROTECTIVE VALVE, CONNECTION:
"22"
394C A 0009904670 T-FITTING
FOUR-CIRCUIT PROTECTIVE VALVE, CONNECTION:
"23"
394E A 0005455414 SWITCH
394E A 0005455414 SWITCH
N 074315012100 FITTING
Repalced by: A 0019903371
A 0019903371 ELBOW FITTING
A 0019903371 ELBOW FITTING
FOUR-CIRCUIT PROTECTIVE VALVE, CONNECTIONS:
"21,22"
A 0019903371 ELBOW FITTING
394H A 0009904770 T-FITTING
FOUR-CIRCUIT PROTECTIVE VALVE, CONNECTION:
"11"
394H A 0009904770 T-FITTING
FOUR-CIRCUIT PROTECTIVE VALVE, CONNECTIONS:
"11,12,23"
394H A 0009904770 T-FITTING
FOUR-CIRCUIT PROTECTIVE VALVE, CONNECTION:
"11"
395 N 074317012201 FITTING
Repalced by: A 0009905070
395 A 0009905070 T-FITTING
FOUR-CIRCUIT PROTECTIVE VALVE, CONNECTION:
"12"
395 A 0009905070 T-FITTING
FOUR-CIRCUIT PROTECTIVE VALVE, CONNECTION:
"12"
A 0019979272 FITTING
FOUR-CIRCUIT PROTECTIVE VALVE, CONNECTION:
"12"
N 003952012101 FITTING
Repalced by: A 0019902771
A 0019902771 ELBOW FITTING
FOUR-CIRCUIT PROTECTIVE VALVE, CONNECTION:
"12"
A 0004294238 ELBOW FITTING
FOUR-CIRCUIT PROTECTIVE VALVE
397 N 080705016003 NUT
FOUR-CIRCUIT PROTECTIVE VALVE
399 A 0004290927 THRUST RING
FOUR-CIRCUIT PROTECTIVE VALVE
A 0029971640 SEAL RING
Repalced by: A 0009971548
401 A 0009971548 SEAL RING
FOUR-CIRCUIT PROTECTIVE VALVE
A 0019905268 FITTING
FOUR-CIRCUIT PROTECTIVE VALVE, CONNECTION:
"24"
A 0019905268 FITTING
FOUR-CIRCUIT PROTECTIVE VALVE, CONNECTION:
"24"
N 007603016401 SEAL RING
FOUR-CIRCUIT PROTECTIVE VALVE, CONNECTION:
"24"
T YYYYYYYYYYYY PART NAME MISSING
.
26
A 0004290927 THRUST RING
FOUR-CIRCUIT PROTECTIVE VALVE, CONNECTION:
"24"
A 0009971548 SEAL RING
FOUR-CIRCUIT PROTECTIVE VALVE, CONNECTION:
"24"
A 0009971548 SEAL RING
FOUR-CIRCUIT PROTECTIVE VALVE, CONNECTION:
"24"
N 915039008202 HOLLOW SCREW FITTING
FOUR-CIRCUIT PROTECTIVE VALVE, CONNECTION:
"24"
N 915039008202 HOLLOW SCREW FITTING
FOUR-CIRCUIT PROTECTIVE VALVE, CONNECTION:
"24"
N 007603012405 SEAL RING
FOUR-CIRCUIT PROTECTIVE VALVE, CONNECTION:
"24"
N 007603012405 SEAL RING
FOUR-CIRCUIT PROTECTIVE VALVE, CONNECTION:
"24"
405 N 003952006102 FITTING
Repalced by: A 0019909871
405 A 0019909871 ELBOW FITTING
N 080705018002 NUT
N 074315012101 FITTING
Repalced by: A 0009907771
410 A 0009907771 ELBOW FITTING
AT AIR RESERVOIR
410 A 0009907771 ELBOW FITTING
AT AIR RESERVOIR
410 A 0009907771 ELBOW FITTING
INSIDE AIR RESERVOIR, REAR CONNECTION
410 A 0009907771 ELBOW FITTING
INSIDE AIR RESERVOIR, REAR CONNECTION
A 0009904670 T-FITTING
OUTSIDE AND REAR AIR RESERVOIRS
415 A 0009970569 F-FITTING
INSIDE AIR RESERVOIR, REAR CONNECTION
417 A 0005455414 SWITCH
INSIDE AIR RESERVOIR, REAR CONNECTION
418 N 074305022202 NUT
INSIDE AIR RESERVOIR, REAR CONNECTION
419 A 0004290227 THRUST RING
419 A 0004290227 THRUST RING
OUTSIDE AIR RESERVOIR,REAR CONNECTION
420 A 0009870446 SEALING CORD
420 A 0009870446 SEALING CORD
OUTSIDE AIR RESERVOIR,REAR CONNECTION
N 000908022001 SCREW PLUG
Repalced by: N 000908022011
N 000908022011 SCREW PLUG
AT AIR RESERVOIR
N 007603022102 SEAL RING
AT AIR RESERVOIR
421 N 915039008202 HOLLOW SCREW FITTING
423 N 007603012405 SEAL RING
430 A 0004322601 RESERVOIR
Repalced by: A 0034321801
430 A 0034321801 RESERVOIR
30 L
A 0004325801 RESERVOIR
5 L,10 L,5 L
A 0004327801 RESERVOIR
Repalced by: A 0034320901
A 0034320901 RESERVOIR
10 L
432 A 0004325301 RESERVOIR
30/10 L.
A 0004326101 RESERVOIR
Repalced by: A 0034323001
A 0034323001 RESERVOIR
22.5 L
A 0004327501 RESERVOIR
Repalced by: A 0014328901
A 0014328901 RESERVOIR
5L,25L
433 A 0009903970 T-FITTING
Repalced by: A 0019901070
433 A 0019901070 T-FITTING
INSIDE AND OUTSIDE AIR RESERVOIRS, FRONT CONNECTION
A 0019979572 FITTING
INSIDE AND OUTSIDE AIR RESERVOIRS, FRONT CONNECTION
A 0004312031 TEST CONNECTION
INSIDE AND OUTSIDE AIR RESERVOIRS, FRONT CONNECTION
VOSS
A 0004314531 TEST CONNECTION
INSIDE AND OUTSIDE AIR RESERVOIRS, FRONT CONNECTION
SCHAEFER
A 0004314831 TEST CONNECTION
INSIDE AND OUTSIDE AIR RESERVOIRS, FRONT CONNECTION
WABCO
A 0004316131 TEST CONNECTION
INSIDE AND OUTSIDE AIR RESERVOIRS, FRONT CONNECTION
WIRA
A 0009979486 PLUG
A 0009906770 T-FITTING
REAR LEFT
N 003952012101 FITTING
Repalced by: A 0019902771
A 0019902771 ELBOW FITTING
REAR LEFT
A 0019977372 FITTING
434 N 074305022202 NUT
INSIDE AND OUTSIDE AIR RESERVOIRS, FRONT CONNECTION
435 A 0004290227 THRUST RING
INSIDE AND OUTSIDE AIR RESERVOIRS, FRONT CONNECTION
435 A 0004290227 THRUST RING
INSIDE AND OUTSIDE AIR RESERVOIRS, FRONT CONNECTION
436 A 0009870446 SEALING CORD
INSIDE AND OUTSIDE AIR RESERVOIRS, FRONT CONNECTION
436 A 0009870446 SEALING CORD
INSIDE AND OUTSIDE AIR RESERVOIRS, FRONT CONNECTION
438 A 0029971172 FITTING
INSIDE AND OUTSIDE AIR RESERVOIRS, FRONT CONNECTION
440 N 007603022102 SEAL RING
INSIDE AND OUTSIDE AIR RESERVOIRS, FRONT CONNECTION
A 0014296144 VALVE
Repalced by: A 0024297244
A 0024297244 VALVE
WABCO
A 0004290545 DIAPHRAGM
A 0014294144 VALVE
Repalced by: A 0024297244
A 0015862042 REPAIR KIT
TO 002 429 72 44,WABCO
A 0015862042 REPAIR KIT
TO 002 429 42 44,WABCO
A 0024294244 VALVE
Repalced by: A 0034290944
A 0034290944 VALVE
Repalced by: A 0044293144
A 0044293144 VALVE
(OVERFLOW VALVE)
WABCO
A 0024296544 VALVE
Repalced by: A 0034290844
A 0034290844 VALVE
Repalced by: A 0044293244
A 0044293244 VALVE
(OVERFLOW VALVE)
GRAU
A 0024298844 VALVE
TO 003 429 08 44,GRAU
A 0004290745 DIAPHRAGM
TO 003 429 08 44,GRAU
A 0004290645 DIAPHRAGM
Repalced by: A 0004290745
A 0004290745 DIAPHRAGM
TO 004 429 32 44
A 0005865842 REPAIR KIT
TO 003 429 09 44,WABCO
N 074305022202 NUT
A 0004290227 THRUST RING
A 0009870446 SEALING CORD
T YYYYYYYYYYYY PART NAME MISSING
SEE FIG. NO.:
438
447 N 007603022102 SEAL RING
450 A 0004322407 VALVE
AIR RESERVOIR
A 0005830296 RING
DRAIN VALVE
452 N 007603022102 SEAL RING
AIR RESERVOIR,BOTTOM CONNECTION
A 0004290227 THRUST RING
AIR RESERVOIR,BOTTOM CONNECTION
A 0009870446 SEALING CORD
AIR RESERVOIR,BOTTOM CONNECTION
455 N 000908022001 SCREW PLUG
Repalced by: N 000908022011
455 N 000908022011 SCREW PLUG
455 N 000908022011 SCREW PLUG
OUTSIDE AIR RESERVOIR,REAR CONNECTION
457 N 007603022102 SEAL RING
457 N 007603022102 SEAL RING
A 0019902171 ELBOW FITTING
A 0019902171 ELBOW FITTING
459 A 0024295844 VALVE
CHECK VALVE
459 A 0024295844 VALVE
CHECK VALVE
459 A 0024295944 VALVE
CHECK VALVE
459 A 0024295944 VALVE
CHECK VALVE
459 A 0024297544 VALVE
CHECK VALVE
459 A 0024297544 VALVE
CHECK VALVE
460 A 3854300140 STRAP
A 3524300040 STRAP
Repalced by: A 3354300340
A 3354300340 STRAP
A 3354300340 STRAP
465 A 3854320218 BASE
465 A 3354320418 BASE
465 A 3354320418 BASE
467 N 000934010014 NUT
467 N 000934010014 NUT
A 3814320040 BRACKET
RESERVOIR, RIGHT
A 3814320140 BRACKET
RESERVOIR, RIGHT
A 3814320019 BASE
N 000933008152 SCREW
Repalced by: N 304017008027
N 304017008027 SCREW
N 000933010129 SCREW
Repalced by: N 304017010002
N 304017010002 SCREW
N 913004008004 NUT
Repalced by: N 913004008001
N 913004008001 NUT
N 913004010008 NUT
Repalced by: N 910113010000
N 910113010000 NUT
A 3854200168 SUPPORT
Repalced by: A 3854260240
480 A 3854260240 BRACKET
485 A 3854200042 BRAKE LEVER
487 A 0009815610 NEEDLE BEARING
Repalced by: A 0119813410
487 A 0089811110 NEEDLE BEARING
Repalced by: A 0119813410
487 A 0119813410 NEEDLE BEARING
489 A 0089978046 SEAL RING
Repalced by: A 0069979147
489 A 0069979147 SEAL RING
491 A 3802940507 PIVOT PIN
491 A 3854310853 SPACER TUBE
493 A 3859930010 SPRING
495 N 000471020001 LOCK RING
497 N 000433021002 WASHER
N 000931010379 SCREW
N 913004010008 NUT
Repalced by: N 910113010000
N 910113010000 NUT
498 N 304017010025 SCREW
Repalced by: N 304017010051
498 N 304017010051 SCREW
499 N 000934010014 NUT
500 A 3819910407 PIN
502 N 912007010000 CLIP
510 A 3804310092 ROD
512 N 001434010009 PIN
514 N 000433010505 WASHER
Repalced by: N 000433010510
514 N 000433010510 WASHER
N 000094003219 COTTER PIN
515 N 000933010105 SCREW
516 N 000933010128 SCREW
516B N 913004010008 NUT
Repalced by: N 910113010000
516B N 910113010000 NUT
517 A 3854260165 PROTECTIVE PLATE
518 A 3854260065 PROTECTIVE PLATE
520 A 0004319614 BRAKE CYLINDER
Repalced by: A 0014317114
520 A 0004316614 BRAKE CYLINDER
Repalced by: A 0014317114
520 A 0014317114 BRAKE CYLINDER
BOSCH
521 A 0004319414 BRAKE CYLINDER
Repalced by: A 0014317314
521 A 0014310514 BRAKE CYLINDER
Repalced by: A 0014317314
521 A 0024300830 BRAKE BOOSTER ASSEMBLY
Repalced by: A 0014317314
521 A 0014313914 BRAKE CYLINDER
Repalced by: A 0014317314
521 A 0014317314 BRAKE CYLINDER
BOSCH-SCHAEFER
521 A 0014317314 BRAKE CYLINDER
BOSCH-SCHAEFER
521 A 0014317314 BRAKE CYLINDER
BOSCH-SCHAEFER
521 A 0014317314 BRAKE CYLINDER
BOSCH-SCHAEFER
A 0004315487 PROTECTIVE CAP
TO 001 431 05 14,000 431 66 14
522D A 0004317283 PISTON
TO 000 431 94 14,96 14
522E A 0049970248 SEAL RING
TO 000 431 94 14,96 14
522F A 0019979340 SEAL RING
Repalced by: A 0019975945
522F A 0019975945 SEAL RING
TO 000 431 94 14,96 14
522H A 0039979248 SEAL RING
TO 000 431 94 14,96 14,
Y YYYYYYYYYYYY PART NAME MISSING
001 431 71 14,73 14
N 000472030000 LOCK RING
TO 000 431 94 14,96 14
N 000472017000 LOCK RING
TO 000 431 94 14,96 14,
Y YYYYYYYYYYYY PART NAME MISSING
001 431 71 14,73 14
N 000472036000 LOCK RING
TO 000 431 94 14,96 14,
Y YYYYYYYYYYYY PART NAME MISSING
001 431 71 14,73 14
A 0004318986 CUP
TO 000 431 94 14,96 14
522K A 0004317183 PISTON
TO 000 431 94 14,96 14,
Y YYYYYYYYYYYY PART NAME MISSING
001 431 71 14,73 14
522L A 0069975645 SEAL RING
TO 000 431 94 14,96 14
522M A 0039979348 SEAL RING
TO 000 431 94 14,96 14
N 000933010094 SCREW
TO 000 431 94 14,96 14
N 000933008152 SCREW
Repalced by: N 304017008027
N 304017008027 SCREW
TO 000 431 94 14,96 14
N 912004008102 LOCK WASHER
TO 000 431 94 14,96 14
N 007603010103 SEAL RING
Repalced by: N 007603010110
N 007603010110 SEAL RING
TO 000 431 94 14,96 14
522P A 0014310660 SEAL RING
TO 000 431 94 14,96 14
522Q A 0004317383 PISTON
TO 000 431 94 14,96 14
522R A 0039979448 SEAL RING
TO 000 431 94 14,96 14
N 000934006007 NUT
TO 000 431 94 14,96 14
N 000963006014 SCREW
TO 000 431 94 14,96 14
522S A 0004311249 GUIDE BUSHING
TO 000 431 94 14,96 14
N 007993016100 SNAP RING
TO 000 431 94 14,96 14
N 000933010145 SCREW
TO 000 431 94 14,96 14
A 0009902047 LOCK WASHER
Repalced by: N 000127010202
N 912004010102 LOCK WASHER
TO 000 431 94 14,96 14
N 001476003007 GROOVED NAIL
TO 000 431 94 14,96 14
N 000471022000 LOCK RING
TO 000 431 94 14,96 14,
Y YYYYYYYYYYYY PART NAME MISSING
001 431 71 14,73 14
522T A 0039974347 SEAL RING
TO 000 431 94 14,96 14
N 007993006100 SNAP RING
TO 000 431 94 14,96 14
522W A 0004318886 CUP
TO 000 431 94 14,96 14
A 0004311322 COVER
TO 001 431 71 14,73 14
A 0009882735 CAP
TO 001 431 71 14
A 0044205518 WHEEL BRAKE CYLINDER
Repalced by: A 0074202018
522X A 0074202018 WHEEL BRAKE CYLINDER
Repalced by: A 0044206818
522X A 0074202018 WHEEL BRAKE CYLINDER
A 0044206818 WHEEL BRAKE CYLINDER
SLAVE CYLINDER
A 0044206818 WHEEL BRAKE CYLINDER
SLAVE CYLINDER
TO 001 431 71 14
A 0044206818 WHEEL BRAKE CYLINDER
SLAVE CYLINDER
A 0044206818 WHEEL BRAKE CYLINDER
SLAVE CYLINDER
A 0044206818 WHEEL BRAKE CYLINDER
SLAVE CYLINDER
A 0004204155 BLEEDER VALVE
Repalced by: A 0004310265
A 0004310265 VALVE
Repalced by: A 3075530107
A 3075530107 VALVE
A 0004202155 BLEEDER VALVE
Repalced by: A 0004310265
A 3164210187 PROTECTIVE CAP
Repalced by: A 0004210887
A 0004210887 PROTECTIVE CAP
Repalced by: A 0004217187
A 0004217187 PROTECTIVE CAP
Repalced by: A 0004210887
A 0004210887 PROTECTIVE CAP
A 0004212687 PROTECTIVE CAP
Repalced by: A 0004210887
522Z A 0025860743 REPAIR KIT
Repalced by: A 0004302108
522Z A 0004302108 REPAIR KIT
COMPRESSED AIR CYLINDER
TO 0004319414,0004319614,
Y YYYYYYYYYYYY PART NAME MISSING
001 431 71 14,001 431 39 14
A 0025865543 REPAIR KIT
COMPRESSED AIR CYLINDER
TO 000 4312 66 14,001 431 05 14,
Y YYYYYYYYYYYY PART NAME MISSING
002 430 08 30
A 0025865643 REPAIR KIT
Repalced by: A 0025865543
A 0005864829 REPAIR KIT
SLAVE CYLINDER
TO 004 420 55 18
523 A 0025862442 REPAIR KIT
SLAVE CYLINDER
TO 007 420 20 18
A 0025860942 REPAIR KIT
SLAVE CYLINDER
TO 004 420 68 18
A 0025865542 REPAIR KIT
SLAVE CYLINDER
TO 004 420 68 18
A 0089979082 HOSE
BLEEDING
A 0089979082 HOSE
BLEEDING
523B N 912004010102 LOCK WASHER
BRAKE BOOSTER ASSEMBLY TO APPARATUS SUPPORT
523F N 000933010129 SCREW
Repalced by: N 304017010002
523F N 304017010002 SCREW
BRAKE BOOSTER ASSEMBLY TO APPARATUS SUPPORT
523F N 000931010331 SCREW
BRAKE BOOSTER ASSEMBLY TO APPARATUS SUPPORT
523F N 000931010331 SCREW
BRAKE BOOSTER ASSEMBLY TO APPARATUS SUPPORT
523F N 000931010331 SCREW
BRAKE BOOSTER ASSEMBLY TO APPARATUS SUPPORT
523F N 000933010094 SCREW
BRAKE BOOSTER ASSEMBLY TO APPARATUS SUPPORT
523F N 000931010264 SCREW
BRAKE BOOSTER ASSEMBLY TO APPARATUS SUPPORT
523F N 000931010282 SCREW
BRAKE BOOSTER ASSEMBLY TO APPARATUS SUPPORT
525 N 074315012100 FITTING
Repalced by: A 0019903371
525 A 0019903371 ELBOW FITTING
AT TRISTOP CYLINDER AND TRAILING AXLE
525 A 0019903371 ELBOW FITTING
AT TRISTOP CYLINDER AND TRAILING AXLE
530 N 080705016003 NUT
CONNECTIONS:
"11,12"
530 N 080705016003 NUT
CONNECTIONS:
"11,12"
532 A 0004290927 THRUST RING
CONNECTIONS:
"11,12"
532 A 0004290927 THRUST RING
CONNECTIONS:
"11,12"
A 0029971640 SEAL RING
Repalced by: A 0009971548
534 A 0009971548 SEAL RING
CONNECTIONS:
"11,12"
534 A 0009971548 SEAL RING
CONNECTIONS:
"11,12"
N 915036012203 HOLLOW SCREW
CONNECTIONS:
"11,12"
536 N 007603016401 SEAL RING
CONNECTIONS:
"11,12"
536 N 007603016401 SEAL RING
BRAKE CYLINDER,CONNECTIONS "2.1,2.2"
"11,12"
538 N 000908016001 SCREW PLUG
BRAKE CYLINDER,CONNECTIONS "2.1,2.2"
A 0004290927 THRUST RING
BRAKE CYLINDER,CONNECTIONS "2.1,2.2"
A 0009971548 SEAL RING
BRAKE CYLINDER,CONNECTIONS "2.1,2.2"
542 A 0005455214 SWITCH
BRAKE CYLINDER STROKE INDICATOR
M 24 X 1 MM
545 N 007603010103 SEAL RING
Repalced by: N 007603010110
545 N 007603010110 SEAL RING
BRAKE CYLINDER STROKE INDICATOR
550 A 0034300801 BRAKE MASTER CYLINDER
553 A 0015868843 REPAIR KIT
Repalced by: A 0014300160
553 A 0014300160 REPAIR KIT
A 0024306901 BRAKE MASTER CYLINDER
SCHAEFER
A 0034303101 BRAKE MASTER CYLINDER
TEVES
A 0034307501 BRAKE MASTER CYLINDER
SCHAEFER
A 0004310971 SCREW
A 0004319360 SEAL RING
TO 002 430 96 01,003 430 75 01
A 0014310460 SEAL RING
TO 002 430 96 01,003 430 75 01
A 0009933705 SPRING
TO 002 430 96 01,003 430 75 01
A 0004312689 SPRING RETAINER
TO 002 430 96 01,003 430 75 01
A 0014312393 SPRING
TO 002 430 96 01,003 430 75 01
A 0009933805 SPRING
TO 002 430 96 01,003 430 75 01
A 0004319160 SEAL RING
TO 002 430 96 01,003 430 75 01
A 0004202155 BLEEDER VALVE
Repalced by: A 0004310265
A 0004310265 VALVE
Repalced by: A 3075530107
A 3075530107 VALVE
TO 002 430 96 01,003 430 75 01
A 0004212687 PROTECTIVE CAP
Repalced by: A 0004210887
A 3164210187 PROTECTIVE CAP
Repalced by: A 0004210887
A 0004210887 PROTECTIVE CAP
Repalced by: A 0004217187
A 0004217187 PROTECTIVE CAP
Repalced by: A 0004210887
A 0004210887 PROTECTIVE CAP
TO 002 430 96 01,003 430 75 01
A 0015866743 REPAIR KIT
Repalced by: A 0004309960
A 0004309960 REPAIR KIT
TO 002 430 69 01,003 430 75 01
560 N 007603022102 SEAL RING
565 A 0004318702 RESERVOIR
565 A 0004318702 RESERVOIR
567 A 0004312833 FILLER CAP
Repalced by: A 0004315533
567 A 0004315533 FILLER CAP
567 A 0004315533 FILLER CAP
A 0014310287 PROTECTIVE CAP
TO 000 431 55 33
570 A 0039976440 SEAL RING
570 A 0039976440 SEAL RING
572 A 0004312634 STRAINER
572 A 0004312634 STRAINER
A 0004319702 RESERVOIR
Repalced by: A 0004318702
A 0004319702 RESERVOIR
A 0004313333 FILLER CAP
A 0004313333 FILLER CAP
A 0004315802 RESERVOIR
A 0004312133 FILLER CAP
Repalced by: A 0004313733
A 0004313433 FILLER CAP
Repalced by: A 0004313733
A 0004313733 FILLER CAP
Repalced by: A 0004316533
A 0004316533 FILLER CAP
Repalced by: A 0004317633
A 0004317633 FILLER CAP
TO 000 431 58 02
A 0009972940 SEAL RING
43.7X30 MM
A 0039976440 SEAL RING
42X21.5 MM
A 0009972490 LOOM TIE
Repalced by: A 0009974390
A 0009974390 LOOM TIE
A 0004312134 STRAINER
Repalced by: A 0004313134
A 0004313134 STRAINER
TO 000 431 58 02
A 0004311040 CLAMP
TO 000 431 58 02
N 000933006102 SCREW
N 000125006421 WASHER
N 913004006002 NUT
Repalced by: N 913004006001
N 913004006001 NUT
A 3814311340 BRACKET
A 3814310640 BRACKET
N 000933010105 SCREW
N 000125010518 WASHER
Repalced by: N 000125010532
N 000125010532 WASHER
N 913004010008 NUT
Repalced by: N 910113010000
N 910113010000 NUT
N 912004008102 LOCK WASHER
N 000933008131 SCREW
573 N 912004010102 LOCK WASHER
MASTER CYLINDER TO BRAKE BOOSTER
574 N 000933010129 SCREW
Repalced by: N 304017010002
574 N 304017010002 SCREW
MASTER CYLINDER TO BRAKE BOOSTER
N 000931010258 SCREW
MASTER CYLINDER TO BRAKE BOOSTER
576 A 3854300110 BRACKET
BRAKE MASTER CYLINDER
577 N 912004010102 LOCK WASHER
BRACKET TO APPARATUS SUPPORT
578 N 000933010128 SCREW
BRACKET TO APPARATUS SUPPORT
578 N 000933010128 SCREW
BRACKET TO APPARATUS SUPPORT
578 N 000933010105 SCREW
BRACKET TO APPARATUS SUPPORT
579 N 304014008004 SCREW
Repalced by: N 304014008001
579 N 304014008001 SCREW
MASTER CYLINDER TO BRACKET
579B N 000125008418 WASHER
Repalced by: N 000125008443
579B N 000125008443 WASHER
MASTER CYLINDER TO BRACKET
579C N 913004008004 NUT
Repalced by: N 913004008001
579C N 913004008001 NUT
MASTER CYLINDER TO BRACKET
580 A 0004280830 CONNECTOR
AT BRAKE MASTER CYLINDER
580 A 0004280830 CONNECTOR
AT BRAKE MASTER CYLINDER
582 N 007603014405 SEAL RING
AT BRAKE MASTER CYLINDER
582 N 007603014405 SEAL RING
AT BRAKE MASTER CYLINDER
582 N 007603014405 SEAL RING
AT BRAKE MASTER CYLINDER
585 A 0004280026 HOLLOW SCREW
AT BRAKE MASTER CYLINDER
585 A 0004280026 HOLLOW SCREW
AT BRAKE MASTER CYLINDER
A 0009901763 HOLLOW SCREW
N 007603012110 SEAL RING
N 007603022102 SEAL RING
A 0004280126 HOLLOW SCREW
A 0014292044 VALVE
Repalced by: A 0034291644
A 0034291644 VALVE
RELAY VALVE
BOSCH
A 0024290744 VALVE
Repalced by: A 0034295344
A 0034295344 VALVE
RELAY VALVE
KNORR
A 0014299144 VALVE
RELAY VALVE
GRAU
590 A 0014296844 VALVE
RELAY VALVE
WABCO
A 0059972648 SEAL RING
22.3X2.4 MM,TO 001 429 91 44,GRAU
A 0004312788 VALVE SEAT
TO 001 429 91 44,GRAU
A 0059972748 SEAL RING
80X3 MM,TO 000 429 28 95, GRAU
A 0014311660 SEAL RING
28X2 MM,TO 001 429 91 44,GRAU
A 0014311760 SEAL RING
86X2 MM,TO 001 429 91 44,GRAU
A 0014311980 GASKET
Repalced by: A 0004311980
A 0004311980 GASKET
34X2X6 MM,TO 001 429 91 44,GRAU
A 0015862742 REPAIR KIT
TO 001 429 20 44,BOSCH
A 0025865642 REPAIR KIT
Repalced by: A 0004201071
A 0004201071 VALVE
GASKET KIT
TO 003 429 16 44,BOSCH; UP TO 03.82
A 0004201271 VALVE
GASKET KIT
TO 003 429 16 44,BOSCH; FROM 04.82
A 0025865742 REPAIR KIT
Repalced by: A 0004301109
A 0004301109 REPAIR KIT
BLEEDER VALVE
TO 003 429 16 44,BOSCH
592 A 0005865742 REPAIR KIT
TO 001 429 68 44,WABCO
A 0025863542 REPAIR KIT
TO 002 429 07 44,003 429 53 44,KNORR
595 A 3554320140 BRACKET
RELAY VALVE
597 N 000125008418 WASHER
Repalced by: N 000125008443
597 N 000125008443 WASHER
RELAY VALVE TO BRACKET
599 N 913004008004 NUT
Repalced by: N 913004008001
599 N 913004008001 NUT
RELAY VALVE TO BRACKET
600 N 000933010128 SCREW
BRACKET TO CROSS MEMBER
601 N 913004010008 NUT
Repalced by: N 910113010000
601 N 910113010000 NUT
A 0009904670 T-FITTING
605 N 074305022202 NUT
607 A 0004290227 THRUST RING
609 A 0009870446 SEALING CORD
615 A 0005455414 SWITCH
A 0009970169 F-FITTING
Repalced by: A 0019979172
616 A 0019979172 FITTING
618 N 003952012101 FITTING
Repalced by: A 0019902771
618 A 0019902771 ELBOW FITTING
A 0009905168 FITTING
RELAY VALVE,CONNECTION:
"1"
N 007603022102 SEAL RING
RELAY VALVE,CONNECTION:
"1"
N 915011010101 HOLLOW SCREW
Repalced by: N 915036012101
N 915036012203 HOLLOW SCREW
RELAY VALVE,CONNECTION:
"1"
N 007603016401 SEAL RING
RELAY VALVE,CONNECTION:
"1"
A 0004290227 THRUST RING
RELAY VALVE,CONNECTION:
"1"
A 0009870446 SEALING CORD
RELAY VALVE,CONNECTION:
"1"
620 A 0009904770 T-FITTING
RELAY VALVE,CONNECTION:
"1"
622 N 080705016003 NUT
RELAY VALVE,CONNECTION:
"2"
624 A 0004290927 THRUST RING
RELAY VALVE,CONNECTION:
"2"
A 0029971640 SEAL RING
Repalced by: A 0009971548
626 A 0009971548 SEAL RING
RELAY VALVE,CONNECTION:
"2"
628 A 0005455414 SWITCH
RELAY VALVE,CONNECTION:
"2"
635 N 074315012100 FITTING
Repalced by: A 0019903371
635 A 0019903371 ELBOW FITTING
RELAY VALVE,LEFT CONNECTION:
"2"
637 N 080705016003 NUT
RELAY VALVE,LEFT CONNECTION:
"2"
639 A 0004290927 THRUST RING
RELAY VALVE,LEFT CONNECTION:
"2"
A 0029971640 SEAL RING
Repalced by: A 0009971548
641 A 0009971548 SEAL RING
RELAY VALVE,LEFT CONNECTION:
"2"
650 A 0004294238 ELBOW FITTING
652 N 080705016003 NUT
654 A 0004290927 THRUST RING
A 0029971640 SEAL RING
Repalced by: A 0009971548
656 A 0009971548 SEAL RING
N 915036012203 HOLLOW SCREW
RELAY VALVE,CONNECTION "4"
N 007603016401 SEAL RING
RELAY VALVE,CONNECTION "4"
720 A 0004305581 VALVE
HAND BRAKE VALVE
WABCO
720 A 0004305681 VALVE
HAND BRAKE VALVE
WABCO
720 A 0004306681 VALVE
HAND BRAKE VALVE
KNORR
720 A 0004306781 VALVE
HAND BRAKE VALVE
KNORR
722 A 0005868043 REPAIR KIT
Repalced by: A 0004305760
722 A 0004305760 REPAIR KIT
TO 000 430 55 81,WABCO
A 0005868143 REPAIR KIT
Repalced by: A 0004305860
A 0004305860 REPAIR KIT
TO 000 430 56 81,WABCO
A 0025866243 REPAIR KIT
Repalced by: A 0034303881
A 0034303881 REPAIR KIT
TO 000 430 66 81,000 430 67 81,KNORR
729 N 000965006003 SCREW
VALVE TO CAB
N 000965006000 SCREW
VALVE TO CAB
730 A 0009907191 NUT RETAINER
Repalced by: A 3229900091
730 A 3229900091 NUT RETAINER
VALVE TO CAB
731 A 3874310684 SHIM
VALVE TO CAB
732 N 915011008103 HOLLOW SCREW
Repalced by: N 915036010100
732 N 915036010204 HOLLOW SCREW
Repalced by: N 915036010108
732 N 915036010108 HOLLOW SCREW
734 N 007603014405 SEAL RING
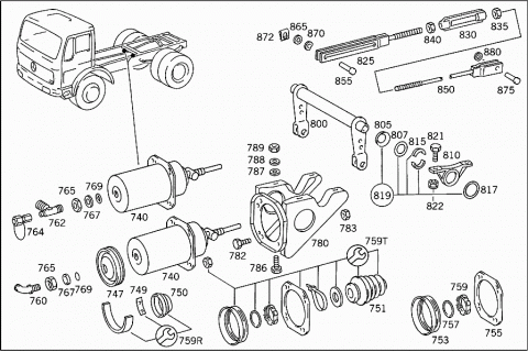
A 0004312114 BRAKE CYLINDER
BOSCH
A 0004317714 BRAKE CYLINDER
KNORR
A 0014311314 BRAKE CYLINDER
WABCO
740 A 0004318614 BRAKE CYLINDER
Repalced by: A 0004312414
740 A 0004312414 BRAKE CYLINDER
BOSCH
740 A 0004312414 BRAKE CYLINDER
BOSCH
740 A 0004317614 BRAKE CYLINDER
PARKING BRAKE
KNORR
740 A 0004317614 BRAKE CYLINDER
PARKING BRAKE
KNORR
A 0014310860 SEAL RING
TO 000 431 86 14,BOSCH
A 0014310860 SEAL RING
TO 000 431 86 14,BOSCH
A 0004317583 PISTON
TO 000 431 86 14,BOSCH
A 0004317583 PISTON
TO 000 431 86 14,BOSCH
A 0014310760 SEAL RING
TO 000 431 86 14,BOSCH
A 0014310760 SEAL RING
TO 000 431 86 14,BOSCH
A 0049971148 SEAL RING
TO 000 431 86 14,BOSCH
A 0049971148 SEAL RING
TO 000 431 86 14,BOSCH
A 0004313034 STRAINER
TO 000 431 86 14,BOSCH
A 0004313034 STRAINER
TO 000 431 86 14,BOSCH
747 A 0004317986 CUP
Repalced by: A 0004319286
747 A 0004319286 CUP
TO 000 431 24 14,BOSCH
747 A 0004319286 CUP
TO 000 431 24 14,BOSCH
A 0004319186 CUP
Repalced by: A 0004312786
A 0014310886 CUP
Repalced by: A 0014311186
A 0014311186 CUP
TO 000 431 24 14,BOSCH
A 0014311186 CUP
TO 000 431 24 14,BOSCH
A 0014310786 CUP
Repalced by: A 0004312786
A 0004312786 CUP
TO 000 431 21 14,BOSCH
A 0004318583 PISTON
TO 000 431 21 14,BOSCH
A 0089977948 SEAL RING
TO 000 431 24 14,BOSCH
A 0089977948 SEAL RING
TO 000 431 24 14,BOSCH
A 0089977548 SEAL RING
TO 000 431 21 14,BOSCH
A 0049971740 SEAL RING
TO 000 431 24 14,BOSCH
A 0049971740 SEAL RING
TO 000 431 21 14,BOSCH
749 A 0004310649 SLIDE
TO 000 431 24 14,BOSCH
750 A 0004318186 CUP
Repalced by: A 0015864342
A 0004310736 FILTER BOTTOM
TO 000 431 21 14,000 431 24 14,BOSCH
A 0004319086 CUP
Repalced by: A 0004318587
A 0004318587 PROTECTIVE CAP
TO 000 431 13 14,86 14
751 A 0004319586 CUP
TO 000 431 77 14,76 14,KNORR
753 A 0004319686 CUP
TO 000 431 77 14,KNORR
755 A 0004311880 GASKET
TO 000 431 77 14,KNORR
757 A 0059971148 SEAL RING
TO 000 431 77 14,KNORR
759 A 0014311160 SEAL RING
TO 000 431 77 14,KNORR
759R A 0015864342 REPAIR KIT
Repalced by: A 0034201724
759R A 0034201724 REPAIR KIT
TO 000 431 21 14,000 431 24 14,BOSCH
A 0025861443 REPAIR KIT
TO 001 431 13 14,WABCO
759T A 0014301660 REPAIR KIT
000 431 76 14,KNORR
760 N 074315012100 FITTING
Repalced by: A 0019903371
760 A 0019903371 ELBOW FITTING
762 A 0009904770 T-FITTING
764 A 0004312031 TEST CONNECTION
VOSS
764 A 0004314531 TEST CONNECTION
SCHAEFER
764 A 0004314831 TEST CONNECTION
WABCO
764 A 0004316131 TEST CONNECTION
WIRA
A 0009979486 PLUG
765 N 080705016003 NUT
767 A 0004290927 THRUST RING
769 A 0029971640 SEAL RING
Repalced by: A 0009971548
769 A 0009971548 SEAL RING
780 A 3604302311 CONSOLE
782 N 000933010105 SCREW
783 N 913004010008 NUT
Repalced by: N 910113010000
783 N 910113010000 NUT
786 N 000933010129 SCREW
Repalced by: N 304017010002
786 N 304017010002 SCREW
787 A 3859900140 WASHER
Repalced by: A 3859900540
787 A 3859900540 WASHER
788 N 000125010518 WASHER
Repalced by: N 000125010532
788 N 000125010532 WASHER
789 N 913004010008 NUT
Repalced by: N 910113010000
789 N 910113010000 NUT
800 A 3854200080 BRAKE INTERMEDIATE SHAFT
805 A 3274270058 SEAL HOLDER
807 A 3279970040 SEAL RING
810 A 3854200178 BEARING BRACKET
815 A 3024260083 SPHERICAL PIECE
Repalced by: A 3025860242
817 N 000470052000 EXPANSION PLUG
819 A 3025860242 REPAIR KIT
Repalced by: A 3534200067
819 A 3534200067 REPAIR KIT
Repalced by: A 3534200167
819 A 3534200167 BALL CUP
BRAKE INTERMEDIATE SHAFT BEARING
821 N 000933010145 SCREW
822 N 913004010008 NUT
Repalced by: N 910113010000
822 N 910113010000 NUT
825 A 3604200474 ROD
830 N 001480012200 TURNBUCKLE
Repalced by: A 3859960034
830 A 3859960034 NUT
835 N 000934012020 NUT
840 N 000934012021 NUT
850 A 3604200774 ROD
855 A 3529910207 PIN
865 N 000433013005 WASHER
Repalced by: N 000433013010
865 N 000433013010 WASHER
870 N 900055012001 SPRING WASHER
872 N 000094003210 COTTER PIN
875 A 3529910107 PIN
880 N 000433013005 WASHER
Repalced by: N 000433013010
880 N 000433013010 WASHER
N 000094003210 COTTER PIN