Pagrindinis meniu

Transporto priemonė: 1424; VIN numerio dalis: 383038
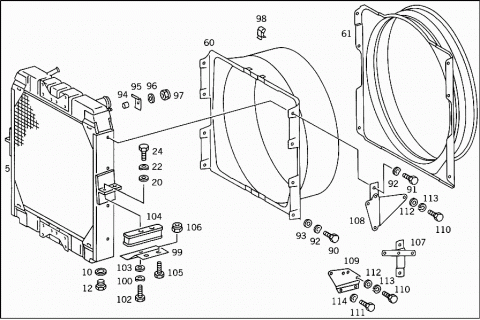
Grupė: 50 RADIATOR
62662
62663
62664
62665
62666
# Kodas Pavadinimas
005 A 3855010201 RADIATOR
Repalced by: A 3855010501
005 A 3855010501 RADIATOR
Repalced by: A 3815010501
005 A 3815010501 RADIATOR
005 A 3815010801 RADIATOR
005 A 3855010401 RADIATOR
Repalced by: A 3875002903
005 A 3875002903 RADIATOR
010 N 007603014405 SEAL RING
012 N 007604014101 SCREW PLUG
020 N 000125010518 WASHER
Repalced by: N 000125010532
020 N 000125010532 WASHER
RADIATOR TO BUFFER
022 N 000137010201 SPRING WASHER
RADIATOR TO BUFFER
024 N 000933010238 SCREW
Repalced by: N 304017010028
024 N 304017010028 SCREW
RADIATOR TO BUFFER
024 N 000933010164 SCREW
RADIATOR TO BUFFER
030 A 3815000849 TANK
COOLING WATER EXPANSION
030 A 3815000649 TANK
Repalced by: A 3815000749
030 A 3815000749 TANK
COOLING WATER EXPANSION
031 A 3815001249 TANK
EXPANSION TANK
032 A 0005013115 RADIATOR CAP
Repalced by: A 0005014215
032 A 0005013215 RADIATOR CAP
Repalced by: A 0005014215
032 A 0005014215 RADIATOR CAP
(BAYONET CAP)
033 A 0005014515 RADIATOR CAP
036 A 0005014615 RADIATOR CAP
036 A 0005017215 RADIATOR CAP
037 A 0005010480 GASKET
O.D.,
57 MM, TO 000 501 42 15,000 501 46 15
038 A 0005010880 GASKET
O.D.,
37 MM
040 A 3815010520 BRACKET
Repalced by: A 6155010020
040 A 6155010020 BRACKET
COOLING WATER EXPANSION TANK
040 A 3815000731 BRACKET
COOLING WATER EXPANSION TANK
041 A 3815001227 SUPPORT
EXPANSION TANK
042 A 3055000031 BRACKET
EXPANSION TANK
043 A 3055000131 BRACKET
EXPANSION TANK
044 N 000933008147 SCREW
Repalced by: N 304017008021
044 N 304017008021 SCREW
STRAP TO EXPANSION TANK
045 N 912004008102 LOCK WASHER
STRAP TO EXPANSION TANK
046 N 001434006067 PIN
STRAP TO SUPPORT
047 N 000094001617 COTTER PIN
STRAP TO SUPPORT
048 N 000960014145 SCREW
049 N 913004014002 NUT
Repalced by: N 910113014001
049 N 910113014001 NUT
050 N 912004010102 LOCK WASHER
BRACKET TO FENDER SUPPORT
051 N 000933010238 SCREW
Repalced by: N 304017010028
051 N 304017010028 SCREW
BRACKET TO FENDER SUPPORT
052 A 3815000131 BRACKET
Repalced by: A 3815012720
052 A 3815012720 BRACKET
(STRAP)
052 A 3815012520 BRACKET
053 A 3634750220 PAD
EXPANSION TANK TO SUPPORT
054 A 3815010095 SHIM
Repalced by: A 3815010295
054 A 3815010295 SHIM
Repalced by: A 3815010495
054 A 3815010495 SHIM
EXPANSION TANK TO SUPPORT
055 N 000933010105 SCREW
EXPANSION TANK TO SUPPORT
056 N 006902011101 WASHER
EXPANSION TANK TO SUPPORT
057 N 912004010102 LOCK WASHER
EXPANSION TANK TO SUPPORT
058 N 913004010008 NUT
Repalced by: N 910113010000
058 N 910113010000 NUT
EXPANSION TANK TO SUPPORT
058 N 910113010000 NUT
EXPANSION TANK TO SUPPORT
060 A 3855050555 FAN SHROUD
061 A 3875000216 AIR BAFFLE
X XXXXXXXXXXXX PART NAME MISSING
OIL COOLER
062 A 0005014401 RADIATOR
063 A 3852710640 BRACKET
Repalced by: A 6735460443
063 A 6735460443 BRACKET
064 N 000933008130 SCREW
Repalced by: N 304017008039
064 N 304017008039 SCREW
BRACKET TO WATER RADIATOR
M 8X12
065 N 900055008002 SPRING WASHER
BRACKET TO WATER RADIATOR
066 N 000933008212 SCREW
Repalced by: N 304017008016
066 N 304017008016 SCREW
OIL COOLER AND BRACKET TO RADIATOR
M 8X16
067 N 000125008418 WASHER
Repalced by: N 000125008443
067 N 000125008443 WASHER
OIL COOLER AND BRACKET TO RADIATOR
068 A 0002610283 OIL PIPE
OIL LINE TO OIL COOLER
069 N 915017015200 UNION NUT
FROM HOSE TO RADIATOR
070 N 915004013200 SEAL CONE
FROM HOSE TO RADIATOR
071 N 915017010100 UNION NUT
OIL LINE TO OIL COOLER
072 N 003861010009 GLAND
OIL LINE TO OIL COOLER
073 A 3852710740 BRACKET
OIL LINES
074 A 3852700441 BRACKET
OIL LINES
075 A 3852710840 BRACKET
OIL LINES
076 A 3852700341 BRACKET
OIL LINES
077 A 3852710940 BRACKET
OIL LINES
A 3634291840 BRACKET
OIL LINES
078 N 000125010518 WASHER
Repalced by: N 000125010532
078 N 000125010532 WASHER
OIL LINES
079 A 3609950301 CLAMP
OIL LINES
080 A 3164290040 BRACKET
OIL LINES
081 A 3852700541 BRACKET
OIL LINES
082 N 000933010328 SCREW
OIL LINES
083 N 000933006121 SCREW
Repalced by: N 304017006020
083 N 304017006020 SCREW
OIL LINES
M 6X20
083 N 000933006102 SCREW
OIL LINES
M 6X16
083 N 000933006103 SCREW
Repalced by: N 304017006018
083 N 304017006018 SCREW
OIL LINES
M 6X12
084 N 912004006102 LOCK WASHER
OIL LINES
085 N 913004006002 NUT
Repalced by: N 913004006001
085 N 913004006001 NUT
OIL LINES
086 A 3609950301 CLAMP
OIL LINES
087 N 007603014405 SEAL RING
LINE TO TRANSMISSION
088 N 003901010001 SCREW-IN FITTING
LINE TO TRANSMISSION
089 A 3859970782 HOSE
Repalced by: A 3859970982
089 A 3859970982 HOSE
.
089 A 3859971382 HOSE
.
090 N 000933006102 SCREW
AIR BAFFLE TO RADIATOR
090 N 000933006103 SCREW
Repalced by: N 304017006018
090 N 304017006018 SCREW
AIR BAFFLE TO RADIATOR
091 N 000933006130 SCREW
AIR BAFFLE TO RADIATOR
092 N 000137006204 SPRING WASHER
AIR BAFFLE TO RADIATOR
093 A 3859901140 WASHER
AIR BAFFLE TO RADIATOR
094 A 3815040051 SPACER RING
Repalced by: A 3469910040
094 A 3469910040 SPACER TUBE
AIR BAFFLE TO RADIATOR
095 A 3815040031 SUPPORTING PLATE
AIR BAFFLE TO RADIATOR
096 N 009021006205 WASHER
Repalced by: N 009021006208
096 N 009021006208 WASHER
AIR BAFFLE TO RADIATOR
097 N 913004006002 NUT
Repalced by: N 913004006001
097 N 913004006001 NUT
AIR BAFFLE TO RADIATOR
098 A 1235040246 CLAMP
AIR BAFFLE TO RADIATOR
099 A 3835040040 BRACKET
099 A 3835040401 SUPPORT
099 A 3855040101 SUPPORT
RADIATOR
099 A 3855040301 SUPPORT
RADIATOR
100 N 000137010201 SPRING WASHER
RUBBER MOUNTING TO BRACKET
100 N 000137010201 SPRING WASHER
BRACKET TO RADIATOR
102 N 000933010105 SCREW
RADIATOR TO BUFFER
102 N 000933010094 SCREW
BRACKET TO RADIATOR
102 N 000933010145 SCREW
BRACKET TO RADIATOR
103 N 000125010518 WASHER
Repalced by: N 000125010532
103 N 000125010532 WASHER
RADIATOR TO BUFFER
103 N 000125010518 WASHER
Repalced by: N 000125010532
103 N 000125010532 WASHER
BRACKET TO RADIATOR
104 A 3875040012 RUBBER MOUNTING
RADIATOR TO BUFFER
104 A 3875040112 RUBBER MOUNTING
RADIATOR TO BUFFER
105 N 000961012023 SCREW
BRACKET TO RADIATOR
106 N 910113012002 NUT
BRACKET TO RADIATOR
A 3835040084 SHIM
BRACKET TO RADIATOR
A 3855040184 SHIM
BRACKET TO RADIATOR
A 3855040284 SHIM
BRACKET TO RADIATOR
107 A 4010100140 BRACKET
OIL DIPSTICK TO RADIATOR
108 A 4020100140 BRACKET
OIL DIPSTICK TO RADIATOR
109 A 4030100340 BRACKET
OIL DIPSTICK TO RADIATOR
110 N 000933008145 SCREW
OIL-DIPSTICK GUIDE TUBE TO BRACKET
111 N 000933006130 SCREW
OIL DIPSTICK TO RADIATOR
111 N 000933006121 SCREW
Repalced by: N 304017006020
111 N 304017006020 SCREW
OIL DIPSTICK TO RADIATOR
112 N 007349008003 WASHER
OIL-DIPSTICK GUIDE TUBE TO BRACKET
113 N 912004008102 LOCK WASHER
OIL-DIPSTICK GUIDE TUBE TO BRACKET
114 N 000137006204 SPRING WASHER
OIL DIPSTICK TO RADIATOR
115 A 3855011482 HOSE
THERMOSTAT HOUSING TO WATER PUMP
115 A 3875010582 HOSE
116 N 916017070000 CLAMP
Repalced by: N 000000000674
116 N 000000000674 CLAMP
THERMOSTAT HOUSING TO WATER PUMP
117 N 916017050000 CLAMP
Repalced by: N 000000000672
117 N 000000000672 CLAMP
THERMOSTAT HOUSING TO WATER PUMP
118 A 3855011582 HOSE
FROM RADIATOR OUTLET TO WATER PUMP
119 A 3635010182 HOSE
FROM RADIATOR OUTLET TO WATER PUMP
120 A 3875010356 PIPE ELBOW
FROM RADIATOR OUTLET TO WATER PUMP
121 N 900271065003 HOSE
FROM RADIATOR OUTLET TO WATER PUMP
122 N 916017070000 CLAMP
Repalced by: N 000000000674
122 N 000000000674 CLAMP
FROM RADIATOR OUTLET TO WATER PUMP
123 N 916017050000 CLAMP
Repalced by: N 000000000672
123 N 000000000672 CLAMP
124 N 916017070000 CLAMP
Repalced by: N 000000000674
124 N 000000000674 CLAMP
125 A 3875010123 CONNECTOR
126 A 4032010480 GASKET
Repalced by: A 4422010480
126 A 4422010480 GASKET
CONNECTOR TO WATER PUMP
127 N 000137010201 SPRING WASHER
CONNECTOR TO WATER PUMP
128 N 000933010105 SCREW
CONNECTOR TO WATER PUMP
129 A 3875011082 HOSE
COOLING WATER LINE TO PIPE SOCKET
130 N 916017032000 CLAMP
Repalced by: N 000000000670
130 N 000000000670 CLAMP
COOLING WATER LINE TO PIPE SOCKET
131 A 3875011782 HOSE
COOLING WATER LINE
132 A 3855010524 COOLING WATER PIPE
132 A 3835011124 COOLING WATER PIPE
132 A 3855010624 COOLING WATER PIPE
132 A 3875011224 COOLING WATER PIPE
EXPANSION TANK
132 A 3875011124 COOLING WATER PIPE
WATER PUMP
133 N 900271028026 HOSE
133 A 3875011782 HOSE
COOLING WATER LINE
134 N 916017032000 CLAMP
Repalced by: N 000000000670
134 N 000000000670 CLAMP
134 N 916017032000 CLAMP
Repalced by: N 000000000670
134 N 000000000670 CLAMP
COOLING WATER LINE
135 A 3835010120 BRACKET
COOLING WATER LINE TO FRAME
A 3875012620 BRACKET
COOLING WATER LINE TO FRAME
136 N 000961012052 SCREW
Repalced by: N 308676012012
136 N 308676012012 SCREW
136 N 000961012151 SCREW
COOLING WATER LINE TO FRAME
137 N 910113012002 NUT
137 N 910113012002 NUT
COOLING WATER LINE TO FRAME
138 N 916016028200 CLAMP
COOLING WATER LINE TO BRACKET
138 N 916016028200 CLAMP
COOLING WATER LINE TO BRACKET
140 N 000933008147 SCREW
Repalced by: N 304017008021
140 N 304017008021 SCREW
COOLING WATER LINE TO BRACKET
140 N 304017008021 SCREW
COOLING WATER LINE TO BRACKET
142 N 913004008004 NUT
Repalced by: N 913004008001
142 N 913004008001 NUT
COOLING WATER LINE TO BRACKET
142 N 913004008001 NUT
COOLING WATER LINE TO BRACKET
145 A 3875000079 FLANGE
150 N 917003040008 GASKET
FROM ENGINE CONNECTION FLANGE TO HEATING PIPE AT RADIATOR
152 N 912004010102 LOCK WASHER
FROM ENGINE CONNECTION FLANGE TO HEATING PIPE AT RADIATOR
154 N 000933010105 SCREW
FROM ENGINE CONNECTION FLANGE TO HEATING PIPE AT RADIATOR
160 A 3875011420 BRACKET
A 3609951501 CLAMP
Repalced by: A 3609950601
162 A 3609950601 CLAMP
165 N 000933008212 SCREW
Repalced by: N 304017008016
165 N 304017008016 SCREW
HEATING PIPE TO ENGINE
165 N 000933006130 SCREW
HEATING PIPE TO ENGINE
167 N 913004008004 NUT
Repalced by: N 913004008001
167 N 913004008001 NUT
HEATING PIPE TO ENGINE
167 N 913004006003 NUT
Repalced by: N 910113006001
167 N 910113006001 NUT
HEATING PIPE TO ENGINE
170 A 3855060035 HOSE
Repalced by: A 3875060235
170 A 3875060235 HOSE
173 N 916017020000 CLAMP
Repalced by: N 000000000667
173 N 000000000667 CLAMP
175 A 3835000072 LINE
Repalced by: A 3875000072
175 A 3875000072 LINE
177 A 3835060035 HOSE
179 N 916017020000 CLAMP
Repalced by: N 000000000667
179 N 000000000667 CLAMP
185 A 3855060135 HOSE
Repalced by: A 3635060135
185 A 3875060435 HOSE
Repalced by: A 3635060135
185 A 3635060135 HOSE
Repalced by: A 3635060235
185 A 3635060235 HOSE
188 N 916017020000 CLAMP
Repalced by: N 000000000667
188 N 000000000667 CLAMP
188 N 916017025000 CLAMP
Repalced by: N 000000000668
188 N 000000000668 CLAMP
190 A 3875012025 BREATHER PIPE
FROM RADIATOR TO WATER EXPANSION TANK
190 A 3875016225 BREATHER PIPE
FROM RADIATOR TO WATER EXPANSION TANK
190 A 3875015925 BREATHER PIPE
FROM RADIATOR TO WATER EXPANSION TANK
192 A 3855011382 HOSE
192 N 900271012018 HOSE
DE-AERATION LINE TO EXPANSION TANK
194 N 900271015037 HOSE
DE-AERATION LINE TO EXPANSION TANK
194 A 3875011482 HOSE
195 N 916017020000 CLAMP
Repalced by: N 000000000667
195 N 000000000667 CLAMP
195 N 000000000667 CLAMP
200 A 3875011625 BREATHER PIPE
FROM ENGINE TO EXPANSION TANK
870 MM
200 A 3875016825 BREATHER PIPE
FROM ENGINE TO EXPANSION TANK
855 MM
200 A 3875015825 BREATHER PIPE
202 N 900271015037 HOSE
203 N 916017020000 CLAMP
Repalced by: N 000000000667
203 N 000000000667 CLAMP
204 A 3875014020 BRACKET
COOLING WATER LINE TO ENGINE MOUNTING
205 A 3839950001 CLAMP
COOLING WATER LINE TO ENGINE MOUNTING
206 N 000933008153 SCREW
Repalced by: N 304017008034
206 N 304017008034 SCREW
COOLING WATER LINE TO ENGINE MOUNTING
M 8X25
207 N 000933008147 SCREW
Repalced by: N 304017008021
207 N 304017008021 SCREW
COOLING WATER LINE TO ENGINE MOUNTING
M 8X20
208 N 009021008205 WASHER
Repalced by: N 009021008213
208 N 009021008213 WASHER
COOLING WATER LINE TO ENGINE MOUNTING
209 N 913004008004 NUT
Repalced by: N 913004008001
209 N 913004008001 NUT
COOLING WATER LINE TO ENGINE MOUNTING
210 A 3875011020 BRACKET
Repalced by: A 3855010220
210 A 3855010220 BRACKET
RADIATOR AND ENGINE BREATHING,AT ENGINE
211 A 3875015920 BRACKET
Repalced by: A 6454310740
211 A 6454310740 BRACKET
RADIATOR AND ENGINE BREATHING,AT ENGINE
213 A 3815011320 BRACKET
RADIATOR AND ENGINE BREATHING,AT ENGINE
214 N 000933010062 SCREW
RADIATOR AND ENGINE BREATHING,AT ENGINE
216 N 000125010518 WASHER
Repalced by: N 000125010532
216 N 000125010532 WASHER
RADIATOR AND ENGINE BREATHING,AT ENGINE
216 N 000125010532 WASHER
RADIATOR AND ENGINE BREATHING,AT ENGINE
218 N 913004010008 NUT
Repalced by: N 910113010000
218 N 910113010000 NUT
RADIATOR AND ENGINE BREATHING,AT ENGINE
218 N 910113010000 NUT
RADIATOR AND ENGINE BREATHING,AT ENGINE
220 A 3609951401 CLAMP
Repalced by: N 916016011202
220 N 916016011202 CLAMP
RADIATOR AND ENGINE BREATHING,AT ENGINE
220 N 916016011202 CLAMP
RADIATOR AND ENGINE BREATHING,AT ENGINE
222 A 3609951301 CLAMP
Repalced by: A 3609951201
222 A 3609951201 CLAMP
RADIATOR AND ENGINE BREATHING,AT ENGINE
222 A 3609951201 CLAMP
RADIATOR AND ENGINE BREATHING,AT ENGINE
222 A 3609950401 CLAMP
RADIATOR AND ENGINE BREATHING,AT ENGINE
222 A 3609952001 CLAMP
Repalced by: A 6739950001
222 A 6739950001 CLAMP
RADIATOR AND ENGINE BREATHING,AT ENGINE
228 N 000933008147 SCREW
Repalced by: N 304017008021
228 N 304017008021 SCREW
RADIATOR AND ENGINE BREATHING,AT ENGINE
228 N 000933006102 SCREW
RADIATOR AND ENGINE BREATHING,AT ENGINE
M 6X16
228 N 000933006102 SCREW
RADIATOR AND ENGINE BREATHING,AT ENGINE
228 N 000933006127 SCREW
RADIATOR AND ENGINE BREATHING,AT ENGINE
M 6X25
228 N 000933008147 SCREW
Repalced by: N 304017008021
228 N 304017008021 SCREW
RADIATOR AND ENGINE BREATHING,AT ENGINE
230 N 913004008004 NUT
Repalced by: N 913004008001
230 N 913004008001 NUT
RADIATOR AND ENGINE BREATHING,AT ENGINE
230 N 913004008001 NUT
RADIATOR AND ENGINE BREATHING,AT ENGINE
230 N 913004006002 NUT
Repalced by: N 913004006001
230 N 913004006001 NUT
RADIATOR AND ENGINE BREATHING,AT ENGINE