Pagrindinis meniu

Transporto priemonė: 1933; VIN numerio dalis: 621097
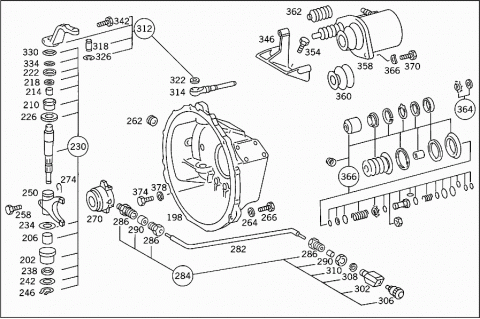
Grupė: 25 CLUTCH
16896
16897
16898
# Kodas Pavadinimas
004 A 0042507004 CLUTCH PRESSURE PLATE
(TWIN PLATE CLUTCH) CLUTCH DISC LINING ASBESTOS-FREE
004 A 0042507104 CLUTCH PRESSURE PLATE
(TWIN PLATE CLUTCH) CLUTCH DISC LINING ASBESTOS-FREE
004 A 0042507204 CLUTCH PRESSURE PLATE
(TWIN PLATE CLUTCH) CLUTCH DISC LINING ASBESTOS-FREE
004 A 0042509604 CLUTCH PRESSURE PLATE
Repalced by: A 0042507004
004 A 0042507004 CLUTCH PRESSURE PLATE
(TWIN PLATE CLUTCH) CLUTCH DISC LINING ASBESTOS-FREE
004 A 0032507404 CLUTCH PRESSURE PLATE
(TWIN PLATE CLUTCH)
004 A 0032509204 CLUTCH PRESSURE PLATE
(TWIN PLATE CLUTCH)
008 A 0032508304 CLUTCH PRESSURE PLATE
012 A 0002525512 PRESSURE PLATE
016 A 0002522714 BRACKET
Repalced by: A 0002522445
016 A 0002522445 FLANGE
020 A 0002523327 SPRING
SUSPENDED IN CLUTCH PRESSURE PLATE HOUSING
020 A 0002524027 SPRING
SUSPENDED BELOW LEAF SPRING
024 A 0002525913 RELEASE LEVER
Repalced by: A 0002501813
024 A 0002501813 RELEASE LEVER
028 A 0002522916 SPINDLE
Repalced by: A 0002520616
028 A 0002520616 SPINDLE
FOR RELEASE LEVERS
032 A 0002520118 ROLLER
Repalced by: A 0002501813
036 N 006799007007 LOCK PLATE
Repalced by: A 0002501813
040 A 0002522816 SPINDLE
Repalced by: A 0002501813
044 A 0002520614 BRACKET
Repalced by: A 0002501813
048 A 0002520519 LEAF SPRING
THIGH SPRING SUSPENDED IN CLUTCH PRESSURE PLATE HOUSING
048 A 0002523719 LEAF SPRING
THIGH SPRING SUSPENDED BELOW LEAF SPRING
052 A 0002521073 LOCK
056 A 0002522971 SCREW
060 A 0002521372 NUT
Repalced by: A 0002523072
060 A 0002523072 NUT
060 A 0002523927 SPRING
SUSPENDED BELOW LEAF SPRING
062 A 0002522127 SPRING
SUSPENDED IN CLUTCH PRESSURE PLATE HOUSING
066 A 0002528320 PRESSURE SPRING
SPRING STEEL WIRE DIA.,
5.50 MM
066 A 0002528820 PRESSURE SPRING
SPRING STEEL WIRE DIA.,
5.30 MM
074 A 0002520079 RING
075 A 0009908412 SCREW
Repalced by: N 000912010038
075 N 006912010030 SCREW
076 N 000137010201 SPRING WASHER
078 A 0002510003 COUPLING RING
Repalced by: A 0002501308
078 A 0002501308 INTERMEDIATE PIECE
Repalced by: A 0002501608
078 A 0002501608 INTERMEDIATE PIECE
082 A 0002510012 REINFORCEMENT PLATE
Repalced by: A 0002501608
086 A 0002510073 LOCK
Repalced by: A 0002501608
090 A 0002522071 SCREW
Repalced by: A 0002501608
094 A 0002510371 SCREW
Repalced by: A 0002510571
094 A 0002510571 SCREW
Repalced by: A 0002501608
098 A 0002510052 SPACER WASHER
Repalced by: A 0002501608
102 A 0002510070 STUD
Repalced by: A 0002501608
T YYYYYYYYYYYY PART NAME MISSING
SEE FIG. NO.:
116
107 A 0002500161 SLEEVE VALVE
Repalced by: A 0002500361
107 A 0002500361 SLEEVE VALVE
(REPAIR KIT),SQUEEZE-OFF DEVICE HEX.HEAD SCREW
M 6
107 A 0002500461 SLEEVE VALVE
(REPAIR KIT),SQUEEZE-OFF DEVICE HEX.SOCKET SCREW
M 8
110 A 0002510076 WASHER
Repalced by: A 0002501608
114 A 0002510471 SCREW
M 6
114 A 0002510671 SCREW
M 8
116 A 0082507903 CLUTCH DISC
ASBESTOS-FREE LINING
116 A 0082508003 CLUTCH DISC
ASBESTOS-FREE LINING
116 A 0082508103 CLUTCH DISC
ASBESTOS-FREE LINING
116 A 0102507403 CLUTCH DISC
Repalced by: A 0082507903
116 A 0082507903 CLUTCH DISC
ASBESTOS-FREE LINING
116 A 0042509603 CLUTCH DISC
116 A 0052509303 CLUTCH DISC
A 0002520419 LEAF SPRING
Repalced by: A 0002523819
A 0002523819 LEAF SPRING
A 0002522075 RIVET
LEAF SPRING TO CLUTCH DISC
5X6 MM
A 0002523975 RIVET
LEAF SPRING TO CLUTCH DISC
6X6 MM
A 0012523210 CLUTCH LINING
ASBESTOS-FREE
A 0012522910 CLUTCH LINING
A 0002521275 RIVET
Repalced by: A 0002524375
A 0002524375 RIVET
LINING WITH INTERMEDIATE SPRING
A 0002521475 RIVET
Repalced by: A 0002523875
A 0002523875 RIVET
LINING WITH CLUTCH DISC
118 A 0032506104 CLUTCH PRESSURE PLATE
Repalced by: A 0032509004
118 A 0032508604 CLUTCH PRESSURE PLATE
Repalced by: A 0032509004
118 A 0032509004 CLUTCH PRESSURE PLATE
122 A 0002523632 HOUSING
RELEASE LEVER
122 A 0002524832 HOUSING
RELEASE LEVER
126 A 0002522927 SPRING
RELEASE LEVER
130 A 0002523127 SPRING
RELEASE FLANGE TO RELEASE LEVER
134 A 0002525212 PRESSURE PLATE
134 A 0002525612 PRESSURE PLATE
134 A 0002525612 PRESSURE PLATE
138 A 0002525613 RELEASE LEVER
138 A 0002526013 RELEASE LEVER
138 A 0002526013 RELEASE LEVER
140 A 0002522216 SPINDLE
FOR RELEASE LEVERS
140 A 0002523216 SPINDLE
FOR RELEASE LEVERS
140 A 0002523216 SPINDLE
FOR RELEASE LEVERS
142 A 0002523116 SPINDLE
FOR BRACKETS
142 A 0002523316 SPINDLE
FOR BRACKETS
142 A 0002523316 SPINDLE
FOR BRACKETS
146 A 0002522114 BRACKET
FOR BEDDING THE LEVERS IN CLUTCH PRESSURE PLATE
146 A 0002522814 BRACKET
FOR BEDDING THE LEVERS IN CLUTCH PRESSURE PLATE
146 A 0002522814 BRACKET
FOR BEDDING THE LEVERS IN CLUTCH PRESSURE PLATE
150 N 006799007007 LOCK PLATE
150 N 006799009002 LOCK PLATE
150 N 006799009002 LOCK PLATE
154 A 0002520535 SLEEVE
158 A 0002521145 FLANGE
158 A 0002522345 FLANGE
158 A 0002522345 FLANGE
162 A 0002527820 PRESSURE SPRING
Repalced by: A 0002528620
162 A 0002528620 PRESSURE SPRING
SPRING STEEL WIRE DIA.,
4.30 MM
162 A 0002528620 PRESSURE SPRING
SPRING STEEL WIRE DIA.,
4.30 MM
162 A 0002528620 PRESSURE SPRING
SPRING STEEL WIRE DIA.,
4.30 MM
162 A 0002528520 PRESSURE SPRING
Repalced by: A 0002528720
162 A 0002528720 PRESSURE SPRING
4.40 MM
162 A 0002528720 PRESSURE SPRING
4.40 MM
166 A 0002523219 LEAF SPRING
170 A 0002523572 NUT
174 A 0002521273 LOCK
176 A 0002520418 ROLLER
178 A 0002522971 SCREW
182 N 912004010102 LOCK WASHER
CLUTCH TO FLYWHEEL
186 N 000931010379 SCREW
CLUTCH TO FLYWHEEL
M 10X110
186 N 000931010239 SCREW
CLUTCH TO FLYWHEEL
M 10X80
190 A 0082507903 CLUTCH DISC
ASBESTOS-FREE
190 A 0082508003 CLUTCH DISC
ASBESTOS-FREE
190 A 0082508103 CLUTCH DISC
ASBESTOS-FREE
190 A 0102507403 CLUTCH DISC
Repalced by: A 0082507903
190 A 0082507903 CLUTCH DISC
ASBESTOS-FREE LINING
190 A 0042509603 CLUTCH DISC
190 A 0052509303 CLUTCH DISC
194 A 0082507403 CLUTCH DISC
ASBESTOS-FREE
194 A 0052506003 CLUTCH DISC
194 A 0052506103 CLUTCH DISC
A 0002520419 LEAF SPRING
Repalced by: A 0002523819
A 0002523819 LEAF SPRING
A 0002523319 LEAF SPRING
Repalced by: A 0002523919
A 0002523919 LEAF SPRING
A 0002522075 RIVET
LEAF SPRING TO CLUTCH DISC
5X6 MM
A 0002523975 RIVET
LEAF SPRING TO CLUTCH DISC
6X6 MM
A 0012523210 CLUTCH LINING
ASBESTOS-FREE
A 0012522910 CLUTCH LINING
A 0012523310 CLUTCH LINING
Repalced by: A 0012528310
A 0012528310 CLUTCH LINING
Repalced by: A 0022520010
A 0022520010 CLUTCH LINING
ASBESTOS-FREE
A 0012522010 CLUTCH LINING
A 0002521275 RIVET
Repalced by: A 0002524375
A 0002524375 RIVET
LINING WITH INTERMEDIATE SPRING
A 0002521475 RIVET
Repalced by: A 0002523875
A 0002523875 RIVET
LINING WITH CLUTCH DISC
A 0002523375 RIVET
Repalced by: A 0002523775
A 0002523775 RIVET
Repalced by: A 0002524675
A 0002524675 RIVET
Repalced by: A 0002524875
A 0002524875 RIVET
LINING WITH CLUTCH DISC AND INTERMEDIATE SPRING
198 A 6202500305 HOUSING
Repalced by: A 4032505405
198 A 4032505405 HOUSING
BELL HOUSING WITH BUSHINGS
198 A 4032505405 HOUSING
BELL HOUSING WITH BUSHINGS
198 A 6202501505 HOUSING
Repalced by: A 6212500305
198 A 6212500305 HOUSING
BELL HOUSING WITH BUSHINGS
202 A 3432510150 BUSHING
BOTTOM
206 A 3439920103 BUSHING
BOTTOM
210 A 3852510450 BUSHING
Repalced by: A 6202510050
210 A 6202510050 BUSHING
TOP
214 A 3389920103 BUSHING
TOP
218 A 3859970040 SEAL RING
222 A 0119978846 SEAL RING
A 0099971547 SEAL RING
226 A 3852930027 COVER PLATE
TOP
230 A 3895860025 REPAIR KIT
Repalced by: A 3892500014
230 A 3892500014 SHAFT
Repalced by: A 3852500014
230 A 3852500014 SHAFT
(PARTS KIT),RELEASE SHAFT
234 A 3172930177 WASHER
AS REQUIRED
0.80 MM
234 A 3172930277 WASHER
AS REQUIRED
0.90 MM
234 A 3172930377 WASHER
AS REQUIRED
1.00 MM
234 A 3172930477 WASHER
AS REQUIRED
1.10 MM
234 A 3172930577 WASHER
AS REQUIRED
1.20 MM
234 A 3172930677 WASHER
AS REQUIRED
1.30 MM
238 A 3379975040 SEAL RING
BOTTOM
242 A 3432930052 SPACER WASHER
BOTTOM
246 N 000471024000 LOCK RING
BOTTOM
250 A 6202540108 RELEASE LEVER
258 N 000931012033 SCREW
Repalced by: N 000933012102
258 N 000933012102 SCREW
Repalced by: N 304017012018
258 N 304017012018 SCREW
RELEASE LEVER TO SHAFT
262 A 3852510083 PLUG
Repalced by: A 6202510383
262 A 6202510383 PLUG
BELL HOUSING
264 N 000125010518 WASHER
Repalced by: N 000125010532
264 N 000125010532 WASHER
BELL HOUSING TO TIMING GEAR CASE
266 N 000931010264 SCREW
BELL HOUSING TO TIMING GEAR CASE
270 A 0002507515 RELEASE BEARING
270 A 0002507315 RELEASE BEARING
274 A 3179930225 SPRING
RELEASE COLLAR TO RELEASE YOKE
282 A 3859970582 HOSE
RELEASE BEARING LUBRICATION
284 A 6209970288 GREASE NIPPLE
(PARTS KIT) RELEASE BEARING LUBRICATION
286 N 071428004102 SCREW-IN FITTING
RELEASE BEARING LUBRICATION
286 N 003871004102 UNION SCREW
RELEASE BEARING LUBRICATION
290 N 003862004001 DOUBLE TAPER RING
RELEASE BEARING LUBRICATION
302 A 3872510108 INTERMEDIATE PIECE
Repalced by: A 6209970088
302 A 6209970088 GREASE NIPPLE
RELEASE BEARING LUBRICATION
306 N 003411002001 GREASE CUP
Repalced by: A 6209880135
306 A 6209880135 CAP
RELEASE BEARING LUBRICATION
308 N 912004014100 LOCK WASHER
RELEASE BEARING LUBRICATION
310 N 000936014010 NUT
Repalced by: N 308675014000
310 N 308675014000 NUT
Repalced by: N 308675014002
310 N 308675014002 NUT
RELEASE BEARING LUBRICATION
A 6202950028 LEVER
CLUTCH ACTUATION
312 A 6202900434 LEVER
(PARTS KIT),CLUTCH ACTUATION
314 A 0009967640 ROD END
CLUTCH ACTUATION
318 A 3072560074 PIN
CLUTCH ACTUATION
322 A 0019970041 SEAL RING
Repalced by: A 0019972141
322 A 0019972141 SEAL RING
CLUTCH ACTUATION
326 N 000471012001 LOCK RING
CLUTCH ACTUATION
330 A 3852540576 WASHER
Repalced by: A 6202540176
330 A 6202540176 WASHER
RELEASE SHAFT,TOP
330 A 6202500155 COVER
RELEASE SHAFT,TOP
334 A 0029972948 SEAL RING
RELEASE SHAFT,TOP
342 N 000931010258 SCREW
LEVER TO RELEASE SHAFT
346 A 6202950240 BRACKET
SLAVE CYLINDER
354 N 000933010129 SCREW
Repalced by: N 304017010002
354 N 304017010002 SCREW
BRACKET TO BELL HOUSING
358 A 0012952107 SLAVE CYLINDER
CLUTCH ACTUATION
KNORR
358 A 0012952207 SLAVE CYLINDER
Repalced by: A 0012953107
358 A 0012953107 SLAVE CYLINDER
Repalced by: A 0012956707
358 A 0012956707 SLAVE CYLINDER
CLUTCH ACTUATION
WABCO
358 A 0012953907 SLAVE CYLINDER
CLUTCH ACTUATION
KONGSBERG
360 A 0002954183 BOOT
TO 001 295 31 07,WABCO 970 051 113 0,
Y YYYYYYYYYYYY PART NAME MISSING
001 295 67 07,WABCO 970 051 131 0
A 0002956683 BOOT
KONGSBERG
362 A 0002954283 BOOT
TO 001 295 31 07,WABCO 970 051 113 0,
Y YYYYYYYYYYYY PART NAME MISSING
001 295 67 07,WABCO 970 051 131 0
A 0002956783 BOOT
KONGSBERG
364 A 0002900367 REPAIR KIT
CLUTCH SLAVE CYLINDER
TO 001 295 22 07,WABCO 744 805 000 8,
T YYYYYYYYYYYY PART NAME MISSING
744 805 990 8
366 A 0002900667 REPAIR KIT
CLUTCH SLAVE CYLINDER
TO 001 295 31 07,WABCO 970 051 113 0
366 A 0002903267 REPAIR KIT
CLUTCH SLAVE CYLINDER
TO 001 295 67 07,WABCO 970 051 131 0
A 0002900047 REPAIR KIT
CLUTCH SLAVE CYLINDER
KONGSBERG
370 N 914126010032 SCREW
Repalced by: N 914146010114
370 N 914146010114 SCREW
CLUTCH SLAVE CYLINDER TO BRACKET
374 N 000960018111 SCREW
Repalced by: N 308676018010
374 N 308676018010 SCREW
BELL HOUSING TO TRANSMISSION
378 N 912004018101 LOCK WASHER
BELL HOUSING TO TRANSMISSION