|
X XXXXXXXXXXXX |
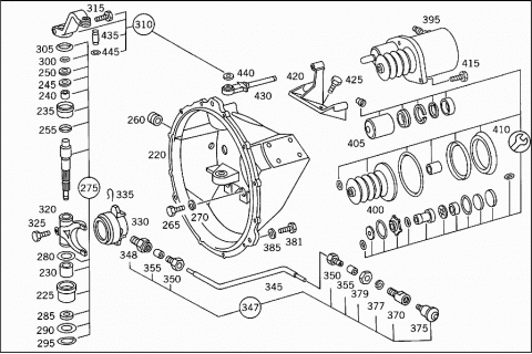
PART NAME MISSING |
|
|
CLUTCH PRESSURE PLATE,BELL HOUSING |
| 010 |
A 0042504104 |
CLUTCH PRESSURE PLATE |
|
|
(TWIN PLATE CLUTCH) CLUTCH DISC LINING ASBESTOS-FREE |
| 010 |
A 0042505504 |
CLUTCH PRESSURE PLATE |
|
|
(TWIN PLATE CLUTCH) CLUTCH DISC LINING ASBESTOS-FREE |
| 010 |
A 0042507304 |
CLUTCH PRESSURE PLATE |
|
|
(TWIN PLATE CLUTCH) CLUTCH DISC LINING ASBESTOS-FREE |
| 010 |
A 0042509804 |
CLUTCH PRESSURE PLATE |
|
Repalced by: A 0042504104
|
| 010 |
A 0042504004 |
CLUTCH PRESSURE PLATE |
|
|
(TWIN PLATE CLUTCH) |
| 010 |
A 0042503504 |
CLUTCH PRESSURE PLATE |
|
|
(TWIN PLATE CLUTCH) CLUTCH DISC LINING ASBESTOS-FREE |
| 010 |
A 0042503604 |
CLUTCH PRESSURE PLATE |
|
|
(TWIN PLATE CLUTCH) CLUTCH DISC LINING ASBESTOS-FREE |
| 010 |
A 0042509704 |
CLUTCH PRESSURE PLATE |
|
|
(TWIN PLATE CLUTCH) CLUTCH DISC LINING ASBESTOS-FREE |
| 015 |
A 0042505404 |
CLUTCH PRESSURE PLATE |
| 020 |
A 0002526412 |
PRESSURE PLATE |
| 025 |
A 0002522445 |
FLANGE |
| 030 |
A 0002524027 |
SPRING |
| 035 |
A 0002523927 |
SPRING |
| 040 |
A 0002526713 |
RELEASE LEVER |
| 045 |
A 0002520118 |
ROLLER |
|
|
RELEASE LEVER |
| 050 |
A 0002520616 |
SPINDLE |
|
|
FOR BEDDING THE LEVERS IN CLUTCH PRESSURE PLATE |
| 055 |
A 0002520614 |
BRACKET |
|
|
RELEASE LEVER |
| 060 |
A 0002522816 |
SPINDLE |
|
|
FOR BEDDING THE LEVERS IN BRACKETS |
| 065 |
N 006799007007 |
LOCK PLATE |
| 070 |
A 0002523719 |
LEAF SPRING |
|
|
BRACKET TO CLUTCH PRESSURE PLATE HOUSING |
| 075 |
A 0002523072 |
NUT |
|
|
BRACKET TO CLUTCH PRESSURE PLATE HOUSING |
| 080 |
A 0002521073 |
LOCK |
|
|
BRACKET TO CLUTCH PRESSURE PLATE HOUSING |
| 085 |
A 0002522971 |
SCREW |
|
|
LOCK TO CLUTCH PRESSURE PLATE |
| 090 |
A 0002528320 |
PRESSURE SPRING |
| 095 |
A 0002501408 |
INTERMEDIATE PIECE |
|
Repalced by: A 0002501908
|
| 095 |
A 0002501908 |
INTERMEDIATE PIECE |
| 100 |
A 0002510176 |
WASHER |
| 105 |
A 0002524119 |
LEAF SPRING |
|
Repalced by: A 0002525019
|
| 105 |
A 0002525019 |
LEAF SPRING |
| 110 |
A 0002523471 |
SCREW |
| 115 |
A 0002510276 |
WASHER |
| 120 |
A 0002510112 |
REINFORCEMENT PLATE |
| 125 |
A 0002521071 |
SCREW |
|
Repalced by: A 1829900001
|
| 125 |
A 1829900001 |
SCREW |
| 130 |
A 0002500261 |
SLEEVE VALVE |
|
Repalced by: A 0002500361
|
| 130 |
A 0002500361 |
SLEEVE VALVE |
|
|
(REPAIR KIT),SQUEEZE-OFF DEVICE HEX.HEAD SCREW |
|
|
M 6 |
| 130 |
A 0002500461 |
SLEEVE VALVE |
|
|
(REPAIR KIT),SQUEEZE-OFF DEVICE HEX.SOCKET SCREW |
|
|
M 8 |
| 135 |
A 0002510471 |
SCREW |
|
|
M 6 |
| 135 |
A 0002510671 |
SCREW |
|
|
M 8 |
| 140 |
A 0009908412 |
SCREW |
|
Repalced by: N 000912010038
|
| 140 |
N 006912010030 |
SCREW |
| 145 |
N 000137010201 |
SPRING WASHER |
| 150 |
A 0072505003 |
CLUTCH DISC |
|
|
ON TRANSMISSION END;ASBESTOS-FREE LINING |
| 150 |
A 0082501703 |
CLUTCH DISC |
|
|
ON TRANSMISSION END;ASBESTOS-FREE LINING |
| 150 |
A 0082508303 |
CLUTCH DISC |
|
|
ON TRANSMISSION END;ASBESTOS-FREE LINING |
| 150 |
A 0102507803 |
CLUTCH DISC |
|
|
ON TRANSMISSION END;ASBESTOS-FREE LINING |
| 150 |
A 0072504903 |
CLUTCH DISC |
|
|
ON TRANSMISSION END |
| 150 |
A 0072500203 |
CLUTCH DISC |
|
|
ON TRANSMISSION END;ASBESTOS-FREE LINING |
| 150 |
A 0072500303 |
CLUTCH DISC |
|
|
ON TRANSMISSION END;ASBESTOS-FREE LINING |
| 150 |
A 0102507603 |
CLUTCH DISC |
|
|
ON TRANSMISSION END;ASBESTOS-FREE LINING |
| 155 |
A 0002524219 |
LEAF SPRING |
| 160 |
A 0002523975 |
RIVET |
|
|
LEAF SPRING TO CLUTCH DISC |
| 165 |
A 0012523610 |
CLUTCH LINING |
|
Repalced by: A 0012529410
|
| 165 |
A 0012529410 |
CLUTCH LINING |
|
Repalced by: A 0022521010
|
| 165 |
A 0022521010 |
CLUTCH LINING |
|
|
ASBESTOS-FREE |
| 170 |
A 0002524375 |
RIVET |
|
|
LINING WITH INTERMEDIATE SPRING |
| 170 |
A 0002523875 |
RIVET |
|
|
LINING WITH CLUTCH DISC |
| 180 |
A 0072504703 |
CLUTCH DISC |
|
|
ON ENGINE END; ASBESTOS-FREE LINING |
| 180 |
A 0082501603 |
CLUTCH DISC |
|
|
ON ENGINE END; ASBESTOS-FREE LINING |
| 180 |
A 0082508203 |
CLUTCH DISC |
|
|
ON ENGINE END; ASBESTOS-FREE LINING |
| 180 |
A 0102507703 |
CLUTCH DISC |
|
Repalced by: A 0072504703
|
| 180 |
A 0072504703 |
CLUTCH DISC |
|
|
ON ENGINE END; ASBESTOS-FREE LINING |
| 180 |
A 0072504603 |
CLUTCH DISC |
|
|
ON ENGINE END |
| 180 |
A 0062509503 |
CLUTCH DISC |
|
|
ON ENGINE END; ASBESTOS-FREE LINING |
| 180 |
A 0062509603 |
CLUTCH DISC |
|
|
ON ENGINE END; ASBESTOS-FREE LINING |
| 180 |
A 0102507503 |
CLUTCH DISC |
|
|
ON ENGINE END; ASBESTOS-FREE LINING |
| 185 |
A 0012523510 |
CLUTCH LINING |
|
Repalced by: A 0012529710
|
| 185 |
A 0012529710 |
CLUTCH LINING |
|
|
ASBESTOS-FREE |
| 190 |
A 0002524075 |
RIVET |
|
|
LINING WITH CLUTCH DISC |
| 195 |
N 000931010379 |
SCREW |
|
|
CLUTCH PRESSURE PLATE TO FLYWHEEL |
| 200 |
N 912004010102 |
LOCK WASHER |
|
|
CLUTCH PRESSURE PLATE TO FLYWHEEL |
| 220 |
A 6202500305 |
HOUSING |
|
Repalced by: A 4032505405
|
| 220 |
A 4032505405 |
HOUSING |
|
|
CLUTCH |
| 225 |
A 3432510150 |
BUSHING |
|
|
BOTTOM |
| 230 |
A 3439920103 |
BUSHING |
|
|
BOTTOM |
|
|
24X27 MM |
| 235 |
A 3852510450 |
BUSHING |
|
Repalced by: A 6202510050
|
| 235 |
A 6202510050 |
BUSHING |
|
|
TOP |
| 240 |
A 3389920103 |
BUSHING |
|
|
TOP |
|
|
35X39 MM |
| 245 |
A 3859970040 |
SEAL RING |
|
|
TOP |
| 250 |
A 0119978846 |
SEAL RING |
|
|
TOP |
| 250 |
A 0099971547 |
SEAL RING |
|
|
TOP |
| 255 |
A 3852930027 |
COVER PLATE |
|
|
TOP |
| 260 |
A 3852510083 |
PLUG |
|
|
BELL HOUSING |
| 265 |
N 000960018111 |
SCREW |
|
|
BELL HOUSING TO TRANSMISSION |
| 270 |
N 912004018101 |
LOCK WASHER |
|
|
BELL HOUSING TO TRANSMISSION |
| 275 |
A 3892500014 |
SHAFT |
|
Repalced by: A 3852500014
|
| 275 |
A 3852500014 |
SHAFT |
|
|
(PARTS KIT),RELEASE SHAFT |
| 280 |
A 3172930177 |
WASHER |
|
|
AS REQUIRED |
|
|
0.80 MM |
| 280 |
A 3172930277 |
WASHER |
|
|
AS REQUIRED |
|
|
0.90 MM |
| 280 |
A 3172930377 |
WASHER |
|
|
AS REQUIRED |
|
|
1.00 MM |
| 280 |
A 3172930477 |
WASHER |
|
|
AS REQUIRED |
|
|
1.10 MM |
| 280 |
A 3172930577 |
WASHER |
|
|
AS REQUIRED |
|
|
1.20 MM |
| 280 |
A 3172930677 |
WASHER |
|
|
AS REQUIRED |
|
|
1.30 MM |
| 285 |
A 3379975040 |
SEAL RING |
|
|
RELEASE SHAFT,BOTTOM |
| 290 |
A 3432930052 |
SPACER WASHER |
|
|
RELEASE SHAFT,BOTTOM |
| 295 |
N 000471024000 |
LOCK RING |
|
|
RELEASE SHAFT,BOTTOM |
| 300 |
A 0029972948 |
SEAL RING |
|
|
RELEASE SHAFT,TOP |
| 305 |
A 6202540176 |
WASHER |
|
|
RELEASE SHAFT,TOP |
| 305 |
A 6202500155 |
COVER |
|
|
RELEASE SHAFT,TOP |
|
A 6202950028 |
LEVER |
|
|
CLUTCH ACTUATION |
| 310 |
A 6202900434 |
LEVER |
|
|
(PARTS KIT),CLUTCH ACTUATION |
| 315 |
N 000931010258 |
SCREW |
|
|
LEVER TO RELEASE SHAFT |
| 320 |
A 6202540108 |
RELEASE LEVER |
| 325 |
N 000931012033 |
SCREW |
|
Repalced by: N 000933012102
|
| 325 |
N 000933012102 |
SCREW |
|
Repalced by: N 304017012018
|
| 325 |
N 304017012018 |
SCREW |
|
|
RELEASE LEVER TO SHAFT |
|
|
M 12X50 |
| 330 |
A 0002507515 |
RELEASE BEARING |
| 335 |
A 3179930225 |
SPRING |
|
|
RELEASE BEARING TO RELEASE LEVER |
| 345 |
A 3859970582 |
HOSE |
|
|
RELEASE BEARING LUBRICATION |
| 347 |
A 6209970288 |
GREASE NIPPLE |
|
|
(PARTS KIT) RELEASE BEARING LUBRICATION |
| 348 |
N 071428004102 |
SCREW-IN FITTING |
|
|
RELEASE BEARING LUBRICATION |
| 350 |
N 003871004102 |
UNION SCREW |
|
|
RELEASE BEARING LUBRICATION |
| 355 |
N 003862004001 |
DOUBLE TAPER RING |
|
|
RELEASE BEARING LUBRICATION |
| 370 |
A 6209970088 |
GREASE NIPPLE |
|
|
RELEASE BEARING LUBRICATION |
| 375 |
A 6209880135 |
CAP |
|
|
RELEASE BEARING LUBRICATION |
| 377 |
N 912004014100 |
LOCK WASHER |
|
|
RELEASE BEARING LUBRICATION |
| 379 |
N 000936014010 |
NUT |
|
Repalced by: N 308675014000
|
| 379 |
N 308675014000 |
NUT |
|
Repalced by: N 308675014002
|
| 379 |
N 308675014002 |
NUT |
|
|
RELEASE BEARING LUBRICATION |
| 381 |
N 000931010264 |
SCREW |
|
|
BELL HOUSING TO TIMING GEAR CASE |
| 385 |
N 000125010518 |
WASHER |
|
Repalced by: N 000125010532
|
| 385 |
N 000125010532 |
WASHER |
|
|
BELL HOUSING TO TIMING GEAR CASE |
| 395 |
A 0012952107 |
SLAVE CYLINDER |
|
|
CLUTCH ACTUATION |
|
|
KNORR |
| 395 |
A 0012956707 |
SLAVE CYLINDER |
|
|
CLUTCH ACTUATION |
|
|
WABCO |
| 395 |
A 0012953907 |
SLAVE CYLINDER |
|
|
CLUTCH ACTUATION |
|
|
KONGSBERG |
| 400 |
A 0002954183 |
BOOT |
|
|
WABCO |
|
A 0002956683 |
BOOT |
|
|
KONGSBERG |
| 405 |
A 0002954283 |
BOOT |
|
|
WABCO |
|
A 0002956783 |
BOOT |
|
|
KONGSBERG |
| 410 |
A 0002903267 |
REPAIR KIT |
|
|
CLUTCH SLAVE CYLINDER |
|
|
WABCO |
|
A 0002900047 |
REPAIR KIT |
|
|
CLUTCH SLAVE CYLINDER |
|
|
KONGSBERG |
| 415 |
N 914126010032 |
SCREW |
|
Repalced by: N 914146010114
|
| 415 |
N 914146010114 |
SCREW |
|
|
CLUTCH SLAVE CYLINDER TO BRACKET |
| 420 |
A 6202950240 |
BRACKET |
|
|
SLAVE CYLINDER |
| 425 |
N 000933010129 |
SCREW |
|
Repalced by: N 304017010002
|
| 425 |
N 304017010002 |
SCREW |
|
|
BRACKET TO BELL HOUSING |
| 430 |
A 0009967640 |
ROD END |
|
|
CLUTCH ACTUATION |
| 435 |
A 3072560074 |
PIN |
|
|
ROD END TO CLUTCH RELEASE SHAFT LEVER |
| 440 |
A 0019972141 |
SEAL RING |
|
|
ROD END TO CLUTCH RELEASE SHAFT LEVER |
| 445 |
N 000471012001 |
LOCK RING |
|
|
ROD END TO CLUTCH RELEASE SHAFT LEVER |
| 490 |
A 0012953006 |
MASTER CYLINDER |
|
|
CLUTCH |
| 495 |
A 0002950836 |
INTERMEDIATE PIECE |
| 500 |
A 0009971186 |
PLUG |
| 505 |
A 0005866029 |
REPAIR KIT |
|
|
MASTER CYLINDER |
| 510 |
N 000931006134 |
SCREW |
|
|
MASTER CYLINDER TO BEARING BRACKET |
|
|
M 6X60 |
| 510 |
N 000931006191 |
SCREW |
|
|
MASTER CYLINDER TO BEARING BRACKET |
|
|
M 6X55 |
| 510 |
N 000931006191 |
SCREW |
|
|
MASTER CYLINDER TO BEARING BRACKET |
|
|
M 6X55 |
| 515 |
N 912004006102 |
LOCK WASHER |
|
|
MASTER CYLINDER TO BEARING BRACKET |
| 520 |
A 3812950033 |
ROD |
|
|
MASTER CYLINDER |
| 525 |
N 000439008211 |
NUT |
|
Repalced by: N 304035008001
|
| 525 |
N 304035008001 |
NUT |
|
|
ROD TO ARTICULATION |
| 530 |
A 0009961045 |
ARTICULATION PIECE |
|
|
MASTER CYLINDER |
| 530 |
A 0009961145 |
ARTICULATION PIECE |
|
|
MASTER CYLINDER |
| 535 |
A 0059813810 |
NEEDLE BEARING |
|
|
JOINT TO PIN |
| 535 |
A 0059814410 |
NEEDLE BEARING |
|
|
JOINT TO PIN |
| 535 |
A 0089811210 |
NEEDLE BEARING |
|
|
JOINT TO PIN |
| 535 |
A 0139818210 |
NEEDLE BEARING |
|
|
JOINT TO PIN |
| 540 |
N 000433008406 |
WASHER |
|
|
JOINT TO PIN |
| 545 |
N 006799006003 |
LOCK PLATE |
|
|
JOINT TO PIN |
| 570 |
A 0002951715 |
RESERVOIR |
|
|
EXPANSION TANK |
| 570 |
A 0002952315 |
RESERVOIR |
|
|
EXPANSION TANK |
| 575 |
A 0002952715 |
RESERVOIR |
|
|
EXPANSION TANK |
| 580 |
A 0002950116 |
LOCKING CAP |
| 585 |
A 0009972940 |
SEAL RING |
| 590 |
A 0004314334 |
STRAINER |
| 595 |
A 0009885435 |
CAP |
|
|
RESERVOIR DE-AERATION |
| 600 |
N 007981005306 |
SHEET METAL SCREW |
|
|
RESERVOIR TO CAB |
| 605 |
A 3872900433 |
BRACKET |
|
|
RESERVOIR |
| 605 |
A 6202900233 |
BRACKET |
|
|
RESERVOIR |
| 610 |
N 007985006145 |
SCREW |
|
Repalced by: N 007985006581
|
| 610 |
N 007985006581 |
SCREW |
|
|
BRACKET TO RESERVOIR |
| 610 |
N 007985006581 |
SCREW |
|
|
BRACKET TO RESERVOIR |
| 615 |
N 912004006102 |
LOCK WASHER |
|
|
BRACKET TO RESERVOIR |
| 615 |
N 912004006102 |
LOCK WASHER |
|
|
BRACKET TO RESERVOIR |
| 620 |
N 009021006205 |
WASHER |
|
Repalced by: N 009021006208
|
| 620 |
N 009021006208 |
WASHER |
|
|
BRACKET TO RESERVOIR |
| 620 |
N 009021006208 |
WASHER |
|
|
BRACKET TO RESERVOIR |
|
A 3872950313 |
PIPE |
|
|
FROM CLUTCH MASTER CYLINDER TO RESERVOIR |
|
|
10X700 MM |
| 625 |
A 0009978952 |
HOSE |
|
|
FROM RESERVOIR TO MASTER CYLINDER |
|
A 3819970781 |
GROMMET |
|
|
FROM RESERVOIR TO MASTER CYLINDER |
|
A 3819970781 |
GROMMET |
|
|
CLUTCH LINE THRU CAB WINDOW SILL |
| 630 |
A 3812901714 |
LINE |
|
Repalced by: A 3812903214
|
| 630 |
A 3812903214 |
LINE |
|
|
FROM CLUTCH MASTER CYLINDER TO HYDRAULIC HOSE |
|
|
570 MM |
| 630 |
A 3812901814 |
LINE |
|
|
FROM CLUTCH MASTER CYLINDER TO HYDRAULIC HOSE |
|
|
700 MM |
| 635 |
A 3149970581 |
GROMMET |
| 640 |
A 3819970881 |
GROMMET |
| 645 |
A 6202953040 |
BRACKET |
|
|
HYDRAULIC LINE TO CAB FLOOR |
| 650 |
N 000933006183 |
SCREW |
|
Repalced by: N 304017006016
|
| 650 |
N 304017006016 |
SCREW |
|
|
BRACKET TO CAB |
| 655 |
N 912004006102 |
LOCK WASHER |
|
|
BRACKET TO CAB |
| 660 |
A 3832950035 |
HOSE |
|
Repalced by: A 3982950035
|
| 660 |
A 3982950035 |
HOSE |
|
|
FROM BRACKET UNDER CAB FLOOR TO OIL TANK BRACKET |
|
|
605 MM |
| 665 |
A 0004280473 |
BRACKET |
|
Repalced by: A 6525040038
|
| 665 |
A 6525040038 |
MOUNTING PLATE |
|
|
HYDRAULIC HOSE TO BRACKET |
| 670 |
A 3812902214 |
LINE |
|
|
FROM BRACKET TO BRACKET |
|
|
2000 MM |
| 675 |
A 6202951640 |
BRACKET |
|
|
AT OIL TANK BRACKET |
| 675 |
A 6202951740 |
BRACKET |
|
|
AT OIL TANK BRACKET |
| 680 |
N 007985006193 |
SCREW |
|
Repalced by: N 000000001146
|
| 680 |
N 000000001146 |
SCREW |
|
|
BRACKET TO OIL TANK |
|
|
M 6X16 |
| 685 |
N 913004006002 |
NUT |
|
Repalced by: N 913004006001
|
| 685 |
N 913004006001 |
NUT |
|
|
BRACKET TO OIL TANK |
|
A 6162952540 |
BRACKET |
|
|
BRACKET TO SIDE MEMBER |
|
A 6452950640 |
BRACKET |
|
|
BRACKET TO SIDE MEMBER |
| 690 |
A 6202951840 |
BRACKET |
|
|
AT LEFT SIDE MEMBER |
| 695 |
A 3815530640 |
BRACKET |
|
|
AT LEFT SIDE MEMBER |
|
A 6452950740 |
BRACKET |
|
|
AT LEFT SIDE MEMBER |
| 700 |
A 3604280243 |
ANGLE |
|
|
AT LEFT SIDE MEMBER |
| 700 |
A 3604280243 |
ANGLE |
|
|
AT RIGHT SIDE MEMBER |
| 705 |
N 000933008152 |
SCREW |
|
Repalced by: N 304017008027
|
| 705 |
N 304017008027 |
SCREW |
|
|
BRACKET TO SIDE MEMBER |
| 705 |
N 304017008027 |
SCREW |
|
|
ANGLE TO SIDE MEMBER |
| 705 |
N 304017008027 |
SCREW |
|
|
BRACKET TO SIDE MEMBER |
| 705 |
N 000933010129 |
SCREW |
|
Repalced by: N 304017010002
|
| 705 |
N 304017010002 |
SCREW |
|
|
ANGLE TO SIDE MEMBER |
|
N 007349008003 |
WASHER |
|
|
BRACKET TO SIDE MEMBER |
| 710 |
N 913004008004 |
NUT |
|
Repalced by: N 913004008001
|
| 710 |
N 913004008001 |
NUT |
|
|
BRACKET TO SIDE MEMBER |
| 710 |
N 913004008001 |
NUT |
|
|
ANGLE TO SIDE MEMBER |
| 710 |
N 913004008001 |
NUT |
|
|
BRACKET TO SIDE MEMBER |
| 710 |
N 913004010008 |
NUT |
|
Repalced by: N 910113010000
|
| 710 |
N 910113010000 |
NUT |
|
|
ANGLE TO SIDE MEMBER |
| 715 |
A 0002951735 |
HOSE |
|
|
CLUTCH;FROM BRACKET AT FRAME TO BRACKET AT TRANSMISSION |
|
|
215 MM |
| 715 |
A 0002951735 |
HOSE |
|
|
CLUTCH;FROM BRACKET AT FRAME TO BRACKET AT TRANSMISSION |
|
|
215 MM |
| 715 |
A 0002951835 |
HOSE |
|
|
CLUTCH;FROM BRACKET AT FRAME TO BRACKET AT ENGINE |
|
|
350 MM |
| 720 |
A 6202952540 |
BRACKET |
|
|
AT ENGINE MOUNTING CONSOLE |
|
A 6452950540 |
BRACKET |
|
|
AT ENGINE MOUNTING CONSOLE |
|
N 000933016060 |
SCREW |
|
Repalced by: N 304017016011
|
|
N 304017016011 |
SCREW |
|
|
BRACKET TO ENGINE |
| 725 |
A 0004280473 |
BRACKET |
|
Repalced by: A 6525040038
|
| 725 |
A 6525040038 |
MOUNTING PLATE |
|
|
HYDRAULIC HOSE TO BRACKET |
| 730 |
A 3812902014 |
LINE |
|
|
HYDRAULIC HOSE TOWARDS CLUTCH BOOSTER |
|
|
1100 MM |
| 730 |
A 3812901814 |
LINE |
|
|
HYDRAULIC HOSE TOWARDS CLUTCH BOOSTER |
|
|
700 MM |
| 740 |
A 0049971172 |
FITTING |
|
|
CLUTCH BOOSTER,CONNECTION: |
|
|
"4" |
| 745 |
N 007603014106 |
SEAL RING |
|
|
CLUTCH BOOSTER,CONNECTION: |
|
|
"4" |
| 750 |
A 3812950440 |
BRACKET |
|
|
HYDRAULIC LINE |
| 755 |
N 007981005306 |
SHEET METAL SCREW |
|
|
BRACKET TO CAB |
| 760 |
N 000125006421 |
WASHER |
|
|
BRACKET TO CAB |
| 765 |
A 3609950301 |
CLAMP |
|
|
HYDRAULIC LINE TO BRACKET |
| 765 |
A 3609950301 |
CLAMP |
|
|
HYDRAULIC LINE TO WIPER MOTOR BRACKET |
| 770 |
A 3609950201 |
CLAMP |
|
Repalced by: A 3604300143
|
| 770 |
A 3604300143 |
CLAMP |
|
Repalced by: N 916016008200
|
| 770 |
N 916016008200 |
CLAMP |
|
|
HYDRAULIC LINE TO BRACKET |
| 770 |
N 916016008200 |
CLAMP |
|
|
HYDRAULIC LINE TO ANGLE |
| 775 |
N 007985006145 |
SCREW |
|
Repalced by: N 007985006581
|
| 775 |
N 007985006581 |
SCREW |
|
|
HYDRAULIC LINE TO BRACKET |
| 775 |
N 007985006581 |
SCREW |
|
|
HYDRAULIC LINE TO WIPER MOTOR BRACKET |
| 775 |
N 007985006193 |
SCREW |
|
Repalced by: N 000000001146
|
| 775 |
N 000000001146 |
SCREW |
|
|
HYDRAULIC LINE TO ANGLE |
|
|
M 6X16 |
| 775 |
N 000000001146 |
SCREW |
|
|
HYDRAULIC LINE TO BRACKET |
|
|
M 6X16 |
| 780 |
N 913004006002 |
NUT |
|
Repalced by: N 913004006001
|
| 780 |
N 913004006001 |
NUT |
|
|
HYDRAULIC LINE TO BRACKET |
| 780 |
N 913004006001 |
NUT |
|
|
HYDRAULIC LINE TO WIPER MOTOR BRACKET |
| 780 |
N 913004006001 |
NUT |
|
|
HYDRAULIC LINE TO ANGLE |