|
X XXXXXXXXXXXX |
PART NAME MISSING |
|
|
ELECTROPNEUMATIC SHIFT |
| 010 |
A 0002601198 |
SHIFT MECHANISM |
|
Repalced by: A 0002601698
|
| 010 |
A 0002601698 |
SHIFT MECHANISM |
|
Repalced by: A 0002602098
|
| 010 |
A 0002602098 |
SHIFT MECHANISM |
|
|
ELECTROPNEUMATIC POWER SHIFT |
| 011 |
A 0002600971 |
SWITCH |
|
|
PNEUMATIC EMERGENCY SWITCH |
|
|
TO WABCO 433 150 04 00 |
| 011 |
A 0002601371 |
SWITCH |
|
|
PNEUMATIC EMERGENCY SWITCH |
|
|
TO WABCO 433 150 03 90;041 0 |
| 014 |
A 0005400083 |
HANDLE |
|
|
(EMERGENCY SWITCH),PNEUMATIC |
| 030 |
A 0002672120 |
CASE |
|
|
SHIFT MECHANISM |
| 040 |
A 0002670897 |
BOOT |
|
|
HOUSING,TOP |
|
A 0002670094 |
SNAP RING |
| 050 |
A 0002671576 |
WASHER |
|
|
BOOT |
| 120 |
A 6455840038 |
GUMMED LABEL |
|
|
ELECTROPNEUMATIC GEARSHIFT PATTERN; IN GERMAN,ENGLISH,FRENCH |
| 125 |
A 6455840138 |
GUMMED LABEL |
|
|
"EMERGENCY SHIFT"; IN GERMAN,ENGLISH,FRENCH |
| 130 |
A 6452600162 |
BRACKET |
|
|
SHIFT MECHANISM |
| 140 |
N 912004008102 |
LOCK WASHER |
|
|
SHIFT MECHANISM AND BRACKET TO CAB FLOOR |
| 150 |
N 913004008004 |
NUT |
|
Repalced by: N 913004008001
|
| 150 |
N 913004008001 |
NUT |
|
|
SHIFT MECHANISM AND BRACKET TO CAB FLOOR |
|
A 6552600362 |
BRACKET |
|
|
ENGINE TUNNEL,LEFT |
|
N 912004008102 |
LOCK WASHER |
|
|
BRACKET TO TUNNEL |
|
N 000933008168 |
SCREW |
|
|
BRACKET TO TUNNEL |
| 155 |
A 6172600062 |
BRACKET |
|
|
WITH FITTING; LINE CONNECTION: |
|
|
M 10X1 |
| 155 |
A 6172600162 |
BRACKET |
|
|
WITH FITTING; LINE CONNECTION: |
|
|
M 10X1 |
| 160 |
A 6452600062 |
BRACKET |
|
Repalced by: A 6202600862
|
| 160 |
A 6202600862 |
BRACKET |
|
|
WITH FITTING; LINE CONNECTION: |
|
|
M 10X1 |
| 165 |
A 3479915040 |
SPACER TUBE |
|
|
BRACKET TO CAB FLOOR |
| 170 |
N 007981004254 |
SHEET METAL SCREW |
|
|
BRACKET TO CAB FLOOR |
| 180 |
A 0009940445 |
LOCK |
|
Repalced by: A 1409941045
|
| 180 |
A 1409941045 |
LOCK |
|
|
BRACKET TO CAB FLOOR |
| 250 |
A 0109975982 |
HOSE |
|
Repalced by: A 0009872827
|
| 250 |
A 0009872827 |
PLASTIC PIPE |
|
|
FOUR-CIRCUIT PROTECTIVE VALVE,CLUTCH BOOSTER |
|
|
9X12 MM |
| 260 |
A 0049971772 |
FITTING |
|
Repalced by: A 0029906171
|
| 260 |
A 0029906171 |
FITTING |
|
|
(PARTS KIT),LINE RUPTURE |
| 265 |
N 915052009009 |
BANJO UNION |
|
|
HOSE WIDTH, / I.D., |
|
|
9/16 MM |
| 270 |
N 915036012203 |
HOLLOW SCREW |
|
|
FOUR-CIRCUIT PROTECTIVE VALVE, CONNECTION: |
|
|
"24" |
| 275 |
N 915047012203 |
HOLLOW SCREW |
|
|
CLUTCH BOOSTER CONNECTION |
| 280 |
N 007603016401 |
SEAL RING |
|
|
FOUR-CIRCUIT PROTECTIVE VALVE, CONNECTION: |
|
|
"24" |
| 280 |
N 007603016401 |
SEAL RING |
|
|
CLUTCH BOOSTER CONNECTION |
|
|
"24" |
| 285 |
A 0089979082 |
HOSE |
|
|
CLUTCH BOOSTER,SHIFTING CYLINDER |
|
|
6X8 MM |
| 290 |
A 0039978972 |
FITTING |
|
Repalced by: A 0029905971
|
| 290 |
A 0029905971 |
FITTING |
|
|
(PARTS KIT),LINE RUPTURE |
| 295 |
N 915052006014 |
BANJO UNION |
|
|
HOSE WIDTH, / I.D., |
|
|
6/16 MM |
| 300 |
N 915052006013 |
BANJO UNION |
|
|
HOSE WIDTH, / I.D., |
|
|
6/12 MM |
| 305 |
A 0089976082 |
HOSE |
|
Repalced by: A 0009872627
|
| 305 |
A 0009872627 |
PLASTIC PIPE |
|
|
DISTRIBUTOR,CONTROLLER,CYLINDER |
|
|
4X6 MM |
| 310 |
A 0039979172 |
FITTING |
|
|
(PARTS KIT),LINE RUPTURE |
| 315 |
N 915059004001 |
FITTING |
|
|
BETWEEN THE LINES |
|
|
M 12X1,5 |
| 320 |
N 915017006104 |
UNION NUT |
|
|
M 10X1 |
| 325 |
N 915017006100 |
UNION NUT |
|
|
M 12X1,5 |
| 330 |
N 003861006008 |
GLAND |
|
|
TO M 10X1 |
| 335 |
N 003861006007 |
GLAND |
|
Repalced by: A 0019901667
|
| 335 |
A 0019901667 |
SEAL CONE |
|
|
TO M 12X1,5 |
| 340 |
N 915062004000 |
SLEEVE |
| 350 |
N 915052004015 |
BANJO UNION |
|
|
HOSE WIDTH, / I.D., |
|
|
4/12 MM |
| 360 |
N 915052004016 |
BANJO UNION |
|
|
HOSE WIDTH, / I.D., |
|
|
4/10 MM |
| 410 |
N 915036008202 |
HOLLOW SCREW |
|
|
DISTRIBUTOR CONNECTION |
| 420 |
N 007603012405 |
SEAL RING |
|
|
DISTRIBUTOR CONNECTION |
| 430 |
A 0019978390 |
LOOM TIE |
|
|
LINE MOUNTING |
|
X XXXXXXXXXXXX |
PART NAME MISSING |
|
|
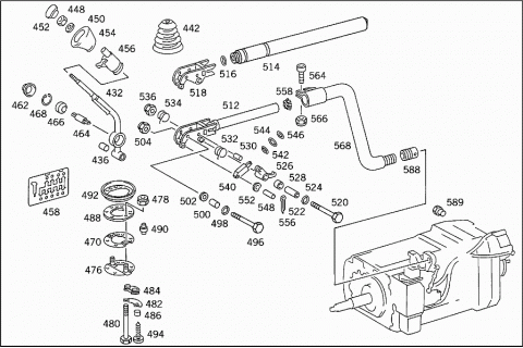
MANUAL SHIFT |
| 432 |
A 3852607039 |
SHIFT LEVER |
| 436 |
A 3359920203 |
BUSHING |
| 442 |
A 6202680097 |
BOOT |
|
|
SHIFT LEVER TO CAB FLOOR |
| 448 |
N 000934010015 |
NUT |
|
Repalced by: N 308673010000
|
| 448 |
N 308673010000 |
NUT |
|
|
GEARSHIFT LEVER KNOB TO GEARSHIFT LEVER |
| 450 |
N 000125010518 |
WASHER |
|
Repalced by: N 000125010532
|
| 450 |
N 000125010532 |
WASHER |
|
|
GEARSHIFT LEVER KNOB TO GEARSHIFT LEVER |
| 452 |
A 6202680157 |
COVER |
|
|
LESS GEAR INDICATOR |
| 454 |
A 6202600040 |
HANDLE |
|
|
(SHIFT LEVER HANDLE) |
| 456 |
A 0012602557 |
VALVE |
|
Repalced by: A 0012602457
|
| 456 |
A 0012602457 |
VALVE |
|
Repalced by: A 0012605357
|
| 456 |
A 0012605357 |
VALVE |
|
Repalced by: A 0012606357
|
| 456 |
A 0012606357 |
VALVE |
|
|
(SHIFT LEVER VALVE) |
|
|
HERION |
| 456 |
A 0012606457 |
VALVE |
|
|
(SHIFT LEVER VALVE) |
|
|
WABCO |
| 458 |
A 6205840238 |
GUMMED LABEL |
|
|
GEAR INDICATOR |
| 462 |
A 6202680196 |
BOOT |
|
|
SHIFT LEVER BEARING |
| 464 |
A 3852681474 |
PIN |
|
|
SHIFT LEVER BEARING |
| 466 |
A 0009814531 |
JOINT BEARING |
|
|
SHIFT LEVER BEARING |
| 466 |
A 0019813931 |
JOINT BEARING |
|
|
SHIFT LEVER BEARING |
| 468 |
N 000472042001 |
LOCK RING |
|
|
SHIFT LEVER BEARING |
| 470 |
A 3892680440 |
BRACKET |
|
|
SHIFT LEVER UPPER PART |
| 476 |
A 3892605262 |
BRACKET |
|
|
SHIFT LEVER LOWER PART |
| 478 |
N 913004008004 |
NUT |
|
Repalced by: N 913004008001
|
| 478 |
N 913004008001 |
NUT |
|
|
BRACKET TO BRACKET |
| 480 |
N 000931008046 |
SCREW |
|
Repalced by: N 304017008018
|
| 480 |
N 304017008018 |
SCREW |
|
|
SHIFT LEVER BEARING TO CAB FLOOR |
| 482 |
A 3852681640 |
BRACKET |
|
|
SHIFT LEVER TO CAB FLOOR |
| 484 |
A 3852680492 |
RUBBER PAD |
|
|
SHIFT LEVER TO CAB FLOOR |
| 486 |
A 3892680525 |
BUSHING |
|
|
SHIFT LEVER TO CAB FLOOR |
| 488 |
A 3852680392 |
RUBBER PAD |
|
|
SHIFT LEVER TO CAB FLOOR |
| 490 |
A 3852681950 |
BUSHING |
|
|
COMPRESSED AIR LINE THRU CAB FLOOR |
| 492 |
A 3852601962 |
BRACKET |
|
|
BOOT |
| 494 |
N 007981003203 |
SHEET METAL SCREW |
|
|
BRACKET TO CAB FLOOR |
| 496 |
N 000931010357 |
SCREW |
|
Repalced by: N 000933010192
|
| 496 |
A 0019909404 |
SCREW |
|
|
GEARSHIFT MECHANISM |
| 498 |
A 0009978648 |
SEAL RING |
|
|
SHIFTING ROD TO SHIFT LEVER |
| 500 |
A 3852680153 |
SPACER TUBE |
|
|
SHIFTING ROD TO SHIFT LEVER |
| 502 |
N 900055018001 |
LOCK RING |
|
|
SHIFTING TUBE TO SHIFT LEVER |
| 504 |
N 913004010008 |
NUT |
|
Repalced by: N 910113010000
|
| 504 |
N 910113010000 |
NUT |
|
|
GEARSHIFT MECHANISM |
| 512 |
A 3852609433 |
SHIFTING ROD |
|
|
(TELESCOPIC SHIFTING ROD) |
| 514 |
A 3852603882 |
SHIFTING TUBE |
|
|
(TELESCOPIC TUBE) |
| 516 |
A 0009978748 |
SEAL RING |
|
|
30.20 MM |
| 518 |
A 3852600534 |
ROD END |
|
|
HYDRAULIC RELEASE |
| 520 |
N 000931010357 |
SCREW |
|
Repalced by: N 000933010192
|
| 520 |
A 0019909404 |
SCREW |
|
|
PAWL TO ROD END |
| 522 |
A 0009978648 |
SEAL RING |
|
|
PAWL TO ROD END |
|
|
17.20 MM |
| 524 |
A 3852680153 |
SPACER TUBE |
|
|
PAWL TO ROD END |
| 526 |
A 6202600087 |
PAWL |
|
|
PAWL TO ROD END |
| 528 |
A 6209920003 |
BUSHING |
|
|
PAWL TO ROD END |
| 530 |
A 6202680150 |
BUSHING |
|
|
PAWL TO ROD END |
| 532 |
A 3859930020 |
SPRING |
|
|
PAWL TO ROD END |
| 534 |
A 3859930120 |
SPRING |
|
|
PAWL TO ROD END |
| 536 |
N 913004010008 |
NUT |
|
Repalced by: N 910113010000
|
| 536 |
N 910113010000 |
NUT |
|
|
PAWL TO ROD END |
| 540 |
A 3852600063 |
SHIFTING CYLINDER |
|
|
HYDRAULIC RELEASE |
|
|
WABCO |
| 540 |
A 3852600563 |
SHIFTING CYLINDER |
|
|
HYDRAULIC RELEASE |
|
|
TECHNOMATIK |
| 542 |
A 0069976748 |
SEAL RING |
|
|
PISTON RINGS |
|
|
TO 385 260 00 63 |
| 544 |
A 0069976848 |
SEAL RING |
|
|
SCREW FITTING |
|
|
TO 385 260 00 63 |
| 546 |
A 0019970641 |
SEAL RING |
|
|
OUTSIDE |
|
|
TO 385 260 00 63 |
| 548 |
N 001443008203 |
PIN |
|
Repalced by: N 001444008235
|
| 548 |
N 001444008235 |
PIN |
|
|
SHIFTING CYLINDER TO PAWL |
|
|
8X22 MM |
| 548 |
N 001444008234 |
PIN |
|
|
SHIFTING CYLINDER TO YOKE |
|
|
8X45 MM |
| 552 |
N 900055008002 |
SPRING WASHER |
|
|
SHIFTING CYLINDER TO YOKE |
| 556 |
N 000094002059 |
COTTER PIN |
|
|
SHIFTING CYLINDER TO YOKE |
| 558 |
A 3852680776 |
WASHER |
|
|
BETWEEN FRONT AND REAR SHIFTING TUBES |
| 564 |
N 006912010021 |
SCREW |
|
|
FRONT SHIFTING ROD TO REAR SHIFTING ROD |
| 566 |
N 913004010008 |
NUT |
|
Repalced by: N 910113010000
|
| 566 |
N 910113010000 |
NUT |
|
|
FRONT SHIFTING ROD TO REAR SHIFTING ROD |
| 568 |
A 6202608547 |
ROD |
|
|
REAR |
| 588 |
A 6202680028 |
CONNECTOR |
|
|
SHIFTING ROD |
| 589 |
A 6742640034 |
LOCK NUT |
|
|
SPEEDOMETER DRIVE COVERING |
| 590 |
A 0089979082 |
HOSE |
|
|
FOUR-CIRCUIT PROTECTIVE VALVE,CLUTCH BOOSTER,DISTRIBUTOR,3/2-WAY VALVE |
|
|
6X8 MM |
| 592 |
A 0039978972 |
FITTING |
|
Repalced by: A 0029905971
|
| 592 |
A 0029905971 |
FITTING |
|
|
(PARTS KIT),LINE RUPTURE |
| 594 |
N 915052006013 |
BANJO UNION |
|
|
HOSE WIDTH, / I.D., |
|
|
6/12 MM |
| 594 |
N 915052006014 |
BANJO UNION |
|
|
HOSE WIDTH, / I.D., |
|
|
6/16 MM |
| 598 |
N 915036008202 |
HOLLOW SCREW |
|
|
SUPPLY LINE TO 3/2-WAY VALVE |
| 600 |
N 007603012405 |
SEAL RING |
|
|
SUPPLY LINE TO 3/2-WAY VALVE |
| 602 |
N 915047012203 |
HOLLOW SCREW |
|
|
SUPPLY LINE TO CLUTCH BOOSTER |
| 604 |
N 007603016401 |
SEAL RING |
|
|
SUPPLY LINE TO CLUTCH BOOSTER |
| 606 |
A 3604293140 |
BRACKET |
|
|
COMPRESSED AIR LINE TO TRANSMISSION |
| 608 |
A 0019978490 |
LOOM TIE |
|
|
LINE TO BRACKET |
| 610 |
A 0089976082 |
HOSE |
|
Repalced by: A 0009872627
|
| 610 |
A 0009872627 |
PLASTIC PIPE |
|
|
DISTRIBUTOR,3/2-WAY VALVE,ADDITIONAL GEARBOX VALVE |
|
|
4X6 MM |
| 612 |
A 0039979172 |
FITTING |
|
|
(PARTS KIT),LINE RUPTURE |
| 614 |
N 915062004000 |
SLEEVE |
|
|
LINE CONNECTIONS |
| 616 |
N 003861006008 |
GLAND |
|
|
LINE CONNECTIONS |
| 618 |
N 915017006100 |
UNION NUT |
|
|
LINE CONNECTIONS |
| 618 |
N 915017006104 |
UNION NUT |
|
|
LINE CONNECTIONS |
| 620 |
N 915052004015 |
BANJO UNION |
|
|
HOSE WIDTH, / I.D., |
|
|
4/12 MM |
| 620 |
N 915052004016 |
BANJO UNION |
|
|
HOSE WIDTH, / I.D., |
|
|
4/10 MM |
| 622 |
N 915047008202 |
HOLLOW SCREW |
|
|
DISTRIBUTOR |
| 624 |
N 915036008202 |
HOLLOW SCREW |
|
|
SHIFTING CYLINDER,CONNECTION: |
|
|
"1" |
| 626 |
N 007603012405 |
SEAL RING |
|
|
DISTRIBUTOR |
| 626 |
N 007603012405 |
SEAL RING |
|
|
SHIFTING CYLINDER,CONNECTION: |
|
|
"1" |
| 628 |
N 915036006202 |
HOLLOW SCREW |
|
|
SHIFTING CYLINDER,CONNECTION: |
|
|
"41" |
| 630 |
N 007603010404 |
SEAL RING |
|
|
SHIFTING CYLINDER,CONNECTION: |
|
|
"41" |
| 632 |
A 0019907871 |
ELBOW FITTING |
|
|
SPLITTER-BOX PILOT-VALVE PLUGCONNECTION |
|
|
TO M 16 |
| 634 |
A 0009940047 |
SEAL RING |
|
|
SPLITTER-BOX PILOT-VALVE PLUGCONNECTION |
|
|
TO M 16 |
| 636 |
A 0009941248 |
LOCK |
|
|
SPLITTER-BOX PILOT-VALVE PLUGCONNECTION |
|
|
TO M 16 |
| 638 |
A 6739970045 |
REPAIR KIT |
|
|
SPLITTER-BOX PILOT-VALVE PLUGCONNECTION |
|
|
TO M 16 |
| 640 |
A 0019978390 |
LOOM TIE |
|
|
LINE MOUNTING |
|
|
280 MM |
| 640 |
A 0019978490 |
LOOM TIE |
|
|
LINE MOUNTING |
|
|
376 MM |
| 642 |
A 3816820086 |
BRACKET |
|
|
LINE MOUNTING |
| 644 |
N 007981004244 |
SHEET METAL SCREW |
|
Repalced by: N 000000000453
|
| 644 |
N 000000000453 |
SHEET METAL SCREW |
|
|
BRACKET TO CAB |
| 646 |
A 3359972282 |
HOSE |
|
|
SHIFT LEVER VALVE,CONNECTOR |
|
|
2X4 MM |
| 648 |
N 915062002000 |
SLEEVE |
|
|
LINE CONNECTIONS |
| 650 |
N 003861004001 |
GLAND |
|
|
LINE CONNECTIONS |
| 652 |
N 915017004101 |
UNION NUT |
|
|
LINE CONNECTIONS |
| 654 |
A 4063580065 |
BREATHER |
|
Repalced by: A 3933280065
|
| 654 |
A 3933280065 |
PIPE SOCKET |
|
|
ADDITIONAL GEARBOX VALVE |
| 656 |
A 6172600062 |
BRACKET |
|
|
LINE MOUNTING |
| 658 |
A 0009940445 |
LOCK |
|
Repalced by: A 1409941045
|
| 658 |
A 1409941045 |
LOCK |
|
|
BRACKET TO CAB |
| 660 |
N 007981004254 |
SHEET METAL SCREW |
|
|
BRACKET TO CAB |
| 662 |
A 0002682059 |
SEAL RING |
|
|
IDLE POSITION SWITCH TO THREADED BUSHING; AS REQUIRED |
|
|
1.60 MM |
| 662 |
A 0002681959 |
SEAL RING |
|
|
IDLE POSITION SWITCH TO THREADED BUSHING; AS REQUIRED |
|
|
1.80 MM |
| 662 |
A 0002681559 |
SEAL RING |
|
|
IDLE POSITION SWITCH TO THREADED BUSHING; AS REQUIRED |
|
|
2.00 MM |
| 662 |
A 0002681659 |
SEAL RING |
|
|
IDLE POSITION SWITCH TO THREADED BUSHING; AS REQUIRED |
|
|
2.20 MM |
| 662 |
A 0002681759 |
SEAL RING |
|
|
IDLE POSITION SWITCH TO THREADED BUSHING; AS REQUIRED |
|
|
2.40 MM |
| 662 |
A 0002682159 |
SEAL RING |
|
|
IDLE POSITION SWITCH TO THREADED BUSHING; AS REQUIRED |
|
|
2.60 MM |
| 662 |
A 0002682259 |
SEAL RING |
|
|
IDLE POSITION SWITCH TO THREADED BUSHING; AS REQUIRED |
|
|
2.80 MM |
| 662 |
A 0002682359 |
SEAL RING |
|
|
IDLE POSITION SWITCH TO THREADED BUSHING; AS REQUIRED |
|
|
3.00 MM |
| 664 |
A 0005457909 |
SWITCH |
|
Repalced by: A 0005459009
|
| 664 |
A 0005459009 |
SWITCH |
|
Repalced by: A 0015451109
|
| 664 |
A 0015451109 |
SWITCH |
|
Repalced by: A 0015452709
|
| 664 |
A 0015452709 |
SWITCH |
|
|
NEUTRAL POSITION SWITCH |
| 666 |
A 0002680359 |
SEAL RING |
|
Repalced by: N 007603018100
|
| 666 |
N 007603018100 |
SEAL RING |
|
|
SWITCH TO CASE COVER |
| 668 |
A 0015453414 |
SWITCH |
|
Repalced by: A 0025458114
|
| 668 |
A 0025458114 |
SWITCH |
|
Repalced by: A 0035451614
|
| 668 |
A 0035451614 |
SWITCH |
|
|
GEAR CLUSTER INDICATION |
| 668 |
A 0035451614 |
SWITCH |
|
|
OVERREVVING |
| 670 |
A 0065426817 |
SENDER UNIT |
|
|
OVERREVVING |
| 672 |
A 0019975036 |
VALVE |
|
|
P.T.O. CONTROL |
|
|
BOSCH |
| 672 |
A 0019976136 |
VALVE |
|
|
P.T.O. CONTROL |
|
|
WABCO |
| 672 |
A 0039975936 |
VALVE |
|
|
P.T.O. CONTROL |
|
|
KNORR |
| 672 |
A 0039976036 |
VALVE |
|
|
P.T.O. CONTROL |
|
|
VOSS |
| 674 |
A 0049937501 |
SPRING |
|
|
TO 001 997 61 36 |
| 676 |
A 0069972648 |
SEAL RING |
|
|
TO 001 997 61 36 |
| 678 |
A 0039979640 |
SEAL RING |
|
|
TO 001 997 61 36 |
| 680 |
A 3855841524 |
SYMBOL PLATE |
|
|
P.T.O. CONTROL |
| 682 |
A 6239900040 |
WASHER |
|
|
VALVE TO CAB |
| 682 |
A 3859901640 |
WASHER |
|
|
VALVE TO CAB |
| 684 |
A 3839900051 |
NUT |
|
|
VALVE TO CAB |
| 686 |
N 915036006202 |
HOLLOW SCREW |
|
|
3/2-WAY VALVE;CONNECTIONS: |
|
|
14,24 |
| 688 |
N 007603010110 |
SEAL RING |
|
|
3/2-WAY VALVE;CONNECTIONS: |
|
|
14,24 |
| 690 |
A 0089976082 |
HOSE |
|
Repalced by: A 0009872627
|
| 690 |
A 0009872627 |
PLASTIC PIPE |
|
|
FROM OPERATING VALVE TO P.T.O. CYLINDER |
|
|
4X6 MM |
| 692 |
A 0039979172 |
FITTING |
|
|
(PARTS KIT),LINE RUPTURE |
| 694 |
N 915052004016 |
BANJO UNION |
|
|
HOSE WIDTH, / I.D., |
|
|
4/10 MM |
| 694 |
N 915052004015 |
BANJO UNION |
|
|
HOSE WIDTH, / I.D., |
|
|
4/12 MM |
| 696 |
N 915036008202 |
HOLLOW SCREW |
|
|
DISTRIBUTOR |
| 696 |
N 915036008202 |
HOLLOW SCREW |
|
|
P.T.O. CYLINDER |
|
N 000908012003 |
SCREW PLUG |
|
Repalced by: N 000908012009
|
|
N 000908012009 |
SCREW PLUG |
|
|
P.T.O. CYLINDER |
|
N 007603012111 |
SEAL RING |
|
|
P.T.O. CYLINDER |
| 698 |
N 007603012111 |
SEAL RING |
|
|
DISTRIBUTOR |
| 698 |
N 007603012111 |
SEAL RING |
|
|
P.T.O. CYLINDER |
| 700 |
A 0019978390 |
LOOM TIE |
|
|
LINE TO SIDE MEMBER |
| 702 |
A 0002366105 |
HYDRAULIC PUMP |
|
|
SERVICE WITH DUMPING PLATFORM |
| 704 |
A 0019970630 |
SCREW PLUG |
| 706 |
A 0049936501 |
SPRING |
| 708 |
A 0019814085 |
BALL |
|
Repalced by: A 0019815085
|
| 708 |
A 0019815085 |
BALL |
| 710 |
A 0002360935 |
VALVE |
| 712 |
A 0002360376 |
WASHER |
| 714 |
A 0049936301 |
SPRING |
| 716 |
A 0002361160 |
SEAL RING |
| 718 |
A 0002360817 |
PISTON |
|
Repalced by: A 0002361117
|
| 718 |
A 0002361117 |
PISTON |
| 720 |
A 0002360735 |
VALVE |
| 722 |
A 0059974247 |
SEAL RING |
| 724 |
A 0079977146 |
SEAL RING |
|
|
40X58X9 MM |
| 726 |
A 0002360180 |
GASKET |
| 728 |
A 0002640479 |
GASKET |