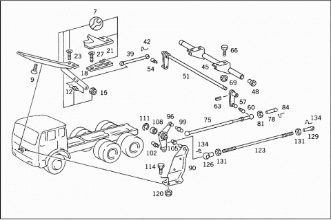
| 007 |
A 6243000304 |
ACCELERATOR PEDAL |
|
|
(PARTS KIT) |
|
A 6153000104 |
PAD |
|
|
ACCELERATOR PEDAL |
| 009 |
N 007991005007 |
SCREW |
|
|
ACCELERATOR PEDAL |
| 012 |
A 0009911015 |
BALL PIVOT |
|
|
ACCELERATOR PEDAL |
| 015 |
N 913004006002 |
NUT |
|
Repalced by: N 913004006001
|
| 015 |
N 913004006001 |
NUT |
|
|
BALL PIVOT TO ACCELERATOR PEDAL |
| 018 |
A 6153010084 |
SHIM |
|
|
ACCELERATOR PEDAL |
| 021 |
A 6153010097 |
BOOT |
|
|
ACCELERATOR PEDAL |
| 023 |
N 000965006003 |
SCREW |
|
|
ACCELERATOR PEDAL TO CAB |
|
|
M 6X25 |
| 027 |
N 000965006040 |
SCREW |
|
|
ACCELERATOR PEDAL TO CAB |
|
|
M 6X30 |
|
A 6553010093 |
GUIDE RAIL |
|
|
ACCELERATOR PEDAL TO FLOOR PLATE |
|
N 000965006077 |
SCREW |
|
|
GUIDE RAIL RETROFIT |
| 039 |
A 3819910123 |
BALL SOCKET |
|
|
FROM ACCELERATOR PEDAL TO SHAFT |
| 042 |
N 071805010403 |
SECURING CLIP |
|
|
FROM ACCELERATOR PEDAL TO SHAFT |
| 045 |
A 6153000021 |
BEARING TUBE |
|
|
CONTROL SHAFT |
| 048 |
A 3813020050 |
BUSHING |
|
|
BEARING TUBE |
| 051 |
A 6153000020 |
SHAFT |
|
|
CONTROL |
| 054 |
N 071803010206 |
BALL PIVOT |
| 057 |
A 3813000625 |
LEVER |
|
|
CONTROL |
| 060 |
N 071803010206 |
BALL PIVOT |
| 063 |
N 001481004017 |
CLAMPING SLEEVE |
|
|
LEVER TO SHAFT |
| 066 |
N 000933008212 |
SCREW |
|
|
INTERMEDIATE BEARING TO CAB FLOOR |
| 069 |
N 913004008004 |
NUT |
|
|
INTERMEDIATE BEARING TO CAB FLOOR |
| 075 |
A 3604301992 |
ROD |
|
|
FROM CONTROL SHAFT BEARING TO CONTROL INTERMEDIATE BEARING |
| 078 |
A 0009912422 |
BALL SOCKET |
| 081 |
N 000934006007 |
NUT |
| 084 |
N 071805010403 |
SECURING CLIP |
|
A 3973000136 |
BEARING BRACKET |
|
Repalced by: A 6203000436
|
|
A 6203000436 |
BEARING BRACKET |
|
Repalced by: A 6203000636
|
| 090 |
A 6203000636 |
BEARING BRACKET |
|
|
INTERMEDIATE BEARING |
|
A 6213000028 |
LEVER |
|
Repalced by: A 6203000928
|
|
A 6203000928 |
LEVER |
|
Repalced by: A 6203001028
|
| 096 |
A 6203001028 |
LEVER |
|
Repalced by: A 6203001128
|
| 096 |
A 6203001128 |
LEVER |
|
|
INTERMEDIATE BEARING |
| 099 |
N 071803010209 |
BALL PIVOT |
|
|
B 10 X 4.50 MM |
| 102 |
N 071803013208 |
BALL PIVOT |
|
|
B 13 X 5,00 MM |
| 105 |
A 3813020050 |
BUSHING |
|
|
INTERMEDIATE BEARING |
| 108 |
A 6153010088 |
COVERING |
|
|
INTERMEDIATE BEARING |
| 111 |
N 006799010001 |
LOCK PLATE |
|
|
INTERMEDIATE BEARING |
| 114 |
N 000933010128 |
SCREW |
|
|
BEARING BRACKET TO SUBSTRUCTURE |
| 120 |
N 913004010008 |
NUT |
|
|
BEARING BRACKET TO SUBSTRUCTURE |
| 123 |
N 900331008420 |
PULL ROD |
|
|
FROM INTERMEDIATE LEVER TO ENGINE |
| 126 |
N 071805013203 |
BALL SOCKET |
|
|
FRONT |
| 129 |
A 4069910022 |
BALL SOCKET |
|
|
REAR |
| 131 |
N 000934008010 |
NUT |
|
|
BALL SOCKET TO ROD |
| 134 |
N 071805013402 |
SECURING CLIP |
|
|
BALL SOCKET TO ROD |
| 137 |
A 3813000326 |
MANUAL CONTROL |
|
|
IDLING ADJUSTMENT |
| 139 |
A 3813020108 |
GUIDE |
|
|
IDLING ADJUSTMENT |
| 140 |
A 6153020001 |
KNOB |
|
|
IDLING ADJUSTMENT |
| 143 |
N 000988030003 |
FITTED WASHER |
|
|
IDLING ADJUSTMENT |
| 146 |
A 3819900051 |
NUT |
|
|
IDLING ADJUSTMENT |
| 149 |
A 6203000130 |
WIRE CABLE |
|
|
IDLING ADJUSTMENT |
| 152 |
A 6175460344 |
CLAMPING PIECE |
|
|
WIRE CABLE TO FIRE WALL |
| 155 |
A 3875460344 |
CLAMPING PIECE |
|
|
WIRE CABLE TO FIRE WALL |
| 158 |
N 000931006118 |
SCREW |
|
|
WIRE CABLE TO FIRE WALL |
| 161 |
N 000125006421 |
WASHER |
|
|
WIRE CABLE TO FIRE WALL |
| 164 |
N 913004006002 |
NUT |
|
Repalced by: N 913004006001
|
| 164 |
N 913004006001 |
NUT |
|
|
WIRE CABLE TO FIRE WALL |
| 167 |
A 3813020240 |
BRACKET |
|
|
IDLING ADJUSTER |
| 170 |
N 007976005207 |
SHEET METAL SCREW |
|
Repalced by: N 914031005208
|
| 170 |
N 914031005208 |
COMBINATION BOLT |
|
|
BRACKET TO WINDOW SILL GIRDER |
| 173 |
N 000933006102 |
SCREW |
|
|
FRESH AIR DUCT |
| 176 |
N 913004006002 |
NUT |
|
Repalced by: N 913004006001
|
| 176 |
N 913004006001 |
NUT |
|
|
FRESH AIR DUCT |
| 179 |
A 0069978881 |
GROMMET |
|
|
WIRE CABLE THRU WINDOW SILL |
| 185 |
A 6203010240 |
BRACKET |
|
|
WIRE CABLE TO FRAME SIDE MEMBER |
| 200 |
A 3975460144 |
CLAMPING PIECE |
|
|
WIRE CABLE |
| 209 |
N 000933006127 |
SCREW |
|
|
CLAMPING PIECE TO BRACKET |
|
|
M 6X25 |
| 209 |
N 000933006124 |
SCREW |
|
|
CLAMPING PIECE TO BRACKET |
|
|
M 6X30 |
| 212 |
N 000125006421 |
WASHER |
|
|
CLAMPING PIECE TO BRACKET |
| 215 |
N 912004006102 |
LOCK WASHER |
|
|
CLAMPING PIECE TO BRACKET |
| 218 |
N 913004006002 |
NUT |
|
Repalced by: N 913004006001
|
| 218 |
N 913004006001 |
NUT |
|
|
CLAMPING PIECE TO BRACKET |