| 003 |
A 6203200302 |
FRONT SPRING |
|
|
(PARABOLIC SPRING);NUMBER OF LEAVES: |
|
|
"3" |
| 003 |
A 6203200302 |
FRONT SPRING |
|
|
(PARABOLIC SPRING);NUMBER OF LEAVES: |
|
|
"3" |
| 003 |
A 6203200002 |
FRONT SPRING |
|
|
(PARABOLIC SPRING);NUMBER OF LEAVES: |
|
|
"4" |
| 003 |
A 6203200002 |
FRONT SPRING |
|
|
(PARABOLIC SPRING);NUMBER OF LEAVES: |
|
|
"4" |
| 018 |
A 3043210150 |
BUSHING |
| 018 |
A 6203210050 |
BUSHING |
| 021 |
A 3933210284 |
SHIM |
|
|
BETWEEN THE SPRING LEAVES |
| 021 |
A 3933210284 |
SHIM |
|
|
BETWEEN THE SPRING LEAVES |
| 021 |
A 3933210284 |
SHIM |
|
|
BETWEEN THE SPRING LEAVES |
| 024 |
A 3913210071 |
SCREW |
|
|
(SPRING BOLT) |
| 024 |
A 3913210071 |
SCREW |
|
|
(SPRING BOLT) |
| 024 |
A 3393210071 |
SCREW |
|
Repalced by: A 3913210171
|
| 024 |
A 3913210171 |
SCREW |
|
|
(SPRING BOLT) |
| 024 |
A 3913210171 |
SCREW |
|
|
(SPRING BOLT) |
| 027 |
N 913004014005 |
NUT |
|
Repalced by: N 910113014000
|
| 027 |
N 910113014000 |
NUT |
|
|
SPRING BOLT |
| 030 |
A 6203240233 |
SPRING CLAMP |
|
Repalced by: A 0003244233
|
| 030 |
A 6203240333 |
SPRING CLAMP |
|
Repalced by: A 0003244233
|
| 030 |
A 0003244233 |
SPRING CLAMP |
|
Repalced by: A 6203240433
|
| 030 |
A 6203240433 |
SPRING CLAMP |
|
|
FRONT SPRING |
| 030 |
A 0003244233 |
SPRING CLAMP |
|
Repalced by: A 6203240433
|
| 030 |
A 6203240433 |
SPRING CLAMP |
|
|
FRONT SPRING |
| 030 |
A 0003244233 |
SPRING CLAMP |
|
Repalced by: A 6203240533
|
| 030 |
A 6203240533 |
SPRING CLAMP |
|
|
FRONT SPRING |
| 030 |
A 0003244233 |
SPRING CLAMP |
|
Repalced by: A 6203240533
|
| 030 |
A 6203240533 |
SPRING CLAMP |
|
|
FRONT SPRING |
| 033 |
N 000960012222 |
SCREW |
|
|
SPRING CLAMP |
| 034 |
N 000963012011 |
SCREW |
|
|
SPRING CLAMP |
| 036 |
N 910113012002 |
NUT |
|
|
SPRING CLAMP |
| 037 |
A 3933210053 |
SPACER TUBE |
|
Repalced by: A 0003212753
|
| 037 |
A 0003212753 |
SPACER TUBE |
|
|
SPRING CLAMP |
| 039 |
N 910006008024 |
RIVET |
|
|
SPRING CLAMP TO SPRING LEAF |
| 042 |
A 3873200162 |
SHACKLE |
|
|
FRONT SPRING |
| 045 |
A 3043210150 |
BUSHING |
| 045 |
A 6203210050 |
BUSHING |
| 048 |
A 3955860232 |
REPAIR KIT |
|
Repalced by: A 3953200265
|
| 048 |
A 3953200265 |
SHACKLE PIN |
|
|
(PARTS KIT), SPRING SHACKLE |
| 051 |
A 3955860332 |
REPAIR KIT |
|
Repalced by: A 3953200165
|
| 051 |
A 3953200165 |
SHACKLE PIN |
|
|
(PARTS KIT) FRONT SPRING TO FRONT SPRING BRACKET |
| 054 |
N 071412010300 |
GREASE NIPPLE |
|
|
SHACKLE PIN |
| 057 |
A 3523230376 |
WASHER |
|
|
AS REQUIRED |
|
|
4.00 MM |
| 057 |
A 3523230476 |
WASHER |
|
|
AS REQUIRED |
|
|
4.20 MM |
| 057 |
A 3523230576 |
WASHER |
|
|
AS REQUIRED |
|
|
4.30 MM |
| 060 |
A 0029973140 |
SEAL RING |
|
|
SPRING SUSPENSION |
| 063 |
A 3529900337 |
BOLT |
|
|
SHACKLES TO FRONT SPRING FRONT AND REAR BRACKETS |
| 066 |
N 000125010518 |
WASHER |
|
Repalced by: N 000125010532
|
| 066 |
N 000125010532 |
WASHER |
|
|
SHACKLES TO FRONT SPRING FRONT AND REAR BRACKETS |
| 069 |
N 913004010008 |
NUT |
|
Repalced by: N 910113010000
|
| 069 |
N 910113010000 |
NUT |
|
|
SHACKLES TO FRONT SPRING FRONT AND REAR BRACKETS |
| 075 |
A 3833240008 |
HELPER SPRING |
|
|
RUBBER SPRING |
| 078 |
A 3953210040 |
BRACKET |
|
|
HELPER SPRING |
| 081 |
N 000933010145 |
SCREW |
|
|
BRACKET TO SIDE MEMBER |
| 084 |
N 913004010008 |
NUT |
|
Repalced by: N 910113010000
|
| 084 |
N 910113010000 |
NUT |
|
|
BRACKET TO SIDE MEMBER |
| 087 |
A 3933310628 |
SHIM |
|
|
LEFT SHOCK ABSORBER |
| 087 |
A 3933310628 |
SHIM |
|
|
LEFT SHOCK ABSORBER |
| 087 |
A 3933310828 |
SHIM |
|
|
LEFT SHOCK ABSORBER |
| 087 |
A 3933310828 |
SHIM |
|
|
LEFT SHOCK ABSORBER |
| 087 |
A 6213310228 |
SHIM |
|
|
LEFT SHOCK ABSORBER |
| 087 |
A 6213310428 |
SHIM |
|
|
LEFT SHOCK ABSORBER |
| 087 |
A 3933310528 |
SHIM |
|
|
RIGHT SHOCK ABSORBER |
| 087 |
A 3933310528 |
SHIM |
|
|
RIGHT SHOCK ABSORBER |
| 087 |
A 3933310728 |
SHIM |
|
|
RIGHT SHOCK ABSORBER |
| 087 |
A 3933310728 |
SHIM |
|
|
RIGHT SHOCK ABSORBER |
| 087 |
A 6213310128 |
SHIM |
|
|
RIGHT SHOCK ABSORBER |
| 087 |
A 6213310328 |
SHIM |
|
|
RIGHT SHOCK ABSORBER |
| 091 |
A 3953310028 |
SHIM |
|
|
BETWEEN SPRING AND SHIM,RIGHT |
| 094 |
A 3893230074 |
PIN |
|
Repalced by: A 6573310074
|
| 094 |
A 6573310074 |
PIN |
|
|
FRONT SPRINGS TO FRONT AXLE |
| 097 |
A 3263310044 |
RUBBER BUFFER |
|
Repalced by: A 6553310044
|
| 097 |
A 6553310044 |
RUBBER BUFFER |
|
|
FRONT SPRINGS TO FRONT AXLE |
| 100 |
A 3043310027 |
SPACER |
|
Repalced by: A 6483310026
|
| 100 |
A 6483310026 |
PLATE |
|
Repalced by: A 6553310126
|
| 100 |
A 6553310126 |
PLATE |
|
Repalced by: A 6483310026
|
| 100 |
A 6483310026 |
PLATE |
|
|
FRONT SPRINGS TO FRONT AXLE |
| 103 |
A 3873310925 |
U-BOLT |
|
|
FRONT SPRINGS TO FRONT AXLE |
|
|
230 MM |
| 103 |
A 3873310925 |
U-BOLT |
|
|
FRONT SPRINGS TO FRONT AXLE |
|
|
230 MM |
| 103 |
A 3873310925 |
U-BOLT |
|
|
FRONT SPRINGS TO FRONT AXLE |
|
|
230 MM |
| 103 |
A 3043311625 |
U-BOLT |
|
|
FRONT SPRINGS TO FRONT AXLE |
|
|
245 MM |
| 103 |
A 3043311925 |
U-BOLT |
|
|
FRONT SPRINGS TO FRONT AXLE |
|
|
275 MM |
| 103 |
A 3043311925 |
U-BOLT |
|
|
FRONT SPRINGS TO FRONT AXLE |
|
|
275 MM |
| 108 |
N 913004020004 |
NUT |
|
Repalced by: N 913004020003
|
| 108 |
N 913004020003 |
NUT |
|
|
FRONT SPRINGS TO FRONT AXLE |
| 109 |
A 3873200178 |
CONSOLE |
|
Repalced by: A 3873230563
|
| 109 |
A 3873230563 |
BEARING BRACKET |
|
|
TORSION BAR,FRONT |
| 109 |
A 6203200078 |
CONSOLE |
|
Repalced by: A 6203230363
|
| 109 |
A 6203230363 |
BEARING BRACKET |
|
|
TORSION BAR,FRONT |
| 110 |
N 000939012102 |
STUD BOLT |
| 111 |
A 6203230063 |
BEARING BRACKET |
|
|
TORSION BAR,FRONT |
| 112 |
N 000961016142 |
SCREW |
|
|
CONSOLE TO SIDE MEMBER |
|
|
M 16X30 |
| 113 |
N 000961016040 |
SCREW |
|
|
CONSOLE TO SIDE MEMBER |
|
|
M 16X45 |
| 113 |
N 000961016040 |
SCREW |
|
|
CONSOLE TO SIDE MEMBER |
|
|
M 16X45 |
| 114 |
N 913004016004 |
NUT |
|
Repalced by: N 910113016002
|
| 114 |
N 910113016002 |
NUT |
|
|
CONSOLE TO SIDE MEMBER |
| 114 |
N 910113016002 |
NUT |
|
|
CONSOLE TO SIDE MEMBER |
| 117 |
N 000933008150 |
SCREW |
|
Repalced by: N 304017008018
|
| 117 |
N 304017008018 |
SCREW |
|
|
BEARING BRACKET TO ENGINE MOUNTING CONSOLE |
| 120 |
N 912004008102 |
LOCK WASHER |
|
|
BEARING BRACKET TO ENGINE MOUNTING CONSOLE |
| 123 |
A 3893230116 |
SHACKLE |
|
|
TORSION BAR,FRONT |
| 123 |
A 3893230116 |
SHACKLE |
|
|
TORSION BAR,FRONT |
| 123 |
A 3873230916 |
SHACKLE |
|
|
TORSION BAR,FRONT |
| 125 |
A 6203230216 |
SHACKLE |
|
|
TORSION BAR,FRONT |
| 126 |
A 0003232150 |
BUSHING |
|
|
LINK TO CONSOLE |
| 127 |
A 3873230052 |
SPACER WASHER |
|
|
LINK TO CONSOLE |
| 128 |
A 3873230152 |
SPACER WASHER |
|
|
LINK TO CONSOLE |
| 128 |
A 3873230152 |
SPACER WASHER |
|
|
LINK TO CONSOLE |
| 128E |
N 910113012002 |
NUT |
|
|
LINK TO CONSOLE |
|
N 000961012056 |
SCREW |
|
Repalced by: N 308676012038
|
|
N 308676012038 |
SCREW |
|
|
LINK TO CONSOLE |
| 129 |
A 6203230074 |
PIN |
|
|
LINK TO BEARING BRACKET |
| 132 |
N 000471032000 |
LOCK RING |
|
|
LINK TO BEARING BRACKET |
| 138 |
A 3873230165 |
TORSION BAR |
|
|
TORSION BAR,FRONT |
| 140 |
A 6203230165 |
TORSION BAR |
|
Repalced by: A 6523230765
|
| 140 |
A 6523230765 |
TORSION BAR |
|
|
FRONT AXLE |
| 141 |
A 3873230285 |
RUBBER MOUNTING |
|
|
TORSION BAR |
| 142 |
A 6203230140 |
BRACKET |
|
Repalced by: A 6213230340
|
| 142 |
A 6213230340 |
BRACKET |
|
|
TORSION BAR |
| 143 |
N 000961012052 |
SCREW |
|
Repalced by: N 308676012012
|
| 143 |
N 308676012012 |
SCREW |
|
|
BRACKET TO TORSION BAR |
| 144 |
N 910113012002 |
NUT |
|
|
BRACKET TO TORSION BAR |
| 145 |
N 000983068000 |
LOCK RING |
|
|
TORSION BAR TO SHACKLE |
| 148 |
A 6203230020 |
BEARING |
|
|
TORSION BAR,LEFT |
| 148 |
A 6203230120 |
BEARING |
|
|
TORSION BAR,RIGHT |
| 149 |
A 6203231220 |
BEARING |
|
|
TORSION BAR,SHOCK ABSORBER,LEFT |
| 149 |
A 6203231420 |
BEARING |
|
|
TORSION BAR,SHOCK ABSORBER,LEFT |
| 149 |
A 6203231120 |
BEARING |
|
|
TORSION BAR,SHOCK ABSORBER,RIGHT |
| 149 |
A 6203231320 |
BEARING |
|
|
TORSION BAR,SHOCK ABSORBER,RIGHT |
| 149K |
A 6193230063 |
BEARING BRACKET |
|
|
TORSION BAR,FRONT |
| 151 |
A 6203230174 |
PIN |
|
Repalced by: A 6205860232
|
| 151 |
A 6205860232 |
REPAIR KIT |
|
Repalced by: A 6203200428
|
| 151 |
A 6203200428 |
REPAIR KIT |
|
|
TORSION BAR MOUNTING |
| 151 |
A 6203200628 |
REPAIR KIT |
|
|
TORSION BAR MOUNTING |
| 154 |
A 6203230050 |
BUSHING |
|
|
TORSION BAR TO BEARING BRACKET |
| 154 |
A 6203230250 |
BUSHING |
|
|
TORSION BAR TO SHACKLE |
| 157 |
N 007349017002 |
WASHER |
|
|
TORSION BAR MOUNTING |
| 160 |
N 913004016005 |
NUT |
|
Repalced by: N 910113016001
|
| 160 |
N 910113016001 |
NUT |
|
|
TORSION BAR MOUNTING |
| 164 |
A 0033233200 |
SHOCK ABSORBER |
|
Repalced by: A 0063230900
|
| 164 |
A 0033233200 |
SHOCK ABSORBER |
| 164 |
A 0033233300 |
SHOCK ABSORBER |
|
Repalced by: A 0043239200
|
| 164 |
A 0043239200 |
SHOCK ABSORBER |
|
Repalced by: A 0063230900
|
| 164 |
A 0063230900 |
SHOCK ABSORBER |
|
|
FRONT AXLE |
| 164 |
A 0063230900 |
SHOCK ABSORBER |
|
|
FRONT AXLE |
| 164 |
A 0033237100 |
SHOCK ABSORBER |
|
Repalced by: A 0043234600
|
| 164 |
A 0043234600 |
SHOCK ABSORBER |
|
Repalced by: A 0063230800
|
| 164 |
A 0043234600 |
SHOCK ABSORBER |
| 164 |
A 0033237200 |
SHOCK ABSORBER |
|
Repalced by: A 0043230100
|
| 164 |
A 0043230100 |
SHOCK ABSORBER |
|
Repalced by: A 0063230800
|
| 164 |
A 0063230800 |
SHOCK ABSORBER |
|
|
FRONT AXLE |
| 164 |
A 0063230800 |
SHOCK ABSORBER |
|
|
FRONT AXLE |
| 167 |
A 0003232550 |
BUSHING |
|
Repalced by: A 0003233150
|
| 167 |
A 0003233150 |
BUSHING |
|
|
TO 003 323 32 00,33 00,71 00,72 00 |
|
Y YYYYYYYYYYYY |
PART NAME MISSING |
|
|
004 323 46 00 |
|
Y YYYYYYYYYYYY |
PART NAME MISSING |
|
|
006 323 08 00,09 00 |
| 167 |
A 0003235250 |
BUSHING |
|
|
TO 004 323 01 00,004 323 92 00 |
| 170 |
A 0003232444 |
RUBBER BUFFER |
|
Repalced by: A 0003232885
|
| 170 |
A 0003232885 |
RUBBER MOUNTING |
|
|
TO 003 323 71 00,72 00,32 00,33 00 |
|
Y YYYYYYYYYYYY |
PART NAME MISSING |
|
|
004 323 46 00 |
|
Y YYYYYYYYYYYY |
PART NAME MISSING |
|
|
006 323 08 00,09 00 |
| 170 |
A 0003233044 |
RUBBER BUFFER |
|
Repalced by: A 0003233144
|
| 170 |
A 0003233144 |
RUBBER BUFFER |
|
|
TO 004 323 01 00,004 323 92 00 |
| 173 |
A 3953230640 |
BRACKET |
|
Repalced by: A 6203230040
|
| 173 |
A 6203230040 |
BRACKET |
|
Repalced by: A 6243230340
|
| 173 |
A 6243230340 |
BRACKET |
|
|
SHOCK ABSORBER MOUNTING |
| 176 |
N 000961014050 |
SCREW |
|
Repalced by: N 308676014020
|
| 176 |
N 308676014020 |
SCREW |
|
|
BRACKET TO SIDE MEMBER |
|
|
M 14X35 |
| 179 |
N 913004014002 |
NUT |
|
Repalced by: N 910113014001
|
| 179 |
N 910113014001 |
NUT |
|
|
BRACKET TO SIDE MEMBER |
| 182 |
N 000960016164 |
SCREW |
|
Repalced by: N 000960016250
|
| 182 |
N 000960016250 |
SCREW |
|
|
SHOCK ABSORBER TO BRACKET |
|
|
M 16X85 |
| 182 |
N 000960016175 |
SCREW |
|
|
SHOCK ABSORBER TO BRACKET |
|
|
M 16X120 |
| 182 |
N 000960016065 |
SCREW |
|
|
SHOCK ABSORBER TO BRACKET |
|
|
M 16X95 |
| 183 |
N 000960016244 |
SCREW |
|
|
SHOCK ABSORBER TO FRONT SPRING |
|
|
M 16X90 |
| 185 |
A 3878911153 |
SPACER TUBE |
|
|
SHOCK ABSORBER TO BRACKET |
| 186 |
A 3939900240 |
WASHER |
|
|
SHOCK ABSORBER TO BRACKET |
| 188 |
N 913004016004 |
NUT |
|
Repalced by: N 910113016002
|
| 188 |
N 910113016002 |
NUT |
|
|
SHOCK ABSORBER TO BRACKET |
| 188 |
N 910113016002 |
NUT |
|
|
SHOCK ABSORBER TO FRONT SPRING |
| 190 |
A 3933200308 |
REAR SPRING |
|
Repalced by: A 6233200206
|
| 190 |
A 6233200206 |
REAR SPRING |
|
|
(TRAPEZOIDAL SPRING);NUMBER OF LEAVES: |
|
|
"11" |
| 196 |
A 3933200593 |
SPRING LEAF |
|
Repalced by: A 6233200206
|
| 196 |
A 6233200093 |
SPRING LEAF |
|
|
NO.1 |
| 200 |
A 3353240350 |
BUSHING |
| 200 |
A 6203240050 |
BUSHING |
| 204 |
A 3933241112 |
SPRING LEAF |
|
Repalced by: A 6233200206
|
| 204 |
A 6233240112 |
SPRING LEAF |
|
|
NO.2 |
| 207 |
A 3933241013 |
SPRING LEAF |
|
Repalced by: A 6233200206
|
| 207 |
A 6233240113 |
SPRING LEAF |
|
|
NO.3 |
| 210 |
A 3933240914 |
SPRING LEAF |
|
Repalced by: A 6233200206
|
| 210 |
A 6233240014 |
SPRING LEAF |
|
|
NO.4 |
| 213 |
A 3933240915 |
SPRING LEAF |
|
Repalced by: A 6233200206
|
| 213 |
A 6233240015 |
SPRING LEAF |
|
|
NO.5 |
| 216 |
A 3933240816 |
SPRING LEAF |
|
Repalced by: A 6233200206
|
| 216 |
A 6233240016 |
SPRING LEAF |
|
|
NO.6 |
| 219 |
A 3933240817 |
SPRING LEAF |
|
Repalced by: A 6233200206
|
| 219 |
A 6233240017 |
SPRING LEAF |
|
|
NO.7 |
| 222 |
A 3873240035 |
SPACER |
| 225 |
A 3933240140 |
SPRING LEAF |
|
Repalced by: A 6233200206
|
| 225 |
A 6233240018 |
SPRING LEAF |
|
|
NO.8 |
| 228 |
A 3933240141 |
SPRING LEAF |
|
Repalced by: A 6233200206
|
| 228 |
A 6233240019 |
SPRING LEAF |
|
|
NO.9 |
| 231 |
A 3933240142 |
SPRING LEAF |
|
Repalced by: A 6233200206
|
| 231 |
A 6233240020 |
SPRING LEAF |
|
|
NO.10 |
| 234 |
A 3933240143 |
SPRING LEAF |
|
Repalced by: A 6233200206
|
| 234 |
A 6233240021 |
SPRING LEAF |
|
|
NO.11 |
| 237 |
A 3933240271 |
SPRING BOLT |
|
Repalced by: A 9433210271
|
| 237 |
A 9433210271 |
SCREW |
| 237 |
A 6213240271 |
SPRING BOLT |
|
|
M 18X185 |
| 240 |
N 007349019002 |
WASHER |
|
|
SPRING BOLT |
| 243 |
N 913004018004 |
NUT |
|
|
SPRING BOLT |
| 246 |
A 0003248733 |
SPRING CLAMP |
|
Repalced by: A 0003244233
|
| 246 |
A 0003244233 |
SPRING CLAMP |
|
|
REAR SPRING |
| 247 |
N 000934012022 |
NUT |
| 249 |
A 3039902440 |
WASHER |
|
|
SPRING CLAMP |
| 252 |
N 000963012019 |
SCREW |
|
|
SPRING CLAMP |
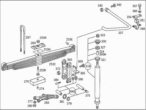
| 253C |
A 6233200506 |
REAR SPRING |
|
|
(PARABOLIC SPRING);NUMBER OF LEAVES: |
|
|
"6" |
| 253E |
A 3353240350 |
BUSHING |
| 253E |
A 6203240050 |
BUSHING |
| 253H |
A 3873210084 |
SHIM |
| 253K |
A 3873240171 |
SPRING BOLT |
|
Repalced by: A 9463210071
|
| 253K |
A 9463210071 |
SCREW |
|
|
M 18X175 |
| 253N |
N 913004018004 |
NUT |
|
|
SPRING BOLT |
| 255 |
A 3529900337 |
BOLT |
|
|
SHACKLE PIN TO SHACKLE |
| 258 |
N 000125010518 |
WASHER |
|
Repalced by: N 000125010532
|
| 258 |
N 000125010532 |
WASHER |
|
|
SHACKLE PIN TO SHACKLE |
| 261 |
N 913004010008 |
NUT |
|
Repalced by: N 910113010000
|
| 261 |
N 910113010000 |
NUT |
|
|
SHACKLE PIN TO SHACKLE |
| 264 |
A 3873510026 |
SPRING CLAMPING PLATE |
|
|
REAR SPRING TO REAR AXLE |
| 264 |
A 6203510026 |
SPRING CLAMPING PLATE |
|
|
REAR SPRING TO REAR AXLE |
| 267 |
A 3353510125 |
U-BOLT |
|
Repalced by: A 9433510225
|
| 267 |
A 9433510225 |
U-BOLT |
|
|
REAR SPRING TO REAR AXLE |
| 267 |
A 3353510725 |
U-BOLT |
|
Repalced by: A 6203510025
|
| 267 |
A 6203510025 |
U-BOLT |
|
|
460 MM |
| 270 |
A 3893510228 |
PAD |
|
|
REAR SPRING TO REAR AXLE |
| 270 |
A 3873510328 |
PAD |
|
|
REAR SPRING TO REAR AXLE |
| 270 |
A 3933510028 |
PAD |
|
|
REAR SPRING TO REAR AXLE |
| 274 |
A 3893250074 |
PIN |
|
|
REAR SPRING TO REAR AXLE |
| 277 |
A 3879975026 |
WASHER |
|
|
REAR SPRING TO REAR AXLE |
| 280 |
N 000934024006 |
NUT |
|
|
REAR SPRING TO REAR AXLE |
|
A 3873250040 |
BRACKET |
|
|
REAR AXLE I STOP TO SIDE MEMBER |
|
A 3873250144 |
RUBBER BUFFER |
|
|
REAR AXLE I STOP TO SIDE MEMBER |
|
N 000931010282 |
SCREW |
|
|
BRACKET TO SIDE MEMBER |
|
N 913004010008 |
NUT |
|
Repalced by: N 910113010000
|
|
N 910113010000 |
NUT |
|
|
BRACKET TO SIDE MEMBER |
| 283 |
A 6233260220 |
BEARING |
|
|
LEFT SHOCK ABSORBER |
| 283 |
A 6233260320 |
BEARING |
|
|
RIGHT SHOCK ABSORBER |
| 287 |
A 0013264100 |
SHOCK ABSORBER |
|
|
TRAILING AXLE |
| 287 |
A 0023260200 |
SHOCK ABSORBER |
|
Repalced by: A 0033265100
|
| 287 |
A 0033265100 |
SHOCK ABSORBER |
|
|
TRAILING AXLE |
| 290 |
A 0003260168 |
RUBBER BUFFER |
|
|
TO 001 326 41 00 |
| 290 |
A 0003261881 |
RUBBER MOUNTING |
|
|
TO 002 326 02 00 |
| 290 |
A 0003233044 |
RUBBER BUFFER |
|
Repalced by: A 0003233144
|
| 290 |
A 0003233144 |
RUBBER BUFFER |
|
|
TO 003 326 51 00 |
| 293 |
A 0003260550 |
BUSHING |
|
|
TO 001 326 41 00 |
| 293 |
A 0003261250 |
BUSHING |
|
|
TO 003 326 51 00 |
| 296 |
A 0003260450 |
BUSHING |
|
|
TO 001 326 41 00 |
| 300 |
A 3353231440 |
BRACKET |
|
Repalced by: A 6533260940
|
| 300 |
A 6533260940 |
BRACKET |
|
|
SHOCK ABSORBER |
| 303 |
N 000961014029 |
SCREW |
|
|
BRACKET TO FRAME |
| 306 |
N 913004014002 |
NUT |
|
Repalced by: N 910113014001
|
| 306 |
N 910113014001 |
NUT |
|
|
BRACKET TO FRAME |
| 309 |
N 000960020037 |
SCREW |
|
|
SHOCK ABSORBER TO BRACKET AND TO BEARING |
|
|
M 20X110 |
| 309 |
N 000960020037 |
SCREW |
|
|
SHOCK ABSORBER TO BOTTOM BRACKET |
|
|
M 20X110 |
| 309 |
N 000960020143 |
SCREW |
|
|
SHOCK ABSORBER TO CONSOLE,TOP |
|
|
M 20X100 |
| 312 |
N 000125021006 |
WASHER |
|
|
SHOCK ABSORBER TO BRACKET AND TO BEARING |
| 312 |
N 000125021006 |
WASHER |
|
|
SHOCK ABSORBER TO BOTTOM BRACKET |
| 315 |
N 913004020004 |
NUT |
|
Repalced by: N 913004020003
|
| 315 |
N 913004020003 |
NUT |
|
|
SHOCK ABSORBER TO BRACKET AND TO BEARING |
| 318 |
A 3933260000 |
SHOCK ABSORBER |
|
|
(PARTS KIT),DRIVING AXLE |
| 318 |
A 6483260000 |
SHOCK ABSORBER |
|
|
(PARTS KIT),DRIVING AXLE |
| 321 |
A 3173260167 |
RETAINER |
|
|
SHOCK ABSORBER TO CROSS MEMBER AND TO BRACKET |
|
|
53 MM |
| 324 |
A 3179911240 |
SPACER TUBE |
|
|
SHOCK ABSORBER TO CROSS MEMBER AND TO BRACKET |
| 327 |
A 3543260068 |
RUBBER BUFFER |
|
|
SHOCK ABSORBER TO CROSS MEMBER AND TO BRACKET |
| 330 |
A 3543260067 |
RETAINER |
|
|
SHOCK ABSORBER TO CROSS MEMBER AND TO BRACKET |
|
|
63 MM |
| 333 |
N 913004016004 |
NUT |
|
Repalced by: N 910113016002
|
| 333 |
N 910113016002 |
NUT |
|
|
SHOCK ABSORBER TO CROSS MEMBER AND TO BRACKET |
| 337 |
A 3353930004 |
DAMPING SPRING |
|
|
TORSION BAR |
| 340 |
N 000960012258 |
SCREW |
|
|
TORSION BAR TO REAR AXLE |
| 345 |
N 913004012009 |
NUT |
|
Repalced by: N 910113012003
|
| 345 |
N 910113012003 |
NUT |
|
|
TORSION BAR TO REAR AXLE |
| 348 |
A 3353930122 |
BEARING SHELL |
|
|
BEARING TO CONSOLE |
| 351 |
A 0003930050 |
BUSHING |
|
|
BEARING TO CONSOLE |
| 354 |
A 3353930022 |
BEARING SHELL |
|
|
BEARING TO CONSOLE |
| 357 |
N 000961012097 |
SCREW |
|
Repalced by: N 308676012026
|
| 357 |
N 308676012026 |
SCREW |
|
|
BEARING TO CONSOLE |
| 360 |
N 912004012100 |
LOCK WASHER |
|
|
BEARING TO CONSOLE |
| 363 |
A 3353910133 |
SHACKLE |
|
|
REAR SPRING TO SWINGING LINK |
| 363 |
A 6233910033 |
SHACKLE |
|
Repalced by: A 6583250020
|
| 363 |
A 6583250020 |
SHACKLE |
|
|
REAR SPRING TO SWINGING LINK |
| 366 |
A 3353910140 |
BRACKET |
|
|
DAMPING SPRING STOP |
| 369 |
N 000931010258 |
SCREW |
|
|
BRACKET TO SHACKLE |
| 372 |
N 913004010008 |
NUT |
|
Repalced by: N 910113010000
|
| 372 |
N 910113010000 |
NUT |
|
|
BRACKET TO SHACKLE |
| 375 |
N 071412010100 |
GREASE NIPPLE |
|
|
SHACKLE PIN |
| 378 |
A 3523230976 |
WASHER |
|
|
AS REQUIRED |
|
|
4.00 MM |
| 378 |
A 3523231076 |
WASHER |
|
|
AS REQUIRED |
|
|
4.20 MM |
| 381 |
A 0029973040 |
SEAL RING |
|
|
SPRING SUSPENSION |
| 384 |
A 3529900337 |
BOLT |
|
|
SHACKLE PIN TO SHACKLE |
| 387 |
N 000125010518 |
WASHER |
|
Repalced by: N 000125010532
|
| 387 |
N 000125010532 |
WASHER |
|
|
SHACKLE PIN TO SHACKLE |
| 390 |
N 913004010008 |
NUT |
|
Repalced by: N 910113010000
|
| 390 |
N 910113010000 |
NUT |
|
|
SHACKLE PIN TO SHACKLE |
| 390E |
A 3895860232 |
REPAIR KIT |
|
Repalced by: A 3893200165
|
| 390E |
A 3893200165 |
SHACKLE PIN |
|
|
(PARTS KIT) SHACKLE TO TRAILING AXLE SWINGING LINK |
| 390L |
N 071412010100 |
GREASE NIPPLE |
|
|
SHACKLE PIN |
| 391 |
A 3523230976 |
WASHER |
|
|
AS REQUIRED |
|
|
4.00 MM |
| 391 |
A 3523231076 |
WASHER |
|
|
AS REQUIRED |
|
|
4.20 MM |
| 392 |
A 0029973040 |
SEAL RING |
|
|
SPRING SUSPENSION |
| 393 |
A 6583200065 |
SHACKLE PIN |
|
|
(PARTS KIT),FRONT SPRING EYE |
| 393 |
A 3895860132 |
REPAIR KIT |
|
Repalced by: A 3893200065
|
| 393 |
A 3893200065 |
SHACKLE PIN |
|
|
(PARTS KIT),REAR SPRING EYE |
| 393 |
A 3893200065 |
SHACKLE PIN |
|
|
(PARTS KIT),REAR LEFT SPRING EYE |
| 393 |
A 6483200065 |
SHACKLE PIN |
|
|
(PARTS KIT),REAR RIGHT SPRING EYE |
| 393E |
N 000960016223 |
SCREW |
|
Repalced by: N 308676016005
|
| 393E |
N 308676016005 |
SCREW |
|
|
TRAILING AXLE TO CONSOLE |
| 393L |
N 913004016005 |
NUT |
|
Repalced by: N 910113016001
|
| 393L |
N 910113016001 |
NUT |
|
|
TRAILING AXLE TO CONSOLE |
| 394 |
A 3933910438 |
CONSOLE |
|
|
LEFT SHOCK ABSORBER |
| 394 |
A 3933910538 |
CONSOLE |
|
|
RIGHT SHOCK ABSORBER |
| 394F |
A 3933250184 |
SHIM |
|
|
TRAILING AXLE STOP |
| 394F |
A 3633250084 |
SHIM |
|
|
TRAILING AXLE STOP |
| 394H |
A 3933250144 |
RUBBER BUFFER |
|
|
TRAILING AXLE STOP |
| 394H |
A 3633250044 |
RUBBER BUFFER |
|
|
TRAILING AXLE STOP |
| 394L |
A 0009906550 |
NUT |
|
|
RUBBER BUFFER TO CONSOLE |
| 394P |
N 000960014237 |
SCREW |
|
|
CONSOLE TO FRAME |
|
|
M 14X50 |
| 394P |
N 000961016105 |
SCREW |
|
Repalced by: N 308676016004
|
| 394P |
N 308676016004 |
SCREW |
|
|
CONSOLE TO FRAME |
|
|
M 16X55 |
| 394P |
N 000960014229 |
SCREW |
|
|
CONSOLE TO FRAME |
|
|
M 14X55 |
| 394P |
N 000961016097 |
SCREW |
|
Repalced by: N 308676016005
|
| 394P |
N 308676016005 |
SCREW |
|
|
CONSOLE TO FRAME |
|
|
M 16X60 |
| 395C |
N 913004014005 |
NUT |
|
Repalced by: N 910113014000
|
| 395C |
N 910113014000 |
NUT |
|
|
CONSOLE TO FRAME |
| 395C |
N 913004016005 |
NUT |
|
Repalced by: N 910113016001
|
| 395C |
N 910113016001 |
NUT |
|
|
CONSOLE TO FRAME |
| 395F |
A 3933200535 |
PLATE |
|
|
AIR-SPRING-BELLOWS SUPPORT |
| 395H |
A 3833270053 |
SPACER TUBE |
|
|
AT CONSOLE |
| 395L |
N 913004022003 |
NUT |
|
Repalced by: N 910113022001
|
| 395L |
N 910113022001 |
NUT |
|
|
AT CONSOLE |
| 395N |
A 3633280201 |
AIR SPRING BELLOWS |
|
|
TRAILING AXLE |
| 395Q |
A 3913200118 |
PISTON |
|
|
TRAILING AXLE |
| 395S |
N 007603012405 |
SEAL RING |
| 395U |
A 0004290456 |
SCREW PLUG |
| 396 |
N 000961016040 |
SCREW |
|
|
PISTON TO BEARING BRACKET |
| 396F |
N 912004016101 |
LOCK WASHER |
|
|
PISTON TO BEARING BRACKET |
| 396H |
N 007603012405 |
SEAL RING |
|
|
AT PISTON |
| 396K |
N 000908012003 |
SCREW PLUG |
|
Repalced by: N 000908012009
|
| 396K |
N 000908012009 |
SCREW PLUG |
|
|
AT PISTON |
| 397 |
A 3933201278 |
CONSOLE |
|
|
REAR SPRING CENTRAL BEARING |
| 401 |
A 3873250162 |
THRUST WASHER |
|
|
REAR SPRING CENTRAL BEARING CONSOLE |
| 404 |
N 000960020078 |
SCREW |
|
|
CONSOLE TO FRAME |
|
|
M 20X85 |
| 404 |
N 000960020078 |
SCREW |
|
|
CONSOLE TO FRAME |
|
|
M 20X85 |
| 404 |
N 914142020103 |
SCREW |
|
Repalced by: A 0003250775
|
| 404 |
A 0003250775 |
SCREW |
|
|
CONSOLE TO FRAME |
| 404 |
A 0003250775 |
SCREW |
|
|
CONSOLE TO FRAME |
| 404 |
N 914112020200 |
SCREW |
|
|
CONSOLE TO FRAME |
|
|
M 20X80 |
| 404 |
N 914112020200 |
SCREW |
|
|
CONSOLE TO FRAME |
|
|
M 20X80 |
| 407 |
N 000960020128 |
SCREW |
|
|
CONSOLE TO FRAME |
|
|
M 20X95 |
| 407 |
N 000960020128 |
SCREW |
|
|
CONSOLE TO FRAME |
|
|
M 20X95 |
| 407 |
N 000960020078 |
SCREW |
|
Repalced by: A 0003250875
|
| 407 |
A 0003250875 |
SCREW |
|
|
CONSOLE TO FRAME |
| 407 |
A 0003250875 |
SCREW |
|
|
CONSOLE TO FRAME |
| 407 |
N 914112020201 |
SCREW |
|
|
CONSOLE TO FRAME |
|
|
M 20X90 |
| 407 |
N 914112020201 |
SCREW |
|
|
CONSOLE TO FRAME |
|
|
M 20X90 |
| 410 |
A 3933250484 |
SHIM |
|
|
CONSOLE TO FRAME |
| 410 |
A 3933250484 |
SHIM |
|
|
CONSOLE TO FRAME |
| 413 |
N 913012020000 |
NUT |
|
|
CONSOLE TO FRAME |
| 419 |
A 3833250112 |
SPRING SADDLE |
|
|
REAR SPRING CENTRAL BEARING |
| 422 |
A 0099975346 |
SEAL RING |
|
|
OUTSIDE |
| 422 |
A 0119973746 |
SEAL RING |
|
|
OUTSIDE |
| 422 |
A 0109971646 |
SEAL RING |
|
|
INSIDE |
| 422 |
A 0099975246 |
SEAL RING |
|
|
INSIDE |
| 425 |
A 0049811805 |
TAPERED ROLLER BEARING |
|
|
OUTSIDE |
| 425 |
A 0049814405 |
TAPERED ROLLER BEARING |
|
|
OUTSIDE |
| 425 |
A 0049814305 |
TAPERED ROLLER BEARING |
|
|
INSIDE |
| 425 |
A 0049811705 |
TAPERED ROLLER BEARING |
|
|
INSIDE |
| 425 |
A 0059815605 |
TAPERED ROLLER BEARING |
|
|
INSIDE |
| 428 |
A 3933250052 |
SPACER WASHER |
|
|
REAR SPRING TO BEARING BRACKET |
| 430 |
A 3939900060 |
NUT |
|
|
REAR SPRING TO BEARING BRACKET |
| 432 |
A 3833200084 |
COVER |
|
|
SPRING SUPPORT |
| 435 |
A 3833250080 |
GASKET |
|
|
COVER TO REAR AXLE CASING |
| 438 |
N 000933008145 |
SCREW |
|
|
COVER TO REAR AXLE CASING |
| 442 |
N 912004008102 |
LOCK WASHER |
|
|
COVER TO REAR AXLE CASING |
| 446 |
N 007603014405 |
SEAL RING |
|
|
OIL FILLING |
| 449 |
N 007604014106 |
SCREW PLUG |
|
Repalced by: N 007604014110
|
| 449 |
N 007604014110 |
SCREW PLUG |
|
|
OIL FILLING |
| 452 |
A 0079976048 |
SEAL RING |
|
|
INSIDE |
| 455 |
A 3853200167 |
GASKET |
|
|
INSIDE |
| 458 |
A 3933252209 |
BEARING BRACKET |
|
|
REAR AXLE I |
| 461 |
A 3933253009 |
BEARING BRACKET |
|
|
REAR AXLE II,LEFT |
| 461 |
A 3933253109 |
BEARING BRACKET |
|
|
REAR AXLE II,RIGHT |
| 464 |
A 3933250719 |
SPRING SEAT |
|
Repalced by: A 6583250019
|
| 464 |
A 6583250019 |
SPRING SEAT |
| 464 |
A 6583250019 |
SPRING SEAT |
|
|
REAR AXLE I,LEFT |
| 464 |
A 6583250019 |
SPRING SEAT |
|
|
REAR AXLE II,RIGHT |
| 467 |
A 3933250819 |
SPRING SEAT |
|
Repalced by: A 6583250119
|
| 467 |
A 6583250119 |
SPRING SEAT |
| 467 |
A 6583250119 |
SPRING SEAT |
|
|
REAR AXLE I,RIGHT |
| 467 |
A 6583250119 |
SPRING SEAT |
|
|
REAR AXLE II,LEFT |
| 473 |
A 3959900201 |
SCREW |
|
Repalced by: A 6599900001
|
| 473 |
A 6599900001 |
SCREW |
|
|
SPRING SEAT AND BEARING BRACKET TO REAR AXLE |
|
|
M 20X205 |
| 474 |
A 3959900301 |
SCREW |
|
|
SPRING SEAT AND BEARING BRACKET TO REAR AXLE |
|
|
M 20X240 |
| 476 |
N 074361022351 |
LOCK WASHER |
|
|
SPRING SEAT AND BEARING BRACKET TO REAR AXLE |
| 479 |
A 3893250074 |
PIN |
|
|
SPRING SEAT AND BEARING BRACKET TO REAR AXLE |
|
T YYYYYYYYYYYY |
PART NAME MISSING |
|
|
FOR REAR AXLE I CONTROL ARM BEARING BRACKET,SEE GROUP: |
|
|
"42" |
| 482 |
A 3953253609 |
BEARING BRACKET |
|
|
UPPER CONTROL ARM |
| 482 |
A 3953253609 |
BEARING BRACKET |
|
|
UPPER CONTROL ARM |
| 482 |
A 3953253909 |
BEARING BRACKET |
|
|
UPPER CONTROL ARM |
| 482 |
A 3953253909 |
BEARING BRACKET |
|
|
UPPER CONTROL ARM |
| 482 |
A 3953253709 |
BEARING BRACKET |
|
|
UPPER CONTROL ARM |
| 482 |
A 3953253709 |
BEARING BRACKET |
|
|
UPPER CONTROL ARM |
| 482 |
A 3953254009 |
BEARING BRACKET |
|
|
UPPER CONTROL ARM |
| 482 |
A 3953254009 |
BEARING BRACKET |
|
|
UPPER CONTROL ARM |
| 484 |
N 000960014121 |
SCREW |
|
Repalced by: N 308676014014
|
| 484 |
N 308676014014 |
SCREW |
|
|
BEARING BRACKET TO CROSS MEMBER |
| 487 |
N 913004014002 |
NUT |
|
Repalced by: N 910113014001
|
| 487 |
N 910113014001 |
NUT |
|
|
BEARING BRACKET TO CROSS MEMBER |
| 490 |
A 3853250309 |
BEARING BRACKET |
|
|
UPPER CONTROL ARM TO REAR AXLE II |
| 490 |
A 3853250309 |
BEARING BRACKET |
|
|
UPPER CONTROL ARM TO REAR AXLE II |
| 490 |
A 3853250309 |
BEARING BRACKET |
|
|
UPPER CONTROL ARM TO REAR AXLE II |
| 490 |
A 3853250309 |
BEARING BRACKET |
|
|
FOR REAR AXLE II CONTROL ARM BEARING BRACKET,SEE GROUP: |
|
|
"42" |
| 490 |
A 3853250309 |
BEARING BRACKET |
|
|
UPPER CONTROL ARM TO REAR AXLE II |
| 493 |
N 001481028004 |
CLAMPING SLEEVE |
|
|
BEARING BRACKET TO REAR AXLE II |
| 493 |
N 001481028004 |
CLAMPING SLEEVE |
|
|
BEARING BRACKET TO REAR AXLE II |
| 496 |
N 914142020201 |
SCREW |
|
|
BEARING BRACKET TO REAR AXLE II |
|
|
M 20X50 |
| 496 |
N 000960020200 |
SCREW |
|
|
BEARING BRACKET TO REAR AXLE II |
|
|
M 20X60 |
| 496 |
N 000960020200 |
SCREW |
|
|
BEARING BRACKET TO REAR AXLE II |
|
|
M 20X60 |
| 496 |
N 000960020200 |
SCREW |
|
|
BEARING BRACKET TO REAR AXLE II |
|
|
M 20X60 |
| 499 |
A 3953500706 |
CONTROL ARM |
|
|
BOTTOM |
| 499 |
A 6593500406 |
CONTROL ARM |
|
|
BOTTOM |
| 499 |
A 6593502706 |
CONTROL ARM |
|
|
BOTTOM |
| 502 |
A 3953500206 |
CONTROL ARM |
|
|
TOP |
| 502 |
A 6593500106 |
CONTROL ARM |
|
|
TOP |
| 502 |
A 6593502406 |
CONTROL ARM |
|
|
TOP |
| 508 |
A 0005861135 |
REPAIR KIT |
|
Repalced by: A 0003500613
|
| 508 |
A 0003500613 |
REPAIR KIT |
|
|
LOWER CONTROL ARM |
| 508 |
A 0003500613 |
REPAIR KIT |
|
|
UPPER CONTROL ARM |
| 511 |
N 000960020152 |
SCREW |
|
Repalced by: N 000960020120
|
| 511 |
N 000960020120 |
SCREW |
|
|
UPPER CONTROL ARM TO FRAME |
|
|
M 20X230 |
| 511 |
N 000960020120 |
SCREW |
|
|
LOWER CONTROL ARM TO CENTRAL BEARING BRACKET |
|
|
M 20X230 |
| 514 |
N 913004020004 |
NUT |
|
Repalced by: N 913004020003
|
| 514 |
N 913004020003 |
NUT |
|
|
UPPER CONTROL ARM TO FRAME |
| 514 |
N 913004020003 |
NUT |
|
|
LOWER CONTROL ARM TO CENTRAL BEARING BRACKET |
| 517 |
N 000960020032 |
SCREW |
|
Repalced by: N 308765020012
|
| 517 |
N 308765020012 |
SCREW |
|
|
LOWER CONTROL ARM TO REAR AXLE |
|
|
M 20X90 |
| 521 |
N 000960020138 |
SCREW |
|
Repalced by: N 000960020078
|
| 521 |
N 000960020078 |
SCREW |
|
|
UPPER CONTROL ARM,REAR AXLE II |
|
|
M 20X85 |
| 524 |
N 913004020004 |
NUT |
|
Repalced by: N 913004020003
|
| 524 |
N 913004020003 |
NUT |
|
|
CONTROL ARM TO REAR AXLE |
| 527 |
A 3933200406 |
REAR SPRING |
|
|
(PARABOLIC SPRING);NUMBER OF LEAVES: |
|
|
"5" |
| 530 |
A 3933240071 |
SPRING BOLT |
| 533 |
A 3933210184 |
SHIM |
|
|
BETWEEN THE SPRING LEAVES |
| 537 |
A 3913210184 |
SHIM |
|
Repalced by: A 3933210184
|
| 537 |
A 3933210184 |
SHIM |
|
|
REAR SPRING TO SPRING SADDLE |
| 540 |
N 913004016005 |
NUT |
|
Repalced by: N 910113016001
|
| 540 |
N 910113016001 |
NUT |
|
|
SPRING BOLT |
| 543 |
A 3933510326 |
SPRING CLAMPING PLATE |
|
|
REAR SPRING TO SPRING SADDLE |
| 543 |
A 6233510326 |
SPRING CLAMPING PLATE |
|
|
REAR SPRING TO SPRING SADDLE |
| 546 |
A 3933510425 |
U-BOLT |
|
|
REAR SPRING TO SPRING SADDLE |
| 549 |
A 3433250070 |
SPHERICAL WASHER |
|
|
REAR SPRING TO SPRING SADDLE |
| 552 |
N 000934024006 |
NUT |
|
|
REAR SPRING TO SPRING SADDLE |
| 554 |
N 000960020093 |
SCREW |
|
Repalced by: N 308765020014
|
| 554 |
N 308765020014 |
SCREW |
|
|
(CLAMPING BOLT),AT SPRING SADDLE |
| 558 |
A 3873200243 |
BRACKET |
|
|
SHOCK ABSORBER |
| 561 |
N 000961012097 |
SCREW |
|
Repalced by: N 308676012026
|
| 561 |
N 308676012026 |
SCREW |
|
|
BRACKET TO FRAME |
| 564 |
N 910113012002 |
NUT |
|
|
BRACKET TO FRAME |
| 567 |
A 0023269200 |
SHOCK ABSORBER |
|
|
REAR AXLES I AND II |
| 567 |
A 0023269300 |
SHOCK ABSORBER |
|
Repalced by: A 0033265000
|
| 567 |
A 0033265000 |
SHOCK ABSORBER |
|
|
REAR AXLES I AND II |
| 573 |
A 0003232550 |
BUSHING |
|
Repalced by: A 0003233150
|
| 573 |
A 0003233150 |
BUSHING |
|
|
TOP AND BOTTOM |
|
|
TO 002 326 92 00,002 326 93 00 |
| 573 |
A 0003233150 |
BUSHING |
|
|
TOP |
|
|
TO 003 326 50 00 |
| 573 |
A 0003234350 |
BUSHING |
|
|
BOTTOM |
|
|
TO 003 326 50 00 |
| 579 |
A 0003232444 |
RUBBER BUFFER |
|
Repalced by: A 0003232885
|
| 579 |
A 0003232885 |
RUBBER MOUNTING |
|
|
TOP AND BOTTOM |
|
|
TO 002 326 92 00,002 326 93 00 |
| 579 |
A 0003232885 |
RUBBER MOUNTING |
|
|
TOP |
|
|
TO 003 326 50 00 |
| 579 |
A 0003233044 |
RUBBER BUFFER |
|
Repalced by: A 0003233144
|
| 579 |
A 0003233144 |
RUBBER BUFFER |
|
|
BOTTOM |
| 582 |
N 000960016105 |
SCREW |
|
|
SHOCK ABSORBER TO TOP BRACKET |
| 585 |
N 913004016004 |
NUT |
|
Repalced by: N 910113016002
|
| 585 |
N 910113016002 |
NUT |
|
|
SHOCK ABSORBER TO TOP BRACKET |
| 588 |
N 000960016244 |
SCREW |
|
|
SHOCK ABSORBER TO BOTTOM BRACKET |
| 591 |
N 913004016004 |
NUT |
|
Repalced by: N 910113016002
|
| 591 |
N 910113016002 |
NUT |
|
|
SHOCK ABSORBER TO BOTTOM BRACKET |
| 602 |
A 3933201178 |
CONSOLE |
|
Repalced by: A 3933261263
|
| 602 |
A 3933261263 |
BEARING BRACKET |
|
|
SHACKLE |
| 602 |
A 3933261263 |
BEARING BRACKET |
|
|
SHACKLE |
| 602 |
A 3933200578 |
CONSOLE |
|
Repalced by: A 3933200678
|
| 602 |
A 3933200678 |
CONSOLE |
|
Repalced by: A 3933261163
|
| 602 |
A 3933261163 |
BEARING BRACKET |
|
|
SHACKLE |
| 605 |
N 000939016033 |
STUD BOLT |
| 608 |
N 000961016108 |
SCREW |
|
|
CONSOLE TO FRAME |
|
|
M 16X30 |
| 608 |
N 000961016108 |
SCREW |
|
|
CONSOLE TO FRAME |
|
|
M 16X30 |
| 608 |
N 000961016108 |
SCREW |
|
|
CONSOLE TO FRAME |
|
|
M 16X30 |
| 608 |
N 000961016108 |
SCREW |
|
|
CONSOLE TO FRAME |
|
|
M 16X30 |
| 608 |
N 000961016100 |
SCREW |
|
Repalced by: N 308676016020
|
| 608 |
N 308676016020 |
SCREW |
|
|
CONSOLE TO FRAME |
|
|
M 16X35 |
| 608 |
N 308676016020 |
SCREW |
|
|
CONSOLE TO FRAME |
|
|
M 16X35 |
| 608 |
N 308676016020 |
SCREW |
|
|
CONSOLE TO FRAME |
|
|
M 16X35 |
| 608 |
N 308676016020 |
SCREW |
|
|
CONSOLE TO FRAME |
|
|
M 16X35 |
| 611 |
N 000137016202 |
SPRING WASHER |
|
|
CONSOLE TO FRAME |
| 611 |
N 000137016202 |
SPRING WASHER |
|
|
CONSOLE TO FRAME |
| 614 |
A 3873260647 |
SHACKLE |
|
|
TORSION BAR,REAR |
| 617 |
A 3933260481 |
RUBBER MOUNTING |
|
|
SHACKLE TO TORSION BAR |
| 621 |
N 000983085001 |
LOCK RING |
|
|
SHACKLE TO TORSION BAR |
| 624 |
A 0003260650 |
BUSHING |
|
|
SHACKLE TO BEARING BRACKET |
| 627 |
A 3873230252 |
SPACER WASHER |
|
|
SHACKLE TO BEARING BRACKET |
| 629 |
A 3933260152 |
SPACER WASHER |
|
|
SHACKLE TO BEARING BRACKET |
| 631 |
N 913004016004 |
NUT |
|
Repalced by: N 910113016002
|
| 631 |
N 910113016002 |
NUT |
|
|
SHACKLE TO BEARING BRACKET |
|
N 000961016081 |
SCREW |
|
|
SHACKLE TO BEARING BRACKET |
| 634 |
A 3933260265 |
TORSION BAR |
|
|
REAR AXLE II |
| 637 |
A 3893260074 |
PIN |
|
Repalced by: A 6233200041
|
| 640 |
A 3873260050 |
BUSHING |
|
|
TORSION BAR TO BEARING BRACKET |
| 643 |
N 007349019002 |
WASHER |
|
|
TORSION BAR TO BEARING BRACKET |
| 647 |
N 913004018003 |
NUT |
|
Repalced by: N 910113018004
|
| 647 |
N 910113018004 |
NUT |
|
|
TORSION BAR TO BEARING BRACKET |
| 650 |
A 6235860032 |
REPAIR KIT |
|
Repalced by: A 6233200041
|
| 650 |
A 6233200041 |
REPAIR KIT |
|
|
TORSION BAR MOUNTING |