| 005 |
A 6583900509 |
SWINGING LINK |
|
|
COMPLETE |
|
A 6583900130 |
AXLE SUSPENSION |
|
Repalced by: A 0003910027
|
| 008 |
A 0003910027 |
LEVER |
|
|
LIFTING DEVICE USED FOR TRAILING AXLE |
| 009 |
A 0003900638 |
CONSOLE |
|
|
LIFTING DEVICE USED FOR TRAILING AXLE |
| 011 |
A 6993910009 |
SWINGING LINK |
| 011 |
A 6993910109 |
SWINGING LINK |
| 014 |
A 6993900008 |
AXLE TUBE |
| 017 |
N 000720032020 |
TAPERED ROLLER BEARING |
| 020 |
A 6993910180 |
SEAL RING |
| 023 |
A 6993920060 |
THRUST RING |
| 026 |
A 6999800001 |
CYLINDR. ROLLER BEARING |
| 029 |
A 6993910045 |
FLANGE |
| 032 |
A 6999900012 |
SCREW |
| 035 |
A 6993910080 |
GASKET |
|
|
COVER TO SWINGING LINK |
| 038 |
A 6993910020 |
COVER |
| 041 |
N 000912006004 |
SCREW |
|
Repalced by: A 0009847929
|
| 041 |
A 0009847929 |
SCREW |
|
|
COVER TO SWINGING LINK |
| 044 |
A 0003220220 |
SHACKLE |
|
|
LEFT |
| 044 |
A 0003220320 |
SHACKLE |
|
|
RIGHT |
| 047 |
A 0003900050 |
BUSHING |
|
|
SPRING SHACKLE TO SWINGING LINK |
| 050 |
A 6999970448 |
SEAL RING |
|
|
SPRING SHACKLE TO SWINGING LINK |
| 053 |
A 6999970548 |
SEAL RING |
|
|
SPRING SHACKLE TO SWINGING LINK |
| 056 |
N 000960012307 |
SCREW |
|
|
SPRING SHACKLE TO SWINGING LINK |
| 059 |
A 3529900337 |
BOLT |
|
|
SHACKLE PIN TO SHACKLE |
| 062 |
N 913002012007 |
NUT |
|
|
SPRING SHACKLE TO SWINGING LINK |
| 065 |
N 000985010007 |
NUT |
|
|
SHACKLE PIN TO SHACKLE |
| 068 |
A 6993930150 |
BUSHING |
|
|
LIFT ARM |
| 071 |
A 6999910045 |
RING |
|
|
LIFT ARM |
| 074 |
A 6993910280 |
GASKET |
|
|
LIFT ARM |
| 077 |
A 6583900287 |
AXLE STOP |
|
|
SWINGING LINK |
| 080 |
A 3353250044 |
RUBBER BUFFER |
|
|
STOP |
| 083 |
N 913004010008 |
NUT |
|
Repalced by: N 910113010000
|
| 083 |
N 910113010000 |
NUT |
|
|
BUFFER TO BRACKET |
| 086 |
N 007991012009 |
SCREW |
|
|
STOP BUFFER TO FRAME |
| 089 |
N 910113012002 |
NUT |
|
|
STOP BUFFER TO FRAME |
| 092 |
A 0003900040 |
BRACKET |
|
|
MOUNTING BRACKET |
| 095 |
A 6999900301 |
SCREW |
|
|
BRACKET TO CROSS MEMBER |
| 098 |
N 000609016010 |
FITTED SCREW |
|
|
BRACKET TO CROSS MEMBER |
| 101 |
N 000125017015 |
WASHER |
|
|
BRACKET TO CROSS MEMBER |
| 104 |
A 6999900551 |
NUT |
|
|
BRACKET TO CROSS MEMBER |
| 107 |
N 913017016000 |
NUT |
|
Repalced by: N 913023016001
|
| 107 |
N 913023016001 |
NUT |
|
|
BRACKET TO CROSS MEMBER |
| 110 |
A 0003910787 |
STOP |
|
|
LEFT |
| 110 |
A 0003910887 |
STOP |
|
|
RIGHT |
| 113 |
A 6993930074 |
PIN |
|
|
PISTON ROD TO LIFTING ARM |
| 116 |
A 6999900840 |
WASHER |
|
|
PISTON ROD TO LIFTING ARM |
| 119 |
N 000094006014 |
COTTER PIN |
|
|
PISTON ROD TO LIFTING ARM |
| 122 |
A 6993930374 |
PIN |
|
|
CYLINDRICAL TUBE TO CROSS MEMBER |
| 125 |
A 0003900122 |
CYLINDER |
| 128 |
A 6995530096 |
BOOT |
|
|
HYDRAULIC CYLINDER |
| 131 |
A 6999970248 |
SEAL RING |
|
|
HYDRAULIC CYLINDER |
| 134 |
A 0005530906 |
HOUSING |
|
|
HYDRAULIC CYLINDER |
| 137 |
A 6999970348 |
SEAL RING |
|
|
HYDRAULIC CYLINDER |
| 140 |
A 6995530196 |
BOOT |
|
|
HYDRAULIC CYLINDER |
| 143 |
A 6995530360 |
SEAL RING |
|
|
HYDRAULIC CYLINDER |
| 146 |
A 6995530021 |
BEARING |
|
|
PISTON ROD |
| 149 |
A 0009974688 |
GREASE NIPPLE |
| 152 |
N 000961016096 |
SCREW |
|
Repalced by: N 308676016007
|
| 152 |
N 308676016007 |
SCREW |
|
|
SWINGING LINK TO SIDE MEMBER |
|
|
M 16X1.5X50 |
| 152 |
N 000960016249 |
SCREW |
|
Repalced by: N 308676016004
|
| 152 |
N 308676016004 |
SCREW |
|
|
SWINGING LINK TO SIDE MEMBER |
|
|
M 16X1.5X55 |
| 152 |
N 000960016261 |
SCREW |
|
Repalced by: N 308676016014
|
| 152 |
N 308676016014 |
SCREW |
|
|
SWINGING LINK TO SIDE MEMBER |
|
|
M 16X1.5X65 |
| 155 |
N 913004016005 |
NUT |
|
Repalced by: N 910113016001
|
| 155 |
N 910113016001 |
NUT |
|
|
SWINGING LINK TO SIDE MEMBER |
|
|
M 16X1.5 |
| 158 |
N 000912016096 |
SCREW |
|
|
TRAILING AXLE TO SWINGING LINK |
|
|
M 16X70 |
| 158 |
N 000912016097 |
SCREW |
|
|
TRAILING AXLE TO SWINGING LINK |
|
|
M 16X110 |
| 161 |
N 913004016005 |
NUT |
|
Repalced by: N 910113016001
|
| 161 |
N 910113016001 |
NUT |
|
|
TRAILING AXLE TO SWINGING LINK |
|
X XXXXXXXXXXXX |
PART NAME MISSING |
|
|
HYDRAULIC SYSTEM |
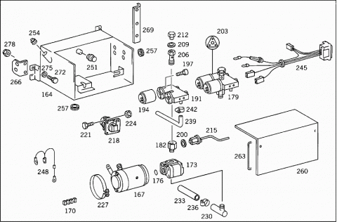
| 164 |
A 6583900017 |
HYDRAULIC UNIT |
| 167 |
A 6992350095 |
MOTOR |
| 170 |
A 6995480042 |
CARBON BRUSH |
| 173 |
A 6995500083 |
PUMP |
| 176 |
A 6995530160 |
SEAL RING |
| 179 |
A 0005504355 |
VALVE |
|
Repalced by: A 0005505355
|
| 179 |
A 0005505355 |
VALVE |
|
|
(CONTROL VALVE) |
|
|
S W E |
| 182 |
A 6995530007 |
VALVE |
|
|
(CHECK VALVE) |
|
A 6995500055 |
VALVE |
|
Repalced by: A 0005504355
|
| 191 |
A 0005505255 |
VALVE |
|
|
(CONTROL VALVE) |
| 194 |
A 6995430085 |
MAGNET |
|
|
(CONTROL VALVE) |
| 197 |
N 000084005402 |
SCREW |
|
|
SOLENOID VALVE |
| 200 |
N 007603016103 |
SEAL RING |
|
|
CHECK VALVE |
| 203 |
A 6995530060 |
SEAL RING |
|
|
PARTS KIT |
| 206 |
A 6999900263 |
HOLLOW SCREW |
|
|
SOLENOID VALVE |
| 209 |
A 6999970648 |
SEAL RING |
|
|
SOLENOID VALVE |
|
A 6995530071 |
SCREW |
|
Repalced by: A 0019976130
|
| 212 |
A 0019976130 |
SCREW PLUG |
|
|
SOLENOID VALVE |
| 215 |
A 6995450214 |
SWITCH |
|
|
(PRESSURE SWITCH) |
| 218 |
A 0005450967 |
CONTACTOR |
| 221 |
N 000933005058 |
SCREW |
|
|
COIL TO SWITCH BOX |
| 224 |
N 913004005001 |
NUT |
|
|
COIL TO SWITCH BOX |
| 227 |
A 6995530140 |
BRACKET |
|
|
ENGINE |
| 230 |
A 6995531657 |
LINE |
|
|
SUCTION LINE |
| 233 |
A 6995530182 |
HOSE |
|
|
SUCTION LINE |
| 236 |
N 916017020000 |
CLAMP |
|
Repalced by: N 000000000667
|
| 236 |
N 000000000667 |
CLAMP |
|
|
SUCTION LINE |
|
|
20-32X13 MM |
| 239 |
A 6995530082 |
HOSE |
|
|
FROM OIL TANK TO SOLENOID VALVE |
| 242 |
N 916017011000 |
CLAMP |
|
Repalced by: N 916017011001
|
| 242 |
N 000000000665 |
CLAMP |
|
|
12-22X13 MM |
| 245 |
A 6995402008 |
CABLE HARNESS |
|
|
ELECTRIC |
| 248 |
A 6995450132 |
CONTROL UNIT |
|
|
THERMAL |
| 251 |
A 6995510085 |
FILTER HOUSING |
|
|
OIL TANK |
| 254 |
A 6999970032 |
SCREW PLUG |
|
|
OIL TANK |
| 257 |
A 6999970181 |
GROMMET |
|
|
SWITCH BOX |
| 260 |
A 0003910020 |
COVER |
|
|
SWITCH BOX |
| 263 |
A 0003910080 |
GASKET |
|
|
COVER TO SWITCH BOX |
|
A 6584311040 |
BRACKET |
|
Repalced by: A 6584300610
|
| 266 |
A 6584300610 |
BRACKET |
|
|
HYDRAULIC UNIT TO APPARATUS SUPPORT |
| 269 |
A 6584300310 |
BRACKET |
|
|
HYDRAULIC UNIT TO APPARATUS SUPPORT |
| 272 |
N 000933010105 |
SCREW |
|
|
HYDRAULIC UNIT TO APPARATUS SUPPORT |
|
|
M 10X25 |
| 272 |
N 000933010129 |
SCREW |
|
Repalced by: N 304017010002
|
| 272 |
N 304017010002 |
SCREW |
|
|
HYDRAULIC UNIT TO APPARATUS SUPPORT |
|
|
M 10X30 |
| 275 |
N 007349010003 |
WASHER |
|
Repalced by: N 007349010007
|
| 275 |
N 007349010007 |
WASHER |
|
|
HYDRAULIC UNIT TO APPARATUS SUPPORT |
| 278 |
N 913004010008 |
NUT |
|
Repalced by: N 910113010000
|
| 278 |
N 910113010000 |
NUT |
|
|
HYDRAULIC UNIT TO APPARATUS SUPPORT |
|
X XXXXXXXXXXXX |
PART NAME MISSING |
|
|
HYDRAULIC LINES |
| 281 |
A 0002610283 |
OIL PIPE |
|
|
FROM OIL PUMP TO CYLINDER |
| 284 |
N 915017010100 |
UNION NUT |
| 284 |
N 915017010104 |
UNION NUT |
| 287 |
N 003861010009 |
GLAND |
| 290 |
A 0049971672 |
FITTING |
|
|
BETWEEN THE LINES |
| 293 |
A 1869970481 |
GROMMET |
| 296 |
A 6489970082 |
HOSE |
|
|
OIL LINE CONNECTION |
|
A 3875015420 |
BRACKET |
|
Repalced by: A 6454310740
|
| 299 |
A 6454310740 |
BRACKET |
|
|
HYDRAULIC LINES TO FRAME |
|
A 3464295540 |
BRACKET |
|
Repalced by: A 3464296040
|
| 302 |
A 3464296040 |
BRACKET |
|
|
HYDRAULIC LINES TO FRAME |
| 305 |
N 007985006145 |
SCREW |
|
Repalced by: N 007985006581
|
| 305 |
N 007985006581 |
SCREW |
|
|
HYDRAULIC LINES TO FRAME |
| 308 |
N 000933008153 |
SCREW |
|
Repalced by: N 304017008034
|
| 308 |
N 304017008034 |
SCREW |
|
|
HYDRAULIC LINES TO FRAME |
|
|
M 8X25 |
| 311 |
N 000961014028 |
SCREW |
|
|
HYDRAULIC LINES TO FRAME |
|
|
M 14X40 |
| 311 |
N 000960014244 |
SCREW |
|
|
HYDRAULIC LINES TO FRAME |
|
|
M 14X65 |
| 311 |
N 000933012056 |
SCREW |
|
Repalced by: N 304017012020
|
| 311 |
N 304017012020 |
SCREW |
|
|
HYDRAULIC LINES TO FRAME |
|
|
M 12X30 |
| 311 |
N 000960016261 |
SCREW |
|
Repalced by: N 308676016014
|
| 311 |
N 308676016014 |
SCREW |
|
|
HYDRAULIC LINES TO FRAME |
|
|
M 16X1.5X65 |
| 314 |
N 913004006002 |
NUT |
|
Repalced by: N 913004006001
|
| 314 |
N 913004006001 |
NUT |
|
|
HYDRAULIC LINES TO FRAME |
| 317 |
N 913004008004 |
NUT |
|
Repalced by: N 913004008001
|
| 317 |
N 913004008001 |
NUT |
|
|
HYDRAULIC LINES TO FRAME |
| 320 |
N 913004014002 |
NUT |
|
Repalced by: N 910113014001
|
| 320 |
N 910113014001 |
NUT |
|
|
HYDRAULIC LINES TO FRAME |
| 320 |
N 913004014005 |
NUT |
|
Repalced by: N 910113014000
|
| 320 |
N 910113014000 |
NUT |
|
|
HYDRAULIC LINES TO FRAME |
| 320 |
N 910113012002 |
NUT |
|
|
HYDRAULIC LINES TO FRAME |
| 320 |
N 913004016005 |
NUT |
|
Repalced by: N 910113016001
|
| 320 |
N 910113016001 |
NUT |
|
|
HYDRAULIC LINES TO FRAME |
| 324 |
A 3609950301 |
CLAMP |
|
|
HYDRAULIC LINES TO FRAME |