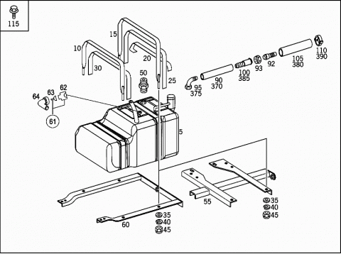
| 005 |
A 9414800101 |
OIL TANK |
|
|
ENGINE OIL AUTOMATIC REPLENISHMENT |
| 005 |
A 9414800201 |
OIL TANK |
|
|
ENGINE OIL AUTOMATIC REPLENISHMENT |
| 005 |
A 9414800301 |
OIL TANK |
|
|
ENGINE OIL AUTOMATIC REPLENISHMENT |
| 010 |
A 9414800121 |
STRAP |
| 015 |
A 9414800221 |
STRAP |
| 020 |
A 0004810090 |
PAD |
|
|
STRAP |
| 025 |
A 0004810190 |
PAD |
|
|
STRAP |
| 030 |
A 0004810290 |
PAD |
|
|
STRAP |
| 035 |
N 000125008418 |
WASHER |
|
Repalced by: N 000125008443
|
| 035 |
N 000125008443 |
WASHER |
|
|
STRAP |
| 040 |
N 912004008102 |
LOCK WASHER |
|
|
STRAP |
| 045 |
N 913023008003 |
NUT |
|
|
STRAP |
| 050 |
A 0004810009 |
FILLER NECK |
|
|
OIL TANK |
|
A 9414800039 |
SUPPORT |
|
|
OIL TANK |
| 055 |
A 9414800139 |
SUPPORT |
|
|
OIL TANK |
| 060 |
A 9414800239 |
SUPPORT |
|
|
OIL TANK |
| 061 |
A 0025402481 |
PARTS KIT |
|
|
OIL TANK |
|
|
7 PIN |
| 062 |
A 0115451026 |
SOCKET HOUSING |
|
|
SEVEN PIN JACK CONNECTOR |
| 063 |
A 0125450226 |
ROUND PIN BUSHING |
|
|
LESS DETENT,BUT WITH CATCH FOR HOUSING |
|
|
0.5-1.0 MM2 |
| 063 |
A 0065459026 |
ROUND PIN BUSHING |
|
|
LESS DETENT,BUT WITH CATCH FOR HOUSING |
|
|
1.0-2.5 MM2 |
| 063 |
A 0005452839 |
WIRE SEAL |
|
|
LIGHT BLUE |
|
|
0.5-1.0 MM2 |
| 063 |
A 0005452939 |
WIRE SEAL |
|
|
WITHE |
|
|
1.0-2.5 MM2 |
| 063 |
A 0005456280 |
BLIND PLUG |
|
|
NATURAL-COLORED |
| 064 |
A 0005456280 |
BLIND PLUG |
|
|
NATURAL-COLORED |
| 065 |
A 0004810115 |
PIPE |
|
Repalced by: A 0001870001
|
| 065 |
A 0004810115 |
PIPE |
|
Repalced by: A 0001870001
|
| 065 |
A 0001870001 |
OIL LINE |
|
|
LONG-TIME OIL FILTER |
| 065 |
A 0001870001 |
OIL LINE |
|
|
LONG-TIME OIL FILTER |
| 070 |
N 915052008019 |
BANJO UNION |
| 070 |
N 915052008020 |
BANJO UNION |
| 075 |
N 915059008001 |
FITTING |
| 080 |
A 0019978490 |
LOOM TIE |
|
|
OIL LINE TO OIL RESERVOIR |
|
|
376 X 7.6 MM |
| 080 |
A 0019978490 |
LOOM TIE |
|
|
UNSUPPORTED MOUNTING FOR OIL LINES |
|
|
376 X 7.6 MM |
| 085 |
A 0009950214 |
HOSE BRACKET |
|
Repalced by: A 0009956265
|
| 085 |
A 0009956265 |
HOSE BRACKET |
|
|
HOSE FASTENING |
|
|
23-30 MM |
| 088 |
A 0004760436 |
BRACKET |
|
|
HOSE FASTENING |
|
|
11 MM |
| 090 |
A 0089975482 |
HOSE |
|
|
ENGINE OIL AUTOMATIC REPLENISHMENT |
| 092 |
A 0019974972 |
FITTING |
| 093 |
N 915017010200 |
UNION NUT |
| 095 |
A 0004760524 |
ELBOW FITTING |
| 100 |
N 915062008000 |
SLEEVE |
| 105 |
A 3054760126 |
HOSE |
|
|
10X16 MM |
| 110 |
A 0029978790 |
CLIP |
| 115 |
N 910105012007 |
SCREW |
| 115 |
N 910105012013 |
SCREW |
| 120 |
A 0001801210 |
OIL FILTER |
| 120 |
A 0001801410 |
OIL FILTER |
| 125 |
A 4221840028 |
VALVE |
|
Repalced by: A 4421800215
|
| 125 |
A 4421800215 |
PRESSURE RELIEF VALVE |
| 130 |
A 4039970032 |
SCREW PLUG |
| 135 |
A 0129977648 |
SEAL RING |
| 140 |
A 0129977748 |
SEAL RING |
| 145 |
A 0021840525 |
FILTER ELEMENT |
| 150 |
A 4221800038 |
COVER |
|
Repalced by: A 4441801538
|
| 150 |
A 4441801538 |
OIL FILTER COVER |
| 155 |
A 9415204244 |
BRACKET |
|
|
LONG-TIME OIL FILTER |
| 155 |
A 9415205844 |
BRACKET |
|
|
LONG-TIME OIL FILTER |
| 155 |
A 9415205844 |
BRACKET |
|
|
LONG-TIME OIL FILTER |
| 155 |
A 9415200945 |
BRACKET |
|
|
LONG-TIME OIL FILTER |
| 160 |
A 9415209344 |
BRACKET |
|
|
LONG-TIME OIL FILTER |
| 161 |
A 9414801940 |
BRACKET |
|
|
LONG-TIME OIL FILTER |
| 163 |
A 9414811540 |
BRACKET |
|
|
BRACKET TO ENTRANCE SUPPORT |
| 166 |
A 9414811840 |
BRACKET |
|
|
BRACKET TO ENTRANCE SUPPORT |
| 169 |
A 6205243040 |
BRACKET |
|
|
TIPPING HYDRAULICS LINE |
| 172 |
N 910105008005 |
SCREW |
|
|
BRACKET TO SUPPORT |
|
|
M 8X25 |
| 172 |
N 910105008005 |
SCREW |
|
|
BRACKET TO SUPPORT |
|
|
M 8X25 |
| 175 |
N 913023012002 |
NUT |
|
|
BRACKET TO SUPPORT |
| 178 |
N 913023008002 |
NUT |
|
|
BRACKET TO SUPPORT |
| 178 |
N 913023008002 |
NUT |
|
|
BRACKET TO SUPPORT |
| 181 |
N 910105012007 |
SCREW |
|
|
BRACKET TO ENTRANCE SUPPORT |
| 181 |
N 910105012007 |
SCREW |
|
|
BRACKET TO ENTRANCE SUPPORT |
| 181 |
N 910105012007 |
SCREW |
|
|
OIL FILTER TO SUPPORT |
| 181 |
N 910105012007 |
SCREW |
|
|
OIL FILTER TO SUPPORT |
| 181 |
N 910105012041 |
SCREW |
|
|
OIL FILTER TO SUPPORT |
| 181 |
N 910105012007 |
SCREW |
|
|
OIL FILTER TO BRACKET |
| 181 |
N 910105012007 |
SCREW |
|
|
OIL FILTER TO BRACKET |
| 185 |
A 9415280050 |
BUSHING |
|
|
OIL FILTER TO SUPPORT |
| 190 |
N 910105010001 |
HEXAGON HEAD BOLT |
|
|
OIL FILTER TO BRACKET |
| 190 |
N 910105010001 |
HEXAGON HEAD BOLT |
|
|
OIL FILTER TO BRACKET |
| 190 |
N 910105010001 |
HEXAGON HEAD BOLT |
|
|
BRACKET TO FRAME |
| 190 |
N 910105010001 |
HEXAGON HEAD BOLT |
|
|
BRACKET TO FRAME |
| 195 |
N 910105016009 |
SCREW |
|
|
BRACKET TO FRAME |
| 197 |
N 007349010007 |
WASHER |
|
|
OIL FILTER TO BRACKET |
| 200 |
N 913023010002 |
NUT |
|
|
BRACKET TO FRAME |
| 200 |
N 913023010002 |
NUT |
|
|
BRACKET TO FRAME |
| 200 |
N 913023010002 |
NUT |
|
|
BRACKET TO FRAME |
| 200 |
N 913023010002 |
NUT |
|
|
BRACKET TO FRAME |
| 205 |
A 9415200332 |
STAY |
|
|
LONG-TIME OIL FILTER |
| 205 |
A 9415200632 |
STAY |
|
|
LONG-TIME OIL FILTER |
| 205 |
A 9415200432 |
STAY |
|
|
LONG-TIME OIL FILTER |
| 205 |
A 9415200532 |
STAY |
|
|
LONG-TIME OIL FILTER |
| 210 |
N 910105010001 |
HEXAGON HEAD BOLT |
|
|
STRUT TO OIL FILTER |
| 215 |
N 007349010007 |
WASHER |
| 220 |
N 910105010009 |
SCREW |
| 220 |
N 910105010009 |
SCREW |
|
|
STRUT TO UNDERRUN PROTECTION |
| 220 |
N 910105010009 |
SCREW |
|
|
STRUT TO UNDERRUN PROTECTION |
| 225 |
A 9415201250 |
OIL LINE |
|
|
FEED LINE |
| 225 |
A 9414801015 |
OIL LINE |
|
|
FEED LINE |
| 225 |
A 9414801815 |
OIL LINE |
|
|
FEED LINE |
| 225 |
A 9415200850 |
OIL LINE |
|
Repalced by: A 9414801215
|
| 225 |
A 9414801215 |
OIL LINE |
|
Repalced by: A 9414801415
|
| 225 |
A 9414801415 |
OIL LINE |
|
|
FEED LINE |
| 230 |
A 9415201350 |
OIL LINE |
|
|
RETURN LINE |
| 230 |
A 0002610283 |
OIL PIPE |
|
|
RETURN LINE |
|
|
10X1X3000 MM |
| 230 |
A 9414801115 |
OIL LINE |
|
|
RETURN LINE |
| 230 |
A 9414801915 |
OIL LINE |
|
|
RETURN LINE |
| 230 |
A 9415200950 |
OIL LINE |
|
Repalced by: A 9414801215
|
| 230 |
A 9414801415 |
OIL LINE |
|
|
RETURN LINE |
| 230 |
A 9414801315 |
OIL LINE |
|
Repalced by: A 9414801515
|
| 230 |
A 9414801515 |
OIL LINE |
|
|
RETURN LINE |
| 235 |
N 003861010009 |
GLAND |
| 240 |
N 915017010100 |
UNION NUT |
| 245 |
N 915036012203 |
HOLLOW SCREW |
|
|
FEED LINE |
| 245 |
N 915036010108 |
HOLLOW SCREW |
|
|
FEED LINE |
| 245 |
N 915036015201 |
HOLLOW SCREW |
|
|
RETURN LINE |
| 245 |
N 915047012203 |
HOLLOW SCREW |
|
|
RETURN LINE |
| 245 |
N 915036012203 |
HOLLOW SCREW |
|
|
RETURN LINE |
| 270 |
N 007603016401 |
SEAL RING |
| 270 |
N 007603016401 |
SEAL RING |
| 270 |
N 007603018101 |
SEAL RING |
| 270 |
N 007603014405 |
SEAL RING |
| 290 |
N 915024010000 |
FITTING |
|
|
FEED LINE |
| 290 |
N 003901010001 |
SCREW-IN FITTING |
|
|
FEED LINE |
| 295 |
A 0079974872 |
FITTING |
|
|
OIL RETURN LINE TO LONG-TIME OIL FILTER |
|
|
M 16X1,5 |
| 295 |
A 6679970672 |
FITTING |
|
Repalced by: A 0029907168
|
| 295 |
A 0029907168 |
FITTING |
|
|
RETURN LINE |
| 305 |
N 007603016401 |
SEAL RING |
|
|
RETURN LINE |
| 310 |
N 073400030001 |
LOCK |
|
|
OIL FILLER PIPE |
| 311 |
A 9414800057 |
OIL DIPSTICK |
| 313 |
A 0289970348 |
SEAL RING |
|
|
12X2.5 MM |
| 314 |
A 3660180106 |
CAP |
|
|
OIL DIPSTICK |
| 315 |
A 0019978390 |
CABLE TIE |
|
|
CABLE ATTACHMENT ON BRACKET FOR DIPSTICK GUIDE TUBE |
|
|
279 X 4.6 MM |
| 316 |
A 9414800515 |
OIL LINE |
|
|
OIL FILLING |
| 316 |
A 9414800215 |
OIL LINE |
|
|
OIL FILLING |
| 317 |
A 9414812540 |
BRACKET |
|
|
OIL FILLER PIPE TO SUPPORT |
|
|
M 8X20 |
| 320 |
N 000000000276 |
SCREW |
|
|
OIL FILLER PIPE TO SUPPORT |
|
|
M8X20 |
| 320 |
N 000000000276 |
SCREW |
|
|
OIL FILLER PIPE TO SUPPORT |
|
|
M8X20 |
| 325 |
A 9414800340 |
BRACKET |
|
|
OIL TANK |
| 326 |
A 9414800240 |
BRACKET |
|
|
OIL TANK |
| 327 |
A 9414800440 |
BRACKET |
|
|
OIL TANK |
| 328 |
A 9414810290 |
PAD |
|
|
BRACKET TO CROSS MEMBER |
| 330 |
N 910105012020 |
SCREW |
|
|
BRACKET TO ENTRANCE |
| 332 |
N 910105012042 |
SCREW |
|
|
BRACKET TO CROSS MEMBER |
| 333 |
N 910105020027 |
SCREW |
|
|
REINFORCEMENT PLATE BRACKET |
|
|
M 20X1.5X100 |
| 334 |
N 913023008002 |
NUT |
|
|
OIL FILLER PIPE TO SUPPORT |
| 335 |
N 913023012002 |
NUT |
|
|
BRACKET TO ENTRANCE |
| 337 |
N 913023020001 |
NUT |
|
|
REINFORCEMENT PLATE BRACKET |
| 340 |
A 0004810115 |
PIPE |
|
Repalced by: A 0001870001
|
| 340 |
A 0001870001 |
OIL LINE |
|
|
OIL FILTER FOR STEEL PIPES |
| 350 |
N 915052008020 |
BANJO UNION |
|
|
OIL FILTER FOR STEEL PIPES |
| 350 |
N 915052008019 |
BANJO UNION |
|
|
OIL FILTER FOR STEEL PIPES |
| 360 |
N 915059008001 |
FITTING |
|
|
OIL FILTER FOR STEEL PIPES |
| 365 |
A 0019978390 |
LOOM TIE |
|
|
OIL FILTER FOR STEEL PIPES |
|
|
279 X 4.6 MM |
| 370 |
A 0089975482 |
HOSE |
|
|
REFILL RESERVOIR FOR OIL FILLER PIPE |
|
|
660 MM |
| 375 |
A 0004760524 |
ELBOW FITTING |
|
|
REFILL RESERVOIR FOR OIL FILLER PIPE |
| 380 |
A 3054760126 |
HOSE |
|
|
REFILL RESERVOIR FOR OIL FILLER PIPE |
|
|
10X16 MM |
| 385 |
N 915062008000 |
SLEEVE |
|
|
REFILL RESERVOIR FOR OIL FILLER PIPE |
| 390 |
A 0029978790 |
CLIP |
|
|
REFILL RESERVOIR FOR OIL FILLER PIPE |
| 395 |
A 0239976182 |
HOSE |
|
|
OIL FILLER PIPE FOR TOPPING UP ENGINE |
| 400 |
N 000000000668 |
CLAMP |
|
|
OIL FILLER PIPE FOR TOPPING UP ENGINE |
|
|
25-40X13 MM |
| 405 |
A 3604280243 |
ANGLE |
|
|
OIL LINES ON OIL COOLER HOUSING |
| 408 |
A 9415200845 |
BRACKET |
|
|
OIL LINES ON OIL COOLER HOUSING |
| 411 |
N 910105008041 |
SCREW |
|
Repalced by: N 910143008000
|
| 411 |
N 910143008000 |
SCREW |
|
|
OIL LINES ON OIL COOLER HOUSING |
| 415 |
N 000000001045 |
CLAMP |
|
|
OIL LINES ON OIL COOLER HOUSING |
|
|
10/15 MM |
| 420 |
N 910105006006 |
SCREW |
|
|
OIL LINES ON OIL COOLER HOUSING |
| 425 |
N 913023006001 |
NUT |
|
|
OIL LINES ON OIL COOLER HOUSING |
| 430 |
N 000000001045 |
CLAMP |
|
|
UNSUPPORTED MOUNTING FOR OIL LINES |
|
|
10/15 MM |
| 430 |
N 000000001045 |
CLAMP |
|
|
UNSUPPORTED MOUNTING FOR OIL LINES |
|
|
10/15 MM |
| 435 |
N 910105006006 |
SCREW |
|
|
UNSUPPORTED MOUNTING FOR OIL LINES |
| 435 |
N 910105006006 |
SCREW |
|
|
UNSUPPORTED MOUNTING FOR OIL LINES |
| 440 |
N 913023006001 |
NUT |
|
|
UNSUPPORTED MOUNTING FOR OIL LINES |
| 440 |
N 913023006001 |
NUT |
|
|
UNSUPPORTED MOUNTING FOR OIL LINES |
| 445 |
A 9415209544 |
BRACKET |
|
|
OIL LINES TO THERMOSTAT HOUSING |
| 446 |
A 9414801740 |
BRACKET |
|
|
OIL LINES TO THERMOSTAT HOUSING |
| 448 |
A 9414811640 |
BRACKET |
|
|
OIL LINES TO TILTING HYDRAULICS PUMP |
| 451 |
A 9412680588 |
CLAMPING PIECE |
|
|
OIL LINES TO THERMOSTAT HOUSING |
| 451 |
A 9412680588 |
CLAMPING PIECE |
|
|
OIL LINES TO THERMOSTAT HOUSING |
| 455 |
N 910105006006 |
SCREW |
|
|
OIL LINES TO THERMOSTAT HOUSING |
| 455 |
N 910105006023 |
SCREW |
|
|
OIL LINES TO THERMOSTAT HOUSING |
| 460 |
N 000000001045 |
CLAMP |
|
|
OIL LINES ON LONG-LIFE OIL FILTER |
|
|
10/15 MM |
| 465 |
N 910105006006 |
SCREW |
|
|
OIL LINES ON LONG-LIFE OIL FILTER |
| 470 |
N 913023006001 |
NUT |
|
|
OIL LINES ON LONG-LIFE OIL FILTER |
| 470 |
N 913023006001 |
NUT |
|
|
OIL LINES TO THERMOSTAT HOUSING |
| 475 |
A 9415205944 |
BRACKET |
|
|
OIL LINES ON RADIATOR BRACKET SUPPORT BLOCK |
| 480 |
N 910105008004 |
SCREW |
|
|
OIL LINES ON RADIATOR BRACKET SUPPORT BLOCK |
|
|
M 8X20 |
| 485 |
A 0019978490 |
LOOM TIE |
|
|
OIL LINES ON SUPPORT |
|
|
376 X 7.6 MM |
| 485 |
A 0019978490 |
LOOM TIE |
|
|
OIL LINES ON SUPPORT |
|
|
376 X 7.6 MM |
| 485 |
A 0019978390 |
LOOM TIE |
|
|
OIL LINES ON SUPPORT |
|
|
279 X 4.6 MM |
| 490 |
A 9415280026 |
CONNECTOR |
|
|
OIL LINES ON SUPPORT |
| 490 |
A 9415280026 |
CONNECTOR |
|
|
OIL LINES ON SUPPORT |
| 495 |
N 910105006008 |
SCREW |
|
|
OIL LINES ON SUPPORT |
| 495 |
N 910105006008 |
SCREW |
|
|
OIL LINES ON SUPPORT |
| 500 |
A 0069972190 |
LOOM TIE |
|
|
OIL LINES ON TUBING HARNESS |
| 505 |
A 0019978390 |
LOOM TIE |
|
|
UNSUPPORTED MOUNTING FOR OIL LINES |
|
|
279 X 4.6 MM |
| 510 |
A 9415209644 |
BRACKET |
|
|
OIL LINES ON LONG-LIFE OIL FILTER |
| 515 |
N 910105006006 |
SCREW |
|
|
OIL LINES ON LONG-LIFE OIL FILTER |
| 520 |
N 913023006001 |
NUT |
|
|
OIL LINES ON LONG-LIFE OIL FILTER |
| 525 |
A 0019978490 |
LOOM TIE |
|
|
OIL LINES |
|
|
376 X 7.6 MM |
| 530 |
A 0009958865 |
CLAMP |
|
Repalced by: A 0009956665
|
| 530 |
A 0009956665 |
CLAMP |
|
Repalced by: A 0079973890
|
| 530 |
A 0009956665 |
CLAMP |
|
Repalced by: A 0079973890
|
| 530 |
A 0079973890 |
BRACKET |
|
|
OIL LINES |
| 540 |
A 0004760436 |
BRACKET |
|
|
OIL LINES |
|
|
11 MM |