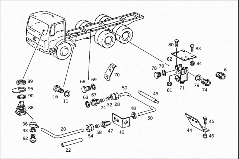
| 006 |
A 0029906071 |
FITTING |
| 011 |
N 007603012405 |
SEAL RING |
|
|
AT DISTRIBUTOR |
| 016 |
N 915047008202 |
HOLLOW SCREW |
| 020 |
A 0089976082 |
HOSE |
|
Repalced by: A 0009872627
|
| 020 |
A 0009872627 |
PLASTIC PIPE |
|
|
BLACK |
|
|
4X6 MM |
| 022 |
N 040621006203 |
INSULATING HOSE |
| 024 |
N 915062004000 |
SLEEVE |
| 028 |
N 915017006100 |
UNION NUT |
| 032 |
N 003861006007 |
GLAND |
|
Repalced by: A 0019901667
|
| 032 |
A 0019901667 |
SEAL CONE |
| 036 |
N 915052004015 |
BANJO UNION |
| 036 |
N 915052004016 |
BANJO UNION |
| 040 |
A 3954310140 |
BRACKET |
| 044 |
A 3953530040 |
BRACKET |
| 045 |
N 000933008152 |
SCREW |
|
Repalced by: N 304017008027
|
| 045 |
N 304017008027 |
SCREW |
|
|
BRACKET TO SIDE MEMBER |
| 046 |
N 913004008004 |
NUT |
|
Repalced by: N 913004008001
|
| 046 |
N 913004008001 |
NUT |
|
|
BRACKET TO SIDE MEMBER |
| 047 |
A 0009977172 |
FITTING |
|
|
FITTING TO FRAME SIDE MEMBER |
| 048 |
N 080705012003 |
NUT |
|
|
FITTING TO FRAME SIDE MEMBER |
| 049 |
N 071435006002 |
HOSE |
|
|
AT AXLE BEAM |
| 050 |
A 0004296201 |
LINE |
|
|
6 MM |
| 054 |
N 915017006100 |
UNION NUT |
| 058 |
N 003861006007 |
GLAND |
|
Repalced by: A 0019901667
|
| 058 |
A 0019901667 |
SEAL CONE |
| 063 |
N 007603012405 |
SEAL RING |
| 067 |
A 0029906071 |
FITTING |
| 068 |
N 915036006202 |
HOLLOW SCREW |
| 069 |
N 007603012405 |
SEAL RING |
| 070 |
A 3874297240 |
BRACKET |
| 071 |
A 0002607957 |
VALVE |
|
|
(SOLENOID VALVE) |
|
A 0005862626 |
REPAIR KIT |
|
|
TO HERION 94 171 34/0711/24V |
| 074 |
A 0029906071 |
FITTING |
| 078 |
N 000908012003 |
SCREW PLUG |
|
Repalced by: N 000908012009
|
| 078 |
N 000908012009 |
SCREW PLUG |
| 079 |
N 007603012405 |
SEAL RING |
| 080 |
N 000931006118 |
SCREW |
|
|
VALVE TO BRACKET |
| 081 |
N 913004006002 |
NUT |
|
Repalced by: N 913004006001
|
| 081 |
N 913004006001 |
NUT |
|
|
VALVE TO BRACKET |
| 082 |
A 3954310340 |
BRACKET |
|
|
BRACKET TO CROSS MEMBER |
|
A 3954310140 |
BRACKET |
|
|
AT REAR AXLE |
| 083 |
N 000933008147 |
SCREW |
|
Repalced by: N 304017008021
|
| 083 |
N 304017008021 |
SCREW |
|
|
BRACKET TO CROSS MEMBER |
| 083 |
N 000961016077 |
SCREW |
|
Repalced by: N 308676016006
|
| 083 |
N 308676016006 |
SCREW |
|
|
BRACKET TO REAR AXLE |
|
N 000125017010 |
WASHER |
|
Repalced by: N 000125017016
|
|
N 000125017016 |
WASHER |
|
|
BRACKET TO REAR AXLE |
| 084 |
N 913004008004 |
NUT |
|
Repalced by: N 913004008001
|
| 084 |
N 913004008001 |
NUT |
|
|
BRACKET TO CROSS MEMBER |
| 088 |
A 0019975036 |
VALVE |
|
|
LONGITUDINAL DIFFERENTIAL LOCK CONTROL |
|
|
BOSCH |
| 088 |
A 0019976136 |
VALVE |
|
|
LONGITUDINAL DIFFERENTIAL LOCK CONTROL |
|
|
WABCO |
| 088 |
A 0039975936 |
VALVE |
|
|
LONGITUDINAL DIFFERENTIAL LOCK CONTROL |
|
|
KNORR |
| 088 |
A 0039976036 |
VALVE |
|
|
LONGITUDINAL DIFFERENTIAL LOCK CONTROL |
|
|
VOSS |
|
A 0049937501 |
SPRING |
|
|
TO 001 997 61 36,WABCO |
|
A 0069972648 |
SEAL RING |
|
|
TO 001 997 61 36,WABCO |
|
A 0039979640 |
SEAL RING |
|
|
TO 001 997 61 36,WABCO |
| 089 |
A 3839900051 |
NUT |
|
|
LONGITUDINAL DIFFERENTIAL LOCK CONTROL |
| 090 |
A 6239900040 |
WASHER |
| 092 |
N 915036006202 |
HOLLOW SCREW |
|
|
LONGITUDINAL DIFFERENTIAL LOCK CONTROL |
| 093 |
N 007603010103 |
SEAL RING |
|
Repalced by: N 007603010110
|
| 093 |
N 007603010110 |
SEAL RING |
|
|
LONGITUDINAL DIFFERENTIAL LOCK CONTROL |
| 095 |
A 3855841324 |
UNIT IDENTIFICATION PLATE |
|
|
LONGITUDINAL DIFFERENTIAL LOCK CONTROL |
| 095 |
A 3855841624 |
UNIT IDENTIFICATION PLATE |
|
|
LONGITUDINAL DIFFERENTIAL LOCK CONTROL |