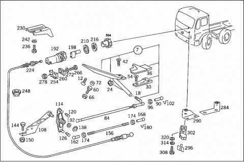
| 007 |
A 6243000304 |
ACCELERATOR PEDAL |
|
|
(PARTS KIT) |
|
A 6153000104 |
PAD |
| 012 |
N 007991005007 |
SCREW |
|
|
ACCELERATOR PEDAL |
| 018 |
A 0009911015 |
BALL PIVOT |
|
|
ACCELERATOR PEDAL |
| 024 |
N 913004006002 |
NUT |
|
Repalced by: N 913004006001
|
| 024 |
N 913004006001 |
NUT |
|
|
BALL PIVOT TO ACCELERATOR PEDAL |
| 030 |
A 6153010084 |
SHIM |
|
|
ACCELERATOR PEDAL |
| 036 |
A 6153010097 |
BOOT |
|
|
ACCELERATOR PEDAL |
| 042 |
N 000965006003 |
SCREW |
|
|
ACCELERATOR PEDAL TO CAB |
|
|
M6X25 |
| 054 |
N 000965006013 |
SCREW |
|
|
ACCELERATOR PEDAL TO CAB |
|
|
M6X20 |
|
A 6553010093 |
GUIDE RAIL |
|
|
ACCELERATOR PEDAL TO FLOOR PLATE |
|
N 000965006077 |
SCREW |
|
|
GUIDE RAIL RETROFIT |
| 060 |
N 000931008254 |
SCREW |
|
Repalced by: N 304014008002
|
| 060 |
N 304014008002 |
SCREW |
|
|
PEDAL STOP TO CAB FLOOR |
| 066 |
N 304032008006 |
NUT |
|
|
PEDAL STOP TO CAB FLOOR |
| 072 |
A 3813010041 |
STOP |
|
|
ACCELERATOR PEDAL |
| 084 |
A 6203000615 |
ROD |
|
|
FROM ACCELERATOR PEDAL TO INTERMEDIATE LEVER |
| 090 |
A 0009912422 |
BALL SOCKET |
| 096 |
N 000934006007 |
NUT |
| 102 |
N 071805010403 |
SECURING CLIP |
| 108 |
A 6203000536 |
BEARING BRACKET |
|
|
INTERMEDIATE BEARING |
| 114 |
A 6153000028 |
LEVER |
|
Repalced by: A 6203000628
|
| 114 |
A 6203000628 |
LEVER |
|
|
INTERMEDIATE BEARING |
| 114 |
A 6203000628 |
LEVER |
|
|
INTERMEDIATE BEARING |
| 114 |
A 6203000628 |
LEVER |
|
|
INTERMEDIATE BEARING |
| 114 |
A 6203000628 |
LEVER |
|
|
INTERMEDIATE BEARING |
| 114 |
A 6203000628 |
LEVER |
|
|
INTERMEDIATE BEARING |
| 120 |
N 071803010202 |
BALL PIVOT |
|
|
B10X4.5 MM |
| 126 |
N 071803013208 |
BALL PIVOT |
|
|
B13X5 MM |
| 132 |
A 6153010088 |
COVERING |
|
|
INTERMEDIATE BEARING |
| 138 |
N 006799010001 |
LOCK PLATE |
|
|
INTERMEDIATE BEARING |
| 144 |
N 000933010105 |
SCREW |
|
|
BEARING BRACKET TO SUBSTRUCTURE |
| 144 |
N 000933010128 |
SCREW |
|
|
BEARING BRACKET TO SUBSTRUCTURE |
| 150 |
N 913004010008 |
NUT |
|
Repalced by: N 910113010000
|
| 150 |
N 910113010000 |
NUT |
|
|
BEARING BRACKET TO SUBSTRUCTURE |
| 156 |
N 900331008421 |
PULL ROD |
|
|
FROM INTERMEDIATE LEVER TO ENGINE |
| 162 |
N 071805013203 |
BALL SOCKET |
|
|
PULL ROD |
| 168 |
A 4069910022 |
BALL SOCKET |
|
|
TO ROD LESS TURNBUCKLE NUT |
| 174 |
N 304032008006 |
NUT |
|
|
BALL SOCKET TO ROD |
| 180 |
N 071805013402 |
SECURING CLIP |
|
|
BALL SOCKET TO ROD |
| 192 |
A 3813000326 |
MANUAL CONTROL |
|
|
IDLING ADJUSTMENT |
| 198 |
A 3813020108 |
GUIDE |
|
|
IDLING ADJUSTMENT |
| 204 |
A 6153020001 |
KNOB |
| 210 |
N 000988030003 |
FITTED WASHER |
| 216 |
A 3819900051 |
NUT |
| 224 |
A 6203000130 |
WIRE CABLE |
|
|
IDLING ADJUSTMENT |
| 230 |
A 3813020240 |
BRACKET |
|
|
WIRE CABLE |
| 236 |
N 000933006103 |
SCREW |
|
Repalced by: N 304017006018
|
| 236 |
N 304017006018 |
SCREW |
|
|
BRACKET TO WINDOW SILL GIRDER |
| 242 |
N 000125006421 |
WASHER |
|
|
BRACKET TO WINDOW SILL GIRDER |
|
Repalced by: N 000125006449
|
| 242 |
N 000125006449 |
WASHER |
|
|
BRACKET TO WINDOW SILL GIRDER |
| 248 |
A 0069978881 |
GROMMET |
|
|
WIRE CABLE THRU WINDOW SILL |
| 254 |
A 6175460044 |
CLAMPING PIECE |
|
|
WIRE CABLE TO FIRE WALL |
| 260 |
A 6175460144 |
CLAMPING PIECE |
|
|
WIRE CABLE TO FIRE WALL |
| 266 |
N 000931006118 |
SCREW |
|
|
WIRE CABLE TO FIRE WALL |
| 272 |
N 000125006421 |
WASHER |
|
|
WIRE CABLE TO FIRE WALL |
|
Repalced by: N 000125006449
|
| 272 |
N 000125006449 |
WASHER |
|
|
WIRE CABLE TO FIRE WALL |
| 278 |
N 913004006002 |
NUT |
|
Repalced by: N 913004006001
|
| 278 |
N 913004006001 |
NUT |
|
|
WIRE CABLE TO FIRE WALL |
| 284 |
A 6153000040 |
BRACKET |
|
|
WIRE CABLE TO RADIATOR MOUNTING CONSOLE |
| 284 |
A 6153000040 |
BRACKET |
|
|
WIRE CABLE TO RADIATOR MOUNTING CONSOLE |
| 290 |
A 6203000040 |
BRACKET |
|
|
WIRE CABLE TO RADIATOR MOUNTING CONSOLE |
| 290 |
A 6203000040 |
BRACKET |
|
|
WIRE CABLE TO RADIATOR MOUNTING CONSOLE |
| 296 |
A 6203010036 |
COVER |
|
|
WIRE CABLE |
| 302 |
A 6203010043 |
CLAMPING PIECE |
|
|
WIRE CABLE |
| 308 |
N 000933006127 |
SCREW |
|
|
CLAMPING PIECE TO BRACKET |
|
|
M 6X25 |
| 314 |
N 912004006102 |
LOCK WASHER |
|
|
CLAMPING PIECE TO BRACKET |
| 320 |
N 000125006421 |
WASHER |
|
|
CLAMPING PIECE TO BRACKET |
|
Repalced by: N 000125006449
|
| 320 |
N 000125006449 |
WASHER |
|
|
CLAMPING PIECE TO BRACKET |