|
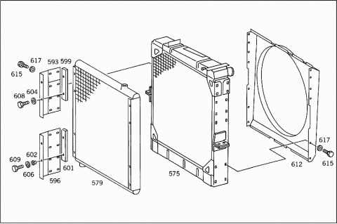
A 0015010301 |
RADIATOR |
|
Repalced by: A 0015012601
|
| 005 |
A 0015012601 |
RADIATOR |
|
Repalced by: A 0015014201
|
| 005 |
A 0015014201 |
RADIATOR |
|
|
FRONT |
| 006 |
A 6205040801 |
SUPPORT |
|
|
RADIATOR,LEFT |
| 007 |
N 000961012174 |
SCREW |
|
|
SUPPORT TO SIDE MEMBER |
| 008 |
N 910113012002 |
NUT |
|
|
SUPPORT TO SIDE MEMBER |
| 009 |
A 6205040112 |
RUBBER MOUNTING |
|
|
RADIATOR |
| 010 |
N 000933010105 |
SCREW |
|
|
RUBBER MOUNTING TO SUPPORT |
| 010 |
N 000933010105 |
SCREW |
|
|
RADIATOR TO RUBBER MOUNTING |
| 011 |
N 009021010202 |
WASHER |
|
Repalced by: N 009021010209
|
| 011 |
N 009021010209 |
WASHER |
|
|
RUBBER MOUNTING TO SUPPORT |
| 011 |
N 009021010209 |
WASHER |
|
|
RUBBER MOUNTING TO SIDE MEMBER |
| 012 |
N 912004010102 |
LOCK WASHER |
|
|
RUBBER MOUNTING TO SUPPORT |
| 012 |
N 912004010102 |
LOCK WASHER |
|
|
RADIATOR TO RUBBER MOUNTING |
| 013 |
N 000933010152 |
SCREW |
|
|
RUBBER MOUNTING TO SIDE MEMBER |
| 014 |
N 912004010102 |
LOCK WASHER |
|
|
RUBBER MOUNTING TO SIDE MEMBER |
| 015 |
A 6255000055 |
FAN SHROUD |
| 016 |
A 6205050086 |
BOOT |
| 017 |
N 000933006207 |
SCREW |
|
|
FAN SHROUD TO RADIATOR |
| 018 |
N 912004006102 |
LOCK WASHER |
|
|
FAN SHROUD TO RADIATOR |
| 019 |
A 6255000631 |
BRACKET |
|
|
RADIATOR |
| 020 |
N 000933006121 |
SCREW |
|
Repalced by: N 304017006020
|
| 020 |
N 304017006020 |
SCREW |
|
|
BRACKET TO RADIATOR |
| 021 |
N 912004006102 |
LOCK WASHER |
|
|
BRACKET TO RADIATOR |
|
A 6255050086 |
BOOT |
|
Repalced by: A 6205050186
|
| 022 |
A 6205050186 |
BOOT |
|
|
FROM RADIATOR TO BODY |
| 023 |
A 6255000076 |
MOUNTING RAIL |
|
|
FROM RADIATOR TO BODY |
| 024 |
N 000933008147 |
SCREW |
|
Repalced by: N 304017008021
|
| 024 |
N 304017008021 |
SCREW |
|
|
MOUNTING RAIL TO RADIATOR |
|
|
M 8X20 |
| 024 |
N 000933008154 |
SCREW |
|
Repalced by: N 304017008021
|
| 024 |
N 304017008021 |
SCREW |
|
|
MOUNTING RAIL TO RADIATOR |
|
|
M 8X22 |
| 025 |
N 007349008003 |
WASHER |
|
|
MOUNTING RAIL TO RADIATOR |
| 026 |
N 913004008004 |
NUT |
|
Repalced by: N 913004008001
|
| 026 |
N 913004008001 |
NUT |
|
|
MOUNTING RAIL TO RADIATOR |
| 027 |
A 6255010582 |
HOSE |
|
|
FROM RADIATOR TO THERMOSTAT |
| 028 |
N 916017070000 |
CLAMP |
|
Repalced by: N 000000000674
|
| 028 |
N 000000001468 |
CLAMP |
|
|
HOSE TO THERMOSTAT AND TO RADIATOR |
|
|
60-80X13 MM |
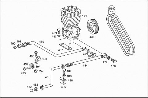
|
A 6255010056 |
PIPE ELBOW |
|
Repalced by: A 6255010156
|
| 029 |
A 6255010156 |
PIPE ELBOW |
|
|
FROM RADIATOR TO WATER PUMP |
| 030 |
N 000931010264 |
SCREW |
|
|
PIPE BEND TO BRACKET |
| 031 |
N 913004010008 |
NUT |
|
Repalced by: N 910113010000
|
| 031 |
N 910113010000 |
NUT |
|
|
PIPE BEND TO BRACKET |
| 032 |
A 6255010282 |
HOSE |
|
|
FROM RADIATOR TO WATER PUMP |
| 033 |
N 900271070007 |
HOSE |
|
|
FROM RADIATOR TO WATER PUMP |
| 034 |
N 916017070000 |
CLAMP |
|
Repalced by: N 000000000674
|
| 034 |
N 000000001468 |
CLAMP |
|
|
HOSE TO RADIATOR,PIPE ELBOW,AND WATER PUMP |
|
|
60-80X13 MM |
|
A 6255010023 |
CONNECTOR |
|
Repalced by: A 6255010123
|
| 035 |
A 6255010123 |
CONNECTOR |
|
|
AT WATER PUMP |
|
A 4032010480 |
GASKET |
|
Repalced by: A 4422010480
|
| 036 |
A 4422010480 |
GASKET |
|
|
CONNECTOR TO WATER PUMP |
|
Repalced by: A 0002011080
|
| 036 |
A 0002011080 |
GASKET |
|
|
CONNECTOR TO WATER PUMP |
|
Repalced by: A 0002011180
|
| 036 |
A 0002011180 |
GASKET |
|
|
CONNECTOR TO WATER PUMP |
|
Repalced by: A 0002011280
|
| 036 |
A 0002011280 |
GASKET |
|
|
CONNECTOR TO WATER PUMP |
| 037 |
N 000933010105 |
SCREW |
|
|
CONNECTOR TO WATER PUMP |
| 038 |
N 912004010102 |
LOCK WASHER |
|
|
CONNECTOR TO WATER PUMP |
|
A 3875060535 |
HOSE |
|
Repalced by: A 3635060235
|
| 039 |
A 3635060235 |
HOSE |
|
|
FROM WATER PUMP TO HEATING PIPE AT RADIATOR |
| 040 |
N 916017025000 |
CLAMP |
|
Repalced by: N 000000000668
|
| 040 |
N 000000000670 |
CLAMP |
|
|
HOSE TO WATER PUMP |
|
|
35 - 50 X 13 |
| 041 |
N 916017020000 |
CLAMP |
|
Repalced by: N 000000000667
|
| 041 |
N 000000000667 |
CLAMP |
|
|
HOSE TO HEATING PIPE |
| 042 |
A 6255010482 |
HOSE |
|
|
FROM WATER PUMP TO EXPANSION TANK |
| 043 |
N 916017032000 |
CLAMP |
|
Repalced by: N 000000000670
|
| 043 |
N 000000000670 |
CLAMP |
|
|
HOSE TO WATER PUMP |
| 044 |
A 6255001272 |
LINE |
|
|
HEATING AND BREATHING |
| 044 |
A 6255004272 |
LINE |
|
|
HEATING AND BREATHING |
| 046 |
A 6255000679 |
FLANGE |
|
|
HEATING AND BREATHING |
| 047 |
A 6255000379 |
FLANGE |
|
|
HEATING AND BREATHING |
| 048 |
N 917003040008 |
GASKET |
|
|
FLANGE TO ENGINE |
| 049 |
N 917003022003 |
GASKET |
|
|
HEATING PIPE TO OIL COOLER |
| 050 |
N 000933010105 |
SCREW |
|
|
FLANGE TO ENGINE |
| 051 |
N 000933008147 |
SCREW |
|
Repalced by: N 304017008021
|
| 051 |
N 304017008021 |
SCREW |
|
|
HEATING PIPE TO OIL COOLER |
|
|
M8X20 |
| 052 |
N 912004010102 |
LOCK WASHER |
|
|
FLANGE TO ENGINE |
| 053 |
N 000137008104 |
SPRING WASHER |
|
|
HEATING PIPE TO OIL COOLER |
| 054 |
A 3875011420 |
BRACKET |
|
|
HEATING PIPE TO ENGINE |
| 055 |
N 916016018201 |
CLAMP |
|
|
HEATING PIPE TO BRACKET |
| 056 |
N 007985006538 |
SCREW |
|
|
HEATING PIPE TO BRACKET |
|
A 0005003870 |
HEATER |
|
Repalced by: A 0008309661
|
| 057 |
A 0008309661 |
HEATER UNIT |
| 058 |
A 6255041041 |
BRACKET |
|
|
HEATER UNIT |
| 059 |
N 007985005504 |
SCREW |
|
|
BRACKET TO HEATER UNIT |
| 060 |
N 000961012052 |
SCREW |
|
Repalced by: N 308676012012
|
| 060 |
N 308676012012 |
HEXAGON HEAD BOLT |
|
|
BRACKET TO STRUT |
| 061 |
N 913004005001 |
NUT |
|
|
BRACKET TO HEATER UNIT |
| 062 |
N 910113012002 |
NUT |
|
|
BRACKET TO STRUT |
| 063 |
A 6255002372 |
LINE |
|
|
HEATING PIPE |
| 064 |
N 917003022003 |
GASKET |
|
|
LINE TO OIL RADIATOR |
| 065 |
N 000933008147 |
SCREW |
|
Repalced by: N 304017008021
|
| 065 |
N 304017008021 |
SCREW |
|
|
LINE TO OIL RADIATOR |
| 066 |
N 912004008102 |
LOCK WASHER |
|
|
LINE TO OIL RADIATOR |
| 067 |
A 6255060240 |
BRACKET |
|
|
HEATING PIPE |
| 068 |
N 916016018201 |
CLAMP |
|
|
HEATING PIPE TO BRACKET |
| 069 |
N 007985006193 |
SCREW |
|
Repalced by: N 000000001146
|
| 069 |
N 000000001146 |
SCREW |
|
|
HEATING PIPE TO BRACKET |
|
|
M 6X16 |
| 070 |
N 913004006002 |
NUT |
|
Repalced by: N 913004006001
|
| 070 |
N 913004006001 |
NUT |
|
|
HEATING PIPE TO BRACKET |
| 071 |
N 900271018038 |
HOSE |
|
|
18X27 MM |
| 071 |
N 900271018038 |
HOSE |
|
|
FROM HEATER UNIT TO HEATING PIPE |
|
|
18X27 MM |
| 071 |
N 900271018038 |
HOSE |
|
|
HEATING FEED, FROM RADIATOR TO CAB HEATING PIPE |
|
|
18X27 MM |
| 072 |
N 916017020000 |
CLAMP |
|
Repalced by: N 000000000667
|
| 072 |
N 000000000667 |
CLAMP |
|
|
HOSE TO HEATING PIPE |
| 073 |
A 6255060960 |
PIPE |
|
|
FROM HEATER UNIT TO HEATING PIPE |
| 074 |
A 6255060540 |
BRACKET |
|
|
HEATING PIPE |
| 075 |
N 916016018201 |
CLAMP |
|
|
HEATING PIPE TO BRACKET |
| 076 |
N 007985006145 |
SCREW |
|
Repalced by: N 007985006581
|
| 076 |
N 007985006581 |
SCREW |
|
|
HEATING PIPE TO BRACKET |
| 077 |
N 913004006002 |
NUT |
|
Repalced by: N 913004006001
|
| 077 |
N 913004006001 |
NUT |
|
|
HEATING PIPE TO BRACKET |
| 078 |
A 6205061035 |
HOSE |
|
|
FROM HEATER UNIT TO PIPE LINE |
| 079 |
A 6255061160 |
PIPE |
|
|
FROM HEATER UNIT TO CONNECTION FLANGE |
| 080 |
N 900271018038 |
HOSE |
|
|
FROM HEATER UNIT TO CONNECTION FLANGE |
| 081 |
A 6255000172 |
LINE |
|
|
HEATING PIPES |
| 082 |
N 000933006183 |
SCREW |
|
Repalced by: N 304017006016
|
| 082 |
N 304017006016 |
SCREW |
|
|
HEATING PIPE TO RADIATOR |
| 083 |
N 009021006205 |
WASHER |
|
Repalced by: N 009021006208
|
| 083 |
N 009021006208 |
WASHER |
|
|
HEATING PIPE TO RADIATOR |
| 084 |
N 912004006102 |
LOCK WASHER |
|
|
HEATING PIPE TO RADIATOR |
| 085 |
A 6205060235 |
HOSE |
|
|
FROM HEATING PIPE AT RADIATOR TO CAB HEATING PIPE |
| 086 |
A 6205060335 |
HOSE |
|
|
FROM HEATING PIPE AT RADIATOR TO CAB HEATING PIPE |
| 087 |
N 916017020000 |
CLAMP |
|
Repalced by: N 000000000667
|
| 087 |
N 000000000667 |
CLAMP |
|
|
HOSE TO HEATING PIPE |
| 088 |
A 6255011524 |
COOLING WATER PIPE |
|
|
(DE-AERATION LINE) FROM RADIATOR TO EXPANSION TANK |
| 089 |
N 900271008043 |
HOSE |
|
|
(DE-AERATION LINE) FROM RADIATOR TO EXPANSION TANK |
| 090 |
N 916017011000 |
CLAMP |
|
Repalced by: N 916017011001
|
| 090 |
N 000000000665 |
CLAMP |
|
|
(DE-AERATION LINE) FROM RADIATOR TO EXPANSION TANK |
|
A 6255041640 |
BRACKET |
|
Repalced by: A 3184923441
|
| 091 |
A 3184923441 |
BRACKET |
|
|
DE-AERATION LINE |
| 092 |
N 000933006183 |
SCREW |
|
Repalced by: N 304017006016
|
| 092 |
N 304017006016 |
SCREW |
|
|
DE-AERATION LINE TO BRACKET |
| 093 |
A 3609950201 |
CLAMP |
|
Repalced by: A 3604300143
|
| 093 |
A 3604300143 |
CLAMP |
|
Repalced by: N 916016008200
|
| 093 |
N 916016008200 |
CLAMP |
|
Repalced by: N 000000000319
|
| 093 |
N 000000000319 |
CLAMP |
|
|
DE-AERATION LINE TO BRACKET |
| 093 |
A 3609952001 |
CLAMP |
|
Repalced by: A 6739950001
|
| 093 |
A 6739950001 |
CLAMP |
|
|
DE-AERATION LINE TO BRACKET |
| 095 |
N 916016008200 |
CLAMP |
|
Repalced by: N 000000000319
|
| 095 |
N 000000000319 |
CLAMP |
|
|
DE-AERATION LINE TO BRACKET |
| 096 |
N 913004006002 |
NUT |
|
Repalced by: N 913004006001
|
| 096 |
N 913004006001 |
NUT |
|
|
DE-AERATION LINE TO BRACKET |
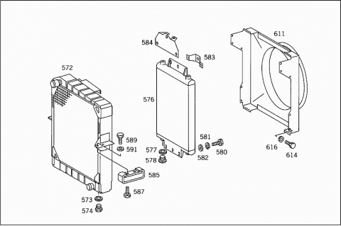
| 097 |
A 6255010101 |
RADIATOR |
|
|
CHARGE AIR INTERCOOLER |
| 098 |
N 000933006130 |
SCREW |
|
|
CHARGING AIR INTERCOOLER TO RADIATOR |
|
|
M 6X18 |
| 098 |
N 000933006121 |
SCREW |
|
Repalced by: N 304017006020
|
| 098 |
N 304017006020 |
SCREW |
|
|
CHARGING AIR INTERCOOLER TO RADIATOR |
|
|
M 6X20 |
| 100 |
N 912004006102 |
LOCK WASHER |
|
|
CHARGING AIR INTERCOOLER TO RADIATOR |
| 101 |
N 009021006205 |
WASHER |
|
Repalced by: N 009021006208
|
| 101 |
N 009021006208 |
WASHER |
|
|
CHARGING AIR INTERCOOLER TO RADIATOR |
| 102 |
N 913004006002 |
NUT |
|
Repalced by: N 913004006001
|
| 102 |
N 913004006001 |
NUT |
|
|
CHARGING AIR INTERCOOLER TO RADIATOR |
| 103 |
A 6255010320 |
BRACKET |
|
|
CHARGE AIR INTERCOOLER |
| 104 |
N 000933006130 |
SCREW |
|
|
BRACKET TO RADIATOR |
| 105 |
N 912004006102 |
LOCK WASHER |
|
|
BRACKET TO RADIATOR |
| 106 |
A 0010947882 |
HOSE |
|
Repalced by: A 0020945282
|
| 106 |
A 0020945282 |
HOSE |
|
|
FROM ENGINE TO CHARGE AIR INTERCOOLER |
| 106 |
A 0020945982 |
HOSE |
|
|
FROM ENGINE TO CHARGE AIR INTERCOOLER |
| 107 |
N 916017100000 |
CLAMP |
|
Repalced by: A 0059970690
|
| 107 |
A 0059970690 |
CLAMP |
|
|
HOSE TO RADIATOR AND TO ENGINE |
| 108 |
A 6255280207 |
PIPE ELBOW |
|
|
FROM CHARGING AIR INTERCOOLER TO ENGINE |
| 109 |
A 6255280080 |
GASKET |
|
Repalced by: A 6255280180
|
| 109 |
A 6255280180 |
GASKET |
|
|
PIPE TO CHARGING AIR INTERCOOLER |
| 110 |
N 000912010051 |
SCREW |
|
|
PIPE TO CHARGING AIR INTERCOOLER |
| 111 |
N 006796010100 |
CONICAL SPRING WASHER |
|
|
PIPE TO CHARGING AIR INTERCOOLER |
|
A 0010947982 |
HOSE |
|
Repalced by: A 0020941782
|
|
A 0020941782 |
HOSE |
|
Repalced by: A 0010947982
|
| 112 |
A 0010947982 |
HOSE |
|
|
FROM CHARGING AIR INTERCOOLER TO ENGINE |
| 113 |
N 000000000676 |
CLAMP |
|
|
HOSE TO RADIATOR AND TO ENGINE |
|
Repalced by: N 000000005890
|
| 113 |
N 000000005890 |
CLAMP |
|
|
HOSE TO RADIATOR AND TO ENGINE |
| 114 |
A 0015014201 |
RADIATOR |
|
|
WATER |
|
|
BEHR |
| 115 |
A 0005001049 |
TANK |
|
|
COOLING WATER EXPANSION |
|
|
BEHR |
| 116 |
A 0005014615 |
RADIATOR CAP |
|
|
FILLER NECK |
| 116 |
A 0005017215 |
RADIATOR CAP |
|
|
FILLER NECK |
| 117 |
A 0005013715 |
RADIATOR CAP |
| 117 |
A 0005017115 |
RADIATOR CAP |
| 118 |
A 0005010480 |
GASKET |
|
|
INSIDE |
|
|
52 MM |
| 119 |
A 0005010880 |
GASKET |
|
|
OUTSIDE |
|
|
37 MM |
| 120 |
N 000933008212 |
SCREW |
|
Repalced by: N 304017008016
|
| 120 |
N 304017008016 |
SCREW |
|
|
FROM EXPANSION TANK TO RADIATOR |
| 121 |
N 912004008102 |
LOCK WASHER |
|
|
FROM EXPANSION TANK TO RADIATOR |
| 122 |
N 000125008418 |
WASHER |
|
Repalced by: N 000125008443
|
| 122 |
N 000125008443 |
WASHER |
|
|
FROM EXPANSION TANK TO RADIATOR |
| 123 |
A 0149975782 |
HOSE |
|
|
OVERFLOW, EXPANSION TANK |
| 124 |
N 916017011000 |
CLAMP |
|
Repalced by: N 916017011001
|
| 124 |
N 000000000665 |
CLAMP |
|
|
OVERFLOW, EXPANSION TANK |
| 125 |
N 007604014101 |
SCREW PLUG |
|
|
WATER DRAIN |
| 126 |
N 007603014405 |
SEAL RING |
|
|
WATER DRAIN |
| 127 |
A 6205040801 |
SUPPORT |
|
|
RADIATOR,LEFT |
| 128 |
N 000961012122 |
SCREW |
|
|
SUPPORT TO SIDE MEMBER |
| 129 |
N 910113012002 |
NUT |
|
|
SUPPORT TO SIDE MEMBER |
| 130 |
A 6205040112 |
RUBBER MOUNTING |
|
|
RADIATOR |
| 131 |
N 000933010238 |
SCREW |
|
Repalced by: N 304017010028
|
| 131 |
N 304017010028 |
HEXAGON HEAD BOLT |
|
|
RUBBER MOUNTING TO SUPPORT |
| 132 |
N 000933010105 |
SCREW |
|
|
RADIATOR TO RUBBER MOUNTING |
| 132 |
N 000933010105 |
SCREW |
|
|
RUBBER MOUNTING TO SIDE MEMBER |
| 133 |
N 912004010102 |
LOCK WASHER |
|
|
RUBBER MOUNTING TO SUPPORT |
| 133 |
N 912004010102 |
LOCK WASHER |
|
|
RADIATOR TO RUBBER MOUNTING |
| 133 |
N 912004010102 |
LOCK WASHER |
|
|
RUBBER MOUNTING TO SIDE MEMBER |
| 134 |
A 6255000055 |
FAN SHROUD |
| 135 |
A 6205050086 |
BOOT |
|
|
FAN SHROUD TO FAN RING |
| 136 |
N 000933006183 |
SCREW |
|
Repalced by: N 304017006016
|
| 136 |
N 304017006016 |
SCREW |
|
|
FAN SHROUD TO RADIATOR |
| 137 |
N 912004006102 |
LOCK WASHER |
|
|
FAN SHROUD TO RADIATOR |
| 138 |
A 6205050186 |
BOOT |
|
|
CIRCULATING AIR PARTITIONING |
| 139 |
A 6205000349 |
TANK |
|
|
(EXPANSION TANK) |
| 140 |
A 0005014515 |
RADIATOR CAP |
|
|
TOP |
| 141 |
A 0005010880 |
GASKET |
| 142 |
A 0005010110 |
DRAIN PIPE |
| 143 |
A 0079972682 |
HOSE |
|
Repalced by: A 0219977682
|
| 143 |
A 0219977682 |
HOSE |
| 144 |
A 0009881878 |
CLIP |
|
|
OVERFLOW HOSE TO CAB FIRE WALL FRONT EDGE |
| 145 |
A 6175000031 |
BRACKET |
|
|
EXPANSION TANK,LEFT |
| 146 |
A 6175000131 |
BRACKET |
|
|
EXPANSION TANK,RIGHT |
| 147 |
N 007981005306 |
SHEET METAL SCREW |
|
|
BRACKET TO CAB |
| 148 |
N 000125006421 |
WASHER |
|
|
BRACKET TO CAB |
|
Repalced by: N 000125006449
|
| 148 |
N 000125006449 |
WASHER |
|
|
BRACKET TO CAB |
| 149 |
A 6175010095 |
SHIM |
|
|
EXPANSION TANK,LEFT |
| 150 |
A 6175010195 |
SHIM |
|
|
EXPANSION TANK,RIGHT |
| 151 |
A 6175010220 |
BRACKET |
|
|
EXPANSION TANK,LEFT |
| 152 |
A 6175010320 |
BRACKET |
|
|
EXPANSION TANK,RIGHT |
| 153 |
N 007985006193 |
SCREW |
|
Repalced by: N 000000001146
|
| 153 |
N 000000001146 |
SCREW |
|
|
STRAP TO BRACKET |
|
|
M 6X16 |
| 154 |
N 912004006102 |
LOCK WASHER |
|
|
STRAP TO BRACKET |
| 155 |
N 009021006205 |
WASHER |
|
Repalced by: N 009021006208
|
| 155 |
N 009021006208 |
WASHER |
|
|
STRAP TO BRACKET |
| 156 |
A 6255010582 |
HOSE |
|
|
FROM RADIATOR TO THERMOSTAT |
| 157 |
N 916017070000 |
CLAMP |
|
Repalced by: N 000000000674
|
| 157 |
N 000000001468 |
CLAMP |
|
|
HOSE TO THERMOSTAT AND TO RADIATOR |
|
|
60-80X13 MM |
| 158 |
A 6255010282 |
HOSE |
|
|
FROM RADIATOR OUTLET TO WATER PUMP |
|
A 6555010656 |
PIPE ELBOW |
|
Repalced by: A 6555010756
|
| 159 |
A 6555010756 |
PIPE ELBOW |
|
|
FROM RADIATOR OUTLET TO WATER PUMP |
| 159 |
A 6555011556 |
PIPE ELBOW |
|
|
FROM RADIATOR OUTLET TO WATER PUMP |
| 160 |
N 000931010282 |
SCREW |
|
|
PIPE ELBOW TO BRACKET |
| 161 |
N 913004010008 |
NUT |
|
Repalced by: N 910113010000
|
| 161 |
N 910113010000 |
NUT |
|
|
PIPE ELBOW TO BRACKET |
| 162 |
N 900271070007 |
HOSE |
|
|
FROM RADIATOR OUTLET TO WATER PUMP |
| 163 |
N 916017070000 |
CLAMP |
|
Repalced by: N 000000000674
|
| 163 |
N 000000001468 |
CLAMP |
|
|
HOSE TO RADIATOR,PIPE ELBOW,AND WATER PUMP |
|
A 6205010023 |
CONNECTOR |
|
Repalced by: A 6205010323
|
| 164 |
A 6205010323 |
CONNECTOR |
|
|
AT WATER PUMP |
|
A 4032010480 |
GASKET |
|
Repalced by: A 4422010480
|
| 165 |
A 4422010480 |
GASKET |
|
|
CONNECTOR |
|
Repalced by: A 0002011080
|
| 165 |
A 0002011080 |
GASKET |
|
|
CONNECTOR |
|
Repalced by: A 0002011180
|
| 165 |
A 0002011180 |
GASKET |
|
|
CONNECTOR |
|
Repalced by: A 0002011280
|
| 165 |
A 0002011280 |
GASKET |
|
|
CONNECTOR |
| 166 |
N 000933010105 |
SCREW |
|
|
CONNECTOR TO WATER PUMP |
|
|
M 10X25 |
| 166 |
N 000931010271 |
SCREW |
|
|
CONNECTOR TO WATER PUMP |
|
|
M 10X60 |
| 167 |
N 000137010201 |
SPRING WASHER |
|
|
CONNECTOR TO WATER PUMP |
| 168 |
A 6255012582 |
HOSE |
|
|
FROM WATER PUMP TO EXPANSION TANK |
| 169 |
N 916017032000 |
CLAMP |
|
Repalced by: N 000000000670
|
| 169 |
N 000000000670 |
CLAMP |
|
|
HOSE TO EXPANSION TANK AND TO WATER PUMP |
| 170 |
N 916017020000 |
CLAMP |
|
Repalced by: N 000000000667
|
| 170 |
N 000000000667 |
CLAMP |
|
|
HOSE TO HEATING PIPE |
| 171 |
A 3835010223 |
CONNECTOR |
|
|
HEATING AND BREATHING |
|
A 3874660440 |
BRACKET |
|
Repalced by: A 6205244040
|
| 172 |
A 6205244040 |
BRACKET |
|
|
DE-AERATION LINE |
| 173 |
A 6255012682 |
HOSE |
|
|
DE-AERATION; FROM ENGINE TO EXPANSION TANK |
| 174 |
A 6255000024 |
BREATHER PIPE |
| 175 |
A 3875011682 |
HOSE |
|
|
DE-AERATION; FROM ENGINE TO EXPANSION TANK |
| 176 |
N 916017020000 |
CLAMP |
|
Repalced by: N 000000000667
|
| 176 |
N 000000000667 |
CLAMP |
|
|
HOSE TO BREATHER PIPE AND TO ESPANSION TANK |
| 177 |
N 917003040008 |
GASKET |
|
|
CONNECTOR AND BRACKET TO ENGINE |
| 178 |
N 000931010357 |
SCREW |
|
Repalced by: N 000933010192
|
| 178 |
A 0019909404 |
SCREW |
|
|
CONNECTOR AND BRACKET TO ENGINE |
|
|
M 10X75 |
| 179 |
N 000931010379 |
SCREW |
|
|
CONNECTOR AND BRACKET TO ENGINE |
|
|
M 10X110 |
| 180 |
N 912004010102 |
LOCK WASHER |
|
|
CONNECTOR AND BRACKET TO ENGINE |
|
A 6205010081 |
RUBBER PAD |
|
Repalced by: A 4605060033
|
| 181 |
A 4605060033 |
LOCKING CAP |
| 182 |
N 916017025000 |
CLAMP |
|
Repalced by: N 000000000668
|
| 182 |
N 000000000670 |
CLAMP |
|
|
RUBBER PAD TO CONNECTOR |
|
|
35 - 50 X 13 |
|
A 6205060161 |
FLANGE |
|
Repalced by: A 6205060261
|
| 183 |
A 6205060261 |
FLANGE |
|
|
HEATING PIPE TO ENGINE |
| 184 |
A 6255003672 |
LINE |
|
|
(HEATING PIPE) FROM ENGINE TO HEATING PIPE AT RADIATOR |
| 184 |
A 0805000189 |
LINE |
|
|
(HEATING PIPE) FROM ENGINE TO HEATING PIPE AT RADIATOR |
| 185 |
A 6205001372 |
LINE |
|
|
(HEATING PIPE) FROM ENGINE TO HEATING PIPE AT RADIATOR |
| 186 |
N 900271018038 |
HOSE |
|
|
FROM HEATING PIPE AT ENGINE TO HEATING PIPE AT RADIATOR |
| 187 |
N 916017020000 |
CLAMP |
|
Repalced by: N 000000000667
|
| 187 |
N 000000000667 |
CLAMP |
|
|
HOSE TO HEATING PIPE |
| 188 |
N 917003022003 |
GASKET |
|
|
FLANGE WITH HEATING PIPE TO ENGINE |
| 189 |
N 000933008152 |
SCREW |
|
Repalced by: N 304017008027
|
| 189 |
N 304017008027 |
SCREW |
|
|
FLANGE WITH HEATING PIPE TO ENGINE |
|
|
M 8X30 |
| 190 |
N 000933008150 |
SCREW |
|
Repalced by: N 304017008018
|
| 190 |
N 304017008018 |
SCREW |
|
|
FLANGE WITH HEATING PIPE TO ENGINE |
|
|
M 8X35 |
| 191 |
N 000137008204 |
SPRING WASHER |
|
Repalced by: N 000137008212
|
| 191 |
N 000137008212 |
SPRING WASHER |
|
|
FLANGE WITH HEATING PIPE TO ENGINE |
| 192 |
N 913004008004 |
NUT |
|
Repalced by: N 913004008001
|
| 192 |
N 913004008001 |
NUT |
|
|
FLANGE WITH HEATING PIPE TO ENGINE |
| 193 |
A 3609950601 |
CLAMP |
|
|
HEATING PIPE TO BRACKET |
| 194 |
N 000933006183 |
SCREW |
|
Repalced by: N 304017006016
|
| 194 |
N 304017006016 |
SCREW |
|
|
HEATING PIPE TO BRACKET |
| 194 |
N 304017006016 |
SCREW |
|
|
HEATING PIPE TO RADIATOR |
| 195 |
N 912004006102 |
LOCK WASHER |
|
|
HEATING PIPE TO BRACKET |
| 195 |
N 912004006102 |
LOCK WASHER |
|
|
HEATING PIPE TO RADIATOR |
| 197 |
N 000125006421 |
WASHER |
|
|
HEATING PIPE TO RADIATOR |
|
Repalced by: N 000125006449
|
| 197 |
N 000125006449 |
WASHER |
|
|
HEATING PIPE TO RADIATOR |
| 198 |
A 6205060335 |
HOSE |
|
|
HEATING FEED, FROM RADIATOR TO CAB HEATING PIPE |
| 199 |
A 6205060235 |
HOSE |
|
|
HEATER RETURN, FROM RADIATOR TO CAB HEATING PIPE |
| 200 |
N 900271008043 |
HOSE |
|
|
DE-AERATION |
| 201 |
N 916017020000 |
CLAMP |
|
Repalced by: N 000000000667
|
| 201 |
N 000000000667 |
CLAMP |
|
|
HOSE TO HEATING PIPE |
| 202 |
N 916017011000 |
CLAMP |
|
Repalced by: N 916017011001
|
| 202 |
N 000000000665 |
CLAMP |
|
|
HOSE TO BREATHER PIPE AND TO ESPANSION TANK |
| 203 |
A 6205010725 |
BREATHER PIPE |
|
|
FROM EXPANSION TANK TO HEATING PIPE AT RADIATOR |
| 204 |
A 6205010920 |
BRACKET |
|
|
BREATHER PIPE |
| 205 |
A 3609950201 |
CLAMP |
|
Repalced by: A 3604300143
|
| 205 |
A 3604300143 |
CLAMP |
|
Repalced by: N 916016008200
|
| 205 |
N 916016008200 |
CLAMP |
|
Repalced by: N 000000000319
|
| 205 |
N 000000000319 |
CLAMP |
|
|
BREATHER PIPE TO BRACKET |
| 206 |
N 007981005306 |
SHEET METAL SCREW |
|
|
BRACKET TO CAB |
| 207 |
N 007985005193 |
SCREW |
|
|
BREATHER PIPE TO BRACKET |
| 208 |
N 913004006002 |
NUT |
|
Repalced by: N 913004006001
|
| 208 |
N 913004006001 |
NUT |
|
|
BREATHER PIPE TO BRACKET |
| 209 |
A 6205012882 |
HOSE |
|
|
FROM DE-AERATION PIPE AT RADIATOR TO EXPANSION TANK |
| 210 |
N 916017011000 |
CLAMP |
|
Repalced by: N 916017011001
|
| 210 |
N 000000000665 |
CLAMP |
|
|
HOSE TO BREATHER PIPE |
| 211 |
N 916017020000 |
CLAMP |
|
Repalced by: N 000000000667
|
| 211 |
N 000000000667 |
CLAMP |
|
|
HOSE TO EXPANSION TANK |
|
X XXXXXXXXXXXX |
PART NAME MISSING |
|
|
OIL COOLER |
| 212 |
A 0005014401 |
RADIATOR |
|
|
(OIL COOLER),MANUAL TRANSMISSION |
| 213 |
N 007604012102 |
SCREW PLUG |
|
Repalced by: N 007604012105
|
| 213 |
N 007604012105 |
SCREW PLUG |
| 214 |
A 6255014020 |
BRACKET |
|
|
OIL COOLER,LEFT TOP |
| 215 |
A 6255014120 |
BRACKET |
|
|
OIL COOLER,RIGHT TOP |
| 216 |
N 000933006121 |
SCREW |
|
Repalced by: N 304017006020
|
| 216 |
N 304017006020 |
SCREW |
|
|
BRACKET TO WATER RADIATOR |
| 217 |
N 000933008154 |
SCREW |
|
Repalced by: N 304017008021
|
| 217 |
N 304017008021 |
SCREW |
|
|
OIL COOLER TO BRACKET |
| 218 |
N 912004006102 |
LOCK WASHER |
|
|
BRACKET TO WATER RADIATOR |
| 219 |
N 007349006005 |
WASHER |
|
Repalced by: N 007349006007
|
| 219 |
N 007349006007 |
WASHER |
|
|
BRACKET TO WATER RADIATOR |
| 220 |
N 007349008003 |
WASHER |
|
|
OIL COOLER TO BRACKET |
| 221 |
N 913004008004 |
NUT |
|
Repalced by: N 913004008001
|
| 221 |
N 913004008001 |
NUT |
|
|
OIL COOLER TO BRACKET |
| 222 |
A 0021880301 |
OIL COOLER |
|
|
CONVERTER LOCK-UP COUPLING |
| 223 |
N 000912010000 |
SCREW |
| 224 |
N 007603010110 |
SEAL RING |
| 225 |
A 6252570003 |
COVER |
|
|
OIL COOLER |
|
A 6252570080 |
GASKET |
|
Repalced by: A 6252570580
|
| 226 |
A 6252570580 |
GASKET |
|
|
COVER TO OIL COOLER |
| 227 |
N 000933008147 |
SCREW |
|
Repalced by: N 304017008021
|
| 227 |
N 304017008021 |
SCREW |
|
|
COVER TO OIL COOLER |
| 228 |
N 912004008102 |
LOCK WASHER |
|
|
COVER TO OIL COOLER |
| 229 |
A 6252571340 |
BRACKET |
|
|
OIL COOLER,LEFT BOTTOM |
| 229 |
A 6252570440 |
BRACKET |
|
|
OIL COOLER,RIGHT BOTTOM |
| 231 |
N 000961014050 |
SCREW |
|
Repalced by: N 308676014020
|
| 231 |
N 308676014020 |
SCREW |
|
|
BRACKET TO CROSS MEMBER,TRANSMISSION MOUNTING |
| 232 |
N 000912016083 |
SCREW |
|
|
OIL COOLER TO BRACKET |
| 233 |
N 000125017010 |
WASHER |
|
Repalced by: N 000125017016
|
| 233 |
N 000125017016 |
WASHER |
|
|
OIL COOLER TO BRACKET |
| 234 |
N 913004014002 |
NUT |
|
Repalced by: N 910113014001
|
| 234 |
N 910113014001 |
NUT |
|
|
BRACKET TO CROSS MEMBER,TRANSMISSION MOUNTING |
| 235 |
N 913004016004 |
NUT |
|
Repalced by: N 910113016002
|
| 235 |
N 910113016002 |
NUT |
|
|
OIL COOLER TO BRACKET |
| 236 |
A 6175011782 |
HOSE |
|
|
FEED AND RETURN LINES TO ENGINE |
| 237 |
A 6255017824 |
COOLING WATER PIPE |
|
|
FEED; OIL COOLER |
| 238 |
A 6255003472 |
LINE |
|
|
FEED; OIL COOLER |
| 239 |
A 6255003772 |
LINE |
|
|
RETURN; OIL COOLER |
| 240 |
A 6255003572 |
LINE |
|
|
RETURN; OIL COOLER |
| 241 |
N 007604018109 |
SCREW PLUG |
| 242 |
N 007603018101 |
SEAL RING |
| 243 |
N 900271050012 |
HOSE |
|
|
FEED AND RETURN |
|
|
1000 MM |
| 244 |
A 6175012182 |
HOSE |
|
|
RETURN; OIL COOLER |
| 245 |
N 916017050000 |
CLAMP |
|
Repalced by: N 000000000672
|
| 245 |
N 000000000672 |
CLAMP |
|
|
HOSE TO COOLING WATER PIPE |
| 246 |
A 6255000094 |
FITTING |
|
|
OIL COOLER |
|
A 6255010280 |
GASKET |
|
Repalced by: A 6255010580
|
| 247 |
A 6255010580 |
GASKET |
|
|
FITTING TO OIL COOLER |
| 248 |
N 000933008153 |
SCREW |
|
Repalced by: N 304017008034
|
| 248 |
N 304017008034 |
SCREW |
|
|
FITTING TO OIL COOLER |
| 249 |
N 912004008102 |
LOCK WASHER |
|
|
FITTING TO OIL COOLER |
|
A 6175011820 |
BRACKET |
|
Repalced by: A 3184923441
|
| 250 |
A 3184923441 |
BRACKET |
|
|
COOLING WATER PIPE TO RADIATOR |
|
A 6255041941 |
BRACKET |
|
Repalced by: A 6224760036
|
| 251 |
A 6224760036 |
BRACKET |
|
|
COOLING WATER PIPE TO ENGINE MOUNTING, FRONT LEFT |
|
A 6255042041 |
BRACKET |
|
Repalced by: A 3184280240
|
| 252 |
A 3184280240 |
BRACKET |
|
|
COOLING WATER LINE TO ENGINE |
| 253 |
A 6255044440 |
BRACKET |
|
|
COOLING WATER LINE TO CONVERTER LOCKUP COUPLING,BOTTOM |
| 254 |
N 071555050503 |
CLAMP |
|
Repalced by: N 000000001641
|
| 254 |
N 000000001641 |
CLAMP |
|
Repalced by: A 9424310043
|
| 254 |
A 9424310043 |
CLAMP |
|
|
COOLING WATER LINE |
| 255 |
N 000933008153 |
SCREW |
|
Repalced by: N 304017008034
|
| 255 |
N 304017008034 |
SCREW |
|
|
COOLING WATER LINE TO ENGINE |
| 255 |
N 304017008034 |
SCREW |
|
|
COOLING WATER PIPE TO ENGINE MOUNTING, FRONT LEFT |
| 255 |
N 304017008034 |
SCREW |
|
|
COOLING WATER LINE TO CONVERTER LOCKUP COUPLING,BOTTOM |
| 255 |
N 304017008034 |
SCREW |
|
|
COOLING WATER PIPE TO RADIATOR |
| 256 |
N 000933010198 |
SCREW |
|
|
COOLING WATER PIPE TO RADIATOR |
| 257 |
N 000933012001 |
SCREW |
|
|
COOLING WATER LINE |
| 258 |
N 912004008102 |
LOCK WASHER |
|
|
COOLING WATER LINE |
| 258 |
N 912004010102 |
LOCK WASHER |
|
|
COOLING WATER LINE |
| 258 |
N 912004012100 |
LOCK WASHER |
|
|
COOLING WATER LINE |
| 259 |
N 913004008004 |
NUT |
|
Repalced by: N 913004008001
|
| 259 |
N 913004008001 |
NUT |
|
|
COOLING WATER LINE |
|
X XXXXXXXXXXXX |
PART NAME MISSING |
|
|
REAR COOLING SYSTEM |
| 260 |
A 6255001327 |
SUPPORT |
|
|
REAR COOLING SYSTEM |
|
A 6255002227 |
SUPPORT |
|
Repalced by: A 6255003227
|
|
A 6255003227 |
SUPPORT |
|
Repalced by: A 6255004127
|
| 261 |
A 6255004127 |
SUPPORT |
|
|
REAR COOLING SYSTEM |
| 262 |
A 6255003127 |
SUPPORT |
|
|
REAR COOLING SYSTEM |
| 263 |
A 6255000327 |
SUPPORT |
|
|
LEFT |
| 263 |
A 6255000427 |
SUPPORT |
|
|
RIGHT |
| 264 |
A 6255002427 |
SUPPORT |
|
|
LEFT |
| 265 |
A 6255042301 |
SUPPORT |
|
|
LEFT |
| 266 |
A 6255002527 |
SUPPORT |
|
|
RIGHT |
| 267 |
A 6255042401 |
SUPPORT |
|
|
RIGHT |
| 268 |
N 000961014101 |
SCREW |
|
Repalced by: N 308676014012
|
| 268 |
N 308676014012 |
SCREW |
|
|
SUPPORT TO FRAME |
|
|
M 14X45 |
| 268 |
N 000961014103 |
SCREW |
|
|
SUPPORT TO FRAME |
|
|
M 14X55 |
| 269 |
N 000961014011 |
SCREW |
|
|
SUPPORT TO FRAME |
|
|
M 14X38 |
| 270 |
N 000961016039 |
SCREW |
|
|
SUPPORT TO FRAME |
|
|
M 16X50 |
| 271 |
N 913004014005 |
NUT |
|
Repalced by: N 910113014000
|
| 271 |
N 910113014000 |
NUT |
|
|
SUPPORT TO FRAME |
| 272 |
N 913004016004 |
NUT |
|
Repalced by: N 910113016002
|
| 272 |
N 910113016002 |
NUT |
|
|
SUPPORT TO FRAME |
|
A 6255000531 |
BRACKET |
|
Repalced by: A 6255004231
|
| 273 |
A 6255004231 |
BRACKET |
|
|
LOWER SUPPORT |
| 274 |
N 000961012164 |
SCREW |
|
|
BOTTOM BRACKET TO SUPPORT |
| 275 |
A 6259900040 |
WASHER |
|
|
BOTTOM BRACKET TO SUPPORT |
| 276 |
N 000960014145 |
SCREW |
|
|
LOWER BRACKET TO OUTSIDE SUPPORT |
| 277 |
N 000960012371 |
SCREW |
|
|
SUPPORT TO BASE FRAME |
| 278 |
A 3839900440 |
WASHER |
|
|
LOWER BRACKET TO OUTSIDE SUPPORT |
| 279 |
A 6259900340 |
WASHER |
|
Repalced by: A 3859900640
|
| 279 |
A 3859900640 |
WASHER |
|
|
SUPPORT TO BASE FRAME |
| 280 |
A 6255041053 |
SPACER TUBE |
|
|
LOWER BRACKET TO OUTSIDE SUPPORT |
| 281 |
A 6255040953 |
SPACER TUBE |
|
|
SUPPORT TO BASE FRAME |
| 282 |
A 6175000331 |
BRACKET |
|
|
COOLING WATER PIPE TO RADIATOR |
|
A 0019881010 |
RUBBER MOUNTING |
|
Repalced by: A 6255000012
|
|
A 6255000012 |
RUBBER BUFFER |
|
|
LOWER BRACKET TO OUTSIDE SUPPORT |
| 283 |
A 6259880010 |
RUBBER MOUNTING |
| 283 |
A 6259880010 |
RUBBER MOUNTING |
|
|
BASE FRAME |
| 284 |
A 6255041153 |
SPACER TUBE |
| 285 |
N 000961012069 |
SCREW |
|
Repalced by: N 308676012015
|
| 285 |
N 308676012015 |
SCREW |
|
|
RUBBER BUFFER TO BASE FRAME |
| 286 |
N 913004014002 |
NUT |
|
Repalced by: N 910113014001
|
| 286 |
N 910113014001 |
NUT |
|
|
LOWER BRACKET TO OUTSIDE SUPPORT |
| 287 |
N 910113012002 |
NUT |
|
|
RUBBER BUFFER TO BASE FRAME |
|
A 6255043840 |
BRACKET |
|
|
DE-AERATION LINE |
|
N 000933008147 |
SCREW |
|
Repalced by: N 304017008021
|
|
N 304017008021 |
SCREW |
|
|
BRACKET TO SUPPORT |
|
N 913004008004 |
NUT |
|
Repalced by: N 913004008001
|
|
N 913004008001 |
NUT |
|
|
BRACKET TO SUPPORT |
| 291 |
A 6255000527 |
SUPPORT |
|
|
TOP;TRANSVERSE |
| 292 |
A 6255002927 |
SUPPORT |
|
Repalced by: A 0805006027
|
| 292 |
A 0805006027 |
SUPPORT |
|
|
TOP;TRANSVERSE |
| 293 |
A 6255000431 |
BRACKET |
|
|
UPPER TRANSVERSE SUPPORT |
| 294 |
N 000961012164 |
SCREW |
|
|
UPPER BRACKET TO OUTSIDE SUPPORT |
| 295 |
N 912004012100 |
LOCK WASHER |
|
|
UPPER BRACKET TO OUTSIDE SUPPORT |
| 296 |
A 6255040084 |
SHIM |
|
|
UPPER BRACKET TO OUTSIDE SUPPORT |
| 297 |
N 000960014242 |
SCREW |
|
|
UPPER TRANSVERSE SUPPORT TO BRACKET |
| 298 |
A 3769900340 |
WASHER |
|
|
UPPER TRANSVERSE SUPPORT TO BRACKET |
| 299 |
A 6255040153 |
SPACER TUBE |
|
|
UPPER TRANSVERSE SUPPORT TO BRACKET |
| 300 |
A 0019880910 |
RUBBER MOUNTING |
|
|
UPPER TRANSVERSE SUPPORT TO BRACKET |
| 301 |
N 913004014002 |
NUT |
|
Repalced by: N 910113014001
|
| 301 |
N 910113014001 |
NUT |
|
|
UPPER TRANSVERSE SUPPORT TO BRACKET |
| 302 |
A 6255000080 |
ROD |
|
|
UPPER BRACING,LEFT AND RIGHT |
| 303 |
N 000934012022 |
NUT |
|
|
UPPER BRACING,LEFT AND RIGHT |
|
A 6255040076 |
WASHER |
|
|
UPPER BRACING,LEFT AND RIGHT |
| 305 |
A 6255040353 |
SPACER TUBE |
|
|
UPPER BRACING,LEFT AND RIGHT |
| 306 |
A 6255040065 |
RUBBER BUFFER |
|
|
UPPER BRACING,LEFT AND RIGHT |
| 307 |
N 900331010654 |
PULL ROD |
|
|
UPPER BRACING,CENTER |
| 307 |
N 900331010654 |
PULL ROD |
|
|
AIR DUCT BRACING,TOP |
| 307 |
N 900331010654 |
PULL ROD |
|
|
VENTILATOR SUPPORT BRACING,BOTTOM |
| 307 |
N 900331010654 |
PULL ROD |
|
|
UPPER BRACING,LEFT AND RIGHT |
| 308 |
N 000934010014 |
NUT |
|
|
UPPER BRACING,CENTER |
| 308 |
N 000934010014 |
NUT |
|
|
AIR DUCT BRACING,TOP |
| 308 |
N 000934010014 |
NUT |
|
|
VENTILATOR SUPPORT BRACING,BOTTOM |
| 308 |
N 000934010014 |
NUT |
|
|
UPPER BRACING,LEFT AND RIGHT |
| 309 |
N 009021010202 |
WASHER |
|
Repalced by: N 009021010209
|
| 309 |
N 009021010209 |
WASHER |
|
|
UPPER BRACING,CENTER |
| 309 |
N 009021010209 |
WASHER |
|
|
AIR DUCT BRACING,TOP |
| 309 |
N 009021010209 |
WASHER |
|
|
VENTILATOR SUPPORT BRACING,BOTTOM |
| 309 |
N 009021010209 |
WASHER |
|
|
UPPER BRACING,LEFT AND RIGHT |
| 310 |
A 3765040053 |
SPACER TUBE |
|
Repalced by: A 6458910453
|
| 310 |
A 6458910453 |
SPACER TUBE |
|
|
UPPER BRACING,CENTER |
| 310 |
A 6458910453 |
SPACER TUBE |
|
|
AIR DUCT BRACING,TOP |
| 310 |
A 6458910453 |
SPACER TUBE |
|
|
VENTILATOR SUPPORT BRACING,BOTTOM |
| 310 |
A 6458910453 |
SPACER TUBE |
|
|
UPPER BRACING,LEFT AND RIGHT |
| 311 |
A 3765040065 |
RUBBER BUFFER |
|
|
UPPER BRACING,CENTER |
| 311 |
A 3765040065 |
RUBBER BUFFER |
|
|
AIR DUCT BRACING,TOP |
| 311 |
A 3765040065 |
RUBBER BUFFER |
|
|
VENTILATOR SUPPORT BRACING,BOTTOM |
| 311 |
A 3765040065 |
RUBBER BUFFER |
|
|
UPPER BRACING,LEFT AND RIGHT |
| 312 |
A 6255040625 |
STAY |
|
|
BASE FRAME |
| 313 |
A 0002420250 |
BUSHING |
| 314 |
A 6255042701 |
SUPPORT |
|
|
STAY TO SIDE MEMBER |
| 315 |
N 000961014011 |
SCREW |
|
|
SUPPORT TO SIDE MEMBER |
| 316 |
N 913004014002 |
NUT |
|
Repalced by: N 910113014001
|
| 316 |
N 910113014001 |
NUT |
|
|
SUPPORT TO SIDE MEMBER |
| 317 |
A 6212850840 |
BRACKET |
|
|
STAY TO SUPPORT AND TO BASE FRAME |
| 318 |
N 000961014100 |
SCREW |
|
|
BRACKET TO SUPPORT AND TO BASE FRAME |
| 319 |
N 913004014002 |
NUT |
|
Repalced by: N 910113014001
|
| 319 |
N 910113014001 |
NUT |
|
|
BRACKET TO SUPPORT AND TO BASE FRAME |
| 320 |
A 6212850153 |
SPACER TUBE |
|
|
STAY TO BRACKET,TOP AND BOTTOM |
| 321 |
N 007349013003 |
WASHER |
|
Repalced by: N 007349013005
|
| 321 |
N 007349013005 |
WASHER |
|
|
STAY TO BRACKET,TOP AND BOTTOM |
| 322 |
N 000960012264 |
SCREW |
|
Repalced by: N 308765012003
|
| 322 |
N 308765012003 |
SCREW |
|
|
STAY TO BRACKET,TOP AND BOTTOM |
| 323 |
N 910113012002 |
NUT |
|
|
STAY TO BRACKET,TOP AND BOTTOM |
| 324 |
A 6255000017 |
PROTECTIVE GRILLE |
|
|
FAN DRIVE |
| 325 |
A 6255000417 |
PROTECTIVE GRILLE |
|
|
FAN DRIVE |
| 326 |
N 000933008153 |
SCREW |
|
Repalced by: N 304017008034
|
| 326 |
N 304017008034 |
SCREW |
|
|
PROTECTIVE GRILLE TO BASE FRAME |
| 326 |
N 000933008147 |
SCREW |
|
Repalced by: N 304017008021
|
| 326 |
N 304017008021 |
SCREW |
|
|
PROTECTIVE GRILLE TO BASE FRAME |
| 327 |
N 912004008102 |
LOCK WASHER |
|
|
PROTECTIVE GRILLE TO BASE FRAME |
| 328 |
N 009021008205 |
WASHER |
|
Repalced by: N 009021008213
|
| 328 |
N 009021008213 |
WASHER |
|
|
PROTECTIVE GRILLE TO BASE FRAME |
| 330 |
A 4231550003 |
DRIVE SHAFT |
|
|
(PROPELLER SHAFT) |
| 330 |
A 4232060022 |
PROPELLER SHAFT |
| 330 |
A 4232060122 |
PROPELLER SHAFT |
| 330 |
A 4232360015 |
SHAFT |
|
|
(PROPELLER SHAFT) |
| 332 |
A 0002060220 |
PIVOT PIN |
| 333 |
A 0059948541 |
LOCK |
|
|
AS REQUIRED |
|
|
1.50 MM |
| 333 |
A 0059948641 |
LOCK |
|
|
AS REQUIRED |
|
|
1.65 MM |
| 333 |
A 0059948741 |
LOCK |
|
|
AS REQUIRED |
|
|
1.80 MM |
| 334 |
A 3199900601 |
SCREW |
|
|
PROPELLER SHAFT TO P.T.O. AND TO INTERMEDIATE BEARING |
| 334 |
N 000933008177 |
SCREW |
|
Repalced by: N 304017008024
|
| 334 |
N 304017008024 |
SCREW |
|
|
PROPELLER SHAFT TO P.T.O. AND TO AIR COMPRESSOR |
| 334 |
N 304017008024 |
SCREW |
|
|
PROPELLER SHAFT TO P.T.O. AND TO AIR COMPRESSOR |
| 334 |
N 304017008024 |
SCREW |
|
|
PROPELLER SHAFT TO P.T.O. |
| 335 |
N 912004008102 |
LOCK WASHER |
|
|
PROPELLER SHAFT TO P.T.O. AND TO AIR COMPRESSOR |
| 335 |
N 912004008102 |
LOCK WASHER |
|
|
PROPELLER SHAFT TO P.T.O. AND TO HUB |
| 336 |
N 913004008010 |
NUT |
|
|
PROPELLER SHAFT TO P.T.O. AND TO INTERMEDIATE BEARING |
| 336 |
N 000934008013 |
NUT |
|
|
PROPELLER SHAFT TO P.T.O. AND TO HUB |
| 336 |
N 000934008013 |
NUT |
|
|
PROPELLER SHAFT TO P.T.O. AND TO AIR COMPRESSOR |
| 337 |
A 4231500007 |
BEARING HOUSING |
| 338 |
A 4232000720 |
BEARING HOUSING |
| 339 |
A 4232060005 |
BEARING BODY |
|
|
INTERMEDIATE BEARING |
| 339 |
A 4232060005 |
BEARING BODY |
|
|
INTERMEDIATE BEARING |
| 340 |
N 071412008101 |
GREASE NIPPLE |
|
Repalced by: N 071412008102
|
| 340 |
N 071412008102 |
GREASE NIPPLE |
| 340 |
N 071412008102 |
GREASE NIPPLE |
| 341 |
A 4232060153 |
SPACER TUBE |
|
|
42X5.5 |
| 341 |
A 4232060153 |
SPACER TUBE |
|
|
42X5.5 |
| 342 |
N 000472062000 |
LOCK RING |
|
Repalced by: A 0039945241
|
| 342 |
A 0039945241 |
LOCK |
| 342 |
A 0039945241 |
LOCK |
| 343 |
N 000625006306 |
GROOVED BALL BEARING |
| 343 |
N 000625006306 |
GROOVED BALL BEARING |
| 344 |
N 005412602206 |
CYLINDR. ROLLER BEARING |
| 344 |
N 005412602206 |
CYLINDR. ROLLER BEARING |
| 345 |
A 1202630852 |
SPACER WASHER |
| 345 |
A 1202630852 |
SPACER WASHER |
| 346 |
A 4232060207 |
DRIVE SHAFT |
|
|
M 16 |
| 346 |
A 4232060207 |
DRIVE SHAFT |
|
|
M 16 |
| 347 |
A 0149972447 |
SEAL RING |
|
|
48X62X10 |
| 347 |
A 0149972447 |
SEAL RING |
|
|
48X62X10 |
| 348 |
N 006885008050 |
KEY |
|
|
PROPELLER SHAFT CONNECTION |
| 348 |
N 006885008050 |
KEY |
|
|
PROPELLER SHAFT CONNECTION |
| 348 |
N 006885008019 |
KEY |
|
|
FAN/AIR COMPRESSOR DRIVE |
| 349 |
A 4232060610 |
PULLEY |
|
|
PROPELLER SHAFT CONNECTION |
|
|
28 |
| 349 |
A 4232060610 |
PULLEY |
|
|
PROPELLER SHAFT CONNECTION |
|
|
28 |
| 350 |
A 4232060710 |
PULLEY |
|
|
FAN/AIR COMPRESSOR DRIVE |
|
|
28 |
| 351 |
N 007349017002 |
WASHER |
|
|
PULLEY TO INTERMEDIATE SHAFT |
|
Repalced by: N 007349017003
|
| 351 |
N 007349017003 |
WASHER |
|
|
PULLEY TO INTERMEDIATE SHAFT |
|
A 3523510251 |
SPACER RING |
|
Repalced by: N 007349017002
|
| 352 |
N 007349017002 |
WASHER |
|
|
PULLEY TO INTERMEDIATE SHAFT |
|
Repalced by: N 007349017003
|
| 352 |
N 007349017003 |
WASHER |
|
|
PULLEY TO INTERMEDIATE SHAFT |
| 352 |
N 007349017003 |
WASHER |
|
|
PULLEY TO INTERMEDIATE SHAFT |
| 353 |
N 913004016004 |
NUT |
|
Repalced by: N 910113016002
|
| 353 |
N 910113016002 |
NUT |
|
|
PULLEY TO INTERMEDIATE SHAFT |
| 353 |
N 910113016002 |
NUT |
|
|
PULLEY TO INTERMEDIATE SHAFT |
| 354 |
A 4231550053 |
SPACER TUBE |
| 356 |
N 000933010094 |
SCREW |
|
|
INTERMEDIATE BEARING TO RADIATOR BASE FRAME |
| 356 |
N 000931010282 |
SCREW |
|
|
INTERMEDIATE BEARING TO RADIATOR BASE FRAME |
| 357 |
N 912004010102 |
LOCK WASHER |
|
|
INTERMEDIATE BEARING TO RADIATOR BASE FRAME |
|
A 0051543402 |
ALTERNATOR |
|
Repalced by: A 0071542702
|
| 358 |
A 0071542702 |
ALTERNATOR |
|
Repalced by: A 0091540702
|
| 358 |
A 0091540702 |
ALTERNATOR |
|
|
N1 28V 10/55A |
|
A 0019900520 |
SCREW |
|
Repalced by: A 0019902120
|
| 359 |
A 0019902120 |
SCREW |
|
Repalced by: A 0009909621
|
| 359 |
A 0009909621 |
SCREW |
| 360 |
N 000625900184 |
GROOVED BALL BEARING |
|
|
TO 005 154 34 02 |
| 360 |
A 0059811925 |
BALL BEARING |
|
Repalced by: A 0079816625
|
| 360 |
A 0079816625 |
BALL BEARING |
|
|
TO 007 154 27 02; 009 154 07 02 |
| 361 |
A 0029819025 |
BALL BEARING |
|
|
TO 005 154 34 02 |
| 361 |
A 0059812025 |
BALL BEARING |
|
Repalced by: A 0089811225
|
| 361 |
A 0089811225 |
BALL BEARING |
|
|
TO 007 154 27 02; 009 154 07 02 |
| 362 |
A 0049976548 |
SEAL RING |
|
|
TO 005 154 34 02 |
| 362 |
A 0001540157 |
RING |
|
|
TO 007 154 27 02 |
| 363 |
A 0001543316 |
RECTIFIER |
|
Repalced by: A 0001544716
|
| 363 |
A 0001544716 |
RECTIFIER |
|
Repalced by: A 0011541516
|
| 363 |
A 0011541516 |
RECTIFIER |
|
Repalced by: A 0011542716
|
| 363 |
A 0011542716 |
RECTIFIER |
|
|
TO 005 154 34 02 |
| 363 |
A 0001547316 |
RECTIFIER |
|
Repalced by: A 0011541116
|
| 363 |
A 0011540716 |
RECTIFIER |
|
Repalced by: A 0011541616
|
| 363 |
A 0011541616 |
RECTIFIER |
|
Repalced by: A 0011542116
|
| 363 |
A 0011541116 |
RECTIFIER |
|
Repalced by: A 0011542116
|
| 363 |
A 0011542116 |
RECTIFIER |
| 364 |
N 007985004151 |
SCREW |
|
|
M 4X25 |
| 365 |
A 0001540580 |
GASKET |
|
|
TO 005 154 34 02 |
| 366 |
A 0021543906 |
REGULATOR AND CUT-OUT |
|
|
TO 005 154 34 02 |
| 366 |
A 0021546706 |
REGULATOR AND CUT-OUT |
|
Repalced by: A 0001541705
|
| 366 |
A 0001541705 |
REGULATOR |
|
|
TO 007 154 27 02 |
| 366 |
A 0001541705 |
REGULATOR |
|
|
TO 009 154 07 02 |
| 367 |
N 007985004148 |
SCREW |
|
Repalced by: N 007985004130
|
| 367 |
N 007985004130 |
SCREW |
|
|
REGULATOR MOUNTING |
|
|
TO 005 154 34 02;007 154 27 02 |
| 367 |
A 0009907521 |
SCREW |
|
|
REGULATOR MOUNTING |
|
|
TO 009 154 07 02 |
| 368 |
A 0001546314 |
CARBON BRUSH SET |
|
|
TO 005 154 34 02 |
| 368 |
A 0001547114 |
CARBON BRUSH SET |
|
|
TO 007 154 27 02 |
| 368 |
A 0001549414 |
CARBON BRUSH SET |
|
Repalced by: A 0001548114
|
| 368 |
A 0001548114 |
CARBON BRUSH SET |
|
|
TO 009 154 07 02 |
| 369 |
A 0001541993 |
SPRING |
| 370 |
A 0011566701 |
CONDENSER |
| 371 |
A 0001500472 |
REPAIR KIT |
|
|
(PARTS KT),ROTOR |
|
|
TO 005 154 34 02 |
| 371 |
A 0001501472 |
REPAIR KIT |
|
|
(PARTS KT),ROTOR |
|
|
TO 007 154 27 02;009 154 07 02 |
| 372 |
N 006888004012 |
WOODRUFF KEY |
|
|
FAN TO ALTERNATOR |
|
|
TO 005 154 34 02;009 154 07 02 |
| 373 |
N 912004014100 |
LOCK WASHER |
|
|
PULLEY TO ALTERNATOR |
|
|
TO 005 154 34 02;009 154 07 02 |
| 374 |
N 000936014010 |
NUT |
|
Repalced by: N 308675014000
|
| 374 |
N 308675014000 |
NUT |
|
Repalced by: N 308675014002
|
| 374 |
N 308675014002 |
NUT |
|
|
PULLEY TO ALTERNATOR |
|
|
TO 005 154 34 02;009 154 07 02 |
| 375 |
A 0001557818 |
FAN |
|
|
ALTERNATOR |
| 376 |
A 4231550015 |
PULLEY |
|
|
ALTERNATOR |
| 376 |
A 4231550015 |
PULLEY |
|
|
ALTERNATOR |
| 377 |
A 4232060910 |
PULLEY |
|
|
ALTERNATOR |
| 378 |
A 4231500070 |
SUPPORT |
|
|
BEARING HOUSING AND ALTERNATOR |
| 379 |
A 4231550227 |
BRACKET |
|
|
SUPPORT,LEFT |
| 380 |
A 4231550427 |
BRACKET |
|
|
SUPPORT,RIGHT |
| 381 |
N 000961012092 |
SCREW |
|
Repalced by: N 000961012025
|
| 381 |
N 000961012025 |
SCREW |
|
|
BRACKET TO SIDE MEMBER |
| 382 |
N 910113012002 |
NUT |
|
|
BRACKET TO SIDE MEMBER |
| 383 |
A 6205040112 |
RUBBER MOUNTING |
| 384 |
N 000933010164 |
SCREW |
|
|
RUBBER MOUNTING TO BRACKET |
| 385 |
N 912004010102 |
LOCK WASHER |
|
|
RUBBER MOUNTING TO BRACKET |
| 386 |
N 000933010157 |
SCREW |
|
|
RUBBER MOUNTING TO SUPPORT |
| 387 |
N 912004010102 |
LOCK WASHER |
|
|
RUBBER MOUNTING TO SUPPORT |
| 388 |
N 007349010003 |
WASHER |
|
Repalced by: N 007349010007
|
| 388 |
N 007349010007 |
WASHER |
|
|
RUBBER MOUNTING TO SUPPORT |
| 389 |
A 4231550026 |
PROTECTIVE PLATE |
| 390 |
N 000933010238 |
SCREW |
|
Repalced by: N 304017010028
|
| 390 |
N 304017010028 |
HEXAGON HEAD BOLT |
|
|
PROTECTION PLATE TO SUPPORT |
| 391 |
N 009021010202 |
WASHER |
|
Repalced by: N 009021010209
|
| 391 |
N 009021010209 |
WASHER |
|
|
PROTECTION PLATE TO SUPPORT |
| 392 |
N 913004010008 |
NUT |
|
Repalced by: N 910113010000
|
| 392 |
N 910113010000 |
NUT |
|
|
PROTECTION PLATE TO SUPPORT |
| 393 |
A 6255400473 |
BRACKET |
|
|
ALTERNATOR |
| 393 |
A 6255400473 |
BRACKET |
|
|
ALTERNATOR |
|
A 6255400273 |
BRACKET |
|
Repalced by: A 6255400473
|
| 394 |
N 000933010105 |
SCREW |
|
|
BRACKET TO SUPPORT |
| 394 |
N 000931010268 |
SCREW |
|
Repalced by: N 304017010050
|
| 394 |
N 304017010050 |
SCREW |
|
|
BRACKET TO FRAME |
| 395 |
N 000625900184 |
GROOVED BALL BEARING |
|
|
BRACKET TO SUPPORT |
| 396 |
N 913004010008 |
NUT |
|
Repalced by: N 910113010000
|
| 396 |
N 910113010000 |
NUT |
|
|
BRACKET TO SUPPORT |
| 396 |
N 910113010000 |
NUT |
|
|
BRACKET TO FRAME |
| 397 |
N 000931010233 |
SCREW |
|
|
ALTERNATOR TO BRACKET |
|
|
M 10X105 |
| 397 |
N 000931010233 |
SCREW |
|
|
ALTERNATOR TO BRACKET |
|
|
M 10X105 |
| 397 |
N 000931010158 |
SCREW |
|
|
ALTERNATOR TO BRACKET |
|
|
M 10X115 |
| 397 |
N 000931010158 |
SCREW |
|
|
ALTERNATOR TO BRACKET |
|
|
M 10X115 |
| 398 |
N 913004010008 |
NUT |
|
Repalced by: N 910113010000
|
| 398 |
N 910113010000 |
NUT |
|
|
ALTERNATOR TO BRACKET |
| 399 |
A 4231550147 |
ROD |
|
|
(CLAMPING SHACKLE) |
| 400 |
A 6259960331 |
ROD |
|
|
(CLAMPING SHACKLE) |
| 400 |
A 6259960331 |
ROD |
|
|
(CLAMPING SHACKLE) |
|
A 6259960231 |
ROD |
|
Repalced by: A 6259960131
|
| 400 |
A 6259960031 |
ROD |
|
|
(CLAMPING SHACKLE) |
| 401 |
N 000439016203 |
NUT |
|
|
TO 009 154 07 02 |
| 402 |
N 000960012230 |
SCREW |
|
|
CLAMPING SHACKLE TO ALTERNATOR |
| 402 |
N 000960012342 |
SCREW |
|
Repalced by: N 308676012015
|
| 402 |
N 308676012015 |
SCREW |
|
|
CLAMPING SHACKLE TO ALTERNATOR |
| 402 |
N 000960012246 |
SCREW |
|
Repalced by: N 000960012353
|
| 402 |
N 000960012353 |
SCREW |
|
|
CLAMPING SHACKLE TO ALTERNATOR |
| 403 |
N 910113012002 |
NUT |
|
|
CLAMPING SHACKLE TO ALTERNATOR |
| 403 |
N 910113012002 |
NUT |
|
|
CLAMPING SHACKLE TO ALTERNATOR |
| 404 |
A 4212060072 |
NUT |
|
|
CLAMPING SHACKLE TO ALTERNATOR |
| 404 |
A 4212060072 |
NUT |
|
|
CLAMPING SHACKLE TO ALTERNATOR |
|
A 3661320028 |
CLAMPING PIECE |
|
Repalced by: A 4212060034
|
| 405 |
A 4212060034 |
CLAMPING PIECE |
|
|
CLAMPING SHACKLE TO ALTERNATOR |
| 405 |
A 4212060034 |
CLAMPING PIECE |
|
|
CLAMPING SHACKLE TO ALTERNATOR |
| 406 |
A 6259920301 |
BUSHING |
|
|
CLAMPING SHACKLE TO SUPPORT |
| 406 |
A 6259920401 |
BUSHING |
|
|
CLAMPING SHACKLE TO SUPPORT |
| 407 |
N 308676012039 |
SCREW |
|
|
CLAMPING SHACKLE TO ALTERNATOR |
| 407 |
N 000960016171 |
SCREW |
|
|
CLAMPING SHACKLE TO SUPPORT |
| 407 |
N 000960016140 |
SCREW |
|
Repalced by: N 000960016206
|
| 407 |
N 000960016206 |
SCREW |
|
|
CLAMPING SHACKLE TO SUPPORT |
| 407 |
N 000960012246 |
SCREW |
|
Repalced by: N 000960012353
|
| 407 |
N 000960012353 |
SCREW |
|
|
CLAMPING SHACKLE TO SUPPORT |
| 408 |
N 910113012002 |
NUT |
|
|
CLAMPING SHACKLE TO ALTERNATOR |
| 408 |
N 910113012002 |
NUT |
|
|
CLAMPING SHACKLE TO SUPPORT |
| 408 |
N 913004016004 |
NUT |
|
Repalced by: N 910113016002
|
| 408 |
N 910113016002 |
NUT |
|
|
CLAMPING SHACKLE TO SUPPORT |
| 408 |
N 910113016002 |
NUT |
|
|
CLAMPING SHACKLE TO SUPPORT |
| 409 |
A 3521550272 |
NUT |
|
|
CLAMPING SHACKLE TO SUPPORT |
| 409 |
A 3521550272 |
NUT |
|
|
CLAMPING SHACKLE TO SUPPORT |
| 410 |
A 3141550528 |
CLAMPING PIECE |
|
Repalced by: A 3641550028
|
| 410 |
A 3641550028 |
CLAMPING PIECE |
|
|
CLAMPING SHACKLE TO SUPPORT |
| 410 |
A 3641550028 |
CLAMPING PIECE |
|
|
CLAMPING SHACKLE TO SUPPORT |
| 411 |
N 000960012197 |
SCREW |
|
Repalced by: N 000960012384
|
| 411 |
N 000960012384 |
SCREW |
|
|
CLAMPING SHACKLE TO SUPPORT |
| 412 |
A 3521440153 |
SPACER TUBE |
|
|
CLAMPING SHACKLE TO SUPPORT |
| 413 |
N 910113012002 |
NUT |
|
|
CLAMPING SHACKLE TO SUPPORT |
| 414 |
A 0031318501 |
COMPRESSOR |
| 415 |
A 0001314416 |
CRANKSHAFT |
| 416 |
A 0001310133 |
BEARING SHELL |
|
Repalced by: A 0001311633
|
| 416 |
A 0001311633 |
BEARING SHELL |
| 417 |
N 006888005006 |
WOODRUFF KEY |
|
A 0029976447 |
SEAL RING |
|
Repalced by: A 0159972947
|
| 418 |
A 0159972947 |
SEAL RING |
| 419 |
A 0119976248 |
SEAL RING |
| 420 |
N 000439018203 |
NUT |
|
Repalced by: N 308675018002
|
| 420 |
N 308675018002 |
NUT |
| 421 |
N 912004018101 |
LOCK WASHER |
| 422 |
A 0001312508 |
SPRING |
|
|
BOTTOM |
| 423 |
A 0001312408 |
SPRING |
|
|
TOP |
| 424 |
A 0001315311 |
PISTON RING |
|
|
BOTTOM |
| 425 |
A 0001315211 |
PISTON RING |
|
|
TOP |
| 426 |
A 0001313150 |
BUSHING |
|
|
CRANKSHAFT |
|
A 0011310380 |
GASKET |
|
Repalced by: A 0011315280
|
| 427 |
A 0011315280 |
GASKET |
|
|
COVER TO CYLINDER CRANKCASE |
| 428 |
N 000908010004 |
SCREW PLUG |
|
Repalced by: N 000000000648
|
| 428 |
N 000000000648 |
SCREW PLUG, FILLING |
| 429 |
N 007603010100 |
SEAL RING |
| 430 |
A 0001312919 |
CYLINDER HEAD |
|
Repalced by: A 0031318501
|
| 430 |
A 0031318501 |
COMPRESSOR |
| 431 |
A 0001305720 |
VALVE |
|
|
REPAIR KIT |
| 432 |
N 000908026005 |
SCREW PLUG |
|
Repalced by: N 000908026008
|
| 432 |
N 000908026008 |
SCREW PLUG |
|
Repalced by: A 0009973532
|
| 432 |
A 0009973532 |
SCREW PLUG |
|
|
CYLINDER HEAD |
| 433 |
N 007603026104 |
SEAL RING |
|
|
CYLINDER HEAD |
|
A 0001311579 |
GASKET |
|
Repalced by: A 0011315380
|
| 434 |
A 0011315380 |
GASKET |
| 435 |
A 4231310110 |
PULLEY |
|
|
AIR COMPRESSOR |
| 436 |
A 4232061010 |
PULLEY |
|
|
AIR COMPRESSOR |
| 437 |
A 4231300240 |
BRACKET |
|
|
AIR COMPRESSOR |
| 438 |
A 6255002431 |
BRACKET |
|
|
AIR COMPRESSOR |
| 439 |
N 000933008160 |
SCREW |
|
Repalced by: N 304017008040
|
| 439 |
N 304017008040 |
SCREW |
|
Repalced by: N 910105008010
|
| 439 |
N 910105008010 |
SCREW |
|
Repalced by: N 910143008005
|
| 439 |
N 910143008005 |
SCREW |
|
|
AIR COMPRESSOR TO BRACKET |
|
|
M 8X40 |
| 440 |
N 000931008314 |
SCREW |
|
|
AIR COMPRESSOR TO BRACKET |
|
|
M 8X45 |
| 441 |
N 912004008102 |
LOCK WASHER |
|
|
AIR COMPRESSOR TO BRACKET |
| 442 |
N 007349008003 |
WASHER |
|
|
AIR COMPRESSOR TO BRACKET |
| 443 |
N 910113008001 |
NUT |
|
|
AIR COMPRESSOR TO BRACKET |
| 444 |
N 000933010328 |
SCREW |
|
|
TENSION READJUSTMENT |
| 445 |
N 000439010101 |
NUT |
|
|
TENSION READJUSTMENT |
| 446 |
N 000933008153 |
SCREW |
|
Repalced by: N 304017008034
|
| 446 |
N 304017008034 |
SCREW |
|
|
BRACKET TO BASE FRAME |
| 447 |
N 913004008004 |
NUT |
|
Repalced by: N 913004008001
|
| 447 |
N 913004008001 |
NUT |
|
|
BRACKET TO BASE FRAME |
| 448 |
A 4231300127 |
LEVER |
|
|
AIR COMPRESSOR DRIVE |
| 449 |
A 4232060019 |
TIGHTENER PULLEY |
|
|
AIR COMPRESSOR DRIVE |
| 450 |
N 000625406205 |
GROOVED BALL BEARING |
|
|
TIGHTENER PULLEY |
| 451 |
N 000472052001 |
LOCK RING |
|
Repalced by: N 000472052000
|
| 451 |
N 000472052000 |
LOCK RING |
|
|
TIGHTENER PULLEY |
| 452 |
A 4231320013 |
HUB |
|
|
TIGHTENER PULLEY |
| 453 |
N 000961012079 |
SCREW |
|
Repalced by: N 308676012032
|
| 453 |
N 308676012032 |
SCREW |
|
|
TIGHTENER PULLEY |
| 453 |
N 308676012032 |
SCREW |
|
|
CLAMPING LEVER TO SUPPORT |
| 454 |
N 912004012100 |
LOCK WASHER |
|
|
TIGHTENER PULLEY |
| 455 |
A 1362240166 |
ADJUSTING WASHER |
|
|
CLAMPING LEVER TO SUPPORT |
| 456 |
A 1362240366 |
ADJUSTING WASHER |
|
|
CLAMPING LEVER TO SUPPORT |
| 457 |
N 910113012002 |
NUT |
|
|
CLAMPING LEVER TO SUPPORT |
| 458 |
A 4231550547 |
ROD |
|
|
TIGHTENER PULLEY |
| 459 |
N 000961012097 |
SCREW |
|
Repalced by: N 308676012026
|
| 459 |
N 308676012026 |
SCREW |
| 460 |
N 912004012100 |
LOCK WASHER |
| 461 |
A 3141550528 |
CLAMPING PIECE |
|
Repalced by: A 3641550028
|
| 461 |
A 3641550028 |
CLAMPING PIECE |
| 462 |
A 3521550272 |
NUT |
| 463 |
N 000961012107 |
SCREW |
|
Repalced by: N 308676012011
|
| 463 |
N 308676012011 |
SCREW |
| 464 |
N 912004012100 |
LOCK WASHER |
| 465 |
A 0004290527 |
THRUST RING |
|
|
SUCTION LINE TO AIR COMPRESSOR |
| 466 |
A 0039973848 |
SEAL RING |
|
|
SUCTION LINE TO AIR COMPRESSOR |
| 467 |
N 074305026202 |
NUT |
|
|
SUCTION LINE TO AIR COMPRESSOR |
| 468 |
A 0004294338 |
ELBOW FITTING |
|
|
SUCTION LINE TO AIR COMPRESSOR |
| 469 |
N 915045012100 |
SEAL RING |
|
Repalced by: N 007603012121
|
| 469 |
N 007603012121 |
SEAL RING |
|
|
SUCTION LINE TO AIR COMPRESSOR |
| 470 |
A 4231340056 |
FITTING |
|
|
SUCTION LINE TO AIR COMPRESSOR |
|
A 6259970182 |
HOSE |
|
Repalced by: A 4969970082
|
| 471 |
A 4969970082 |
HOSE |
|
|
SUCTION LINE TO AIR COMPRESSOR |
| 472 |
N 916017020000 |
CLAMP |
|
Repalced by: N 000000000667
|
| 472 |
N 000000000667 |
CLAMP |
|
|
SUCTION LINE TO AIR COMPRESSOR |
| 473 |
N 916016028204 |
CLAMP |
|
|
SUCTION LINE TO AIR COMPRESSOR |
| 474 |
N 000933005075 |
SCREW |
|
Repalced by: N 304017005002
|
| 474 |
N 304017005002 |
SCREW |
|
|
SUCTION LINE TO AIR COMPRESSOR |
| 475 |
N 912004005103 |
LOCK WASHER |
|
|
SUCTION LINE TO AIR COMPRESSOR |
| 476 |
N 913004005001 |
NUT |
|
|
SUCTION LINE TO AIR COMPRESSOR |
| 477 |
N 007603022102 |
SEAL RING |
|
|
RETURN LINE TO AIR COMPRESSOR |
| 478 |
N 915036018204 |
HOLLOW SCREW |
|
|
RETURN LINE TO AIR COMPRESSOR |
| 479 |
N 007603010103 |
SEAL RING |
|
Repalced by: N 007603010110
|
| 479 |
N 007603010110 |
SEAL RING |
|
|
AIR COMPRESSOR FEED LINE |
| 480 |
N 915036006202 |
HOLLOW SCREW |
|
|
AIR COMPRESSOR FEED LINE |
| 481 |
A 4231800027 |
OIL LINE |
|
Repalced by: A 0005516456
|
| 481 |
A 0005516456 |
TUBE |
|
|
RETURN FROM AIR COMPRESSOR |
|
A 4231800327 |
OIL LINE |
|
Repalced by: A 4231801420
|
| 481 |
A 4231801420 |
OIL LINE |
|
|
RETURN FROM AIR COMPRESSOR |
| 482 |
N 003861018003 |
GLAND |
|
Repalced by: A 0019901167
|
| 482 |
A 0019901167 |
SEAL CONE |
| 483 |
N 915017018100 |
UNION NUT |
| 484 |
N 900274016107 |
HOSE LINE |
|
|
RETURN FROM AIR COMPRESSOR |
|
A 4231880040 |
BRACKET |
|
Repalced by: A 3013010084
|
| 485 |
A 3013010084 |
SHIM |
|
|
RETURN LINE TO CONVERTER LOCK-UP COUPLING |
| 486 |
A 3609951501 |
CLAMP |
|
Repalced by: A 3609950601
|
| 486 |
A 3609950601 |
CLAMP |
|
|
OIL LINE TO BRACKET |
| 487 |
N 000933008147 |
SCREW |
|
Repalced by: N 304017008021
|
| 487 |
N 304017008021 |
SCREW |
|
|
OIL LINE TO BRACKET |
| 488 |
N 912004008102 |
LOCK WASHER |
|
|
OIL LINE TO BRACKET |
| 489 |
A 4231870282 |
HOSE |
|
|
AIR COMPRESSOR FEED LINE |
| 489 |
A 4231800082 |
HOSE |
|
|
AIR COMPRESSOR FEED LINE |
| 490 |
N 003861006007 |
GLAND |
|
Repalced by: A 0019901667
|
| 490 |
A 0019901667 |
SEAL CONE |
| 491 |
N 915017006100 |
UNION NUT |
|
A 3524292240 |
BRACKET |
|
Repalced by: A 3974290140
|
|
A 3974290140 |
BRACKET |
|
Repalced by: A 6205243040
|
| 492 |
A 6205243040 |
BRACKET |
|
|
FEED LINE TO CONVERTER LOCK-UP COUPLING |
| 493 |
N 000961012122 |
SCREW |
|
|
FEED LINE TO CONVERTER LOCK-UP COUPLING |
| 494 |
N 910113012002 |
NUT |
|
|
FEED LINE TO CONVERTER LOCK-UP COUPLING |
| 495 |
N 916016015202 |
CLAMP |
|
|
OIL LINE TO BRACKET |
| 496 |
N 000933006121 |
SCREW |
|
Repalced by: N 304017006020
|
| 496 |
N 304017006020 |
SCREW |
|
|
OIL LINE TO BRACKET |
| 497 |
N 913004006002 |
NUT |
|
Repalced by: N 913004006001
|
| 497 |
N 913004006001 |
NUT |
|
|
OIL LINE TO BRACKET |
| 498 |
A 4232050005 |
BEARING BODY |
|
|
FAN |
| 499 |
N 071412008101 |
GREASE NIPPLE |
|
Repalced by: N 071412008102
|
| 499 |
N 071412008102 |
GREASE NIPPLE |
|
|
BEARING BODY |
| 500 |
A 4232050053 |
SPACER TUBE |
|
|
BEARING BODY |
| 501 |
N 000472062000 |
LOCK RING |
|
Repalced by: A 0039945241
|
| 501 |
A 0039945241 |
LOCK |
|
|
BEARING BODY |
| 502 |
N 000625006305 |
GROOVED BALL BEARING |
|
|
BEARING BODY |
| 503 |
A 4232050002 |
FAN SHAFT |
|
|
BEARING BODY |
| 504 |
A 4232060044 |
RACE |
|
|
BEARING BODY |
| 505 |
A 0119979747 |
SEAL RING |
|
Repalced by: A 6999970547
|
| 505 |
A 6999970547 |
SEAL RING |
|
|
BEARING BODY |
| 506 |
N 006888005012 |
WOODRUFF KEY |
|
|
BEARING BODY |
| 507 |
A 4232060510 |
PULLEY |
|
|
FAN |
| 508 |
A 4232050104 |
HUB |
|
|
FAN |
| 509 |
N 007349015003 |
WASHER |
|
|
PULLEY AND HUB TO SHAFT |
| 510 |
N 913004014002 |
NUT |
|
Repalced by: N 910113014001
|
| 510 |
N 910113014001 |
NUT |
|
|
PULLEY AND HUB TO SHAFT |
| 511 |
N 000960014138 |
SCREW |
|
Repalced by: N 000961014084
|
| 511 |
N 000961014084 |
SCREW |
|
Repalced by: N 000961014148
|
| 511 |
N 000961014148 |
SCREW |
|
|
BEARING BODY TO SUPPORT |
| 512 |
N 913004014002 |
NUT |
|
Repalced by: N 910113014001
|
| 512 |
N 910113014001 |
NUT |
|
|
BEARING BODY TO SUPPORT |
|
A 4232000023 |
FAN |
|
Repalced by: A 4232000123
|
| 513 |
A 4232000123 |
FAN |
|
|
POWER SAVER FAN |
| 514 |
A 0022051306 |
FAN |
|
|
POWER SAVER FAN |
|
A 0039812725 |
BALL BEARING |
|
Repalced by: A 0049810525
|
| 515 |
A 0049810525 |
BALL BEARING |
| 516 |
A 0002060351 |
SPACER RING |
| 517 |
A 0002050073 |
LOCK |
|
|
AS REQUIRED |
| 517 |
A 0002050173 |
LOCK |
|
|
AS REQUIRED |
| 517 |
A 0002050273 |
LOCK |
|
|
AS REQUIRED |
| 517 |
A 0002050373 |
LOCK |
|
|
AS REQUIRED |
| 518 |
A 0002060160 |
SEAL RING |
| 519 |
A 0002060628 |
PRIMARY CUP |
| 520 |
A 0009907420 |
SCREW |
| 521 |
A 0002060580 |
GASKET |
|
A 0002060380 |
GASKET |
|
|
SHIM TO COVER |
| 523 |
A 0002062803 |
COVER |
| 524 |
N 000912006040 |
SCREW |
| 525 |
A 0039979340 |
SEAL RING |
| 526 |
A 0002000072 |
CLAMPING PIECE |
| 527 |
A 0002061245 |
FLANGE |
|
A 0005831935 |
RECEPTACLE |
|
|
SILICONE GREASE; FILLING QUANTITY: |
|
|
52 CCM |
| 529 |
N 000933008147 |
SCREW |
|
Repalced by: N 304017008021
|
| 529 |
N 304017008021 |
SCREW |
|
|
FAN TO HUB |
| 530 |
N 913004008004 |
NUT |
|
Repalced by: N 913004008001
|
| 530 |
N 913004008001 |
NUT |
|
|
FAN TO HUB |
| 531 |
A 4232050242 |
PLATE |
|
|
FAN BEARING |
| 532 |
N 000933010076 |
SCREW |
|
|
FAN BEARING PLATE TO SUPPORT |
| 533 |
A 3409900240 |
WASHER |
|
|
FAN BEARING PLATE TO SUPPORT |
| 534 |
N 913004010008 |
NUT |
|
Repalced by: N 910113010000
|
| 534 |
N 910113010000 |
NUT |
|
|
FAN BEARING PLATE TO SUPPORT |
| 535 |
A 0002002222 |
MAGNETIC COUPLING |
|
|
FAN |
| 536 |
N 000933010157 |
SCREW |
|
|
MAGNETIC COUPLING TO PLATE |
| 536 |
N 000933006122 |
SCREW |
|
Repalced by: N 304017006034
|
| 536 |
N 304017006034 |
SCREW |
|
|
MAGNETIC COUPLING TO PLATE |
| 537 |
N 912004010102 |
LOCK WASHER |
|
|
MAGNETIC COUPLING TO PLATE |
| 537 |
N 912004006102 |
LOCK WASHER |
|
|
MAGNETIC COUPLING TO PLATE |
| 538 |
A 0022050306 |
FAN |
|
Repalced by: A 0022059306
|
| 538 |
A 0022059306 |
FAN |
| 539 |
N 000933008152 |
SCREW |
|
Repalced by: N 304017008027
|
| 539 |
N 304017008027 |
SCREW |
|
|
FAN TO MAGNETIC COUPLING |
| 540 |
N 000137008204 |
SPRING WASHER |
|
Repalced by: N 000137008212
|
| 540 |
N 000137008212 |
SPRING WASHER |
|
|
FAN TO MAGNETIC COUPLING |
| 541 |
A 4231300027 |
LEVER |
|
|
FAN DRIVE |
| 542 |
A 4232060019 |
TIGHTENER PULLEY |
|
|
FAN DRIVE |
| 543 |
N 000625406205 |
GROOVED BALL BEARING |
|
|
TIGHTENER PULLEY |
| 544 |
N 000472052001 |
LOCK RING |
|
Repalced by: N 000472052000
|
| 544 |
N 000472052000 |
LOCK RING |
|
|
TIGHTENER PULLEY |
| 545 |
A 4231320013 |
HUB |
|
|
TIGHTENER PULLEY |
| 546 |
N 000961012079 |
SCREW |
|
Repalced by: N 308676012032
|
| 546 |
N 308676012032 |
SCREW |
|
|
TIGHTENER PULLEY |
| 547 |
N 912004012100 |
LOCK WASHER |
|
|
TIGHTENER PULLEY |
| 548 |
N 000960012331 |
SCREW |
|
|
CLAMPING LEVER TO SUPPORT |
| 549 |
A 1362240166 |
ADJUSTING WASHER |
|
|
CLAMPING LEVER TO SUPPORT |
| 550 |
A 1362240366 |
ADJUSTING WASHER |
|
|
CLAMPING LEVER TO SUPPORT |
| 551 |
N 910113012002 |
NUT |
|
|
CLAMPING LEVER TO SUPPORT |
| 552 |
A 4231550547 |
ROD |
| 553 |
N 000961012107 |
SCREW |
|
Repalced by: N 308676012011
|
| 553 |
N 308676012011 |
SCREW |
| 554 |
N 910113012002 |
NUT |
| 555 |
A 3141550528 |
CLAMPING PIECE |
|
Repalced by: A 3641550028
|
| 555 |
A 3641550028 |
CLAMPING PIECE |
| 556 |
A 3521550272 |
NUT |
| 557 |
N 000960012153 |
SCREW |
| 558 |
N 910113012002 |
NUT |
| 559 |
A 4231300160 |
PULLEY |
|
A 4232060119 |
TIGHTENER PULLEY |
| 560 |
N 000625406205 |
GROOVED BALL BEARING |
|
|
TIGHTENER PULLEY |
| 561 |
A 4231320213 |
HUB |
|
|
TIGHTENER PULLEY |
| 562 |
N 000472052001 |
LOCK RING |
|
Repalced by: N 000472052000
|
| 562 |
N 000472052000 |
LOCK RING |
|
|
TIGHTENER PULLEY |
| 563 |
N 000471025002 |
LOCK RING |
|
|
TIGHTENER PULLEY |
| 564 |
A 6254660071 |
SCREW |
|
|
TIGHTENER PULLEY TO SUPPORT |
| 565 |
A 4231320076 |
WASHER |
|
|
TIGHTENER PULLEY TO SUPPORT |
| 566 |
A 1362240166 |
ADJUSTING WASHER |
|
|
TIGHTENER PULLEY TO SUPPORT |
| 567 |
N 913004010011 |
NUT |
|
|
TIGHTENER PULLEY TO SUPPORT |
| 568 |
A 0039975092 |
V-BELT |
|
|
ALTERNATOR |
|
|
12.5X1000 MM |
| 568 |
A 0039975092 |
V-BELT |
|
|
ALTERNATOR |
|
|
12.5X1000 MM |
| 569 |
A 0059972492 |
V-BELT |
|
|
AIR COMPRESSOR DRIVE |
|
|
12.5X1525 |
|
Y YYYYYYYYYYYY |
PART NAME MISSING |
|
|
SET = 2 PIECES |
| 570 |
A 0079970792 |
V-BELT |
|
|
FAN DRIVE |
|
|
12.5X1825 |
|
Y YYYYYYYYYYYY |
PART NAME MISSING |
|
|
SET = 2 PIECES |
| 571 |
A 0089975692 |
V-BELT |
|
|
FAN DRIVE |
|
Y YYYYYYYYYYYY |
PART NAME MISSING |
|
|
SET = 2 PIECES |
| 572 |
A 6255000003 |
RADIATOR |
|
|
WATER |
| 573 |
N 007603014405 |
SEAL RING |
|
A 0019973230 |
SCREW PLUG |
|
Repalced by: N 007604014101
|
| 574 |
N 007604014101 |
SCREW PLUG |
| 575 |
A 0015012601 |
RADIATOR |
|
Repalced by: A 0015014201
|
| 575 |
A 0015014201 |
RADIATOR |
|
|
WATER |
| 576 |
A 6255010001 |
RADIATOR |
|
|
(OIL COOLER),ON RADIATOR |
| 577 |
N 007603014400 |
SEAL RING |
| 578 |
N 000908014001 |
SCREW PLUG |
|
Repalced by: N 000908014009
|
| 578 |
N 000908014009 |
SCREW PLUG |
| 579 |
A 0015012501 |
RADIATOR |
|
|
(OIL COOLER),ON RADIATOR |
| 580 |
N 000933008147 |
SCREW |
|
Repalced by: N 304017008021
|
| 580 |
N 304017008021 |
SCREW |
|
|
OIL COOLER TO RADIATOR |
| 581 |
N 912004008102 |
LOCK WASHER |
|
|
OIL COOLER TO RADIATOR |
| 582 |
A 3409900440 |
WASHER |
|
|
OIL COOLER TO RADIATOR |
| 583 |
A 6255040246 |
CLAMP |
|
|
OIL COOLER TO RADIATOR |
| 584 |
A 6255001731 |
BRACKET |
|
|
OIL COOLER TO RADIATOR |
| 585 |
A 6205040112 |
RUBBER MOUNTING |
|
|
RADIATOR TO SUPPORT |
| 585 |
A 3875040012 |
RUBBER MOUNTING |
|
|
RADIATOR TO SUPPORT |
| 585 |
A 3875040012 |
RUBBER MOUNTING |
|
|
FAN DRIVE TO SUPPORT |
| 586 |
A 3875040112 |
RUBBER MOUNTING |
|
|
RADIATOR TO SUPPORT |
| 587 |
N 000933010198 |
SCREW |
|
|
RUBBER MOUNTING TO SUPPORT |
| 587 |
N 000933010238 |
SCREW |
|
Repalced by: N 304017010028
|
| 587 |
N 304017010028 |
HEXAGON HEAD BOLT |
|
|
FAN DRIVE TO SUPPORT |
| 588 |
N 000933010288 |
SCREW |
|
|
RUBBER MOUNTING TO SUPPORT |
| 589 |
N 000933010105 |
SCREW |
|
|
RADIATOR TO RUBBER MOUNTING |
| 589 |
N 000933010105 |
SCREW |
|
|
RUBBER MOUNTING TO SUPPORT |
| 590 |
N 000933010094 |
SCREW |
|
|
RADIATOR TO RUBBER MOUNTING |
| 591 |
N 000125010518 |
WASHER |
|
Repalced by: N 000125010532
|
| 591 |
N 000125010532 |
WASHER |
|
|
RUBBER MOUNTING TO SUPPORT |
| 591 |
N 000125010532 |
WASHER |
|
|
RADIATOR TO RUBBER MOUNTING |
| 592 |
N 007349010003 |
WASHER |
|
Repalced by: N 007349010007
|
| 592 |
N 007349010007 |
WASHER |
|
|
RADIATOR TO RUBBER MOUNTING |
|
A 3855040284 |
SHIM |
|
|
RADIATOR TO RUBBER MOUNTING |
|
|
2 MM |
|
A 3855040184 |
SHIM |
|
|
RADIATOR TO RUBBER MOUNTING |
|
|
3 MM |
|
A 3855040084 |
SHIM |
|
|
RADIATOR TO RUBBER MOUNTING |
|
|
5 MM |
| 593 |
A 6255002631 |
BRACKET |
|
|
OIL COOLER,LEFT TOP |
| 593 |
A 6255002731 |
BRACKET |
|
|
OIL COOLER,RIGHT TOP |
| 594 |
A 6255004031 |
BRACKET |
|
|
OIL COOLER,LEFT TOP |
| 595 |
A 6255004131 |
BRACKET |
|
|
OIL COOLER,RIGHT TOP |
| 596 |
A 6255011220 |
BRACKET |
|
|
OIL COOLER,LEFT BOTTOM |
| 596 |
A 6255011320 |
BRACKET |
|
|
OIL COOLER,RIGHT BOTTOM |
| 597 |
A 6255003731 |
BRACKET |
|
|
OIL COOLER,LEFT BOTTOM |
| 598 |
A 6255003831 |
BRACKET |
|
|
OIL COOLER,RIGHT BOTTOM |
| 599 |
A 6255010185 |
THREADED UNION |
|
|
BRACKET TO OIL COOLER,TOP |
| 600 |
A 6255010385 |
THREADED UNION |
|
|
BRACKET TO OIL COOLER,TOP |
| 600 |
A 6255010385 |
THREADED UNION |
|
|
BRACKET TO OIL COOLER,BOTTOM |
| 601 |
A 6255010285 |
THREADED UNION |
|
|
BRACKET TO OIL COOLER,BOTTOM |
| 602 |
A 6255010050 |
BUSHING |
|
|
BRACKET TO OIL COOLER,BOTTOM |
| 603 |
A 6252571140 |
BRACKET |
|
|
OIL COOLER,LEFT BOTTOM |
| 604 |
N 000125008418 |
WASHER |
|
Repalced by: N 000125008443
|
| 604 |
N 000125008443 |
WASHER |
|
|
BRACKET TO OIL COOLER,TOP |
| 605 |
N 912004008102 |
LOCK WASHER |
|
|
BRACKET TO OIL COOLER,TOP |
| 606 |
N 912004006102 |
LOCK WASHER |
|
|
BRACKET TO OIL COOLER,BOTTOM |
| 607 |
N 000137008204 |
SPRING WASHER |
|
Repalced by: N 000137008212
|
| 607 |
N 000137008212 |
SPRING WASHER |
|
|
BRACKET TO OIL COOLER,BOTTOM |
| 608 |
N 000933008212 |
SCREW |
|
Repalced by: N 304017008016
|
| 608 |
N 304017008016 |
SCREW |
|
|
BRACKET TO OIL COOLER,TOP |
| 608 |
N 304017008016 |
SCREW |
|
|
BRACKET TO OIL COOLER,BOTTOM |
| 609 |
N 000933006121 |
SCREW |
|
Repalced by: N 304017006020
|
| 609 |
N 304017006020 |
SCREW |
|
|
BRACKET TO OIL COOLER,BOTTOM |
| 610 |
N 000933008145 |
SCREW |
|
|
BRACKET TO OIL COOLER,BOTTOM |
| 611 |
A 6255050055 |
FAN SHROUD |
|
|
RADIATOR |
| 611 |
A 6255050655 |
FAN SHROUD |
|
|
RADIATOR |
| 612 |
A 6255000855 |
FAN SHROUD |
|
|
RADIATOR |
| 613 |
A 6255000955 |
FAN SHROUD |
|
|
RADIATOR |
| 614 |
N 000933006207 |
SCREW |
|
|
FAN SHROUD TO RADIATOR |
| 615 |
N 000933006183 |
SCREW |
|
Repalced by: N 304017006016
|
| 615 |
N 304017006016 |
SCREW |
|
|
FAN SHROUD TO RADIATOR |
| 615 |
N 304017006016 |
SCREW |
|
|
FAN SHROUD AND BRACKET TO RADIATOR |
| 616 |
N 912004006102 |
LOCK WASHER |
|
|
FAN SHROUD TO RADIATOR |
| 616 |
N 912004006102 |
LOCK WASHER |
|
|
FAN SHROUD AND BRACKET TO RADIATOR |
| 617 |
N 006902006102 |
WASHER |
|
Repalced by: N 000988008024
|
| 617 |
N 000988008024 |
FITTED WASHER |
|
|
FAN SHROUD TO RADIATOR |
| 617 |
N 006902006201 |
WASHER |
|
|
FAN SHROUD TO RADIATOR |
| 618 |
N 000137006204 |
SPRING WASHER |
|
|
FAN SHROUD AND BRACKET TO RADIATOR |
| 619 |
A 6255011082 |
HOSE |
|
|
COOLING WATER LINE TO THERMOSTAT |
| 620 |
A 6255010024 |
COOLING WATER PIPE |
| 621 |
N 900271065003 |
HOSE |
|
|
FEED |
| 621 |
N 900271065003 |
HOSE |
|
|
FEED |
| 622 |
N 916017070000 |
CLAMP |
|
Repalced by: N 000000000674
|
| 622 |
N 000000001468 |
CLAMP |
| 622 |
N 000000001468 |
CLAMP |
| 623 |
A 6255011324 |
COOLING WATER PIPE |
|
|
FEED,CENTRAL |
| 624 |
A 6255002472 |
COOLING WATER PIPE |
|
|
FEED,CENTRAL |
| 625 |
A 6255005972 |
LINE |
|
|
FEED,CENTRAL |
| 626 |
N 007603018101 |
SEAL RING |
| 627 |
N 007604018109 |
SCREW PLUG |
| 628 |
A 6255014024 |
COOLING WATER PIPE |
|
|
FEED; REAR |
| 629 |
A 6255014124 |
COOLING WATER PIPE |
|
|
FEED; REAR |
| 630 |
A 6255018524 |
COOLING WATER PIPE |
|
|
FEED; REAR |
| 631 |
A 6255002272 |
COOLING WATER PIPE |
| 632 |
A 6255001672 |
LINE |
|
|
COOLING WATER FEED LINE |
| 633 |
A 0065455724 |
THERMO-SWITCH |
| 634 |
N 007603022102 |
SEAL RING |
| 635 |
A 6255012782 |
HOSE |
|
|
COOLING WATER LINE TO RADIATOR |
| 635 |
A 6255012782 |
HOSE |
|
|
CENTRAL LINE TO REAR COOLING WATER LINE |
| 635 |
A 6255010682 |
HOSE |
|
Repalced by: A 6255012782
|
| 635 |
A 6255012782 |
HOSE |
|
|
CENTRAL LINE TO REAR COOLING WATER LINE |
| 636 |
A 6255045840 |
BRACKET |
|
|
COOLING WATER LINE TO SUCTION PIPE |
| 637 |
N 912004010102 |
LOCK WASHER |
|
|
COOLING WATER LINE TO SUCTION PIPE |
| 638 |
N 000933010164 |
SCREW |
|
|
COOLING WATER LINE TO SUCTION PIPE |
| 639 |
A 6255042140 |
BRACKET |
|
|
COOLING WATER LINE TO ENGINE |
| 640 |
N 000933012039 |
SCREW |
|
|
COOLING WATER LINE TO ENGINE |
| 641 |
N 912004012100 |
LOCK WASHER |
|
|
COOLING WATER LINE TO ENGINE |
| 642 |
A 6255001031 |
BRACKET |
|
|
COOLING WATER LINE TO CONVERTER LOCKUP COUPLING,LEFT BOTTOM |
| 643 |
A 6255044440 |
BRACKET |
|
|
COOLING WATER LINE TO CONVERTER LOCKUP COUPLING,BOTTOM |
| 644 |
A 6255040841 |
BRACKET |
|
|
COOLING WATER LINE TO TRANSMISSION |
| 645 |
A 6995040041 |
BRACKET |
|
|
COOLING WATER LINE TO TRANSMISSION |
| 646 |
N 912004008102 |
LOCK WASHER |
|
|
COOLING WATER LINE TO CONVERTER LOCKUP COUPLING,BOTTOM |
| 647 |
N 000933008153 |
SCREW |
|
Repalced by: N 304017008034
|
| 647 |
N 304017008034 |
SCREW |
|
|
COOLING WATER LINE TO CONVERTER LOCKUP COUPLING,BOTTOM |
| 648 |
A 6255042540 |
BRACKET |
|
|
COOLING WATER LINE TO CONVERTER LOCKUP COUPLING,CENTRAL RIGHT |
| 649 |
N 000933008150 |
SCREW |
|
Repalced by: N 304017008018
|
| 649 |
N 304017008018 |
SCREW |
|
|
COOLING WATER LINE TO CONVERTER LOCKUP COUPLING,CENTRAL RIGHT |
| 650 |
N 913004008004 |
NUT |
|
Repalced by: N 913004008001
|
| 650 |
N 913004008001 |
NUT |
|
|
COOLING WATER LINE TO CONVERTER LOCKUP COUPLING,CENTRAL RIGHT |
| 651 |
A 6255012920 |
BRACKET |
|
|
COOLING WATER LINE TO ENGINE MOUNTING |
| 652 |
A 6255041440 |
BRACKET |
|
|
COOLING WATER LINE TO CONVERTER LOCKUP COUPLING,TOP |
|
A 6255012820 |
BRACKET |
|
|
COOLING WATER LINE TO BASE FRAME |
| 653 |
N 000933006121 |
SCREW |
|
Repalced by: N 304017006020
|
| 653 |
N 304017006020 |
SCREW |
|
|
COOLING WATER LINE TO BASE FRAME |
| 654 |
N 913004006002 |
NUT |
|
Repalced by: N 913004006001
|
| 654 |
N 913004006001 |
NUT |
|
|
COOLING WATER LINE TO BASE FRAME |
| 655 |
A 6995019220 |
BRACKET |
|
|
COOLING WATER LINE TO TRANSMISSION |
|
A 6999900801 |
SCREW |
|
Repalced by: A 6999900101
|
| 656 |
A 6999900101 |
SCREW |
|
|
BRACKET TO TRANSMISSION CASE |
| 657 |
N 071555065501 |
CLAMP |
|
|
COOLING WATER LINE TO BRACKET |
| 657 |
N 071555065501 |
CLAMP |
|
|
COOLING WATER LINE TO BASE FRAME |
| 658 |
N 000933008153 |
SCREW |
|
Repalced by: N 304017008034
|
| 658 |
N 304017008034 |
SCREW |
|
|
COOLING WATER LINE TO BRACKET |
| 659 |
N 913004008004 |
NUT |
|
Repalced by: N 913004008001
|
| 659 |
N 913004008001 |
NUT |
|
|
COOLING WATER LINE TO BRACKET |
| 660 |
A 6255010682 |
HOSE |
|
Repalced by: A 6255012782
|
| 660 |
A 6255012782 |
HOSE |
|
|
COOLING WATER LINE TO RADIATOR |
| 661 |
A 6255011182 |
HOSE |
|
|
COOLING WATER LINE TO RADIATOR |
| 662 |
A 6255010124 |
COOLING WATER PIPE |
|
|
REAR |
| 663 |
A 6255016024 |
COOLING WATER PIPE |
|
|
REAR |
| 664 |
A 6255017224 |
COOLING WATER PIPE |
|
|
REAR |
| 665 |
A 6255011224 |
COOLING WATER PIPE |
|
|
FRONT |
| 666 |
A 6255015624 |
COOLING WATER PIPE |
|
|
FRONT |
| 667 |
A 6255002572 |
COOLING WATER PIPE |
|
|
RETURN |
| 668 |
A 6255006172 |
LINE |
|
|
RETURN |
| 669 |
N 007603018101 |
SEAL RING |
| 670 |
N 007604018109 |
SCREW PLUG |
| 671 |
N 900271065003 |
HOSE |
|
|
RETURN |
| 671 |
N 900271065003 |
HOSE |
|
|
RETURN |
| 671 |
N 900271065003 |
HOSE |
|
|
RETURN |
| 672 |
N 916017070000 |
CLAMP |
|
Repalced by: N 000000000674
|
| 672 |
N 000000001468 |
CLAMP |
|
|
HOSE |
| 672 |
N 000000001468 |
CLAMP |
|
|
HOSE |
|
A 6255041940 |
BRACKET |
|
Repalced by: A 6255042240
|
| 673 |
A 6255042240 |
BRACKET |
|
|
COOLING WATER LINE TO CONVERTER LOCKUP COUPLING,CENTRAL LEFT |
| 674 |
A 6255013020 |
BRACKET |
|
|
COOLING WATER LINE TO CONVERTER LOCKUP COUPLING,CENTRAL RIGHT |
| 675 |
N 000933008327 |
SCREW |
|
Repalced by: N 000933008151
|
| 675 |
N 000933008151 |
SCREW |
|
|
COOLING WATER LINE TO CONVERTER LOCKUP COUPLING,CENTRAL RIGHT |
| 676 |
N 912004008102 |
LOCK WASHER |
|
|
COOLING WATER LINE TO CONVERTER LOCKUP COUPLING,CENTRAL RIGHT |
|
A 6255010250 |
BUSHING |
|
Repalced by: A 4409910040
|
| 677 |
A 4409910040 |
SPACER TUBE |
|
|
COOLING WATER LINE TO CONVERTER LOCKUP COUPLING,CENTRAL RIGHT |
|
A 6255042440 |
BRACKET |
|
|
COOLING WATER LINE TO CONVERTER LOCKUP COUPLING,RIGHT BOTTOM |
|
A 6255012020 |
BRACKET |
|
|
COOLING WATER LINE TO TRANSMISSION |
|
A 6255041740 |
BRACKET |
|
Repalced by: A 6255042340
|
| 678 |
A 6255042340 |
BRACKET |
|
Repalced by: A 6224760136
|
| 678 |
A 6224760136 |
BRACKET |
|
|
COOLING WATER LINE TO OIL PAN |
| 679 |
N 071555065501 |
CLAMP |
|
|
COOLING WATER LINE TO BRACKET |
| 680 |
N 000933008153 |
SCREW |
|
Repalced by: N 304017008034
|
| 680 |
N 304017008034 |
SCREW |
|
|
COOLING WATER LINE TO BRACKET |
| 681 |
N 000933008135 |
SCREW |
|
|
COOLING WATER LINE TO BRACKET |
| 682 |
N 913004008004 |
NUT |
|
Repalced by: N 913004008001
|
| 682 |
N 913004008001 |
NUT |
|
|
COOLING WATER LINE TO BRACKET |
| 683 |
A 6255001372 |
LINE |
|
|
FROM EXPANSION TANK TO WATER PUMP |
| 684 |
A 6255003872 |
LINE |
|
|
FROM EXPANSION TANK TO WATER PUMP |
| 685 |
A 6255001972 |
LINE |
|
|
FROM EXPANSION TANK TO WATER PUMP |
| 686 |
A 6255010324 |
COOLING WATER PIPE |
|
|
FROM EXPANSION TANK TO WATER PUMP |
| 687 |
A 6255018424 |
COOLING WATER PIPE |
|
|
FROM EXPANSION TANK TO WATER PUMP |
| 688 |
N 900271028026 |
HOSE |
|
|
FROM EXPANSION TANK TO WATER PUMP |
| 689 |
N 916017025000 |
CLAMP |
|
Repalced by: N 000000000668
|
| 689 |
N 000000000670 |
CLAMP |
|
|
HOSE TO EXPANSION TANK AND TO WATER PUMP |
|
|
35 - 50 X 13 |
| 690 |
N 000933008147 |
SCREW |
|
Repalced by: N 304017008021
|
| 690 |
N 304017008021 |
SCREW |
|
|
COOLING WATER PIPE TO FAN SUPPORT |
| 691 |
N 913004008004 |
NUT |
|
Repalced by: N 913004008001
|
| 691 |
N 913004008001 |
NUT |
|
|
COOLING WATER PIPE TO FAN SUPPORT |
|
A 6255042740 |
BRACKET |
|
Repalced by: A 3184924841
|
| 692 |
A 3184924841 |
BRACKET |
|
|
COOLING WATER PIPE TO SIDE MEMBER |
|
A 6255042241 |
BRACKET |
|
Repalced by: A 3875010820
|
| 693 |
A 3875010820 |
BRACKET |
|
Repalced by: A 3834929141
|
| 693 |
A 3834929141 |
BRACKET |
|
|
COOLING WATER PIPE TO SIDE MEMBER |
|
A 6255040484 |
SHIM |
|
|
COOLING WATER PIPE TO SIDE MEMBER |
| 694 |
A 3604292940 |
BRACKET |
|
|
WATER LINE TO SUPPORT |
| 695 |
A 3839950001 |
CLAMP |
|
|
COOLING WATER LINE TO BRACKET |
| 696 |
N 916016028200 |
CLAMP |
|
|
COOLING WATER LINE TO BRACKET |
| 697 |
N 000933008153 |
SCREW |
|
Repalced by: N 304017008034
|
| 697 |
N 304017008034 |
SCREW |
|
|
COOLING WATER LINE TO BRACKET |
|
|
M 8X25 |
| 697 |
N 304017008034 |
SCREW |
|
|
BRACKET TO RIGHT SIDE MEMBER |
|
|
M 8X25 |
| 697 |
N 000933008147 |
SCREW |
|
Repalced by: N 304017008021
|
| 697 |
N 304017008021 |
SCREW |
|
|
WATER LINE TO SUPPORT |
|
|
M8X20 |
| 699 |
N 000933008212 |
SCREW |
|
Repalced by: N 304017008016
|
| 699 |
N 304017008016 |
SCREW |
|
|
COOLING WATER LINE TO BRACKET |
|
|
M 8X16 |
| 699 |
N 304017008016 |
SCREW |
|
|
WATER LINE TO SUPPORT |
|
|
M 8X16 |
| 700 |
N 912004008102 |
LOCK WASHER |
|
|
COOLING WATER LINE TO BRACKET |
| 701 |
N 913004008004 |
NUT |
|
Repalced by: N 913004008001
|
| 701 |
N 913004008001 |
NUT |
|
|
COOLING WATER LINE TO BRACKET |
| 701 |
N 913004008001 |
NUT |
|
|
WATER LINE TO SUPPORT |
| 702 |
A 3449917040 |
SPACER TUBE |
|
|
COOLING WATER LINE TO BASE FRAME |
| 703 |
N 900271015037 |
HOSE |
|
|
DE-AERATION LINE TO EXPANSION TANK |
| 704 |
N 916017020000 |
CLAMP |
|
Repalced by: N 000000000667
|
| 704 |
N 000000000667 |
CLAMP |
|
|
DE-AERATION LINE TO EXPANSION TANK |
| 704 |
N 916017016000 |
CLAMP |
|
Repalced by: N 000000000666
|
| 704 |
N 000000000666 |
CLAMP |
|
|
DE-AERATION LINE TO EXPANSION TANK |
| 705 |
N 900271008043 |
HOSE |
|
|
DE-AERATION LINE TO EXPANSION TANK |
| 706 |
N 916017011000 |
CLAMP |
|
Repalced by: N 916017011001
|
| 706 |
N 000000000665 |
CLAMP |
|
|
DE-AERATION LINE TO EXPANSION TANK |
| 706 |
N 000000000665 |
CLAMP |
|
|
VENTILATION, FROM RADIATOR TO EXPANSION TANK |
| 707 |
A 6255012324 |
COOLING WATER PIPE |
|
|
DE-AERATION; FROM FLANGE TO CONNECTION POINT |
| 708 |
A 6255017724 |
COOLING WATER PIPE |
|
|
VENTILATION, FROM RADIATOR TO EXPANSION TANK |
| 709 |
N 916016008202 |
CLAMP |
|
|
COOLING WATER PIPE TO RADIATOR |
| 710 |
N 000933008153 |
SCREW |
|
Repalced by: N 304017008034
|
| 710 |
N 304017008034 |
SCREW |
|
|
COOLING WATER PIPE TO RADIATOR |
| 711 |
N 000125008418 |
WASHER |
|
Repalced by: N 000125008443
|
| 711 |
N 000125008443 |
WASHER |
|
|
COOLING WATER PIPE TO RADIATOR |
| 712 |
N 913004008004 |
NUT |
|
Repalced by: N 913004008001
|
| 712 |
N 913004008001 |
NUT |
|
|
COOLING WATER PIPE TO RADIATOR |
| 713 |
A 6255001472 |
LINE |
|
|
FROM CONNECTION POINT TO EXPANSION TANK |
| 714 |
A 6255002072 |
LINE |
|
|
FROM CONNECTION POINT TO EXPANSION TANK |
| 715 |
A 6255001872 |
LINE |
|
|
FROM CONNECTION POINT TO EXPANSION TANK |
| 716 |
N 900271015037 |
HOSE |
|
|
FROM CONNECTION POINT TO EXPANSION TANK |
| 717 |
N 916017020000 |
CLAMP |
|
Repalced by: N 000000000667
|
| 717 |
N 000000000667 |
CLAMP |
| 718 |
A 6255042240 |
BRACKET |
|
|
DE-AERATION LINE TO SUPPORT |
| 719 |
A 6255043640 |
BRACKET |
|
|
DE-AERATION LINE TO SUPPORT |
| 720 |
A 6255043540 |
BRACKET |
|
|
DE-AERATION LINE TO SUPPORT |
| 721 |
A 6208321014 |
BRACKET |
|
|
DE-AERATION LINE TO SUPPORT |
| 722 |
N 000933008147 |
SCREW |
|
Repalced by: N 304017008021
|
| 722 |
N 304017008021 |
SCREW |
|
|
DE-AERATION LINE TO SUPPORT |
| 722 |
N 304017008021 |
SCREW |
|
|
DE-AERATION LINE TO SUPPORT |
| 723 |
N 000125008418 |
WASHER |
|
Repalced by: N 000125008443
|
| 723 |
N 000125008443 |
WASHER |
|
|
DE-AERATION LINE TO SUPPORT |
| 723 |
N 000125008443 |
WASHER |
|
|
DE-AERATION LINE TO SUPPORT |
| 725 |
A 6255011524 |
COOLING WATER PIPE |
|
|
FROM FRONT DE-AERATION LINE TO CONNECTION |
| 726 |
A 6255012224 |
COOLING WATER PIPE |
|
|
FROM FRONT DE-AERATION LINE TO CONNECTION |
| 727 |
A 6255012424 |
COOLING WATER PIPE |
|
|
FROM FRONT DE-AERATION LINE TO CONNECTION |
| 728 |
A 6255016524 |
COOLING WATER PIPE |
|
|
FROM FRONT DE-AERATION LINE TO CONNECTION |
| 729 |
A 6255016324 |
COOLING WATER PIPE |
|
|
FROM FRONT DE-AERATION LINE TO CONNECTION |
|
A 6255041840 |
BRACKET |
|
|
DEAERATOR LINE TO INTAKE MANIFOLD |
| 730 |
N 900271008043 |
HOSE |
|
|
FROM FRONT DE-AERATION LINE TO CONNECTION |
| 731 |
N 916017011000 |
CLAMP |
|
Repalced by: N 916017011001
|
| 731 |
N 000000000665 |
CLAMP |
|
|
DE-AERATION LINE TO HOSE |
|
A 6255049940 |
BRACKET |
|
Repalced by: A 3875015820
|
|
A 3875015820 |
BRACKET |
|
Repalced by: A 3524290740
|
| 732 |
A 3524290740 |
BRACKET |
|
|
DEAERATOR LINE TO INTAKE MANIFOLD |
| 733 |
N 916016018201 |
CLAMP |
|
|
DE-AERATION LINE TO BRACKET |
| 734 |
N 916016025201 |
CLAMP |
|
|
DE-AERATION LINE TO BRACKET |
| 735 |
A 3609950201 |
CLAMP |
|
Repalced by: A 3604300143
|
| 735 |
A 3604300143 |
CLAMP |
|
Repalced by: N 916016008200
|
| 735 |
N 916016008200 |
CLAMP |
|
Repalced by: N 000000000319
|
| 735 |
N 000000000319 |
CLAMP |
|
|
DE-AERATION LINE TO BRACKET |
| 736 |
N 916016008200 |
CLAMP |
|
Repalced by: N 000000000319
|
| 736 |
N 000000000319 |
CLAMP |
|
|
DE-AERATION LINE TO BRACKET |
| 737 |
A 3609952001 |
CLAMP |
|
Repalced by: A 6739950001
|
| 737 |
A 6739950001 |
CLAMP |
|
|
DE-AERATION LINE TO BRACKET |
| 738 |
N 916016015202 |
CLAMP |
| 739 |
N 071555110501 |
CLAMP |
|
|
COOLING WATER LINE TO SUCTION PIPE |
| 740 |
N 000933006183 |
SCREW |
|
Repalced by: N 304017006016
|
| 740 |
N 304017006016 |
SCREW |
|
|
DE-AERATION LINE TO BRACKET |
| 741 |
N 007985006154 |
SCREW |
|
Repalced by: A 0029903712
|
| 741 |
A 0029903712 |
SCREW |
|
Repalced by: N 000000001149
|
| 741 |
N 000000001149 |
HEXALOBULAR BOLT |
|
|
DE-AERATION LINE TO BRACKET |
| 741 |
N 000933008147 |
SCREW |
|
Repalced by: N 304017008021
|
| 741 |
N 304017008021 |
SCREW |
|
|
DE-AERATION LINE TO BRACKET |
| 741 |
N 000961012151 |
SCREW |
|
|
COOLING WATER LINE TO SUCTION PIPE |
| 742 |
N 000125006421 |
WASHER |
|
|
DE-AERATION LINE TO BRACKET |
|
Repalced by: N 000125006449
|
| 742 |
N 000125006449 |
WASHER |
|
|
DE-AERATION LINE TO BRACKET |
| 743 |
N 912004006102 |
LOCK WASHER |
|
|
DE-AERATION LINE TO BRACKET |
| 744 |
N 913004006002 |
NUT |
|
Repalced by: N 913004006001
|
| 744 |
N 913004006001 |
NUT |
|
|
DE-AERATION LINE TO BRACKET |
| 744 |
N 913004008004 |
NUT |
|
Repalced by: N 913004008001
|
| 744 |
N 913004008001 |
NUT |
|
|
DE-AERATION LINE TO BRACKET |
| 744 |
N 910113012002 |
NUT |
|
|
COOLING WATER LINE TO SUCTION PIPE |
| 745 |
A 6255000149 |
TANK |
|
|
EXPANSION TANK |
| 746 |
A 0005013715 |
RADIATOR CAP |
| 746 |
A 0005017115 |
RADIATOR CAP |
| 747 |
A 0005014515 |
RADIATOR CAP |
| 748 |
A 0005014615 |
RADIATOR CAP |
| 748 |
A 0005017215 |
RADIATOR CAP |
| 749 |
A 0005010480 |
GASKET |
|
|
INSIDE |
|
|
52 MM |
| 750 |
A 0005010880 |
GASKET |
|
|
OUTSIDE |
|
|
37 MM |
| 751 |
A 6255003931 |
BRACKET |
|
|
EXPANSION TANK |
| 752 |
N 000933008212 |
SCREW |
|
Repalced by: N 304017008016
|
| 752 |
N 304017008016 |
SCREW |
|
|
BRACKET TO BASE FRAME |
| 753 |
N 913004008004 |
NUT |
|
Repalced by: N 913004008001
|
| 753 |
N 913004008001 |
NUT |
|
|
BRACKET TO BASE FRAME |
| 754 |
N 900288203100 |
CLAMP |
|
|
EXPANSION TANK TO SUPPORT |
| 755 |
A 6255000061 |
AIR DUCT |
| 756 |
A 6255050088 |
COVERING |
| 757 |
A 6255050388 |
COVERING |
|
|
AIR DUCT |
| 758 |
N 009021005202 |
WASHER |
|
Repalced by: N 009021005205
|
| 758 |
N 009021005205 |
WASHER |
|
|
COVERING TO AIR DUCT |
| 759 |
N 910003004116 |
RIVET |
| 760 |
N 000933006103 |
SCREW |
|
Repalced by: N 304017006018
|
| 760 |
N 304017006018 |
SCREW |
|
|
COVERING TO AIR DUCT |
| 761 |
N 912004006102 |
LOCK WASHER |
|
|
COVERING TO AIR DUCT |
| 762 |
A 6255000261 |
AIR DUCT |
| 763 |
A 6255050388 |
COVERING |
|
|
AIR DUCT |
| 764 |
A 0029874825 |
PLASTIC SECTION |
|
|
COVERING TO AIR DUCT |
| 765 |
N 000933006183 |
SCREW |
|
Repalced by: N 304017006016
|
| 765 |
N 304017006016 |
SCREW |
|
|
COVERING TO AIR DUCT |
| 766 |
N 006902006102 |
WASHER |
|
Repalced by: N 000988008024
|
| 766 |
N 000988008024 |
FITTED WASHER |
|
|
AIR DUCT TO RADIATOR |
| 766 |
N 006902006201 |
WASHER |
|
|
AIR DUCT TO RADIATOR |
| 767 |
N 000933006183 |
SCREW |
|
Repalced by: N 304017006016
|
| 767 |
N 304017006016 |
SCREW |
|
|
AIR DUCT TO RADIATOR |
| 768 |
A 6255000139 |
REINFORCEMENT |
|
|
AIR DUCT |
| 769 |
N 000933006103 |
SCREW |
|
Repalced by: N 304017006018
|
| 769 |
N 304017006018 |
SCREW |
|
|
REINFORCEMENT TO AIR DUCT |
| 770 |
N 912004006102 |
LOCK WASHER |
|
|
REINFORCEMENT TO AIR DUCT |
| 771 |
A 6255043940 |
BRACKET |
|
|
AIR DUCT |
|
A 6255045440 |
BRACKET |
|
|
AIR DUCT |
| 772 |
N 000933006207 |
SCREW |
|
|
AIR DUCT AND BRACKET TO RADIATOR |
|
|
M 6X14 |
| 772 |
N 000933006183 |
SCREW |
|
Repalced by: N 304017006016
|
| 772 |
N 304017006016 |
SCREW |
|
|
AIR DUCT AND BRACKET TO RADIATOR |
|
|
M 6X16 |
| 773 |
N 912004006102 |
LOCK WASHER |
|
|
AIR DUCT AND BRACKET TO RADIATOR |
| 774 |
A 4435000303 |
RADIATOR |
|
|
(OIL COOLER),IN AIR DUCT |
| 775 |
A 6255003431 |
BRACKET |
|
|
OIL COOLER TO AIR DUCT |
| 776 |
N 000933006121 |
SCREW |
|
Repalced by: N 304017006020
|
| 776 |
N 304017006020 |
SCREW |
|
|
OIL COOLER TO BRACKET |
| 777 |
N 009021006205 |
WASHER |
|
Repalced by: N 009021006208
|
| 777 |
N 009021006208 |
WASHER |
|
|
OIL COOLER TO BRACKET |
| 778 |
N 913004006002 |
NUT |
|
Repalced by: N 913004006001
|
| 778 |
N 913004006001 |
NUT |
|
|
OIL COOLER TO BRACKET |
| 779 |
N 912004006102 |
LOCK WASHER |
|
|
BRACKET TO AIR DUCT |
| 780 |
N 006902006201 |
WASHER |
|
|
BRACKET TO AIR DUCT |
| 781 |
N 000933006121 |
SCREW |
|
Repalced by: N 304017006020
|
| 781 |
N 304017006020 |
SCREW |
|
|
BRACKET TO AIR DUCT |
|
A 4232000039 |
SUPPORT |
|
|
UNITS |
| 782 |
N 000961012097 |
SCREW |
|
Repalced by: N 308676012026
|
| 782 |
N 308676012026 |
SCREW |
|
|
UNIT SUPPORT TO ENGINE SUPPORT |
| 783 |
N 007349013003 |
WASHER |
|
Repalced by: N 007349013005
|
| 783 |
N 007349013005 |
WASHER |
|
|
UNIT SUPPORT TO ENGINE SUPPORT |
| 784 |
N 910113012002 |
NUT |
|
|
UNIT SUPPORT TO ENGINE SUPPORT |
| 785 |
A 0012360805 |
HYDRAULIC PUMP |
|
|
(FAN PUMP) |
| 786 |
N 000931010306 |
SCREW |
|
|
FAN PUMP TO SUPPORT |
| 787 |
N 913004010011 |
NUT |
|
|
FAN PUMP TO SUPPORT |
| 788 |
A 4232000426 |
HUB |
|
|
FAN PUMP |
| 789 |
N 000835008123 |
STUD |
| 790 |
A 4232360076 |
WASHER |
|
|
HUB TO FAN PUMP |
| 791 |
N 000933010276 |
SCREW |
|
|
HUB TO FAN PUMP |
| 792 |
A 4070350112 |
PULLEY |
|
|
FAN PUMP |
| 793 |
N 000933008116 |
SCREW |
|
Repalced by: N 000933008337
|
| 793 |
N 000933008337 |
SCREW |
|
Repalced by: A 0099900101
|
| 793 |
A 0099900101 |
SCREW |
|
|
PULLEY TO HUB |
| 794 |
N 913004008004 |
NUT |
|
Repalced by: N 913004008001
|
| 794 |
N 913004008001 |
NUT |
|
|
PULLEY TO HUB |
| 795 |
A 0012360905 |
HYDRAULIC PUMP |
|
|
FAN MOTOR |
| 796 |
N 000931010306 |
SCREW |
|
|
FAN MOTOR TO BASE FRAME |
| 797 |
N 913004010011 |
NUT |
|
|
FAN MOTOR TO BASE FRAME |
| 798 |
A 4232050504 |
HUB |
|
|
FAN |
| 799 |
A 4232050025 |
HUB PLATE |
|
|
HUB TO FAN MOTOR |
| 800 |
A 4239900002 |
SCREW |
|
|
HUB TO FAN MOTOR |
| 801 |
A 0022050306 |
FAN |
|
Repalced by: A 0022059306
|
| 801 |
A 0022059306 |
FAN |
| 802 |
N 000933008152 |
SCREW |
|
Repalced by: N 304017008027
|
| 802 |
N 304017008027 |
SCREW |
|
|
FAN TO HUB |
| 803 |
N 913004008004 |
NUT |
|
Repalced by: N 913004008001
|
| 803 |
N 913004008001 |
NUT |
|
|
FAN TO HUB |
| 804 |
A 0002360102 |
OIL TANK |
|
|
FAN DRIVE |
| 805 |
A 0002360508 |
COVER |
| 806 |
A 0002361380 |
GASKET |
| 807 |
A 0002360355 |
FILTER |
| 808 |
A 0002361480 |
GASKET |
| 809 |
A 6255049540 |
BRACKET |
|
|
OIL TANK TO BASE FRAME |
|
A 6255040450 |
BUSHING |
|
Repalced by: A 6729910240
|
| 810 |
A 6729910240 |
SPACER TUBE |
|
|
OIL TANK TO BASE FRAME |
| 811 |
A 6255040550 |
BUSHING |
|
|
OIL TANK TO BASE FRAME |
| 812 |
N 000933010238 |
SCREW |
|
Repalced by: N 304017010028
|
| 812 |
N 304017010028 |
HEXAGON HEAD BOLT |
|
|
OIL TANK TO BASE FRAME |
|
|
M10X20 |
| 813 |
N 000933010076 |
SCREW |
|
|
OIL TANK TO BASE FRAME |
|
|
M 10X70 |
| 814 |
N 913004010008 |
NUT |
|
Repalced by: N 910113010000
|
| 814 |
N 910113010000 |
NUT |
|
|
OIL TANK TO BASE FRAME |
| 815 |
A 0015012901 |
RADIATOR |
|
|
(OIL COOLER),FAN DRIVE |
| 816 |
A 6255003027 |
SUPPORT |
|
|
OIL COOLER |
| 817 |
N 000933010164 |
SCREW |
|
|
SUPPORT TO BASE FRAME |
| 818 |
N 000933008147 |
SCREW |
|
Repalced by: N 304017008021
|
| 818 |
N 304017008021 |
SCREW |
|
|
RADIATOR TO SUPPORT |
| 819 |
N 007349010003 |
WASHER |
|
Repalced by: N 007349010007
|
| 819 |
N 007349010007 |
WASHER |
|
|
SUPPORT TO BASE FRAME |
| 820 |
N 007349008003 |
WASHER |
|
|
RADIATOR TO SUPPORT |
| 821 |
N 913004010008 |
NUT |
|
Repalced by: N 910113010000
|
| 821 |
N 910113010000 |
NUT |
|
|
SUPPORT TO BASE FRAME |
| 822 |
N 913004008004 |
NUT |
|
Repalced by: N 913004008001
|
| 822 |
N 913004008001 |
NUT |
|
|
RADIATOR TO SUPPORT |
| 823 |
A 6255501457 |
PIPE LINE |
|
|
(SUCTION LINE) FROM OIL TANK TO HYDRAULIC PUMP |
| 824 |
N 915017028101 |
UNION NUT |
|
Repalced by: A 0019901354
|
| 824 |
A 0019901354 |
NUT |
|
|
SUCTION LINE |
| 825 |
N 003861028002 |
GLAND |
|
Repalced by: A 0019901367
|
| 825 |
A 0019901367 |
SEAL CONE |
|
|
SUCTION LINE |
| 826 |
A 6255530957 |
LINE |
|
|
(SUCTION LINE) FROM OIL TANK TO HYDRAULIC PUMP |
| 827 |
A 0059970572 |
FITTING |
|
|
SUCTION LINE TO OIL TANK |
| 828 |
N 007603030101 |
SEAL RING |
|
|
SUCTION LINE TO OIL TANK |
| 829 |
A 0002360445 |
FLANGE |
|
|
SUCTION LINE TO HYDRAULIC PUMP |
| 829 |
A 0002360445 |
FLANGE |
|
|
DELIVERY LINE TO HYDRAULIC PUMP |
| 830 |
A 0139977648 |
SEAL RING |
|
|
SUCTION LINE TO HYDRAULIC PUMP |
| 830 |
A 0139977648 |
SEAL RING |
|
|
DELIVERY LINE TO HYDRAULIC PUMP |
| 831 |
N 000912008111 |
SCREW |
|
Repalced by: N 000000000190
|
| 831 |
N 000000000190 |
SCREW |
|
|
SUCTION LINE TO HYDRAULIC PUMP |
| 831 |
N 000000000190 |
SCREW |
|
|
DELIVERY LINE TO HYDRAULIC PUMP |
| 832 |
A 6255530357 |
LINE |
|
|
FROM HYDRAULIC PUMP TO PRESSURE LIMIT VALVE |
| 833 |
A 6255500557 |
PIPE LINE |
|
|
FROM HYDRAULIC PUMP TO PRESSURE LIMIT VALVE |
| 834 |
A 6255501557 |
PIPE LINE |
|
|
FROM PRESSURE LIMIT VALVE TO FAN MOTOR |
| 835 |
N 915017020100 |
UNION NUT |
|
|
DELIVERY LINE |
| 836 |
N 003861020001 |
GLAND |
|
|
DELIVERY LINE |
| 837 |
N 003954020200 |
FITTING |
|
|
DELIVERY LINE TO PRESSURE LIMIT VALVE |
| 838 |
N 003901020003 |
SCREW-IN FITTING |
|
|
DELIVERY LINE TO PRESSURE LIMIT VALVE |
| 839 |
N 007603027100 |
SEAL RING |
|
|
DELIVERY LINE TO PRESSURE LIMIT VALVE |
| 840 |
A 0002361735 |
VALVE |
|
|
(PRESSURE LIMIT VALVE) |
| 841 |
A 0002360725 |
PRESSURE PLATE |
|
|
(PRESSURE LIMIT VALVE) |
| 842 |
A 0019978730 |
SCREW PLUG |
|
|
PRESSURE PLATE |
| 843 |
N 000912010015 |
SCREW |
|
|
VALVE AND PRESSURE PLATE TO BASE FRAME |
| 844 |
N 913004010008 |
NUT |
|
Repalced by: N 910113010000
|
| 844 |
N 910113010000 |
NUT |
|
|
VALVE AND PRESSURE PLATE TO BASE FRAME |
| 845 |
A 6255530457 |
LINE |
|
|
FROM PRESSURE LIMIT VALVE TO FAN MOTOR |
| 846 |
A 0002360445 |
FLANGE |
|
|
DELIVERY LINE TO FAN MOTOR |
| 847 |
A 0139977648 |
SEAL RING |
|
|
DELIVERY LINE TO FAN MOTOR |
| 848 |
N 000912008111 |
SCREW |
|
Repalced by: N 000000000190
|
| 848 |
N 000000000190 |
SCREW |
|
|
DELIVERY LINE TO FAN MOTOR |
| 849 |
A 6255530557 |
LINE |
|
|
(RETURN LINE) FROM FAN MOTOR TO OIL COOLER |
|
A 6255501257 |
PIPE LINE |
|
Repalced by: A 0005516456
|
| 850 |
A 0005516456 |
TUBE |
|
|
(RETURN LINE) FROM FAN MOTOR TO OIL COOLER |
|
|
18X1.5 MM |
| 852 |
N 915017018100 |
UNION NUT |
|
|
RETURN LINE |
| 853 |
N 003861018003 |
GLAND |
|
Repalced by: A 0019901167
|
| 853 |
A 0019901167 |
SEAL CONE |
|
|
RETURN LINE |
| 854 |
A 0002360445 |
FLANGE |
|
|
RETURN LINE TO FAN MOTOR |
| 855 |
A 0139977648 |
SEAL RING |
|
|
RETURN LINE TO FAN MOTOR |
| 856 |
N 000912008111 |
SCREW |
|
Repalced by: N 000000000190
|
| 856 |
N 000000000190 |
SCREW |
|
|
RETURN LINE TO FAN MOTOR |
| 858 |
N 003951018000 |
FITTING |
|
|
BETWEEN THE LINES |
| 859 |
A 0029904871 |
ELBOW FITTING |
|
|
RETURN LINE TO OIL COOLER |
| 860 |
A 0059972772 |
FITTING |
|
Repalced by: N 003901018008
|
| 860 |
N 003901018008 |
SCREW-IN FITTING |
|
|
RETURN LINE TO OIL COOLER |
| 861 |
N 007603018104 |
SEAL RING |
|
|
RETURN LINE TO OIL COOLER |
| 862 |
A 6255530657 |
LINE |
|
|
(RETURN LINE) FROM OIL COOLER TO OIL TANK |
| 863 |
N 003954018100 |
FITTING |
|
|
RETURN LINE TO OIL TANK |
| 864 |
A 0059970472 |
FITTING |
|
|
RETURN LINE TO OIL TANK |
| 865 |
N 007603030101 |
SEAL RING |
|
|
RETURN LINE TO OIL TANK |
| 866 |
A 6255530657 |
LINE |
|
|
CHECK VALVE TO FITTING |
| 867 |
A 0002361535 |
VALVE |
|
|
(CHECK VALVE) |
|
A 6255500657 |
PIPE LINE |
|
Repalced by: A 0005516456
|
|
A 6255500957 |
PIPE LINE |
|
Repalced by: A 0005516456
|
| 868 |
A 0005516456 |
TUBE |
|
|
18X1.5 |
| 868 |
A 0005516456 |
TUBE |
|
|
(RETURN LINE) FROM OIL TANK TO CHECK VALVE |
|
|
18X1.5 |
| 868 |
A 0005516456 |
TUBE |
|
|
(RETURN LINE) FROM FITTING TO PRESSURE LIMIT VALVE |
|
|
18X1.5 |
| 869 |
N 915017018100 |
UNION NUT |
|
|
RETURN LINE |
| 870 |
N 003861018003 |
GLAND |
|
Repalced by: A 0019901167
|
| 870 |
A 0019901167 |
SEAL CONE |
|
|
RETURN LINE |
| 871 |
A 0029905868 |
FITTING |
|
|
BETWEEN THE LINES |
| 872 |
A 0005516256 |
TUBE |
|
|
(RETURN LINE) FROM FITTING TO PRESSURE LIMIT VALVE |
|
|
15X1.5 MM |
| 873 |
N 915017015100 |
UNION NUT |
|
|
RETURN LINE |
| 874 |
N 003861015004 |
GLAND |
|
|
RETURN LINE |
| 875 |
A 0029905168 |
FITTING |
|
|
RETURN LINE TO PRESSURE LIMIT VALVE |
| 876 |
N 007603027100 |
SEAL RING |
|
|
RETURN LINE TO PRESSURE LIMIT VALVE |
|
A 0002361835 |
VALVE |
|
Repalced by: A 0002362435
|
| 877 |
A 0002362435 |
VALVE |
|
|
RETURN LINE TO PRESSURE LIMIT VALVE |
|
|
TO 000 500 38 70 |
| 878 |
A 0002362435 |
VALVE |
|
|
RETURN LINE TO PRESSURE LIMIT VALVE |
|
|
TO 000 830 96 01 |
| 879 |
A 0029905768 |
FITTING |
| 880 |
A 9029970032 |
SCREW PLUG |
|
Repalced by: N 000908018011
|
| 880 |
N 000908018011 |
SCREW PLUG, FILLING |
| 881 |
N 007603018104 |
SEAL RING |
| 882 |
N 003901015005 |
SCREW-IN FITTING |
| 883 |
N 007603021100 |
SEAL RING |
|
|
RETURN LINE TO PRESSURE LIMIT VALVE |
| 884 |
A 6255530757 |
LINE |
|
|
(LEAK OIL LINE) FROM HYDRAULIC PUMP TO FAN MOTOR |
|
A 6255500857 |
PIPE LINE |
|
Repalced by: A 0005516156
|
|
A 6255501357 |
PIPE LINE |
|
Repalced by: A 0005516156
|
|
A 6255500457 |
PIPE LINE |
|
Repalced by: A 0005516156
|
| 885 |
A 0005516156 |
TUBE |
|
|
(LEAK OIL LINE) FROM HYDRAULIC PUMP TO FAN MOTOR |
|
|
12X1.5 MM |
| 885 |
A 0005516156 |
TUBE |
|
|
(LEAK OIL LINE) FROM FAN MOTOR TO OIL TANK |
|
|
12X1.5 MM |
| 890 |
N 915017012100 |
UNION NUT |
|
|
LEAK LINE |
|
Repalced by: N 000000006239
|
| 890 |
N 000000006239 |
UNION NUT |
|
|
LEAK LINE |
| 891 |
N 003861012007 |
GLAND |
|
Repalced by: A 0019901967
|
| 891 |
A 0019901967 |
SEAL CONE |
|
|
LEAK LINE |
| 892 |
A 0029971572 |
FITTING |
|
|
LEAK OIL LINE TO HYDRAULIC PUMP,FAN MOTOR,TANK |
| 893 |
N 007603016103 |
SEAL RING |
|
|
LEAK OIL LINE TO HYDRAULIC PUMP,FAN MOTOR,TANK |
| 893 |
N 007603018104 |
SEAL RING |
|
|
LEAK OIL LINE TO HYDRAULIC PUMP,FAN MOTOR,TANK |
|
N 003953012101 |
FITTING |
|
Repalced by: A 0019903170
|
| 895 |
A 0019903170 |
T-FITTING |
|
|
LEAK OIL LINE TO FAN MOTOR |
|
A 0009905270 |
T-FITTING |
|
Repalced by: A 0009905270
|
| 896 |
A 0009905270 |
T-FITTING |
|
|
LEAK OIL LINES TO OIL TANK |
|
A 6255500757 |
PIPE LINE |
|
Repalced by: A 0004290101
|
| 897 |
A 0004290101 |
LINE |
|
|
(LEAK OIL LINE) FROM PRESSURE PLATE TO T-FITTING |
|
|
10X1.5 MM |
| 900 |
N 915017010100 |
UNION NUT |
|
|
LEAK LINE |
| 901 |
N 003861010009 |
GLAND |
|
|
LEAK LINE |
| 902 |
N 003901010008 |
SCREW-IN FITTING |
|
|
LEAK OIL LINE TO PRESSURE PLATE |
| 903 |
N 007603014106 |
SEAL RING |
|
|
LEAK OIL LINE TO PRESSURE PLATE |
| 904 |
A 0029905268 |
FITTING |
|
|
LEAK OIL LINE TO T-FITTING |
| 905 |
A 0009952910 |
CLAMP |
|
|
SUCTION LINE TO BRACKET |
| 905 |
A 0009952810 |
CLAMP |
|
|
SUCTION LINE TO SUPPORTING RAIL |
| 905 |
A 0009952610 |
CLAMP |
|
|
DELIVERY LINE TO SUPPORTING RAIL |
| 905 |
A 0009953210 |
CLAMP |
|
|
DELIVERY LINE TO BRACKET |
| 906 |
N 000931006191 |
SCREW |
|
|
DELIVERY LINE TO BRACKET |
| 907 |
N 009021006205 |
WASHER |
|
Repalced by: N 009021006208
|
| 907 |
N 009021006208 |
WASHER |
|
|
DELIVERY LINE TO BRACKET |
| 908 |
N 913004006002 |
NUT |
|
Repalced by: N 913004006001
|
| 908 |
N 913004006001 |
NUT |
|
|
DELIVERY LINE TO BRACKET |
| 909 |
A 0009953410 |
CLAMP |
|
Repalced by: A 0009953110
|
| 910 |
N 000931006191 |
SCREW |
|
|
RETURN LINE TO BASE FRAME |
| 911 |
N 913004006002 |
NUT |
|
Repalced by: N 913004006001
|
| 911 |
N 913004006001 |
NUT |
|
|
RETURN LINE TO BASE FRAME |
| 912 |
A 0009953110 |
CLAMP |
|
|
RETURN LINE TO BASE FRAME |
| 912 |
A 0009953510 |
CLAMP |
|
|
RETURN LINE TO SUPPORTING RAIL |
| 912 |
A 0009953010 |
CLAMP |
|
|
LEAK OIL LINE TO SUPPORTING RAIL |
| 912 |
A 0009952710 |
CLAMP |
|
|
LEAK OIL LINE TO BASE FRAME |
| 914 |
A 0019978390 |
LOOM TIE |
|
|
OIL LINES |